Поиск подшипника
Статьи
32008XA — Однорядный конический роликовый подшипник, модификация основного исполнения 32008, выпускается производителями: CBF, FAG, FLT, JAPANESE ORIGIN, KBC, ROLLWAY, STW, URB.
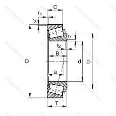
Размер подшипника: 40x68x19 мм.
(cone/inner race and cup/outer race) special feature bearing (non-interchangeable with bearings having the same basic part number).
Аналоги: 32008XA FAG,32008-X-XL FAG,32008X/Q SKF,32008X SKF,32008X-9X048 Timken,32008XM-90KM1 Timken,32008XA CBF,H-E32008J Nachi,32008XA STW,32008X FLT.
Международная стандартизации ISO
32008XA
В наличии
| Обозначение | Конструктивные изменения |
|---|---|
| 32008X-9X048 | Измененные размеры границ. введенные пересмотренными стандартами ISO. |
| 32008XM-90KM1 | Two Bearings In X-Arrangement. Medium Preload. |
| 32008XM-90KM5 | Two Bearings In X-Arrangement. Medium Preload. |
| 32008-X-XL | Серия X-Life. Внешние размеры соответствуют международным стандартам. |
| 32008JR | TAPERED ROLLER BEARING CONFORMING TO ISO R355 (SUB-UNIT. METRIC SERIES). EXAMPLE/ 30206JR. |
| 32008-X-CYB-W136-S40 | Внешние размеры соответствуют международным стандартам. |
| 32008-X-CYB-W136 | Внешние размеры соответствуют международным стандартам. |
| 32008-X-XL-P5 | Серия X-Life премиум-класс. увеличиный срок службы. Размерная и рабочая точность соответствует классу допуска ISO 5. Внешние размеры соответствуют международным стандартам. |
| 32008X/Q | Оптимизированная геометрия и специальная обработка контактных поверхностей. Присоединительные размеры не соответствуют серии размеров ISO. |
| 32008C | Конический роликовый подшипник. Модификация внутренней конструкции. |
| 32008XU | Spherical Seat Ring Type. |
| 32008-XA-P5 | Размерная и рабочая точность соответствует классу допуска ISO 5. (Cone/Inner Race And Cup/Outer Race) Special Feature Bearing (Non-Interchangeable With Bearings Having The Same Basic Part Number). |
| 32008X/QVB458 | Оптимизированная геометрия и специальная обработка контактных поверхностей. Присоединительные размеры не соответствуют серии размеров ISO. |
| 32008/32X/Q | Оптимизированная геометрия и специальная обработка контактных поверхностей. Присоединительные размеры не соответствуют серии размеров ISO. |
| 32008DY | Конические роликоподшипники. произведенные в Корее и продаваемые под торговой маркой FAG. могут быть идентифицированы по суффиксу -DY/-DZ. |
| 32008-XDY | Внешние размеры соответствуют международным стандартам. Конические роликоподшипники. произведенные в Корее и продаваемые под торговой маркой FAG. могут быть идентифицированы по суффиксу -DY/-DZ. |
| 32008XJ | Дорожки качения наружного кольца. угол контакта и ширина наружного кольца в соответствии с ISO. Серии размеров 20 и 29 — основные размеры соответствуют ISO/R355. |
| 32008-X-XL-S1 | Серия X-Life. Кольца подшипников или шайбы, стабилизированные по размерам для использования при рабочих температурах до +200°C (392°F).. Внешние размеры соответствуют международным стандартам. |
| 32008A | Конический роликоподшипник с более высокой номинальной нагрузкой и более высокой предельной скоростью. |
| 32008/38X/Q | Оптимизированная геометрия и специальная обработка контактных поверхностей. Присоединительные размеры не соответствуют серии размеров ISO. |
| 4T-32008X | Размеры границ изменены в соответствии со стандартами ISO. Цементованная сталь. |
| 32008J | Дорожки качения наружного кольца. угол контакта и ширина наружного кольца в соответствии с ISO. |
| 32008-X-H | Pressed Snap-Type Steel Cage. Hardened. External Dimensions Matched To International Standards.. H =. |
| 32008 XR/QVA621 | Измененная или модифицированная внутренняя конструкция при неизменных основных размерах. |
| 32008 XTN9/Q | Оптимизированная геометрия и специальная обработка контактных поверхностей. |
Модификации конического роликового подшипника 32008XA — это измененное основное конструктивное исполнение 32008, основные размеры (40x68x19) не отличаются.
| Обозначение | Гост | Конструктивные особенности |
|---|---|---|
| NP014119/NP419902 | ISO | Однорядный конический роликовый подшипник. |
| XAA32008X-90KA1 | ISO | Измененные размеры границ. введенные пересмотренными стандартами ISO. Assembly Code. |
| 57407/32008 | ISO | Однорядный конический роликовый подшипник. |
| HI-CAP32008JR | ISO | Конический роликоподшипник. соответствующий стандарту ISO R355. Код внутренней конструкции (высокая грузоподъемность). |
| HR32008XJ | ISO | Дорожки качения наружного кольца. угол контакта и ширина наружного кольца в соответствии с ISO. Серии размеров 20 и 29 — основные размеры соответствуют ISO/R355. Для конических роликоподшипников и радиальных шарикоподшипников. |
| 57090N/57080N | ISO | Однорядный конический роликовый подшипник. |
| NP654538/NP177400 | ISO | Однорядный конический роликовый подшипник. |
| BT1B328053AB/Q | ISO | Измененный внутренний дизайн. Больший угол контакта по сравнению со стандартной конструкцией. Оптимизированная геометрия и специальная обработка контактных поверхностей. |
| H-E32008J | ISO | Взаимозаменяемые кольца конического роликоподшипника. |
| 57407/32008X | ISO | Размеры границ изменены в соответствии со стандартами ISO. |
| BT1B328612C/QCL7CVK210 | ISO | Измененный внутренний дизайн. Оптимизированная геометрия и специальная обработка контактных поверхностей. Высокоэффективная конструкция. На подшипнике не может быть нанесен логотип клиента, может использоваться как стандарт. |
| NP811212/NP737620 | ISO | Однорядный конический роликовый подшипник. |
| 01/02/7108 | ISO | Однорядный конический роликовый подшипник. |
| IR2524 | ISO | Однорядный конический роликовый подшипник. |
| BT1B328612C | ISO | S-Range. Straight Raceway In The Outer Ring. Series 320X. |
| NP811212-90KA1 | ISO | Assembly Code. |
| BT1B329275/Q | ISO | Подшипники класса TQ-Line. имеющих суффикс Q в обозначении. являются основой для производства подшипников SKF. |
| 12R32008C | ISO | Конический роликовый подшипник. Модификация внутренней конструкции. |
| HR32008XJP5DB+KL | ISO | Угол контакта (от 24 до 32 градусов). Метрическая серия. Диаметр и угол качения наружного кольца соответствуют стандарту ISO/R355. Серии размеров 20 и 29 — основные размеры соответствуют ISO/R355. Flanged Type (2 Thru holes)-Medium Load. |
Аналог конического роликового подшипника 32008XA — это подшипник такого же размера dx40,Dx68,Bx19, типа и конструкции.
| Обозначение | Конструктивные особенности | Внутренний (d) | Наружный (D) | Ширина (B) |
|---|---|---|---|---|
| X32008XM/Y32008XM | Роликовый радиальный-упорный однорядный подшипник. Two Bearings In X-Arrangement. Medium Preload. | 40.00 | 68.00 | 19.00 |
| X32008X/Y32008XZ | Роликовый радиальный-упорный однорядный подшипник. Измененные размеры границ. введенные пересмотренными стандартами ISO. | 40.00 | 68.00 | 19.00 |
| X32008X/Y32008X | Роликовый радиальный-упорный однорядный подшипник. Измененные размеры границ. введенные пересмотренными стандартами ISO. | 40.00 | 68.00 | 19.00 |
| XAA32008X/Y32008XZ | Роликовый радиальный-упорный однорядный подшипник. Измененные размеры границ. введенные пересмотренными стандартами ISO. | 40.00 | 68.00 | 19.00 |
| XAA32008X/Y32008X | Роликовый радиальный-упорный однорядный подшипник. Измененные размеры границ. введенные пересмотренными стандартами ISO. | 40.00 | 68.00 | 19.00 |
| 987910-К | Роликовый радиальный-упорный подшипник. Кольцевая проточка на середине цилиндрической наружной поверхности наружного кольца плюс три отверстия для смазки. | 40.62 | 68.00 | 19.50 |
| 4-9208 Л | Роликовый упорный однорядный подшипник. Сепаратор из латуни.. | 40.00 | 68.00 | 19.00 |
| 7-2007108 А | Роликовый радиальный-упорный однорядный подшипник. Повышенная грузоподъемность. | 40.00 | 68.00 | 19.00 |
| HL-NK40X68X20-2T#01 | Роликовый игольчатый подшипник однорядный. Шестигранное отверстие (кулачковые ролики с осью). Одно уплотнение. Изменённая фаска. Design. By Construction Is The Same As 2S. Except Rubber Lip Is Tripled. Therefore. It Seals Better But Has Even Larger Friction. The Permitted Speeds Are Much Lower. Up To 500. It Emerges Out Of External Ring Width And Is Applied Only With Special Bearings For The Agricultural Machines (Practically Standard Sealing For The Disc Harrow Bearings) And To The Less Extent. Y-Bearing Program. | 40.00 | 68.00 | 20.00 |
| HI-CAP 57407/32008J | Роликовый радиальный-упорный однорядный подшипник. Угол контакта 20 градусов. | 40.00 | 68.00 | 19.00 |
| GAC40N | Шарнирный подшипник. Измененная или модифицированная внутренняя конструкция при неизменных основных размерах. Канавка под стопорное кольцо на внешнем кольце. | 40.00 | 68.00 | 19.00 |
| GAC40T | Шарнирный подшипник. Измененная или модифицированная внутренняя конструкция при неизменных основных размерах. Textile Laminated Phenolic Resin. Outer Ring Guided. The Cage Is Suitable For Long-Term Operation At Temperatures Up To 100°C. | 40.00 | 68.00 | 19.00 |
| 5-2007108 А | Роликовый радиальный-упорный однорядный подшипник. Повышенная грузоподъемность. | 40.00 | 68.00 | 19.00 |
| 537808C17 | Роликовый радиальный-упорный двухрядный подшипник. Литол-24. | 39.00 | 68.00 | 18.50 |
| 6-2007108 А | Роликовый радиальный-упорный однорядный подшипник. Повышенная грузоподъемность. | 40.00 | 68.00 | 19.00 |
Способы доставки
Отправка через ведущие транспортные и курьерские компании: ПЭК, Деловые Линии, СДЭК, Байкал-Сервис, Энергия, КИТ, ЖелДорЭкспедиция.
Самовывоз возможен напрямую со склада в Москве.
Сроки доставки
Срок зависит от региона и выбранной транспортной компании. Все заказы комплектуются и отправляются в кратчайшие сроки со склада в Москве.
Надёжность и сохранность
Вся продукция упаковывается с учётом требований транспортировки. Мы гарантируем, что подшипники и комплектующие прибудут к заказчику в полной сохранности.
Доставка в страны ЕАЭС
Мы работаем с проверенными логистическими партнёрами, что позволяет оперативно доставлять заказы в Беларусь, Казахстан, Армению и другие страны ЕАЭС.
Варианты оплаты:
Минимальная сумма заказа и скидки:
Документы и гарантии:
Да, конечно! Наши технические специалисты готовы помочь вам с подбором точного аналога или замены подшипника. Просто позвоните нам по телефону +7 (495) 104-99-04 или напишите на почту zakaz@podsnab.ru.
Для оперативной консультации подготовьте, пожалуйста, имеющиеся данные: маркировку, размеры, тип оборудования или артикул старого подшипника.
Да, конечно! Мы высоко ценим долгосрочное сотрудничество и доверие клиентов по всей России. Для постоянных клиентов действует персональная система скидок.
Условия формируются индивидуально и зависят от:
Чтобы узнать свои условия и получить максимально выгодное предложение, свяжитесь с персональным менеджером или напишите нам на почту zakaz@podsnab.ru.
Вы можете оформить заказ несколькими способами:
Для оформления заказа от юридического лица свяжитесь с нашим отделом по работе с корпоративными клиентами по телефону +7 (495) 104-99-04 или напишите на email zakaz@podsnab.ru, прикрепив реквизиты вашей организации.
Мы оперативно подготовим коммерческое предложение и выставим счет.
Возврат товара надлежащего качества возможен в течение 10 дней с момента получения, если товар не был в употреблении, сохранен товарный вид, упаковка не вскрывалась и присутствуют все сопроводительные документы.
Возврат денежных средств осуществляется в течение 10 рабочих дней после проверки товара складом.
В соответствии с законодательством возврату не подлежат подшипники надлежащего качества, если отсутствует оригинальная упаковка или имеются следы монтажа.
В случае выявления брака или гарантийного случая мы гарантируем возврат или обмен товара.
Да, гарантийный срок хранения устанавливается заводом-изготовителем и в среднем составляет 2 года при соблюдении условий хранения: сухое помещение, оригинальная упаковка и смазка.
Точный срок для конкретного типа подшипника уточняйте у наших менеджеров.
Пн–Пт: с 8:00 до 17:00 (МСК).
Сб–Вс: выходные дни.
Заказы на сайте принимаются круглосуточно. Заявки, поступившие после окончания рабочего дня, обрабатываются на следующий рабочий день.
Минимальная сумма заказа для доставки составляет 3000 рублей. Самовывоз со склада возможен на любую сумму при наличии товара.
ООО «УралТехГрупп»
ИНН: 7415093830
КПП: 772401001
ОГРН: 1167456069021
Банк: ПАО Сбербанк
Р/с: 40702810838000475273
К/с: 30101810400000000225
БИК: 044525225
У подшипника 32008XA пока нет отзывов. Вы можете стать первым покупателем, поделившимся своим мнением.