Поиск подшипника
Статьи
32307B — Однорядный конический роликовый подшипник, модификация основного исполнения 32307, выпускается производителями: FAG, NTN, SKF, SRB.
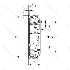
Размер подшипника: 35x80x32 мм.
Конический роликовый подшипник. угол контакта 20 градусов.
Альтернативное обозначение: BT1-0644B, BT1-0644BJ2/Q, 6-7607AУШ.
Аналоги: 32307BJ2/Q SKF.
Международная стандартизации ISO
32307B
В наличии
| Обозначение | Конструктивные изменения |
|---|---|
| 32307J2 | Штампованный стальной сепаратор. центрируемый по роликам. Число после J указывает на различные конструктивные исполнения сепаратора. |
| 32307JN | Стальной металлический прессованный сепаратор. |
| 32307C | Изменения внутренней конструкции. |
| 32307BV | Однорядный конический роликовый подшипник. |
| 32307 | Однорядный конический роликовый подшипник. Основное конструктивное исполнение. |
| 32307A | Соответствует стандартам ISO с улучшенными характеристиками. |
| 32307CG | Резьбовой винт со стопором и защелкой. |
| 32307-92KA1 | Однорядный конический роликовый подшипник. |
| 32307-CY | KOYO Bearings In FAG Packaging. FAG Bearing On Display. Greater Rounding-Rays For The Angles Than Normal. |
| 32307CZ | Однорядный конический роликовый подшипник. |
| 32307-90KA1 | Assembly Code. |
| 32307-90KA9 | Однорядный конический роликовый подшипник. |
| 32307CN | Нормальный уровень радиального внутреннего зазора (не маркируется). |
| 32307BJ2/Q | Больший угол контакта по сравнению со стандартной конструкцией. Оптимизированная геометрия и специальная обработка контактных поверхностей. Штампованный стальной сепаратор. центрируемый по роликам. Число после J указывает на различные конструктивные исполнения сепаратора. |
| 32307A.J22C | Модификация внутренней конструкции. Продукция без маркировки или с ограниченной маркировкой. Технические характеристики упаковки J22C. Заменяет Z67. |
| 32307J2/Q | Оптимизированная геометрия и специальная обработка контактных поверхностей. Штампованный стальной сепаратор. центрируемый по роликам. Число после J указывает на различные конструктивные исполнения сепаратора. |
| 32307V B22 | Повышенная грузоподъемность. Измененный внутренний дизайн. |
| 32307/37BJ2/Q | Больший угол контакта по сравнению со стандартной конструкцией. Оптимизированная геометрия и специальная обработка контактных поверхностей. Штампованный стальной сепаратор. центрируемый по роликам. Число после J указывает на различные конструктивные исполнения сепаратора. |
| 32307-H | Произведен в Китае. |
| 32307-XL | Серия X Live. |
| 4T-32307C | 15° Угол контакта. Цементованная сталь. |
| 32307BC12 | Однорядный конический роликовый подшипник. |
| 32307F | Сепаратор из обработанной стали или специального чугуна. |
| 32307J | Дорожки качения наружного кольца. угол контакта и ширина наружного кольца в соответствии с ISO. |
| 32307JR | TAPERED ROLLER BEARING CONFORMING TO ISO R355 (SUB-UNIT. METRIC SERIES). EXAMPLE/ 30206JR. |
Модификации конического роликового подшипника 32307B — это измененное основное конструктивное исполнение 32307, основные размеры (35x80x32) не отличаются.
| Обозначение | Гост | Конструктивные особенности |
|---|---|---|
| HR32307J | ISO | Дорожки качения наружного кольца. угол контакта и ширина наружного кольца в соответствии с ISO. Для конических роликоподшипников и радиальных шарикоподшипников. |
| 7607A | ISO | (Чаша/внешняя поверхность) отличается по наружному диаметру/радиусу/ширине от номера базовой детали. |
| 7607Y | ISO | Сепаратор из прессованной латуни. Центрирование шарика. |
| E32307JN | ISO | Стальной металлический прессованный сепаратор. |
| 332062 | ISO | Однорядный конический роликовый подшипник. |
| 529656 | ISO | Однорядный конический роликовый подшипник. |
| HR32307CN | ISO | Нормальный уровень радиального внутреннего зазора (не маркируется). |
| HR32307C | ISO | 15° Угол контакта. |
| N32307 | ISO | Однорядный конический роликовый подшипник. |
| Z-529656.TR1W | ISO | Однорядный конический роликоподшипник. |
| 4T-32307 | ISO | Цементованная сталь. |
| TR0708-1R | ISO | Внутреннее обозначение конструкции (высокая грузоподъемность). Однорядные конические роликоподшипники нестандартных размеров. |
| R35-23G5 | ISO | Науглероженная сталь - внутреннее и наружное кольцо. |
| BT1-0644B | ISO | Конический роликовый подшипник. Угол контакта 20 градусов. |
| HI-CAPTR0708-1R | ISO | Угол контакта 20 градусов. Внутреннее обозначение конструкции (высокая грузоподъемность). |
| HR32307 | ISO | Однорядный конический роликовый подшипник. |
Аналог конического роликового подшипника 32307B — это подшипник такого же размера dx35,Dx80,Bx32, типа и конструкции.
| Обозначение | Конструктивные особенности | Внутренний (d) | Наружный (D) | Ширина (B) |
|---|---|---|---|---|
| 7607-АУШ | Роликовый радиальный-упорный однорядный подшипник. Дополнительные технические требования. Повышенная грузоподъемность. Нормы шумности. | 35.00 | 80.00 | 32.75 |
| 7607A | Роликовый радиальный-упорный однорядный подшипник. Двухрядный радиально-упорный шарикоподшипник без отверстия для смазки. | 35.00 | 80.00 | 31.00 |
| 180607-АЕ1 | Шариковый радиальный однорядный подшипник. Сепаратор из текстолита.. Повышенная грузоподъемность. | 35.00 | 80.00 | 31.00 |
| 180607-АК | Шариковый радиальный однорядный подшипник. Повышенная грузоподъемность. | 35.00 | 80.00 | 31.00 |
| 180607-КУС9 | Шариковый радиальный однорядный подшипник. «Замок» (скос) на внутреннем кольце плюс массивный сепаратор из текстолита. Дополнительные технические требования. Смазка ЛЗ-31. | 35.00 | 80.00 | 31.00 |
| 380807-АУ | Шариковый радиальный однорядный подшипник. Дополнительные технические требования. Повышенная грузоподъемность. | 35.00 | 80.00 | 31.00 |
| 2307 TN9 | Шариковый сферический двухрядный подшипник. Литой защелкивающийся сепаратор из полиамида. армированного стекловолокном 6.6. | 35.00 | 80.00 | 31.00 |
| 2307SK | Шариковый сферический двухрядный подшипник. Кулачковый толкатель штифтового типа. С шестигранной головкой. Только для внутреннего и наружного колец. | 35.00 | 80.00 | 31.00 |
| 2307 E-2RS1KTN9 | Шариковый сферический двухрядный подшипник. Повышенная грузоподъемность. | 35.00 | 80.00 | 31.00 |
| NJ 2307 ECPH | Роликовый радиальный однорядный подшипник. Однорядный цилиндрический роликовый подшипник. | 35.00 | 80.00 | 31.00 |
| NU 2307 ECPH | Роликовый радиальный однорядный подшипник. Однорядный цилиндрический роликовый подшипник. | 35.00 | 80.00 | 31.00 |
| 42607-Л | Роликовый радиальный однорядный подшипник. Сепаратор из латуни.. | 35.00 | 80.00 | 31.00 |
| 42607-Л1 | Роликовый радиальный однорядный подшипник. Сепаратор из латуни.. | 35.00 | 80.00 | 31.00 |
| 6-11207 КУ | Шариковый радиальный двухрядный подшипник. Дополнительные технические требования. | 35.00 | 80.00 | 31.00 |
| 6-180607 С9Ш1 | Шариковый радиальный однорядный подшипник. Нормы шумности. Смазка ЛЗ-31. | 35.00 | 80.00 | 31.00 |
Способы доставки
Отправка через ведущие транспортные и курьерские компании: ПЭК, Деловые Линии, СДЭК, Байкал-Сервис, Энергия, КИТ, ЖелДорЭкспедиция.
Самовывоз возможен напрямую со склада в Москве.
Сроки доставки
Срок зависит от региона и выбранной транспортной компании. Все заказы комплектуются и отправляются в кратчайшие сроки со склада в Москве.
Надёжность и сохранность
Вся продукция упаковывается с учётом требований транспортировки. Мы гарантируем, что подшипники и комплектующие прибудут к заказчику в полной сохранности.
Доставка в страны ЕАЭС
Мы работаем с проверенными логистическими партнёрами, что позволяет оперативно доставлять заказы в Беларусь, Казахстан, Армению и другие страны ЕАЭС.
Варианты оплаты:
Минимальная сумма заказа и скидки:
Документы и гарантии:
Да, конечно! Наши технические специалисты готовы помочь вам с подбором точного аналога или замены подшипника. Просто позвоните нам по телефону +7 (495) 104-99-04 или напишите на почту zakaz@podsnab.ru.
Для оперативной консультации подготовьте, пожалуйста, имеющиеся данные: маркировку, размеры, тип оборудования или артикул старого подшипника.
Да, конечно! Мы высоко ценим долгосрочное сотрудничество и доверие клиентов по всей России. Для постоянных клиентов действует персональная система скидок.
Условия формируются индивидуально и зависят от:
Чтобы узнать свои условия и получить максимально выгодное предложение, свяжитесь с персональным менеджером или напишите нам на почту zakaz@podsnab.ru.
Вы можете оформить заказ несколькими способами:
Для оформления заказа от юридического лица свяжитесь с нашим отделом по работе с корпоративными клиентами по телефону +7 (495) 104-99-04 или напишите на email zakaz@podsnab.ru, прикрепив реквизиты вашей организации.
Мы оперативно подготовим коммерческое предложение и выставим счет.
Возврат товара надлежащего качества возможен в течение 10 дней с момента получения, если товар не был в употреблении, сохранен товарный вид, упаковка не вскрывалась и присутствуют все сопроводительные документы.
Возврат денежных средств осуществляется в течение 10 рабочих дней после проверки товара складом.
В соответствии с законодательством возврату не подлежат подшипники надлежащего качества, если отсутствует оригинальная упаковка или имеются следы монтажа.
В случае выявления брака или гарантийного случая мы гарантируем возврат или обмен товара.
Да, гарантийный срок хранения устанавливается заводом-изготовителем и в среднем составляет 2 года при соблюдении условий хранения: сухое помещение, оригинальная упаковка и смазка.
Точный срок для конкретного типа подшипника уточняйте у наших менеджеров.
Пн–Пт: с 8:00 до 17:00 (МСК).
Сб–Вс: выходные дни.
Заказы на сайте принимаются круглосуточно. Заявки, поступившие после окончания рабочего дня, обрабатываются на следующий рабочий день.
Минимальная сумма заказа для доставки составляет 3000 рублей. Самовывоз со склада возможен на любую сумму при наличии товара.
ООО «УралТехГрупп»
ИНН: 7415093830
КПП: 772401001
ОГРН: 1167456069021
Банк: ПАО Сбербанк
Р/с: 40702810838000475273
К/с: 30101810400000000225
БИК: 044525225
У подшипника 32307B пока нет отзывов. Вы можете стать первым покупателем, поделившимся своим мнением.