Поиск подшипника
Статьи
6304 2RSR — Подшипник однорядный шариковый радиальный, модификация основного исполнения 6304, выпускается производителями: FAG, ROLLWAY, SLF FRAUREUTH.
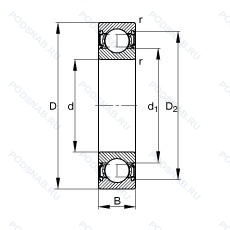
Размер подшипника: 20x52x15 мм.
Резиновые уплотнения с каждой стороны подшипника.
Аналоги: 6304-2RSR FAG,6304-2RS Felstrom,6304 2RS Koyo,6304 2RS CM Koyo,6304DDU CM NSK,6304.2RSR SLF Fraureuth,6304 2RS ISB,6304 2RS Rollway,6304 2RS FLT,6304 2RS KSB,6304 2RS LDI,6304-2RS Bing Netherlands,6304 2RS CX,6304 2RS MTK.
Международная стандартизации ISO
63042RSR
В наличии
| Обозначение | Конструктивные изменения |
|---|---|
| 6304B12-2RS | Резиновые уплотнения с каждой стороны подшипника. |
| 6304UU | Символ защиты от загрязнения. |
| 6304 2RD C3 | Внутренний зазор больше нормального. Облегченное контактное уплотнение с двух сторон.. |
| 6304-2RD | Облегченное контактное уплотнение с двух сторон.. |
| 6304R | С выпуклыми асимметричными роликами и обработанным сепаратором. |
| 6304-2NKE | Double Labyrinth Seal (Non Contact). |
| 6304-2NSE9 | Два контактных уплотнения. |
| 6304-2NKE9 | Double Labyrinth Seal (Non Contact). |
| 6304NSE | Резиновое уплотнение с одной стороны. |
| 6304ZE | щит из листовой прессованной стали с одной стороны подшипника. |
| 6304-2Z-N | Защитные металлические шайбы с обеих сторон подшипника. Канавка под стопорное кольцо на внешнем кольце. |
| 6304LLH | Манжетное уплотнение с обеих сторон подшипника. |
| 6304LLBNR | Канавка и стопорное кольцо на наружном кольце. Бесконтактное нитриловое уплотнение. |
| 6304LLUNR | Канавка и стопорное кольцо на наружном кольце. Двухкромочное нитриловое контактное уплотнение. |
| 6304LLB | Уплотнение бесконтактного типа из синтетического каучука. |
| 6304LB | Бесконтактное нитриловое уплотнение. |
| F-6304J1 | Шариковые подшипники из нержавеющей стали. Pressed Snap-Type Steel Cage. |
| 6304-RSL | Sheet Steel Reinforced Low Friction Contact Seal Of Acrylonitrile-Butadiene Rubber (NBR) On One Side Of The Bearing. |
| 6304-2RSL | Sheet Steel Reinforced Low Friction Contact Seal Of Acrylonitrile-Butadiene Rubber (NBR) On Both Sides Of The Bearing. |
| 6304G15 | Сепаратор из полиамида 6.6 армированный стекловолокном. |
| 6304E | Контактное уплотнение с одной стороны. |
| 6304HT200ZZ | Ассортимент TOPLINE для высокой температуры - Максимум 200 С° со стальными защитными пластинами с обеих сторон. |
| 6304NEE | Контактные уплотнения с двух сторон. Канавка на наружном кольце. |
| 6304FT150ZZ | Ассортимент TOPLINE для высокой температуры - Максимум 150 С° со стальными защитными пластинами с обеих сторон. |
| 6304NRZ | Защитная пластина с одной стороны. Канавка и стопорное кольцо на наружном кольце. |
Модификации шарикового подшипника 6304 2RSR — это измененное основное конструктивное исполнение 6304, основные размеры (20x52x15) не отличаются.
| Обозначение | Гост | Конструктивные особенности |
|---|---|---|
| 304SS ZZ | ISO | Защитные металлические шайбы с обеих сторон. Защитные металлические шайбы с обеих сторон подшипника. |
| 304SFFC | ISO | Подшипник с шириной картриджа, с двумя защитными шайбами. |
| 6204RS C2 | ISO | Внутренний зазор подшипника меньше нормального. Резиновое уплотнение с одной стороны. |
| BB1B362637A | ISO | Измененная или модифицированная внутренняя конструкция при неизменных основных размерах. Как правило. значение буквы привязано к определенному подшипнику или серии подшипника. |
| 304KDD | ISO | Защитные металлические шайбы по обе стороны подшипника с цилиндрическим наружным диаметром. |
| 304SS | ISO | Две резиновые защитные шайбы. |
| SC04A95CS27/3AS | ISO | Special Radial Clearance in µm. Смазка. Shell Oil Co. Смазка Alvania #3, стандартная заливка.. |
| PLC04-30 | ISO | Distance Between End Face And First Hole Of The Rail. |
| 304SFF | ISO | Single Row Radial Conrad-Type Bearings. Металлическое уплотнение с двух сторон. |
| 6205/19,05 2RS C3 | ISO | Внутренний зазор больше нормального. Резиновые уплотнения с каждой стороны подшипника. 1.3/16. Design. |
| B20-151 | ISO | Подшипник со специальными размерами. |
| 304SG | ISO | Single Row Radial Conrad-Type Bearings. Канавка под стопорное кольцо на наружном кольце с соответствующим стопорным кольцом. |
| F-6304LL/LP06 | ISO | Контактное. синтетические. резиновое уплотнение с двух сторон. Food Compatible Solid Grease -10°C to +100°C (80°C Continuous). |
| 304S | ISO | Single Row Radial Conrad-Type Bearings. |
| M6304ZZ | ISO | Защитные металлические шайбы с обеих сторон. |
| E2.6304-2Z/C3 | ISO | Внутренний зазор больше нормального. Защитные металлические шайбы с обеих сторон подшипника. |
| 304KR2 C3 | ISO | Внутренний зазор больше нормального. |
| 304PPG216C3 | ISO | Внутренний зазор больше нормального. Манжетные уплотнения с обеих сторон подшипника. |
| 10R.6304.A.F386 | ISO | Увеличенная грузоподъемность. Специальная внутренний дизайн. |
| LZ6204-2RSRTNG | ISO | Резиновые уплотнения с каждой стороны подшипника. Сепаратор из полиамида 66. армированного стекловолокном. |
Аналог шарикового подшипника 6304 2RSR — это подшипник такого же размера dx20,Dx52,Bx15, типа и конструкции.
| Обозначение | Конструктивные особенности | Внутренний (d) | Наружный (D) | Ширина (B) |
|---|---|---|---|---|
| 46-304-БТ2 | Шариковый радиально-упорный однорядный подшипник. 200°. Температура отпуска. Сепаратор из безоловянистой бронзы.. | 20.00 | 52.00 | 15.00 |
| 46-304 Р1 | Шариковый радиальный однорядный подшипник. Детали из теплоустойчивой (быстрорежущие) стали.. | 20.00 | 52.00 | 15.00 |
| 46-304 Ю2 | Шариковый радиальный однорядный подшипник. Все детали или часть деталей из нержавеющей стали.. | 20.00 | 52.00 | 15.00 |
| 46-304 Ю4Т | Шариковый радиальный однорядный подшипник. Температура отпуска. 160°. Все детали или часть деталей из нержавеющей стали.. | 20.00 | 52.00 | 15.00 |
| 46304-Б | Шариковый радиально-упорный однорядный подшипник. Сепаратор из безоловянистой бронзы.. | 20.00 | 52.00 | 15.00 |
| 46304-Е | Шариковый радиально-упорный однорядный подшипник. Сепаратор из текстолита.. | 20.00 | 52.00 | 15.00 |
| 46304-Л | Шариковый радиально-упорный однорядный подшипник. Сепаратор из латуни.. | 20.00 | 52.00 | 15.00 |
| 46304К | Шариковый радиально-упорный однорядный подшипник. «Замок» (скос) на внутреннем кольце плюс массивный сепаратор из текстолита. | 20.00 | 52.00 | 15.00 |
| 5-304 А | Шариковый радиальный однорядный подшипник. Повышенная грузоподъемность. | 20.00 | 52.00 | 15.00 |
| 5-304 ЕТ8Ш2 | Шариковый радиальный однорядный подшипник. Сепаратор из текстолита.. Нормы шумности. Специальный режим термообработки деталей подшипника. | 20.00 | 52.00 | 15.00 |
| 5-46304 Б | Шариковый радиально-упорный однорядный подшипник. Сепаратор из безоловянистой бронзы.. | 20.00 | 52.00 | 15.00 |
| 5-66304 Б | Шариковый радиально-упорный однорядный подшипник. Сепаратор из безоловянистой бронзы.. | 20.00 | 52.00 | 15.00 |
| 50-304 ЕТ8Ш2 | Шариковый радиальный однорядный подшипник. Сепаратор из текстолита.. Нормы шумности. Специальный режим термообработки деталей подшипника. | 20.00 | 52.00 | 15.00 |
| 50304-А | Шариковый радиальный однорядный подшипник. Повышенная грузоподъемность. | 20.00 | 52.00 | 15.00 |
| 50304-АК | Шариковый радиальный однорядный подшипник. Повышенная грузоподъемность. | 20.00 | 52.00 | 15.00 |
Способы доставки
Отправка через ведущие транспортные и курьерские компании: ПЭК, Деловые Линии, СДЭК, Байкал-Сервис, Энергия, КИТ, ЖелДорЭкспедиция.
Самовывоз возможен напрямую со склада в Москве.
Сроки доставки
Срок зависит от региона и выбранной транспортной компании. Все заказы комплектуются и отправляются в кратчайшие сроки со склада в Москве.
Надёжность и сохранность
Вся продукция упаковывается с учётом требований транспортировки. Мы гарантируем, что подшипники и комплектующие прибудут к заказчику в полной сохранности.
Доставка в страны ЕАЭС
Мы работаем с проверенными логистическими партнёрами, что позволяет оперативно доставлять заказы в Беларусь, Казахстан, Армению и другие страны ЕАЭС.
Варианты оплаты:
Минимальная сумма заказа и скидки:
Документы и гарантии:
Да, конечно! Наши технические специалисты готовы помочь вам с подбором точного аналога или замены подшипника. Просто позвоните нам по телефону +7 (495) 104-99-04 или напишите на почту zakaz@podsnab.ru.
Для оперативной консультации подготовьте, пожалуйста, имеющиеся данные: маркировку, размеры, тип оборудования или артикул старого подшипника.
Да, конечно! Мы высоко ценим долгосрочное сотрудничество и доверие клиентов по всей России. Для постоянных клиентов действует персональная система скидок.
Условия формируются индивидуально и зависят от:
Чтобы узнать свои условия и получить максимально выгодное предложение, свяжитесь с персональным менеджером или напишите нам на почту zakaz@podsnab.ru.
Вы можете оформить заказ несколькими способами:
Для оформления заказа от юридического лица свяжитесь с нашим отделом по работе с корпоративными клиентами по телефону +7 (495) 104-99-04 или напишите на email zakaz@podsnab.ru, прикрепив реквизиты вашей организации.
Мы оперативно подготовим коммерческое предложение и выставим счет.
Возврат товара надлежащего качества возможен в течение 10 дней с момента получения, если товар не был в употреблении, сохранен товарный вид, упаковка не вскрывалась и присутствуют все сопроводительные документы.
Возврат денежных средств осуществляется в течение 10 рабочих дней после проверки товара складом.
В соответствии с законодательством возврату не подлежат подшипники надлежащего качества, если отсутствует оригинальная упаковка или имеются следы монтажа.
В случае выявления брака или гарантийного случая мы гарантируем возврат или обмен товара.
Да, гарантийный срок хранения устанавливается заводом-изготовителем и в среднем составляет 2 года при соблюдении условий хранения: сухое помещение, оригинальная упаковка и смазка.
Точный срок для конкретного типа подшипника уточняйте у наших менеджеров.
Пн–Пт: с 8:00 до 17:00 (МСК).
Сб–Вс: выходные дни.
Заказы на сайте принимаются круглосуточно. Заявки, поступившие после окончания рабочего дня, обрабатываются на следующий рабочий день.
Минимальная сумма заказа для доставки составляет 3000 рублей. Самовывоз со склада возможен на любую сумму при наличии товара.
ООО «УралТехГрупп»
ИНН: 7415093830
КПП: 772401001
ОГРН: 1167456069021
Банк: ПАО Сбербанк
Р/с: 40702810838000475273
К/с: 30101810400000000225
БИК: 044525225
У подшипника 6304 2RSR пока нет отзывов. Вы можете стать первым покупателем, поделившимся своим мнением.