Поиск подшипника
Статьи
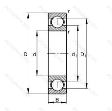
6415M — Подшипник однорядный шариковый радиальный, модификация основного исполнения 6415, выпускается производителями: FAG, NEUTRAL, RHP, SKF, SRO.
Размер подшипника: 75x190x45 мм.
Твердый латунный сепаратор с шариковой направляющей.
Аналоги: 6415M FAG,6415-M FAG.
Международная стандартизации ISO
6415M
В наличии
| Обозначение | Конструктивные изменения |
|---|---|
| 6415C4 | Внутренний зазор подшипника больше. чем C3. |
| 6415NR | Канавка под стопорное кольцо на наружном кольце с соответствующим стопорным кольцом. |
| 6415 ZZ | Защитные металлические шайбы с обеих сторон. |
| 6415 ZNR | Подшипник однорядный шариковый радиальный. |
| 6415 2RS | Резиновые уплотнения с каждой стороны подшипника. |
| 6415.C3 | Внутренний зазор больше нормального. |
| 6415 | Подшипник однорядный шариковый радиальный. Основное конструктивное исполнение. |
| 6415A P6 | Axial Clearance In Non-Standardized Range (Range In µm - e.g. 3210 A20-30). Размерные и геометрические допуски соответствуют классу точности P6. |
| 6415N | Канавка под стопорное кольцо на внешнем кольце. |
| 6415M/C3 | Внутренний зазор больше нормального. Подшипник с латунным сепаратором. центрированный по телам качения. |
| 6415Z C3 | Внутренний зазор больше нормального. щит из листовой прессованной стали с одной стороны подшипника. |
Модификации шарикового подшипника 6415M — это измененное основное конструктивное исполнение 6415, основные размеры (75x190x45) не отличаются.
| Обозначение | Гост | Конструктивные особенности |
|---|---|---|
| 9415 | ISO | Подшипник однорядный шариковый радиальный. |
Аналог шарикового подшипника 6415M — это подшипник такого же размера dx75,Dx190,Bx45, типа и конструкции.
| Обозначение | Конструктивные особенности | Внутренний (d) | Наружный (D) | Ширина (B) |
|---|---|---|---|---|
| 7415WN | Шариковый радиально-упорный однорядный подшипник. Sizes 7201K Through 7203WN Have A 20° Угол контакта And A Nylon Cage. Sizes 7204WN through 7218WN have a 40° Угол контакта And A One-Piece. Ball Piloted. Pressed Brass Cage. Larger Sizes 7219WN Through 7230WN Have A 40° Угол контакта And A One-Piece. Outer Ring Piloted High-Strength Machined Bronze Cage. | 75.00 | 190.00 | 45.00 |
| 7415B | Шариковый радиально-упорный однорядный подшипник. Угол контакта 40 градусов. | 75.00 | 190.00 | 45.00 |
| 7415 A | Шариковый радиально-упорный однорядный подшипник. Двухрядный радиально-упорный шарикоподшипник без отверстия для смазки. | 75.00 | 190.00 | 45.00 |
| 50415-А | Шариковый радиальный однорядный подшипник. Повышенная грузоподъемность. | 75.00 | 190.00 | 45.00 |
| 6-415 АШ1 | Шариковый радиальный однорядный подшипник. Повышенная грузоподъемность. Нормы шумности. | 75.00 | 190.00 | 45.00 |
| 6-415 АШ | Шариковый радиальный однорядный подшипник. Повышенная грузоподъемность. Нормы шумности. | 75.00 | 190.00 | 45.00 |
| 62415-М | Роликовый радиальный подшипник. Модифицированный контакт.. | 75.00 | 190.00 | 45.00 |
| 70-42415 КМ | Роликовый радиальный однорядный подшипник. Кольцевая проточка на середине цилиндрической наружной поверхности наружного кольца плюс три отверстия для смазки. Модифицированный контакт.. | 75.00 | 190.00 | 45.00 |
| 70-42415 ЛМ | Роликовый радиальный однорядный подшипник. Сепаратор из латуни.. Модифицированный контакт.. | 75.00 | 190.00 | 45.00 |
| 70-42415 М | Роликовый радиальный однорядный подшипник. Модифицированный контакт.. | 75.00 | 190.00 | 45.00 |
| 78-42415 КМ | Роликовый радиальный однорядный подшипник. Модифицированный контакт.. | 75.00 | 190.00 | 45.00 |
| 415-А | Шариковый радиальный однорядный подшипник. Повышенная грузоподъемность. | 75.00 | 190.00 | 45.00 |
| 42415-КМ | Роликовый радиальный однорядный подшипник. Кольцевая проточка на середине цилиндрической наружной поверхности наружного кольца плюс три отверстия для смазки. Модифицированный контакт.. | 75.00 | 190.00 | 45.00 |
| 42415-М | Роликовый радиальный однорядный подшипник. Модифицированный контакт.. | 75.00 | 190.00 | 45.00 |
| 42415KM | Роликовый радиальный однорядный подшипник. Type Of Model. | 75.00 | 190.00 | 45.00 |
Способы доставки
Отправка через ведущие транспортные и курьерские компании: ПЭК, Деловые Линии, СДЭК, Байкал-Сервис, Энергия, КИТ, ЖелДорЭкспедиция.
Самовывоз возможен напрямую со склада в Москве.
Сроки доставки
Срок зависит от региона и выбранной транспортной компании. Все заказы комплектуются и отправляются в кратчайшие сроки со склада в Москве.
Надёжность и сохранность
Вся продукция упаковывается с учётом требований транспортировки. Мы гарантируем, что подшипники и комплектующие прибудут к заказчику в полной сохранности.
Доставка в страны ЕАЭС
Мы работаем с проверенными логистическими партнёрами, что позволяет оперативно доставлять заказы в Беларусь, Казахстан, Армению и другие страны ЕАЭС.
Варианты оплаты:
Минимальная сумма заказа и скидки:
Документы и гарантии:
Да, конечно! Наши технические специалисты готовы помочь вам с подбором точного аналога или замены подшипника. Просто позвоните нам по телефону +7 (495) 104-99-04 или напишите на почту zakaz@podsnab.ru.
Для оперативной консультации подготовьте, пожалуйста, имеющиеся данные: маркировку, размеры, тип оборудования или артикул старого подшипника.
Да, конечно! Мы высоко ценим долгосрочное сотрудничество и доверие клиентов по всей России. Для постоянных клиентов действует персональная система скидок.
Условия формируются индивидуально и зависят от:
Чтобы узнать свои условия и получить максимально выгодное предложение, свяжитесь с персональным менеджером или напишите нам на почту zakaz@podsnab.ru.
Вы можете оформить заказ несколькими способами:
Для оформления заказа от юридического лица свяжитесь с нашим отделом по работе с корпоративными клиентами по телефону +7 (495) 104-99-04 или напишите на email zakaz@podsnab.ru, прикрепив реквизиты вашей организации.
Мы оперативно подготовим коммерческое предложение и выставим счет.
Возврат товара надлежащего качества возможен в течение 10 дней с момента получения, если товар не был в употреблении, сохранен товарный вид, упаковка не вскрывалась и присутствуют все сопроводительные документы.
Возврат денежных средств осуществляется в течение 10 рабочих дней после проверки товара складом.
В соответствии с законодательством возврату не подлежат подшипники надлежащего качества, если отсутствует оригинальная упаковка или имеются следы монтажа.
В случае выявления брака или гарантийного случая мы гарантируем возврат или обмен товара.
Да, гарантийный срок хранения устанавливается заводом-изготовителем и в среднем составляет 2 года при соблюдении условий хранения: сухое помещение, оригинальная упаковка и смазка.
Точный срок для конкретного типа подшипника уточняйте у наших менеджеров.
Пн–Пт: с 8:00 до 17:00 (МСК).
Сб–Вс: выходные дни.
Заказы на сайте принимаются круглосуточно. Заявки, поступившие после окончания рабочего дня, обрабатываются на следующий рабочий день.
Минимальная сумма заказа для доставки составляет 3000 рублей. Самовывоз со склада возможен на любую сумму при наличии товара.
ООО «УралТехГрупп»
ИНН: 7415093830
КПП: 772401001
ОГРН: 1167456069021
Банк: ПАО Сбербанк
Р/с: 40702810838000475273
К/с: 30101810400000000225
БИК: 044525225
У подшипника 6415M пока нет отзывов. Вы можете стать первым покупателем, поделившимся своим мнением.