Поиск подшипника
Статьи
61905 — Подшипник однорядный шариковый радиальный, основное исполнение, выпускается производителями: CCVI, CONRAD, CRAFT, CX, ELGES, FAG, FELSTROM, IBS, INA, ISB, ISO, NAN, NKE, NSK, SAPPORO, SKF, TIMKEN, UNIBAL, ZEN.
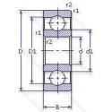
Размер подшипника: 25x42x9 мм.
Альтернативное обозначение: 6905.
Аналоги: 61905 Elges,6905 NTN,6905 Nachi,6905 SMT,6905 ISB,61905 Neutral.
Международная стандартизации ISO
61905
В наличии
Шариковый подшипник 61905 относится к радиальным однорядным конструкциям тонкой серии, рассчитанным на работу при высоких скоростях вращения и ограниченных габаритах. Такой подшипниковый узел применяется в электродвигателях, приборостроении и компактных механизмах, где важны минимальные размеры и стабильная работа.
Конструкция изделия отличается уменьшенной высотой сечения при сохранении необходимой жёсткости и точности вращения. Глубокие дорожки качения обеспечивают равномерное распределение нагрузки и снижение уровня трения. При подборе часто используется обозначение подшипник 61905, позволяющее корректно определить типоразмер и обеспечить совместимость при замене.
Для корректной эксплуатации важно учитывать параметры посадки, условия смазки и режимы работы. Такой тип подшипников чувствителен к загрязнениям и перегрузкам, поэтому соблюдение технических рекомендаций напрямую влияет на ресурс, уровень шума и стабильность работы оборудования.
| Обозначение | Конструктивные изменения |
|---|---|
| 61905.2RSR | Резиновые уплотнения с каждой стороны подшипника. |
| 61905TN | Отлитый под давлением защелкивающийся сепаратор из полиамида. Центрированные тела качения. |
| 61905-2RS1 | Усиленные листовой сталью контактные уплотнения из акрилонитрил-бутадиенового каучука (NBR) с обеих сторон подшипника. |
| 61905Z | щит из листовой прессованной стали с одной стороны подшипника. |
| 61905 P6 | Размерные и геометрические допуски соответствуют классу точности P6. |
| 61905VV | Защитные металлические шайбы. с обеих сторон подшипника. Бесконтактное уплотнение. (лучше. чем ZZ. Можно использовать в умеренно запыленной среде). |
| 61905 2NSE | Резиновые уплотнения с каждой стороны подшипника. |
| 61905-C3 | Внутренний зазор больше нормального. |
| 61905-2RSR-HLC-C3 | Внутренний зазор больше нормального. Резиновые уплотнения с каждой стороны подшипника. Код местонахождения завода. может использоваться в стандартной комплектации. |
| 61905 2RS C2 | Внутренний зазор подшипника меньше нормального. Резиновые уплотнения с каждой стороны подшипника. |
| 61905/QE6 | Тихая работа. |
| 61905-2RS-HLU | Резиновые уплотнения с каждой стороны подшипника. Код местонахождения завода. может использоваться в стандартной комплектации. |
| 61905-2RS1/C3 | Внутренний зазор больше нормального. Усиленные листовой сталью контактные уплотнения из акрилонитрил-бутадиенового каучука (NBR) с обеих сторон подшипника. |
| 61905EE | Резиновые уплотнения с каждой стороны подшипника. |
| 61905-HLU | Код местонахождения завода. может использоваться в стандартной комплектации. |
| 61905-2RSR-HLU | Резиновые уплотнения с каждой стороны подшипника. Код местонахождения завода. может использоваться в стандартной комплектации. |
| 61905-Y | Штампованный латунный фиксатор. Направляемые элементы качения. |
| 61905-2Z-C3 | Внутренний зазор больше нормального. Защитные стальные шайбы с обеих сторон. |
| 61905TNH C4 | Внутренний зазор подшипника больше. чем C3. Формованный полиамидный защелкивающийся сепаратор. |
| 61905ZZ NR | Защитные металлические шайбы с обеих сторон. Канавка под стопорное кольцо на наружном кольце с соответствующим стопорным кольцом. |
| 61905NR | Канавка под стопорное кольцо на наружном кольце с соответствующим стопорным кольцом. |
| 61905VA | Нержавеющая сталь. |
| 61905 2BRS | Бесконтактные лабиринтные уплотнения с обеих сторон. |
| 61905 2URS | Специальное манжетное уплотнение с обеих сторон подшипника. |
| 61905 BRS | Бесконтактные лабиринтные уплотнения с одной стороны. |
Модификации шарикового подшипника 61905 — это измененное основное конструктивное исполнение 61905, основные размеры (25x42x9) не отличаются.
| Обозначение | Гост | Конструктивные особенности |
|---|---|---|
| 6905 | ISO | Подшипник однорядный шариковый радиальный. |
| F6905ZZ | ISO | Защитные металлические шайбы с обеих сторон. |
| 6905C3U61 | ISO | Внутренний зазор больше нормального. |
| 6905C3 | ISO | Внутренний зазор больше нормального. |
| 6905-ZZ P5 EMQ | ISO | Защитные металлические шайбы с обеих сторон. Качество электродвигателя. Размерная и рабочая точность соответствует классу допуска ISO 5. |
| 6905 2RS C3 | ISO | Внутренний зазор больше нормального. Резиновые уплотнения с каждой стороны подшипника. |
| 6905VV | ISO | Защитные металлические шайбы. с обеих сторон подшипника. Бесконтактное уплотнение. (лучше. чем ZZ. Можно использовать в умеренно запыленной среде). |
| 6905VV CM | ISO | Шариковый подшипник. Специальный радиальный внутренний зазор для электродвигателей. Защитные металлические шайбы с двух сторон подшипника (лучше. чем ZZ (пригодно для использования в условиях умеренной запыленности)) Бесконтактного уплотнения. |
| 6905DDU | ISO | Резиновые уплотнения с каждой стороны подшипника. |
| 6905/26 2RS | ISO | Резиновые уплотнения с каждой стороны подшипника. 1.5/8. |
| 6905CS | ISO | Высокоуглеродистая сталь. |
| 1905S | ISO | Single Row Radial Conrad-Type Bearings. |
| 6905X ZZE C3 M1 MTSRL | ISO | Внутренний зазор больше нормального. Радиальный шарикоподшипник серии Excel. Защитные металлические шайбы с обеих сторон. Стальной сепаратор вместо латунного. Измененные размеры границ. введенные пересмотренными стандартами ISO. Multemp SRL Grease.- 40° + 150° Celsius. |
| 6905X 2NSE C3 M1 | ISO | Внутренний зазор больше нормального. Стальной сепаратор вместо латунного. Измененные размеры границ. введенные пересмотренными стандартами ISO. Резиновые уплотнения с каждой стороны подшипника. |
| 6905ZZE | ISO | Радиальный шарикоподшипник серии Excel. Защитные металлические шайбы с обеих сторон. |
| AY25Z | ISO | щит из листовой прессованной стали с одной стороны подшипника. |
| 6905P5 | ISO | Размерная и рабочая точность соответствует классу допуска ISO 5. |
| 6905VV NR | ISO | Канавка под стопорное кольцо на наружном кольце с соответствующим стопорным кольцом. Защитные металлические шайбы. с обеих сторон подшипника. Бесконтактное уплотнение. (лучше. чем ZZ. Можно использовать в умеренно запыленной среде). |
| 6905NX1R/NS7S | ISO | Стандартное заполнение. NS Hi Lube Grease. (NS7/ Inside With Grease. Up Than 35%. Temperature Resistance -40°C To +140°C). Специальные размеры канавок и стопорных колец (например. NX1. NX2 и т.д. для различных размеров канавок специальных колец). |
| 6905ZZ CM P5 | ISO | Защитные металлические шайбы с обеих сторон. Размерная и рабочая точность соответствует классу допуска ISO 5. Шариковый подшипник. Специальный радиальный внутренний зазор для электродвигателей. |
| 6905XA1 C3 | ISO | Внутренний зазор больше нормального. |
Аналог шарикового подшипника 61905 — это подшипник такого же размера dx25,Dx42,Bx9, типа и конструкции.
| Обозначение | Конструктивные особенности | Внутренний (d) | Наружный (D) | Ширина (B) |
|---|---|---|---|---|
| P6905-SB | Шариковый радиальный однорядный подшипник. Double Row. Angular Contact. Non-Filling Notch Bearing. With Outwardly Convergent Угол контактаs. Rigid Design. | 25.00 | 42.00 | 9.00 |
| S61905-2Z | Шариковый радиальный однорядный подшипник. Защитные металлические шайбы с обеих сторон подшипника. | 25.00 | 42.00 | 9.00 |
| SF61905-2RS | Шариковый радиальный однорядный подшипник. Резиновые уплотнения с каждой стороны подшипника. | 25.00 | 42.00 | 9.00 |
| SF61905-2Z | Шариковый радиальный однорядный подшипник. Защитные металлические шайбы с обеих сторон подшипника. | 25.00 | 42.00 | 9.00 |
| F61905-2Z | Шариковый радиальный однорядный подшипник. Защитные металлические шайбы с обеих сторон подшипника. | 25.00 | 42.00 | 9.00 |
| 3NCHAC905CA | Шариковый радиальный однорядный подшипник. Угол контакта 20 градусов. Латунный сепаратор с симметричными роликами. | 25.00 | 42.00 | 9.00 |
| 3NCHAC905C | Шариковый радиальный однорядный подшипник. Угол контакта 20 градусов. | 25.00 | 42.00 | 9.00 |
| 1000905-ZZ | Шариковый радиальный однорядный подшипник. Защитные металлические шайбы с обеих сторон. | 25.00 | 42.00 | 9.00 |
| 1000905.2RS | Шариковый радиальный однорядный подшипник. Резиновые уплотнения с каждой стороны подшипника. | 25.00 | 42.00 | 9.00 |
| 2М5-1000905 | Шариковый радиальный однорядный подшипник. Модифицированный контакт.. | 25.00 | 42.00 | 9.00 |
| 5-1000905-Б | Шариковый радиальный однорядный подшипник. Сепаратор из безоловянистой бронзы.. | 25.00 | 42.00 | 9.00 |
| 5-1000905 М1Р | Шариковый радиальный однорядный подшипник. Модифицированный контакт.. Детали из теплоустойчивой (быстрорежущие) стали.. | 25.00 | 42.00 | 9.00 |
| 5-1000905-Ю1 | Шариковый радиальный однорядный подшипник. Все детали или часть деталей из нержавеющей стали.. | 25.00 | 42.00 | 9.00 |
| 6-1000905 Т2 | Шариковый радиальный однорядный подшипник. 200°. Температура отпуска. | 25.00 | 42.00 | 9.00 |
| 6-1000905 У | Шариковый радиальный однорядный подшипник. Дополнительные технические требования. | 25.00 | 42.00 | 9.00 |
Способы доставки
Отправка через ведущие транспортные и курьерские компании: ПЭК, Деловые Линии, СДЭК, Байкал-Сервис, Энергия, КИТ, ЖелДорЭкспедиция.
Самовывоз возможен напрямую со склада в Москве.
Сроки доставки
Срок зависит от региона и выбранной транспортной компании. Все заказы комплектуются и отправляются в кратчайшие сроки со склада в Москве.
Надёжность и сохранность
Вся продукция упаковывается с учётом требований транспортировки. Мы гарантируем, что подшипники и комплектующие прибудут к заказчику в полной сохранности.
Доставка в страны ЕАЭС
Мы работаем с проверенными логистическими партнёрами, что позволяет оперативно доставлять заказы в Беларусь, Казахстан, Армению и другие страны ЕАЭС.
Варианты оплаты:
Минимальная сумма заказа и скидки:
Документы и гарантии:
Да, конечно! Наши технические специалисты готовы помочь вам с подбором точного аналога или замены подшипника. Просто позвоните нам по телефону +7 (495) 104-99-04 или напишите на почту zakaz@podsnab.ru.
Для оперативной консультации подготовьте, пожалуйста, имеющиеся данные: маркировку, размеры, тип оборудования или артикул старого подшипника.
Да, конечно! Мы высоко ценим долгосрочное сотрудничество и доверие клиентов по всей России. Для постоянных клиентов действует персональная система скидок.
Условия формируются индивидуально и зависят от:
Чтобы узнать свои условия и получить максимально выгодное предложение, свяжитесь с персональным менеджером или напишите нам на почту zakaz@podsnab.ru.
Вы можете оформить заказ несколькими способами:
Для оформления заказа от юридического лица свяжитесь с нашим отделом по работе с корпоративными клиентами по телефону +7 (495) 104-99-04 или напишите на email zakaz@podsnab.ru, прикрепив реквизиты вашей организации.
Мы оперативно подготовим коммерческое предложение и выставим счет.
Возврат товара надлежащего качества возможен в течение 10 дней с момента получения, если товар не был в употреблении, сохранен товарный вид, упаковка не вскрывалась и присутствуют все сопроводительные документы.
Возврат денежных средств осуществляется в течение 10 рабочих дней после проверки товара складом.
В соответствии с законодательством возврату не подлежат подшипники надлежащего качества, если отсутствует оригинальная упаковка или имеются следы монтажа.
В случае выявления брака или гарантийного случая мы гарантируем возврат или обмен товара.
Да, гарантийный срок хранения устанавливается заводом-изготовителем и в среднем составляет 2 года при соблюдении условий хранения: сухое помещение, оригинальная упаковка и смазка.
Точный срок для конкретного типа подшипника уточняйте у наших менеджеров.
Пн–Пт: с 8:00 до 17:00 (МСК).
Сб–Вс: выходные дни.
Заказы на сайте принимаются круглосуточно. Заявки, поступившие после окончания рабочего дня, обрабатываются на следующий рабочий день.
Минимальная сумма заказа для доставки составляет 3000 рублей. Самовывоз со склада возможен на любую сумму при наличии товара.
ООО «УралТехГрупп»
ИНН: 7415093830
КПП: 772401001
ОГРН: 1167456069021
Банк: ПАО Сбербанк
Р/с: 40702810838000475273
К/с: 30101810400000000225
БИК: 044525225
У подшипника 61905 пока нет отзывов. Вы можете стать первым покупателем, поделившимся своим мнением.