Поиск подшипника
Статьи
61944MA — Подшипник однорядный шариковый радиальный, модификация основного исполнения 61944, выпускается производителями: FAG, ISB, NKE, SKF.
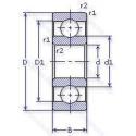
Размер подшипника: 220x300x38 мм.
Механически обработанный латунный сепаратор. центрирование по внешнему кольцу.
Аналоги: 61944-MA FAG.
Международная стандартизации ISO
61944MA
В наличии
| Обозначение | Конструктивные изменения |
|---|---|
| 61944MA/W64 | Антифрикционный заполнитель. твердая смазка. Механически обработанный латунный сепаратор. Центрирование по внешнему кольцу. |
| 61944M | Подшипник с латунным сепаратором. центрированный по телам качения. |
| 61944MA.C3 | Внутренний зазор больше нормального. Механически обработанный латунный сепаратор. Центрирование по внешнему кольцу. |
| 61944 | Подшипник однорядный шариковый радиальный. Основное конструктивное исполнение. |
| 61944-M-C4 | Внутренний зазор подшипника больше. чем C3. Твердый латунный сепаратор. Шариковые направляющие. |
| 61944MA.C4 | Внутренний зазор подшипника больше. чем C3. Механически обработанный латунный сепаратор. Центрирование по внешнему кольцу. |
| 61944-M-C3 | Внутренний зазор больше нормального. Твердый латунный сепаратор. Шариковые направляющие. |
| 61944-C4 | Внутренний зазор подшипника больше. чем C3. |
| 61944MB C3 | Внутренний зазор больше нормального. Механически обработанный латунный сепаратор. направляющий по внутреннему кольцу. |
| 61944MB C4 | Внутренний зазор подшипника больше. чем C3. Механически обработанный латунный сепаратор. направляющий по внутреннему кольцу. |
| 61944MB | Механически обработанный латунный сепаратор. направляющий по внутреннему кольцу. |
| 61944.C3 | Внутренний зазор больше нормального. |
Модификации шарикового подшипника 61944MA — это измененное основное конструктивное исполнение 61944, основные размеры (220x300x38) не отличаются.
| Обозначение | Гост | Конструктивные особенности |
|---|---|---|
| 6944 | ISO | Подшипник однорядный шариковый радиальный. |
| 6944 ZZ | ISO | Защитные металлические шайбы с обеих сторон. |
| 6944C3 | ISO | Внутренний зазор больше нормального. |
| 6944M C3 | ISO | Внутренний зазор больше нормального. Подшипник с латунным сепаратором. центрированный по телам качения. |
| Z-507686.01.SKL | ISO | Подшипник однорядный шариковый радиальный. |
| 6944M | ISO | Механически обработанный латунный сепаратор .Расположенный на элементах качения. |
| 6944M C4 | ISO | Внутренний зазор подшипника больше. чем C3. Механически обработанный латунный сепаратор .Расположенный на элементах качения. |
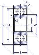
Аналог шарикового подшипника 61944MA — это подшипник такого же размера dx220,Dx300,Bx38, типа и конструкции.
| Обозначение | Конструктивные особенности | Внутренний (d) | Наружный (D) | Ширина (B) |
|---|---|---|---|---|
| 5-1000944 Л | Шариковый радиальный однорядный подшипник. Сепаратор из латуни.. | 220.00 | 300.00 | 38.00 |
| 6944-2RZ | Шариковый радиальный однорядный подшипник. Шарикоподшипник. С уплотнением и низким коэффициентом трения с обеих сторон. Уплотнение состоит из шайбы из листовой стали с вулканизированной резиной. | 220.00 | 300.00 | 38.00 |
| 6944NR | Шариковый радиальный однорядный подшипник. Канавка под стопорное кольцо на наружном кольце с соответствующим стопорным кольцом. | 220.00 | 300.00 | 38.00 |
| 6944-Z | Шариковый радиальный однорядный подшипник. щит из листовой прессованной стали с одной стороны подшипника. | 220.00 | 300.00 | 38.00 |
| 6944N | Шариковый радиальный однорядный подшипник. Канавка под стопорное кольцо на внешнем кольце. | 220.00 | 300.00 | 38.00 |
| 6944-RZ | Шариковый радиальный однорядный подшипник. Один стальное уплотнение и одно резиновое. | 220.00 | 300.00 | 38.00 |
| 6944-RS | Шариковый радиальный однорядный подшипник. Резиновое уплотнение с одной стороны. | 220.00 | 300.00 | 38.00 |
| 6944-2RS | Шариковый радиальный однорядный подшипник. Резиновые уплотнения с каждой стороны подшипника. | 220.00 | 300.00 | 38.00 |
| 8-1000944 Л | Шариковый радиальный однорядный подшипник. Сепаратор из латуни.. | 220.00 | 300.00 | 38.00 |
| 6944LLU | Шариковый радиальный однорядный подшипник. Контактное резиновое уплотнение с двух сторон. | 220.00 | 300.00 | 38.00 |
| 6944BZZ | Шариковый радиальный однорядный подшипник. Single Row Airframe Type Bearing With Two Glass Reinforced PTFE (Teflon®) Seals. | 220.00 | 300.00 | 38.00 |
| 1000944-АЛ | Шариковый радиальный однорядный подшипник. Сепаратор из латуни.. Повышенная грузоподъемность. | 220.00 | 300.00 | 38.00 |
| 1000944-Л | Шариковый радиальный однорядный подшипник. Сепаратор из латуни.. | 220.00 | 300.00 | 38.00 |
| 2В0-1000944 Л | Шариковый радиальный однорядный подшипник. Сепаратор из латуни.. | 220.00 | 300.00 | 38.00 |
| 6-1000944 Л | Шариковый радиальный однорядный подшипник. Сепаратор из латуни.. | 220.00 | 300.00 | 38.00 |
Способы доставки
Отправка через ведущие транспортные и курьерские компании: ПЭК, Деловые Линии, СДЭК, Байкал-Сервис, Энергия, КИТ, ЖелДорЭкспедиция.
Самовывоз возможен напрямую со склада в Москве.
Сроки доставки
Срок зависит от региона и выбранной транспортной компании. Все заказы комплектуются и отправляются в кратчайшие сроки со склада в Москве.
Надёжность и сохранность
Вся продукция упаковывается с учётом требований транспортировки. Мы гарантируем, что подшипники и комплектующие прибудут к заказчику в полной сохранности.
Доставка в страны ЕАЭС
Мы работаем с проверенными логистическими партнёрами, что позволяет оперативно доставлять заказы в Беларусь, Казахстан, Армению и другие страны ЕАЭС.
Варианты оплаты:
Минимальная сумма заказа и скидки:
Документы и гарантии:
Да, конечно! Наши технические специалисты готовы помочь вам с подбором точного аналога или замены подшипника. Просто позвоните нам по телефону +7 (495) 104-99-04 или напишите на почту zakaz@podsnab.ru.
Для оперативной консультации подготовьте, пожалуйста, имеющиеся данные: маркировку, размеры, тип оборудования или артикул старого подшипника.
Да, конечно! Мы высоко ценим долгосрочное сотрудничество и доверие клиентов по всей России. Для постоянных клиентов действует персональная система скидок.
Условия формируются индивидуально и зависят от:
Чтобы узнать свои условия и получить максимально выгодное предложение, свяжитесь с персональным менеджером или напишите нам на почту zakaz@podsnab.ru.
Вы можете оформить заказ несколькими способами:
Для оформления заказа от юридического лица свяжитесь с нашим отделом по работе с корпоративными клиентами по телефону +7 (495) 104-99-04 или напишите на email zakaz@podsnab.ru, прикрепив реквизиты вашей организации.
Мы оперативно подготовим коммерческое предложение и выставим счет.
Возврат товара надлежащего качества возможен в течение 10 дней с момента получения, если товар не был в употреблении, сохранен товарный вид, упаковка не вскрывалась и присутствуют все сопроводительные документы.
Возврат денежных средств осуществляется в течение 10 рабочих дней после проверки товара складом.
В соответствии с законодательством возврату не подлежат подшипники надлежащего качества, если отсутствует оригинальная упаковка или имеются следы монтажа.
В случае выявления брака или гарантийного случая мы гарантируем возврат или обмен товара.
Да, гарантийный срок хранения устанавливается заводом-изготовителем и в среднем составляет 2 года при соблюдении условий хранения: сухое помещение, оригинальная упаковка и смазка.
Точный срок для конкретного типа подшипника уточняйте у наших менеджеров.
Пн–Пт: с 8:00 до 17:00 (МСК).
Сб–Вс: выходные дни.
Заказы на сайте принимаются круглосуточно. Заявки, поступившие после окончания рабочего дня, обрабатываются на следующий рабочий день.
Минимальная сумма заказа для доставки составляет 3000 рублей. Самовывоз со склада возможен на любую сумму при наличии товара.
ООО «УралТехГрупп»
ИНН: 7415093830
КПП: 772401001
ОГРН: 1167456069021
Банк: ПАО Сбербанк
Р/с: 40702810838000475273
К/с: 30101810400000000225
БИК: 044525225
У подшипника 61944MA пока нет отзывов. Вы можете стать первым покупателем, поделившимся своим мнением.