Поиск подшипника
Статьи
61928MA — Подшипник однорядный шариковый радиальный, модификация основного исполнения 61928, выпускается производителями: FAG, ISB, RKB, SKF.
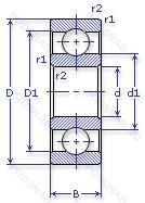
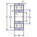
Размер подшипника: 140x190x24 мм.
Механически обработанный латунный сепаратор. центрирование по внешнему кольцу.
Аналоги: 61928-MA FAG.
Международная стандартизации ISO
61928MA
В наличии
| Обозначение | Конструктивные изменения |
|---|---|
| 61928 | Подшипник однорядный шариковый радиальный. Основное конструктивное исполнение. |
| 61928MA C3 | Внутренний зазор больше нормального. Механически обработанный латунный сепаратор. Центрирование по внешнему кольцу. |
| 61928-M | Твердый латунный сепаратор. Шариковые направляющие. |
| 61928-M-C3 | Внутренний зазор больше нормального. Твердый латунный сепаратор. Шариковые направляющие. |
| 61928MA.C3.H108 | Внутренний зазор больше нормального. Механически обработанный латунный сепаратор. Центрирование по внешнему кольцу. Product Modifications Only If Approved By Renk. Augsburg. |
| 61928-C3 | Внутренний зазор больше нормального. |
| 61928 2RS | Резиновые уплотнения с каждой стороны подшипника. |
| 61928 ZZ | Защитные металлические шайбы (бесконтактные уплотнения) с обеих сторон подшипника. |
Модификации шарикового подшипника 61928MA — это измененное основное конструктивное исполнение 61928, основные размеры (140x190x24) не отличаются.
| Обозначение | Гост | Конструктивные особенности |
|---|---|---|
| 6928 ZNR | ISO | Подшипник однорядный шариковый радиальный. |
| 6928 NR | ISO | Канавка и стопорное кольцо на наружном кольце. |
| 6928 2RS | ISO | Резиновые уплотнения с каждой стороны подшипника. |
| 619/28-2Z | ISO | Защитные металлические шайбы с обеих сторон подшипника. 1.3/4. |
| 69/28 | ISO | Подшипник однорядный шариковый радиальный. |
| 6928ZZ | ISO | Защитные металлические шайбы с обеих сторон. |
| 6928M | ISO | Механически обработанный латунный сепаратор .Расположенный на элементах качения. |
| 6928LLU | ISO | Резиновые уплотнения с каждой стороны подшипника. |
| 6928C3 | ISO | Внутренний зазор больше нормального. |
Аналог шарикового подшипника 61928MA — это подшипник такого же размера dx140,Dx190,Bx24, типа и конструкции.
| Обозначение | Конструктивные особенности | Внутренний (d) | Наружный (D) | Ширина (B) |
|---|---|---|---|---|
| S61928-2RS | Шариковый радиальный однорядный подшипник. Резиновые уплотнения с каждой стороны подшипника. | 140.00 | 190.00 | 24.00 |
| 3NCHAC928C | Шариковый радиальный однорядный подшипник. Угол контакта 20 градусов. | 140.00 | 190.00 | 24.00 |
| 3NCHAC928CA | Шариковый радиальный однорядный подшипник. Угол контакта 20 градусов. Латунный сепаратор с симметричными роликами. | 140.00 | 190.00 | 24.00 |
| 3NCHAR928 | Шариковый радиальный однорядный подшипник. Угол контакта 20 градусов. | 140.00 | 190.00 | 24.00 |
| 3NCHAR928CA | Шариковый радиальный однорядный подшипник. Угол контакта 20 градусов. Латунный сепаратор с симметричными роликами. | 140.00 | 190.00 | 24.00 |
| 3NCHAR928C | Шариковый радиальный однорядный подшипник. Угол контакта 20 градусов. | 140.00 | 190.00 | 24.00 |
| 1000928-Л | Шариковый радиальный однорядный подшипник. Сепаратор из латуни.. | 140.00 | 190.00 | 24.00 |
| 2-1000928 Л | Шариковый радиальный однорядный подшипник. Сепаратор из латуни.. | 140.00 | 190.00 | 24.00 |
| 55-1032928 Р | Роликовый радиальный однорядный подшипник. Детали из теплоустойчивой (быстрорежущие) стали.. | 140.00 | 190.00 | 24.00 |
| 58-1032928 Б2Т2 | Роликовый радиальный однорядный подшипник. 200°. Температура отпуска. Сепаратор из безоловянистой бронзы.. | 140.00 | 190.00 | 24.00 |
| 5АВ-1032928 Б2Т2 | Роликовый радиальный однорядный подшипник. 200°. Температура отпуска. Сепаратор из безоловянистой бронзы.. | 140.00 | 190.00 | 24.00 |
| 5В-1032928 Б3Т2 | Роликовый радиальный однорядный подшипник. 200°. Температура отпуска. Сепаратор из безоловянистой бронзы.. | 140.00 | 190.00 | 24.00 |
| 6-1000928 Б1Т2 | Шариковый радиальный однорядный подшипник. 200°. Температура отпуска. Сепаратор из безоловянистой бронзы.. | 140.00 | 190.00 | 24.00 |
| 6-1000928 Л | Шариковый радиальный однорядный подшипник. Сепаратор из латуни.. | 140.00 | 190.00 | 24.00 |
| 6-1000928 ЮТ | Шариковый радиальный однорядный подшипник. Температура отпуска. 160°. Все детали или часть деталей из нержавеющей стали.. | 140.00 | 190.00 | 24.00 |
Способы доставки
Отправка через ведущие транспортные и курьерские компании: ПЭК, Деловые Линии, СДЭК, Байкал-Сервис, Энергия, КИТ, ЖелДорЭкспедиция.
Самовывоз возможен напрямую со склада в Москве.
Сроки доставки
Срок зависит от региона и выбранной транспортной компании. Все заказы комплектуются и отправляются в кратчайшие сроки со склада в Москве.
Надёжность и сохранность
Вся продукция упаковывается с учётом требований транспортировки. Мы гарантируем, что подшипники и комплектующие прибудут к заказчику в полной сохранности.
Доставка в страны ЕАЭС
Мы работаем с проверенными логистическими партнёрами, что позволяет оперативно доставлять заказы в Беларусь, Казахстан, Армению и другие страны ЕАЭС.
Варианты оплаты:
Минимальная сумма заказа и скидки:
Документы и гарантии:
Да, конечно! Наши технические специалисты готовы помочь вам с подбором точного аналога или замены подшипника. Просто позвоните нам по телефону +7 (495) 104-99-04 или напишите на почту zakaz@podsnab.ru.
Для оперативной консультации подготовьте, пожалуйста, имеющиеся данные: маркировку, размеры, тип оборудования или артикул старого подшипника.
Да, конечно! Мы высоко ценим долгосрочное сотрудничество и доверие клиентов по всей России. Для постоянных клиентов действует персональная система скидок.
Условия формируются индивидуально и зависят от:
Чтобы узнать свои условия и получить максимально выгодное предложение, свяжитесь с персональным менеджером или напишите нам на почту zakaz@podsnab.ru.
Вы можете оформить заказ несколькими способами:
Для оформления заказа от юридического лица свяжитесь с нашим отделом по работе с корпоративными клиентами по телефону +7 (495) 104-99-04 или напишите на email zakaz@podsnab.ru, прикрепив реквизиты вашей организации.
Мы оперативно подготовим коммерческое предложение и выставим счет.
Возврат товара надлежащего качества возможен в течение 10 дней с момента получения, если товар не был в употреблении, сохранен товарный вид, упаковка не вскрывалась и присутствуют все сопроводительные документы.
Возврат денежных средств осуществляется в течение 10 рабочих дней после проверки товара складом.
В соответствии с законодательством возврату не подлежат подшипники надлежащего качества, если отсутствует оригинальная упаковка или имеются следы монтажа.
В случае выявления брака или гарантийного случая мы гарантируем возврат или обмен товара.
Да, гарантийный срок хранения устанавливается заводом-изготовителем и в среднем составляет 2 года при соблюдении условий хранения: сухое помещение, оригинальная упаковка и смазка.
Точный срок для конкретного типа подшипника уточняйте у наших менеджеров.
Пн–Пт: с 8:00 до 17:00 (МСК).
Сб–Вс: выходные дни.
Заказы на сайте принимаются круглосуточно. Заявки, поступившие после окончания рабочего дня, обрабатываются на следующий рабочий день.
Минимальная сумма заказа для доставки составляет 3000 рублей. Самовывоз со склада возможен на любую сумму при наличии товара.
ООО «УралТехГрупп»
ИНН: 7415093830
КПП: 772401001
ОГРН: 1167456069021
Банк: ПАО Сбербанк
Р/с: 40702810838000475273
К/с: 30101810400000000225
БИК: 044525225
У подшипника 61928MA пока нет отзывов. Вы можете стать первым покупателем, поделившимся своим мнением.