Поиск подшипника
Статьи
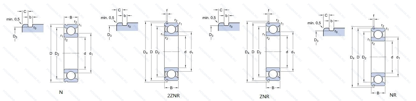
62/32NR C3 — Подшипник однорядный шариковый радиальный, модификация основного исполнения 62/32, производство NSK.
Размер подшипника: 32x75x20 мм.
Внутренний зазор больше нормального, канавка под стопорное кольцо на наружном кольце с соответствующим стопорным кольцом.
Международная стандартизации ISO
6232NRC3
В наличии
| Обозначение | Конструктивные изменения |
|---|---|
| 62/32DDU | Резиновые уплотнения с каждой стороны подшипника. |
| 62/32DDU C3 | Внутренний зазор больше нормального. Резиновые уплотнения с каждой стороны подшипника. |
| 62/32ZZ/AS2S | Стандартное заполнение. Защитные металлические шайбы с обеих сторон. 1/4 Full. Смазка Aeroshell 7. |
| 62/32LLU/5K | Резиновые уплотнения с каждой стороны подшипника. Grease/ Kyodo Yushi / Multemp SRL (-40°C to +150°C). |
| 62/32 2RS NR | Резиновые уплотнения с каждой стороны подшипника. Канавка под стопорное кольцо на наружном кольце с соответствующим стопорным кольцом. |
| 62/32X2CM5 | Специальная фаска. Шариковый подшипник. Специальный радиальный внутренний зазор для электродвигателей. |
| 62/32-B-AH01 | Модифицированная внутренняя конструкция. Размеры могут отличаться от базового номера детали. Внутренний зазор равен C3 (больше обычного) и защищен от коррозии специальным покрытием Corrotect®. |
| 62/32LLU NR | Резиновые уплотнения с каждой стороны подшипника. Канавка под стопорное кольцо на наружном кольце с соответствующим стопорным кольцом. |
| 62/32LLU | Резиновые уплотнения с каждой стороны подшипника. |
| 62/32LU C3 | Внутренний зазор больше нормального. Контактное армированное уплотнение из резины с одной стороны подшипника. |
| 62/32-2RS1 | Усиленные листовой сталью контактные уплотнения из акрилонитрил-бутадиенового каучука (NBR) с обеих сторон подшипника. |
| 62/32-1BYR1-9TCS20 | Угол контакта 20 градусов. |
| 62/32GPC4 | Угол контакта 20 градусов. |
| 62/32N | Канавка для стопорного кольца на наружном кольце. |
| 62/32-2RU | Non Contact Type Friction Torque = Small High Speed Performance = Good Grease Sealing = Better Than ZZ-Type Dirt Resistance = Better Than ZZ-Type Water Resistance = Better Than ZZ / Inferior To 2RS Operating Temp. -30°C To + 100°C. |
| 62/32-2RD | Облегченное контактное уплотнение с двух сторон.. |
| 62/32-2NSE | Резиновые уплотнения с каждой стороны подшипника. |
| 62/32ZE | щит из листовой прессованной стали с одной стороны подшипника. |
| 62/32-2NKE | Double Labyrinth Seal (Non Contact). |
| 62/32NSE | Резиновое уплотнение с одной стороны. |
| 62/32ZZE | Подшипник однорядный шариковый радиальный. |
| 62/32VV | Защитные металлические шайбы. с обеих сторон подшипника. Бесконтактное уплотнение. (лучше. чем ZZ. Можно использовать в умеренно запыленной среде). |
| 62/32C3U51 | Внутренний радиальный зазор С3. Открытый подшипник с канавками для установки плотнений. |
| 62/32LLB | Уплотнение бесконтактного типа из синтетического каучука. |
| 62/32LLH | Манжетное уплотнение с обеих сторон подшипника. |
Модификации шарикового подшипника 62/32NR C3 — это измененное основное конструктивное исполнение 62/32, основные размеры (32x75x20) не отличаются.
| Обозначение | Гост | Конструктивные особенности |
|---|---|---|
| 63/32 2RS | ISO | Контактные уплотнения типа RS с обеих сторон игольчатого роликоподшипника. |
| 63/32 2RS C3 | ISO | Внутренний зазор больше нормального. Резиновые уплотнения с каждой стороны подшипника. |
| 63/32NR | ISO | Канавка и стопорное кольцо на наружном кольце. |
| 63/32DDU NR AV2S | ISO | Канавка под стопорное кольцо на наружном кольце с соответствующим стопорным кольцом. Резиновые уплотнения с каждой стороны подшипника. Lubricant. Shell Oil Co.. Alvania #2 Grease. 1/4 Full. Temperature Range = -10°C / + 110°C (Normal Temperature Grease). |
| 63/32DDU C3 | ISO | Внутренний зазор больше нормального. Резиновые уплотнения с каждой стороны подшипника. |
| 63/32DDU AS2S | ISO | Стандартное заполнение. Резиновые уплотнения с каждой стороны подшипника. 1/4 Full. Смазка Aeroshell 7. Диапазон от –10°C до 110°C.. |
| 63/32LLU/5K | ISO | Резиновые уплотнения с каждой стороны подшипника. Grease/ Kyodo Yushi / Multemp SRL (-40°C to +150°C). |
| 63/32N C3 | ISO | Внутренний зазор больше нормального. Канавка под стопорное кольцо на внешнем кольце. |
| 63/322RSC3 GA2 | ISO | Внутренний зазор больше нормального. Резиновые уплотнения с каждой стороны подшипника. Смазка. Shell Oil Co. Alvania #2 Grease. |
| TM3/32NR C3/UMEL | ISO | Внутренний зазор больше нормального. Канавка под стопорное кольцо на наружном кольце с соответствующим стопорным кольцом. |
| 63/32 2RS GA2 | ISO | Резиновые уплотнения с каждой стороны подшипника. Смазка. Shell Oil Co. Alvania #2 Grease. |
| 63/32LLU | ISO | Резиновые уплотнения с каждой стороны подшипника. |
| 63/32C3E | ISO | Внутренний зазор больше нормы. Класс электродвигателя. |
| 63/32NR CM | ISO | Канавка под стопорное кольцо на наружном кольце с соответствующим стопорным кольцом. Шариковый подшипник. Специальный радиальный внутренний зазор для электродвигателей. |
| 63/32LLUNR/2A | ISO | Lubricant. Shell Oil Co.. Alvania #2 Grease. Mil-G-18709A. |
| 63/32DDU | ISO | Резиновые уплотнения с каждой стороны подшипника. |
| 83A400C3 | ISO | Угол контакта 20 градусов. Внутренний зазор больше нормального. |
| 63/32LLUNR | ISO | Резиновые уплотнения с каждой стороны подшипника. Канавка под стопорное кольцо на наружном кольце с соответствующим стопорным кольцом. |
| 63/32.2RSR.C3 | ISO | Внутренний зазор больше нормального. Резиновые уплотнения с каждой стороны подшипника. |
| 63/32DDU C3 AS2S | ISO | Стандартное заполнение. Внутренний зазор больше нормального. Резиновые уплотнения с каждой стороны подшипника. 1/4 Full. Смазка Aeroshell 7. |
Аналог шарикового подшипника 62/32NR C3 — это подшипник такого же размера dx32,Dx75,Bx20, типа и конструкции.
| Обозначение | Конструктивные особенности | Внутренний (d) | Наружный (D) | Ширина (B) |
|---|---|---|---|---|
| 561388B | Шариковый радиально-упорный однорядный подшипник. Модифицированная внутренняя конструкция. | 33.00 | 75.00 | 19.50 |
| 63/32DD | Шариковый радиальный однорядный подшипник. Два уплотнения из PTFE. | 32.00 | 75.00 | 20.00 |
| 63/32-2RU | Шариковый радиальный однорядный подшипник. Non Contact Type Friction Torque = Small High Speed Performance = Good Grease Sealing = Better Than ZZ-Type Dirt Resistance = Better Than ZZ-Type Water Resistance = Better Than ZZ / Inferior To 2RS Operating Temp. -30°C To + 100°C. | 32.00 | 75.00 | 20.00 |
| 63/32N | Шариковый радиальный однорядный подшипник. Канавка для стопорного кольца на наружном кольце. | 32.00 | 75.00 | 20.00 |
| 63/32-2RD | Шариковый радиальный однорядный подшипник. Облегченное контактное уплотнение с двух сторон.. | 32.00 | 75.00 | 20.00 |
| 63/32-2NKE | Шариковый радиальный однорядный подшипник. Double Labyrinth Seal (Non Contact). | 32.00 | 75.00 | 20.00 |
| 63/32-2NSE | Шариковый радиальный однорядный подшипник. Резиновые уплотнения с каждой стороны подшипника. | 32.00 | 75.00 | 20.00 |
| 63/32NSE | Шариковый радиальный однорядный подшипник. Резиновое уплотнение с одной стороны. | 32.00 | 75.00 | 20.00 |
| 63/32ZE | Шариковый радиальный однорядный подшипник. щит из листовой прессованной стали с одной стороны подшипника. | 32.00 | 75.00 | 20.00 |
| 63/32ZZE | Шариковый радиальный однорядный подшипник. | 32.00 | 75.00 | 20.00 |
| 63/32VV | Шариковый радиальный однорядный подшипник. Защитные металлические шайбы. с обеих сторон подшипника. Бесконтактное уплотнение. (лучше. чем ZZ. Можно использовать в умеренно запыленной среде). | 32.00 | 75.00 | 20.00 |
| B31-5NX | Шариковый радиальный однорядный подшипник. Подшипник со специальными размерами. | 31.00 | 75.00 | 20.50 |
| 63/32LLB | Шариковый радиальный однорядный подшипник. Уплотнение бесконтактного типа из синтетического каучука. | 32.00 | 75.00 | 20.00 |
| 63/32LLH | Шариковый радиальный однорядный подшипник. Манжетное уплотнение с обеих сторон подшипника. | 32.00 | 75.00 | 20.00 |
| 63/32-2RS NR C3 | Шариковый радиальный однорядный подшипник. Внутренний зазор больше нормального. Резиновые уплотнения с каждой стороны подшипника. Канавка под стопорное кольцо на наружном кольце с соответствующим стопорным кольцом. | 32.00 | 75.00 | 20.00 |
Способы доставки
Отправка через ведущие транспортные и курьерские компании: ПЭК, Деловые Линии, СДЭК, Байкал-Сервис, Энергия, КИТ, ЖелДорЭкспедиция.
Самовывоз возможен напрямую со склада в Москве.
Сроки доставки
Срок зависит от региона и выбранной транспортной компании. Все заказы комплектуются и отправляются в кратчайшие сроки со склада в Москве.
Надёжность и сохранность
Вся продукция упаковывается с учётом требований транспортировки. Мы гарантируем, что подшипники и комплектующие прибудут к заказчику в полной сохранности.
Доставка в страны ЕАЭС
Мы работаем с проверенными логистическими партнёрами, что позволяет оперативно доставлять заказы в Беларусь, Казахстан, Армению и другие страны ЕАЭС.
Варианты оплаты:
Минимальная сумма заказа и скидки:
Документы и гарантии:
Да, конечно! Наши технические специалисты готовы помочь вам с подбором точного аналога или замены подшипника. Просто позвоните нам по телефону +7 (495) 104-99-04 или напишите на почту zakaz@podsnab.ru.
Для оперативной консультации подготовьте, пожалуйста, имеющиеся данные: маркировку, размеры, тип оборудования или артикул старого подшипника.
Да, конечно! Мы высоко ценим долгосрочное сотрудничество и доверие клиентов по всей России. Для постоянных клиентов действует персональная система скидок.
Условия формируются индивидуально и зависят от:
Чтобы узнать свои условия и получить максимально выгодное предложение, свяжитесь с персональным менеджером или напишите нам на почту zakaz@podsnab.ru.
Вы можете оформить заказ несколькими способами:
Для оформления заказа от юридического лица свяжитесь с нашим отделом по работе с корпоративными клиентами по телефону +7 (495) 104-99-04 или напишите на email zakaz@podsnab.ru, прикрепив реквизиты вашей организации.
Мы оперативно подготовим коммерческое предложение и выставим счет.
Возврат товара надлежащего качества возможен в течение 10 дней с момента получения, если товар не был в употреблении, сохранен товарный вид, упаковка не вскрывалась и присутствуют все сопроводительные документы.
Возврат денежных средств осуществляется в течение 10 рабочих дней после проверки товара складом.
В соответствии с законодательством возврату не подлежат подшипники надлежащего качества, если отсутствует оригинальная упаковка или имеются следы монтажа.
В случае выявления брака или гарантийного случая мы гарантируем возврат или обмен товара.
Да, гарантийный срок хранения устанавливается заводом-изготовителем и в среднем составляет 2 года при соблюдении условий хранения: сухое помещение, оригинальная упаковка и смазка.
Точный срок для конкретного типа подшипника уточняйте у наших менеджеров.
Пн–Пт: с 8:00 до 17:00 (МСК).
Сб–Вс: выходные дни.
Заказы на сайте принимаются круглосуточно. Заявки, поступившие после окончания рабочего дня, обрабатываются на следующий рабочий день.
Минимальная сумма заказа для доставки составляет 3000 рублей. Самовывоз со склада возможен на любую сумму при наличии товара.
ООО «УралТехГрупп»
ИНН: 7415093830
КПП: 772401001
ОГРН: 1167456069021
Банк: ПАО Сбербанк
Р/с: 40702810838000475273
К/с: 30101810400000000225
БИК: 044525225
У подшипника 62/32NR C3 пока нет отзывов. Вы можете стать первым покупателем, поделившимся своим мнением.