Поиск подшипника
Статьи
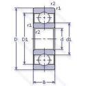
61901 — Подшипник однорядный шариковый радиальный, основное исполнение, выпускается производителями: CBF, CCVI, CHINA, CRAFT, CX, ELGES, FAG, FELSTROM, INA, ISB, ISO, NEUTRAL, NKE, SAPPORO, SKF, ZEN.
Размер подшипника: 12x24x6 мм.
Альтернативное обозначение: 61901-HLC.
Аналоги: 61901 INA,61901-HLC FAG,61901 NKE,6901 FBJ,61901 Jesa,6901 ISB,61901 Neutral.
Международная стандартизации ISO
61901
В наличии
Шариковый подшипник 61901 относится к радиальным однорядным конструкциям тонкой серии, предназначенным для работы в условиях ограниченного монтажного пространства. Такой подшипниковый узел применяется в приборостроении, электродвигателях малой мощности и компактных механизмах, где важны минимальные габариты и стабильное вращение.
Конструкция изделия обеспечивает низкое трение и равномерное распределение нагрузки по дорожкам качения, что положительно влияет на ресурс и энергоэффективность оборудования. Малый вес и компактность позволяют использовать такой тип подшипников в узлах с высокими требованиями к габаритам. При подборе часто используется обозначение подшипник 61901, позволяющее корректно определить типоразмер и исполнение.
Для корректной эксплуатации важно учитывать условия смазки, точность посадки и рабочие нагрузки. Данный элемент чувствителен к загрязнениям и перекосам, поэтому соблюдение рекомендаций по установке напрямую влияет на срок службы, уровень шума и стабильность работы механизма.
| Обозначение | Конструктивные изменения |
|---|---|
| 61901H ZZ | Защитные металлические шайбы с обеих сторон. Нержавеющая сталь. |
| 61901-2Z-HLU | Зазорные уплотнения с обеих сторон подшипника.. Код местонахождения завода. может использоваться в стандартной комплектации. |
| 61901EE.G15 | Литой сепаратор из полиамида 6.6. армированного стекловолокном. Элемент качения по центру. Резиновые уплотнения с каждой стороны подшипника. |
| 61901.G15 | Литой сепаратор из полиамида 6.6. армированного стекловолокном. Центрированный элемент качения.. |
| 61901E G15 | Шарикоподшипник. Стандартное одиночное уплотнение. Литой сепаратор из полиамида 6.6. армированного стекловолокном. Элемент качения по центру. |
| 61901Z T9H C3 | Внутренний зазор больше нормального. щит из листовой прессованной стали с одной стороны подшипника. Защелкивающийся сепаратор. Усиленный стекловолокном полиамид. Шариковые тела качения. |
| 61901 2Z VA FA156.2 | Зазорные уплотнения с обеих сторон подшипника.. Нержавеющая сталь. ISO Tolerance Class ABEC.9. |
| 61901EE | Резиновые уплотнения с каждой стороны подшипника. |
| 61901 2RS T9H | Контактное уплотнение с обеих сторон подшипника. Glass-Fibre Reinforced (25%) Thermoplastic Polyamide PA 6.6. 1-Piece. Operating Temperature 120°C. |
| 61901T9H | Glass-Fibre Reinforced (25%) Thermoplastic Polyamide PA 6.6. 1-Piece. Operating Temperature 120°C. |
| 61901RS | Резиновое уплотнение с одной стороны. |
| 61901-HLC | Код местонахождения завода. может использоваться в стандартной комплектации. |
| 61901-2Z-HLC | Защитные металлические шайбы с обеих сторон. Код местонахождения завода. может использоваться в стандартной комплектации. |
| 61901DD C3 | Внутренний зазор больше нормального. Контактное уплотнение с двух сторон. |
| 61901-H-2RSR | Стандартное качество. Резиновые уплотнения с каждой стороны подшипника. |
| 61901ZZ VA | Защитные металлические шайбы с обеих сторон. Нержавеющая сталь. |
| 61901POM | Полимер. |
| W 61901-2RZ | Шарикоподшипник. С уплотнением и низким коэффициентом трения с обеих сторон. Уплотнение состоит из шайбы из листовой стали с вулканизированной резиной. Нержавеющая сталь. |
| 61901 2BRS | Бесконтактные лабиринтные уплотнения с обеих сторон. |
| 61901 2URS | Специальное манжетное уплотнение с обеих сторон подшипника. |
| 61901 BRS | Бесконтактные лабиринтные уплотнения с одной стороны. |
| 61901 Z | щит из листовой прессованной стали с одной стороны подшипника. |
| W 61901 R-2RS1 | Усиленные листовой сталью контактные уплотнения из акрилонитрил-бутадиенового каучука (NBR) с обеих сторон подшипника. Нержавеющая сталь. С выпуклыми асимметричными роликами и обработанным сепаратором. |
| W 61901 R | Нержавеющая сталь. С выпуклыми асимметричными роликами и обработанным сепаратором. |
| W 61901 R-2Z | Защитные металлические шайбы с обеих сторон подшипника. Нержавеющая сталь. С выпуклыми асимметричными роликами и обработанным сепаратором. |
Модификации шарикового подшипника 61901 — это измененное основное конструктивное исполнение 61901, основные размеры (12x24x6) не отличаются.
| Обозначение | Гост | Конструктивные особенности |
|---|---|---|
| 6901 | ISO | Подшипник однорядный шариковый радиальный. |
| 6901 2RS C3 | ISO | Внутренний зазор больше нормального. Резиновые уплотнения с каждой стороны подшипника. |
| F63801 2RS | ISO | Резиновые уплотнения с каждой стороны подшипника. |
| 6901LLU | ISO | Резиновые уплотнения с каждой стороны подшипника. |
| 6901P5 | ISO | Размерная и рабочая точность соответствует классу допуска ISO 5. |
| F6801 2RS | ISO | Резиновые уплотнения с каждой стороны подшипника. |
| 6901VV | ISO | Защитные металлические шайбы. с обеих сторон подшипника. Бесконтактное уплотнение. (лучше. чем ZZ. Можно использовать в умеренно запыленной среде). |
| 6901ZZ CM | ISO | Два боковых защитных уплотнения. Шариковый подшипник. Специальный радиальный внутренний зазор для электродвигателей. |
| F61801.2ZR | ISO | Защитные металлические шайбы с обеих сторон. |
| 6901LLU C3 | ISO | Внутренний зазор больше нормального. Резиновые уплотнения с каждой стороны подшипника. |
| 1901SZZ | ISO | Шарикоподшипник. Изготовлен в соответствии со специальными требованиями к уровню шума. Однорядный радиальный подшипник. С двумя уплотнениями. |
| 6901DDU | ISO | Резиновые уплотнения с каждой стороны подшипника. |
| 6901ZZV2 | ISO | Защитные металлические шайбы с обеих сторон. Vibration Level 2. |
| 6901ZZE | ISO | Радиальный шарикоподшипник серии Excel. Защитные металлические шайбы с обеих сторон. |
| 6901ZZC3 | ISO | Внутренний зазор больше нормального. Защитные металлические шайбы с обеих сторон подшипника. |
| 6901ZZ2CM | ISO | Два боковых защитных уплотнения. Шариковый подшипник. Специальный радиальный внутренний зазор для электродвигателей. |
| F63801-2RSR-HLC | ISO | Резиновые уплотнения с каждой стороны подшипника. Код местонахождения завода. может использоваться в стандартной комплектации. |
| 6901ZZ1 NR | ISO | Канавка под стопорное кольцо на наружном кольце с соответствующим стопорным кольцом. Защитные из нержавеющей стали шайбы с двух сторон подшипника. |
| R-2412X3KKRP0P58LY121 | ISO | Ribbon Steel Cage. NMB Suffix. Equivalent To 2Z. ABEC.1. Multemp SRL Grease. - 40° + 150° Celsius. Indicates Radial Play Of .0005” to .0008”. |
| 6901VV/AV2S | ISO | Lubricant. Shell Oil Co.. Alvania #2 Grease. 1/4 Full. Temperature Range = -10°C / + 110°C (Normal Temperature Grease). Защитные металлические шайбы. с обеих сторон подшипника. Бесконтактное уплотнение. (лучше. чем ZZ. Можно использовать в умеренно запыленной среде). |
| 6901DDC3PS2 | ISO | Внутренний зазор больше нормального. Контактное уплотнение с двух сторон. Multemp PS No. 2. Thickener = Lithium. Oil Base = Synthetic Oil + Mineral Oil. Operating Temperature = -50°C / + 110°C. Applications/ Ball Screws And Linear Guides Used Under Low Temperatures And Heavy Operating Conditions. |
| 6901 | ГОСТ | Подшипник однорядный шариковый радиальный. |
Аналог шарикового подшипника 61901 — это подшипник такого же размера dx12,Dx24,Bx6, типа и конструкции.
| Обозначение | Конструктивные особенности | Внутренний (d) | Наружный (D) | Ширина (B) |
|---|---|---|---|---|
| SF61901-2RS | Шариковый радиальный однорядный подшипник. Резиновые уплотнения с каждой стороны подшипника. | 12.00 | 24.00 | 6.00 |
| F61901-2Z | Шариковый радиальный однорядный подшипник. Защитные металлические шайбы с обеих сторон подшипника. | 12.00 | 24.00 | 6.00 |
| 3NCHAC901CA | Шариковый радиальный однорядный подшипник. Угол контакта 20 градусов. Латунный сепаратор с симметричными роликами. | 12.00 | 24.00 | 6.00 |
| 3NCHAC901C | Шариковый радиальный однорядный подшипник. Угол контакта 20 градусов. | 12.00 | 24.00 | 6.00 |
| 1000901-ЮТ | Шариковый радиальный однорядный подшипник. Температура отпуска. 160°. Все детали или часть деталей из нержавеющей стали.. | 12.00 | 24.00 | 6.00 |
| 1М5-1000901 | Шариковый радиальный однорядный подшипник. Модифицированный контакт.. | 12.00 | 24.00 | 6.00 |
| 25-1000901 Ю | Шариковый радиальный однорядный подшипник. Все детали или часть деталей из нержавеющей стали.. | 12.00 | 24.00 | 6.00 |
| 5-1000901 БТ2 | Шариковый радиальный однорядный подшипник. 200°. Температура отпуска. Сепаратор из безоловянистой бронзы.. | 12.00 | 24.00 | 6.00 |
| 5-1000901 Т2 | Шариковый радиальный однорядный подшипник. 200°. Температура отпуска. | 12.00 | 24.00 | 6.00 |
| 5-1000901 Ю | Шариковый радиальный однорядный подшипник. Все детали или часть деталей из нержавеющей стали.. | 12.00 | 24.00 | 6.00 |
| 6-1000901 Р1 | Шариковый радиальный однорядный подшипник. Детали из теплоустойчивой (быстрорежущие) стали.. | 12.00 | 24.00 | 6.00 |
| 6-1000901 Ю | Шариковый радиальный однорядный подшипник. Все детали или часть деталей из нержавеющей стали.. | 12.00 | 24.00 | 6.00 |
| 6-1000901 Ю1 | Шариковый радиальный однорядный подшипник. Все детали или часть деталей из нержавеющей стали.. | 12.00 | 24.00 | 6.00 |
| 6-1000901 Ю1Т | Шариковый радиальный однорядный подшипник. Температура отпуска. 160°. Все детали или часть деталей из нержавеющей стали.. | 12.00 | 24.00 | 6.00 |
| 6-1000901 ЮТ | Шариковый радиальный однорядный подшипник. Температура отпуска. 160°. Все детали или часть деталей из нержавеющей стали.. | 12.00 | 24.00 | 6.00 |
Способы доставки
Отправка через ведущие транспортные и курьерские компании: ПЭК, Деловые Линии, СДЭК, Байкал-Сервис, Энергия, КИТ, ЖелДорЭкспедиция.
Самовывоз возможен напрямую со склада в Москве.
Сроки доставки
Срок зависит от региона и выбранной транспортной компании. Все заказы комплектуются и отправляются в кратчайшие сроки со склада в Москве.
Надёжность и сохранность
Вся продукция упаковывается с учётом требований транспортировки. Мы гарантируем, что подшипники и комплектующие прибудут к заказчику в полной сохранности.
Доставка в страны ЕАЭС
Мы работаем с проверенными логистическими партнёрами, что позволяет оперативно доставлять заказы в Беларусь, Казахстан, Армению и другие страны ЕАЭС.
Варианты оплаты:
Минимальная сумма заказа и скидки:
Документы и гарантии:
Да, конечно! Наши технические специалисты готовы помочь вам с подбором точного аналога или замены подшипника. Просто позвоните нам по телефону +7 (495) 104-99-04 или напишите на почту zakaz@podsnab.ru.
Для оперативной консультации подготовьте, пожалуйста, имеющиеся данные: маркировку, размеры, тип оборудования или артикул старого подшипника.
Да, конечно! Мы высоко ценим долгосрочное сотрудничество и доверие клиентов по всей России. Для постоянных клиентов действует персональная система скидок.
Условия формируются индивидуально и зависят от:
Чтобы узнать свои условия и получить максимально выгодное предложение, свяжитесь с персональным менеджером или напишите нам на почту zakaz@podsnab.ru.
Вы можете оформить заказ несколькими способами:
Для оформления заказа от юридического лица свяжитесь с нашим отделом по работе с корпоративными клиентами по телефону +7 (495) 104-99-04 или напишите на email zakaz@podsnab.ru, прикрепив реквизиты вашей организации.
Мы оперативно подготовим коммерческое предложение и выставим счет.
Возврат товара надлежащего качества возможен в течение 10 дней с момента получения, если товар не был в употреблении, сохранен товарный вид, упаковка не вскрывалась и присутствуют все сопроводительные документы.
Возврат денежных средств осуществляется в течение 10 рабочих дней после проверки товара складом.
В соответствии с законодательством возврату не подлежат подшипники надлежащего качества, если отсутствует оригинальная упаковка или имеются следы монтажа.
В случае выявления брака или гарантийного случая мы гарантируем возврат или обмен товара.
Да, гарантийный срок хранения устанавливается заводом-изготовителем и в среднем составляет 2 года при соблюдении условий хранения: сухое помещение, оригинальная упаковка и смазка.
Точный срок для конкретного типа подшипника уточняйте у наших менеджеров.
Пн–Пт: с 8:00 до 17:00 (МСК).
Сб–Вс: выходные дни.
Заказы на сайте принимаются круглосуточно. Заявки, поступившие после окончания рабочего дня, обрабатываются на следующий рабочий день.
Минимальная сумма заказа для доставки составляет 3000 рублей. Самовывоз со склада возможен на любую сумму при наличии товара.
ООО «УралТехГрупп»
ИНН: 7415093830
КПП: 772401001
ОГРН: 1167456069021
Банк: ПАО Сбербанк
Р/с: 40702810838000475273
К/с: 30101810400000000225
БИК: 044525225
У подшипника 61901 пока нет отзывов. Вы можете стать первым покупателем, поделившимся своим мнением.