Поиск подшипника
Статьи
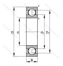
62205-2RS1/C3 — Подшипник однорядный шариковый радиальный, модификация основного исполнения 62205, производство SKF.
Размер подшипника: 25x52x18 мм.
Усиленные листовой сталью контактные уплотнения из акрилонитрил-бутадиенового каучука (nbr) с обеих сторон подшипника, внутренний зазор больше нормального.
Альтернативное обозначение: 62205EE J30.
Аналоги: 62205-A-2RSR-C3 FAG.
Международная стандартизации ISO
622052RS1C3
В наличии
| Обозначение | Конструктивные изменения |
|---|---|
| 62205.2RSR | Резиновые уплотнения с каждой стороны подшипника. |
| 62205 2RS P6 | Резиновые уплотнения с каждой стороны подшипника. точность размеров и хода в соответствии с классом допуска ISO 6. |
| 62205-2RS1/W64 | Усиленные листовой сталью контактные уплотнения из акрилонитрил-бутадиенового каучука (NBR) с обеих сторон подшипника. Антифрикционный заполнитель. твердая смазка. |
| 62205-2RS1/C3W64 | Внутренний зазор больше нормального. Усиленные листовой сталью контактные уплотнения из акрилонитрил-бутадиенового каучука (NBR) с обеих сторон подшипника. Антифрикционный заполнитель. твердая смазка. |
| 62205 2RS | Контактные уплотнения типа RS с обеих сторон игольчатого роликоподшипника. |
| 62205-2RS1 | Усиленные листовой сталью контактные уплотнения из акрилонитрил-бутадиенового каучука (NBR) с обеих сторон подшипника. |
| 62205-2RS1/BL | Усиленные листовой сталью контактные уплотнения из акрилонитрил-бутадиенового каучука (NBR) с обеих сторон подшипника. Смазка. |
| 62205 | Подшипник однорядный шариковый радиальный. Основное конструктивное исполнение. |
| 62205-2RSR-C3 | Внутренний зазор больше нормального. Резиновые уплотнения с каждой стороны подшипника. |
| 62205 2RS TN | Резиновые уплотнения с каждой стороны подшипника. литой под давлением сепаратор из полиамида 6.6. центрированный роликовый элемент. |
| 62205 2RS HLM | Резиновые уплотнения с каждой стороны подшипника. Код местонахождения завода. может использоваться в стандартной комплектации. |
| 62205DDU | Резиновые уплотнения с каждой стороны подшипника. |
| 62205DDU/AS2S | Стандартное заполнение. Резиновые уплотнения с каждой стороны подшипника. 1/4 Full. Смазка Aeroshell 7. |
| 622052RSJ11G526 | Резиновые уплотнения с каждой стороны подшипника. Улучшенная консервация. Grease Ultratherm 2000 - Operating Temperature -60°C To +280°C. |
| 62205-RS1 | Резиновое уплотнение с одной стороны. |
| 62205-2RS-C3 | Внутренний зазор больше нормального. Резиновые уплотнения с каждой стороны подшипника. |
| 62205EE J30 | Внутренний зазор больше нормального. Резиновые уплотнения с каждой стороны подшипника. |
| 62205-A-2RSR-C3 | Внутренний зазор больше нормального. Модификация внутренней конструкции. Резиновые уплотнения с каждой стороны подшипника. |
| 62205-A-2RSR | Модификация внутренней конструкции. Резиновые уплотнения с каждой стороны подшипника. |
| 62205EE | Резиновые уплотнения с каждой стороны подшипника. |
Модификации шарикового подшипника 62205-2RS1/C3 — это измененное основное конструктивное исполнение 62205, основные размеры (25x52x18) не отличаются.
| Обозначение | Гост | Конструктивные особенности |
|---|---|---|
| 4205 ATN | ISO | Подшипник однорядный шариковый радиальный. |
| 415695 | ISO | Подшипник однорядный шариковый радиальный. |
| 2062 | ISO | Подшипник однорядный шариковый радиальный. |
| AL25 | ISO | Подшипник однорядный шариковый радиальный. |
| IR8035 | ISO | Подшипник однорядный шариковый радиальный. |
Аналог шарикового подшипника 62205-2RS1/C3 — это подшипник такого же размера dx25,Dx52,Bx18, типа и конструкции.
| Обозначение | Конструктивные особенности | Внутренний (d) | Наружный (D) | Ширина (B) |
|---|---|---|---|---|
| NU 2205 ECML | Роликовый радиальный однорядный подшипник. Однорядный цилиндрический роликовый подшипник. | 25.00 | 52.00 | 18.00 |
| 42505-ЛМ | Роликовый радиальный однорядный подшипник. Сепаратор из латуни.. Модифицированный контакт.. | 25.00 | 52.00 | 18.00 |
| 53505-Н | Роликовый радиальный двухрядный подшипник. Детали из теплостойкой стали. | 25.00 | 52.00 | 18.00 |
| 537905C17 | Роликовый радиальный-упорный двухрядный подшипник. Литол-24. | 25.00 | 52.00 | 18.50 |
| 6-180505 А1УС17 | Шариковый радиальный однорядный подшипник. Смазка Литол-24. Дополнительные технические требования. Повышенная грузоподъемность. | 25.00 | 52.00 | 18.00 |
| 6-180505 А1УС17Ш1 | Шариковый радиальный однорядный подшипник. Смазка Литол-24. Дополнительные технические требования. Повышенная грузоподъемность. Нормы шумности. | 25.00 | 52.00 | 18.00 |
| 6-180505 А1УС9 | Шариковый радиальный однорядный подшипник. Дополнительные технические требования. Повышенная грузоподъемность. Смазка ЛЗ-31. | 25.00 | 52.00 | 18.00 |
| 6-180505 А1УС9Ш1 | Шариковый радиальный однорядный подшипник. Дополнительные технические требования. Повышенная грузоподъемность. Нормы шумности. Смазка ЛЗ-31. | 25.00 | 52.00 | 18.00 |
| 6-180505 АС17 | Шариковый радиальный однорядный подшипник. Смазка Литол-24. Повышенная грузоподъемность. | 25.00 | 52.00 | 18.00 |
| 6-180505 С17 | Шариковый радиальный однорядный подшипник. Смазка Литол-24. | 25.00 | 52.00 | 18.00 |
| 6-180505 С17Ш1 | Шариковый радиальный однорядный подшипник. Смазка Литол-24. Нормы шумности. | 25.00 | 52.00 | 18.00 |
| 6-180505 У1С17 | Шариковый радиальный однорядный подшипник. Смазка Литол-24. Дополнительные технические требования. | 25.00 | 52.00 | 18.00 |
| 6-180505 У1С17Ш1 | Шариковый радиальный однорядный подшипник. Смазка Литол-24. Нормы шумности. Дополнительные технические требования. | 25.00 | 52.00 | 18.00 |
| 6-180505 УС17 | Шариковый радиальный однорядный подшипник. Смазка Литол-24. Дополнительные технические требования. | 25.00 | 52.00 | 18.00 |
| 6-180505 УС17Ш1 | Шариковый радиальный однорядный подшипник. Смазка Литол-24. Дополнительные технические требования. Нормы шумности. | 25.00 | 52.00 | 18.00 |
Способы доставки
Отправка через ведущие транспортные и курьерские компании: ПЭК, Деловые Линии, СДЭК, Байкал-Сервис, Энергия, КИТ, ЖелДорЭкспедиция.
Самовывоз возможен напрямую со склада в Москве.
Сроки доставки
Срок зависит от региона и выбранной транспортной компании. Все заказы комплектуются и отправляются в кратчайшие сроки со склада в Москве.
Надёжность и сохранность
Вся продукция упаковывается с учётом требований транспортировки. Мы гарантируем, что подшипники и комплектующие прибудут к заказчику в полной сохранности.
Доставка в страны ЕАЭС
Мы работаем с проверенными логистическими партнёрами, что позволяет оперативно доставлять заказы в Беларусь, Казахстан, Армению и другие страны ЕАЭС.
Варианты оплаты:
Минимальная сумма заказа и скидки:
Документы и гарантии:
Да, конечно! Наши технические специалисты готовы помочь вам с подбором точного аналога или замены подшипника. Просто позвоните нам по телефону +7 (495) 104-99-04 или напишите на почту zakaz@podsnab.ru.
Для оперативной консультации подготовьте, пожалуйста, имеющиеся данные: маркировку, размеры, тип оборудования или артикул старого подшипника.
Да, конечно! Мы высоко ценим долгосрочное сотрудничество и доверие клиентов по всей России. Для постоянных клиентов действует персональная система скидок.
Условия формируются индивидуально и зависят от:
Чтобы узнать свои условия и получить максимально выгодное предложение, свяжитесь с персональным менеджером или напишите нам на почту zakaz@podsnab.ru.
Вы можете оформить заказ несколькими способами:
Для оформления заказа от юридического лица свяжитесь с нашим отделом по работе с корпоративными клиентами по телефону +7 (495) 104-99-04 или напишите на email zakaz@podsnab.ru, прикрепив реквизиты вашей организации.
Мы оперативно подготовим коммерческое предложение и выставим счет.
Возврат товара надлежащего качества возможен в течение 10 дней с момента получения, если товар не был в употреблении, сохранен товарный вид, упаковка не вскрывалась и присутствуют все сопроводительные документы.
Возврат денежных средств осуществляется в течение 10 рабочих дней после проверки товара складом.
В соответствии с законодательством возврату не подлежат подшипники надлежащего качества, если отсутствует оригинальная упаковка или имеются следы монтажа.
В случае выявления брака или гарантийного случая мы гарантируем возврат или обмен товара.
Да, гарантийный срок хранения устанавливается заводом-изготовителем и в среднем составляет 2 года при соблюдении условий хранения: сухое помещение, оригинальная упаковка и смазка.
Точный срок для конкретного типа подшипника уточняйте у наших менеджеров.
Пн–Пт: с 8:00 до 17:00 (МСК).
Сб–Вс: выходные дни.
Заказы на сайте принимаются круглосуточно. Заявки, поступившие после окончания рабочего дня, обрабатываются на следующий рабочий день.
Минимальная сумма заказа для доставки составляет 3000 рублей. Самовывоз со склада возможен на любую сумму при наличии товара.
ООО «УралТехГрупп»
ИНН: 7415093830
КПП: 772401001
ОГРН: 1167456069021
Банк: ПАО Сбербанк
Р/с: 40702810838000475273
К/с: 30101810400000000225
БИК: 044525225
У подшипника 62205-2RS1/C3 пока нет отзывов. Вы можете стать первым покупателем, поделившимся своим мнением.