Поиск подшипника
Статьи
6238M — Подшипник однорядный шариковый радиальный, модификация основного исполнения 6238, выпускается производителями: CRAFT, FAG, ISB, NACHI, NKE, NSK, SKF, SNR, WINKEL.
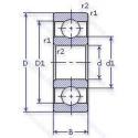
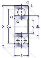
Размер подшипника: 190x340x55 мм.
Массивный латунный сепаратор.
Аналоги: 6238-M FAG,6238M SKF.
Международная стандартизации ISO
6238M
В наличии
| Обозначение | Конструктивные изменения |
|---|---|
| 6238ZZ | Защитные металлические шайбы с обеих сторон. |
| 6238 | Подшипник однорядный шариковый радиальный. Основное конструктивное исполнение. |
| 6238MC3 | (Миниатюрные радиальные шарикоподшипники серии Metric. M = без латунного сепаратора) = Нормальный радиальный внутренний зазор. |
| 6238C3 | Внутренний зазор больше нормального. |
| 6238MB | сепаратор из латуни. центрированный по внутреннему кольцу. |
| 6238MB P6 | Латунный сепаратор. Центрированный на внутреннем кольце. Размерные и геометрические допуски соответствуют классу точности P6. |
| 6238MY C3 | Внутренний зазор больше нормального. Механически обработанный латунный сепаратор. |
| 6238-M-C4 | Внутренний зазор подшипника больше. чем C3. Подшипник с латунным сепаратором. центрированный по телам качения. |
| 6238ZZS/AS2S | Стандартное заполнение. 1/4 Full. Смазка Aeroshell 7. Диапазон от –10°C до 110°C.. Защитные металлические шайбы с двух сторон подшипника (удерживается стопорным кольцом на внешнем кольце - обычно для миниатюрных шарикоподшипников). |
| 6238-N2-MA-C4 | Внутренний зазор подшипника больше. чем C3. Механически обработанный латунный сепаратор. Центрирование по внешнему кольцу. Два установочных паза (выемки), расположенных под углом 180° друг от друга в одной боковой поверхности наружного кольца или шайбе корпуса.. |
| 6238MA C3 | Внутренний зазор больше нормального. Механически обработанный латунный сепаратор. Центрирование по внешнему кольцу. |
| 6238ZZS | Защитные металлические шайбы с двух сторон подшипника (удерживается стопорным кольцом на внешнем кольце - обычно для миниатюрных шарикоподшипников). |
| 6238M.C3.J20C | Внутренний зазор больше нормального. Твердый латунный сепаратор. Шариковые направляющие. Внутреннее кольцо. изолированное тонким керамическим покрытием. |
| 6238-MB-C4 | Внутренний зазор подшипника больше. чем C3. Механически обработанный латунный сепаратор. клёпаный. центрируемый по внутреннему кольцу. |
| 6238U1 | Сепаратор из стали. |
| 6238/C4 | Внутренний зазор подшипника больше. чем C3. |
| 6238MB C3 | Внутренний зазор больше нормального. Механически обработанный латунный сепаратор. клёпаный. центрируемый по внутреннему кольцу. |
| 6238-M-J20C-C3 | Внутренний зазор больше нормального. Твердый латунный сепаратор. Шариковые направляющие. Внутреннее кольцо. изолированное тонким керамическим покрытием. |
| 6238Z | Стальная шайба. |
Модификации шарикового подшипника 6238M — это измененное основное конструктивное исполнение 6238, основные размеры (190x340x55) не отличаются.
| Обозначение | Гост | Конструктивные особенности |
|---|---|---|
| HC6238-M-R100-150 | ISO | Твердый латунный сепаратор. Шариковые направляющие. Radial Clearance In µm. |
Аналог шарикового подшипника 6238M — это подшипник такого же размера dx190,Dx340,Bx55, типа и конструкции.
| Обозначение | Конструктивные особенности | Внутренний (d) | Наружный (D) | Ширина (B) |
|---|---|---|---|---|
| 70-238 Л | Шариковый радиальный однорядный подшипник. Сепаратор из латуни.. | 190.00 | 340.00 | 55.00 |
| 76-238 Л | Шариковый радиальный однорядный подшипник. Сепаратор из латуни.. | 190.00 | 340.00 | 55.00 |
| 8-238-Л | Шариковый радиальный однорядный подшипник. Сепаратор из латуни.. | 190.00 | 340.00 | 55.00 |
| 6-238 Л | Шариковый радиальный однорядный подшипник. Сепаратор из латуни.. | 190.00 | 340.00 | 55.00 |
| 70-32238 ЛМ | Роликовый радиальный однорядный подшипник. Сепаратор из латуни.. Модифицированный контакт.. | 190.00 | 340.00 | 55.00 |
| 75-238 Л1 | Шариковый радиальный однорядный подшипник. Сепаратор из латуни.. | 190.00 | 340.00 | 55.00 |
| 76-238 Л1 | Шариковый радиальный однорядный подшипник. Сепаратор из латуни.. | 190.00 | 340.00 | 55.00 |
| 238-Л | Шариковый радиальный однорядный подшипник. Сепаратор из латуни.. | 190.00 | 340.00 | 55.00 |
| 2В0-238 Л | Шариковый радиальный однорядный подшипник. Сепаратор из латуни.. | 190.00 | 340.00 | 55.00 |
| NJ 238 ECM | Роликовый радиальный однорядный подшипник. Однорядный цилиндрический роликовый подшипник. | 190.00 | 340.00 | 55.00 |
| NU 238 ECML | Роликовый радиальный однорядный подшипник. Однорядный цилиндрический роликовый подшипник. | 190.00 | 340.00 | 55.00 |
| NUP 238 ECML | Роликовый радиальный однорядный подшипник. Однорядный цилиндрический роликовый подшипник. | 190.00 | 340.00 | 55.00 |
| 42238Л1М | Роликовый радиальный однорядный подшипник. Модифицированный контакт.. Сепаратор из латуни.. | 190.00 | 340.00 | 55.00 |
| 46238К | Шариковый радиально-упорный однорядный подшипник. «Замок» (скос) на внутреннем кольце плюс массивный сепаратор из текстолита. | 190.00 | 340.00 | 55.00 |
| 6-176238 Л | Шариковый радиально-упорный однорядный подшипник. Сепаратор из латуни.. | 190.00 | 340.00 | 55.00 |
Способы доставки
Отправка через ведущие транспортные и курьерские компании: ПЭК, Деловые Линии, СДЭК, Байкал-Сервис, Энергия, КИТ, ЖелДорЭкспедиция.
Самовывоз возможен напрямую со склада в Москве.
Сроки доставки
Срок зависит от региона и выбранной транспортной компании. Все заказы комплектуются и отправляются в кратчайшие сроки со склада в Москве.
Надёжность и сохранность
Вся продукция упаковывается с учётом требований транспортировки. Мы гарантируем, что подшипники и комплектующие прибудут к заказчику в полной сохранности.
Доставка в страны ЕАЭС
Мы работаем с проверенными логистическими партнёрами, что позволяет оперативно доставлять заказы в Беларусь, Казахстан, Армению и другие страны ЕАЭС.
Варианты оплаты:
Минимальная сумма заказа и скидки:
Документы и гарантии:
Да, конечно! Наши технические специалисты готовы помочь вам с подбором точного аналога или замены подшипника. Просто позвоните нам по телефону +7 (495) 104-99-04 или напишите на почту zakaz@podsnab.ru.
Для оперативной консультации подготовьте, пожалуйста, имеющиеся данные: маркировку, размеры, тип оборудования или артикул старого подшипника.
Да, конечно! Мы высоко ценим долгосрочное сотрудничество и доверие клиентов по всей России. Для постоянных клиентов действует персональная система скидок.
Условия формируются индивидуально и зависят от:
Чтобы узнать свои условия и получить максимально выгодное предложение, свяжитесь с персональным менеджером или напишите нам на почту zakaz@podsnab.ru.
Вы можете оформить заказ несколькими способами:
Для оформления заказа от юридического лица свяжитесь с нашим отделом по работе с корпоративными клиентами по телефону +7 (495) 104-99-04 или напишите на email zakaz@podsnab.ru, прикрепив реквизиты вашей организации.
Мы оперативно подготовим коммерческое предложение и выставим счет.
Возврат товара надлежащего качества возможен в течение 10 дней с момента получения, если товар не был в употреблении, сохранен товарный вид, упаковка не вскрывалась и присутствуют все сопроводительные документы.
Возврат денежных средств осуществляется в течение 10 рабочих дней после проверки товара складом.
В соответствии с законодательством возврату не подлежат подшипники надлежащего качества, если отсутствует оригинальная упаковка или имеются следы монтажа.
В случае выявления брака или гарантийного случая мы гарантируем возврат или обмен товара.
Да, гарантийный срок хранения устанавливается заводом-изготовителем и в среднем составляет 2 года при соблюдении условий хранения: сухое помещение, оригинальная упаковка и смазка.
Точный срок для конкретного типа подшипника уточняйте у наших менеджеров.
Пн–Пт: с 8:00 до 17:00 (МСК).
Сб–Вс: выходные дни.
Заказы на сайте принимаются круглосуточно. Заявки, поступившие после окончания рабочего дня, обрабатываются на следующий рабочий день.
Минимальная сумма заказа для доставки составляет 3000 рублей. Самовывоз со склада возможен на любую сумму при наличии товара.
ООО «УралТехГрупп»
ИНН: 7415093830
КПП: 772401001
ОГРН: 1167456069021
Банк: ПАО Сбербанк
Р/с: 40702810838000475273
К/с: 30101810400000000225
БИК: 044525225
У подшипника 6238M пока нет отзывов. Вы можете стать первым покупателем, поделившимся своим мнением.