Поиск подшипника
Статьи
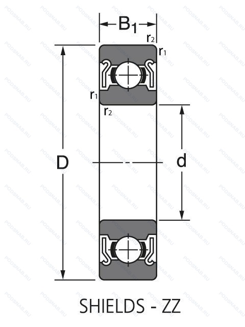
RLS7ZZ — Подшипник однорядный шариковый радиальный, модификация основного исполнения RLS7, выпускается производителями: HIC, KOYO, NIS, NSK.
Размер подшипника: 22x50x14 мм.
Цилиндрический роликовый подшипник, однорядный, двухкромочное внутреннее кольцо, цилиндрическое наружное кольцо, легкая дюймовая серия, защитные металлические шайбы с обеих сторон.
Альтернативное обозначение: LJ7/8-2ZJ, LS9FF, LS9PP.
Аналоги: RLS7-2Z SKF,LJ7/8-2ZJ RHP.
Международная стандартизации ISO
RLS7ZZ
В наличии
| Обозначение | Конструктивные изменения |
|---|---|
| RLS7 | Подшипник однорядный шариковый радиальный. Основное конструктивное исполнение. |
| RLS7-2Z | Защитные металлические шайбы с обеих сторон подшипника. |
| RLS7-2RS1 | Усиленные листовой сталью контактные уплотнения из акрилонитрил-бутадиенового каучука (NBR) с обеих сторон подшипника. |
| RLS7/C6 | Уровень шума ниже нормы (бесшумная работа). |
| RLS7 2RS | Резиновые уплотнения с каждой стороны подшипника. |
| RLS7ZZ/AS2S | Стандартное заполнение. Защитные металлические шайбы с обеих сторон. 1/4 Full. Смазка Aeroshell 7. |
| RLS7V3 | Радиальный зазор больше стандартного. |
| RLS7.2ZR | Защитные металлические шайбы с обеих сторон. |
| RLS7 C3 | Внутренний зазор больше нормального. |
Модификации шарикового подшипника RLS7ZZ — это измененное основное конструктивное исполнение RLS7, основные размеры (22x50x14) не отличаются.
| Обозначение | Гост | Конструктивные особенности |
|---|---|---|
| LJ7/8-2ZJ | ISO | Подшипник однорядный шариковый радиальный. |
| 62/22CM | ISO | Шариковый подшипник. Специальный радиальный внутренний зазор для электродвигателей. |
| 62/22DD C3 | ISO | Внутренний зазор больше нормального. Контактное уплотнение с двух сторон. |
| BB1B362668A | ISO | Измененная или модифицированная внутренняя конструкция при неизменных основных размерах. Как правило. значение буквы привязано к определенному подшипнику или серии подшипника. |
| LS9.2Z | ISO | Защитные металлические шайбы с обеих сторон. |
| 1640DCTN | ISO | Отлитый под давлением защелкивающийся сепаратор из полиамида. Центрированные тела качения. Резиновые уплотнения с каждой стороны подшипника. |
| 62/22C3 M | ISO | Внутренний зазор больше нормального. Специальная смазка и шумоподавление. |
| LJ7/8-2ZJ/AR3S | ISO | Стандартное заполнение. Прессованный стальной сепаратор. Защитные металлические шайбы с обеих сторон. Designation = Alvania Grease R3. Base Oil = Mineral. Thickener = Lithium. Min. Temp = -34°C. Max. Temp = +135°C. |
| LJ7/8-2RSR | ISO | Резиновые уплотнения с каждой стороны подшипника. |
| 62/22U | ISO | Радиальный шарикоподшипник с уплотнительными канавками. |
| 1640DC TN TG08 | ISO | Отлитый под давлением защелкивающийся сепаратор из полиамида. Центрированные тела качения. Резиновые уплотнения с каждой стороны подшипника. |
| 62/22-B-2DRS-L138 | ISO | Модифицированная внутренняя конструкция. NS Hi-Lube Grease Lithium Soap. Temperature Range -40°C/+130°C. Бесконтактные резиновые уплотнения. |
| 1640 2RS K | ISO | Коническое отверстие. конус 1/12. RS1 Contact Seal On Both Sides Of The Bearing. |
| 62/22DDU AV2S | ISO | Резиновые уплотнения с каждой стороны подшипника. Lubricant. Shell Oil Co.. Alvania #2 Grease. 1/4 Full. Temperature Range = -10°C / + 110°C (Normal Temperature Grease). |
| 62/22XA1 C3 | ISO | Внутренний зазор больше нормального. |
| LJ7/8-2RS | ISO | Резиновые уплотнения с каждой стороны подшипника. |
| BB1-0016A | ISO | Измененная или модифицированная внутренняя конструкция при неизменных основных размерах. Как правило. значение буквы привязано к определенному подшипнику или серии подшипника. |
| LJ7/8M | ISO | Механически обработанный латунный сепаратор .Расположенный на элементах качения. |
| 620/22A G14 J30A | ISO | Однорядный радиально-упорный шариковый подшипник с полиамидным сепаратором. Сепаратор из стеклонаполненного полиамида PA66. центрируемый по шарикам. Радиальный внутренний зазор больше нормального. |
| LJ7/8-C3 | ISO | Внутренний зазор больше нормального. |
| 62/22DDU AS2S | ISO | Стандартное заполнение. Резиновые уплотнения с каждой стороны подшипника. 1/4 Full. Смазка Aeroshell 7. Диапазон от –10°C до 110°C.. |
Аналог шарикового подшипника RLS7ZZ — это подшипник такого же размера dx22,Dx50,Bx14, типа и конструкции.
| Обозначение | Конструктивные особенности | Внутренний (d) | Наружный (D) | Ширина (B) |
|---|---|---|---|---|
| 62/22ZE | Шариковый радиальный однорядный подшипник. щит из листовой прессованной стали с одной стороны подшипника. | 22.00 | 50.00 | 14.00 |
| 62/22-2RS2 | Шариковый радиальный однорядный подшипник. Два контактных уплотнения из фторкаучука (FPM) с усилением из листовой стали (высокотемпературные). | 22.00 | 50.00 | 14.00 |
| TMB2/22CCS15 | Шариковый радиальный однорядный подшипник. Механически обработанный сепаратор. Изготовлено из специально термически обработанной стали. | 22.00 | 50.00 | 14.00 |
| 62/22ZZNR | Шариковый радиальный однорядный подшипник. Стальная шайба. Канавка и стопорное кольцо на наружном кольце. | 22.00 | 50.00 | 14.00 |
| 62/22LB | Шариковый радиальный однорядный подшипник. Бесконтактное нитриловое уплотнение. | 22.00 | 50.00 | 14.00 |
| 62/22C | Шариковый радиальный однорядный подшипник. 15° Угол контакта. | 22.00 | 50.00 | 14.00 |
| 62/22LLH | Шариковый радиальный однорядный подшипник. Манжетное уплотнение с обеих сторон подшипника. | 22.00 | 50.00 | 14.00 |
| LJ7/8-Z | Шариковый радиальный однорядный подшипник. щит из листовой прессованной стали с одной стороны подшипника. Средний предварительный натяг. | 22.23 | 50.80 | 14.29 |
| LJ7/8-RS | Шариковый радиальный однорядный подшипник. Резиновое уплотнение с одной стороны. Средний предварительный натяг. | 22.23 | 50.80 | 14.29 |
| LJ7/8-2Z | Шариковый радиальный однорядный подшипник. Защитные металлические шайбы с обеих сторон подшипника. Средний предварительный натяг. | 22.23 | 50.80 | 14.29 |
| BB1B362688A | Шариковый радиальный однорядный подшипник. Измененная или модифицированная внутренняя конструкция при неизменных основных размерах. | 22.00 | 50.00 | 14.00 |
| AB12383 | Шариковый радиальный однорядный подшипник. Однорядный радиально-упорный шариковый подшипник с полиамидным сепаратором. | 23.00 | 50.00 | 14.00 |
| AB40205S02 | Шариковый радиальный однорядный подшипник. Кольца стабилизированы по размерам для использования при рабочих температурах до +250°C (482°F). | 23.00 | 50.00 | 14.00 |
| S1640-2RS | Шариковый радиальный однорядный подшипник. Резиновые уплотнения с каждой стороны подшипника. | 22.23 | 50.80 | 14.29 |
| S1640-2Z | Шариковый радиальный однорядный подшипник. Защитные металлические шайбы с обеих сторон подшипника. | 22.23 | 50.80 | 14.29 |
Способы доставки
Отправка через ведущие транспортные и курьерские компании: ПЭК, Деловые Линии, СДЭК, Байкал-Сервис, Энергия, КИТ, ЖелДорЭкспедиция.
Самовывоз возможен напрямую со склада в Москве.
Сроки доставки
Срок зависит от региона и выбранной транспортной компании. Все заказы комплектуются и отправляются в кратчайшие сроки со склада в Москве.
Надёжность и сохранность
Вся продукция упаковывается с учётом требований транспортировки. Мы гарантируем, что подшипники и комплектующие прибудут к заказчику в полной сохранности.
Доставка в страны ЕАЭС
Мы работаем с проверенными логистическими партнёрами, что позволяет оперативно доставлять заказы в Беларусь, Казахстан, Армению и другие страны ЕАЭС.
Варианты оплаты:
Минимальная сумма заказа и скидки:
Документы и гарантии:
Да, конечно! Наши технические специалисты готовы помочь вам с подбором точного аналога или замены подшипника. Просто позвоните нам по телефону +7 (495) 104-99-04 или напишите на почту zakaz@podsnab.ru.
Для оперативной консультации подготовьте, пожалуйста, имеющиеся данные: маркировку, размеры, тип оборудования или артикул старого подшипника.
Да, конечно! Мы высоко ценим долгосрочное сотрудничество и доверие клиентов по всей России. Для постоянных клиентов действует персональная система скидок.
Условия формируются индивидуально и зависят от:
Чтобы узнать свои условия и получить максимально выгодное предложение, свяжитесь с персональным менеджером или напишите нам на почту zakaz@podsnab.ru.
Вы можете оформить заказ несколькими способами:
Для оформления заказа от юридического лица свяжитесь с нашим отделом по работе с корпоративными клиентами по телефону +7 (495) 104-99-04 или напишите на email zakaz@podsnab.ru, прикрепив реквизиты вашей организации.
Мы оперативно подготовим коммерческое предложение и выставим счет.
Возврат товара надлежащего качества возможен в течение 10 дней с момента получения, если товар не был в употреблении, сохранен товарный вид, упаковка не вскрывалась и присутствуют все сопроводительные документы.
Возврат денежных средств осуществляется в течение 10 рабочих дней после проверки товара складом.
В соответствии с законодательством возврату не подлежат подшипники надлежащего качества, если отсутствует оригинальная упаковка или имеются следы монтажа.
В случае выявления брака или гарантийного случая мы гарантируем возврат или обмен товара.
Да, гарантийный срок хранения устанавливается заводом-изготовителем и в среднем составляет 2 года при соблюдении условий хранения: сухое помещение, оригинальная упаковка и смазка.
Точный срок для конкретного типа подшипника уточняйте у наших менеджеров.
Пн–Пт: с 8:00 до 17:00 (МСК).
Сб–Вс: выходные дни.
Заказы на сайте принимаются круглосуточно. Заявки, поступившие после окончания рабочего дня, обрабатываются на следующий рабочий день.
Минимальная сумма заказа для доставки составляет 3000 рублей. Самовывоз со склада возможен на любую сумму при наличии товара.
ООО «УралТехГрупп»
ИНН: 7415093830
КПП: 772401001
ОГРН: 1167456069021
Банк: ПАО Сбербанк
Р/с: 40702810838000475273
К/с: 30101810400000000225
БИК: 044525225
У подшипника RLS7ZZ пока нет отзывов. Вы можете стать первым покупателем, поделившимся своим мнением.