Поиск подшипника
Статьи
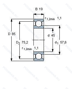
6209-2RSR-C3 — Подшипник однорядный шариковый радиальный, модификация основного исполнения 6209, выпускается производителями: FAG, KBC, NKE, ROLLWAY, SLF FRAUREUTH.
Размер подшипника: 45x85x19 мм.
Резиновые уплотнения с каждой стороны подшипника, внутренний зазор больше нормального.
Альтернативное обозначение: 6209-2RS1/C3, 6209.EEC3, 6209EE J30.
Аналоги: 6209-2RS1/C3 SKF,6209-2RSJC3 RHP,6209 2RS C3 RHP,6209 2RS C3 Koyo,6209DDUC3E/EEMS NSK,6209 2RS C3 Fafnir,6209LLU C3/2A NTN,6209.2RSR.C3 NKE,6209 2RS C3 MTK,6209-2RS C3 Bing Netherlands.
Международная стандартизации ISO
62092RSRC3
В наличии
| Обозначение | Конструктивные изменения |
|---|---|
| 6209UU | Символ защиты от загрязнения. |
| 6209-2RD | Облегченное контактное уплотнение с двух сторон.. |
| 6209 2RD C3 | Внутренний зазор больше нормального. Облегченное контактное уплотнение с двух сторон.. |
| 6209-2NKE | Double Labyrinth Seal (Non Contact). |
| 6209-2NKE9 | Double Labyrinth Seal (Non Contact). |
| 6209ZE | щит из листовой прессованной стали с одной стороны подшипника. |
| 6209NSE | Резиновое уплотнение с одной стороны. |
| 6209-RS2 | Contact Seal Of Fluoro Rubber (FPM) With Sheet Steel Reinforcement On One Side Of The Bearing. |
| 6209L11 | Molded Oil™ General Use. |
| 6209L11-H-20 | Pressed Snap-Type Steel Cage. Hardened. Distance Between Beginning Of The Rail And First Hole In MM. Molded Oil™ General Use. |
| 6209T1X | Полиамидный фиксатор. |
| 6209L11-H-20ZZ | Pressed Snap-Type Steel Cage. Hardened. Molded Oil™ General Use. |
| 6209VV | Защитные металлические шайбы. с обеих сторон подшипника. Бесконтактное уплотнение. (лучше. чем ZZ. Можно использовать в умеренно запыленной среде). |
| 6209L11-H-20DDU | Pressed Snap-Type Steel Cage. Hardened. Molded Oil™ General Use. |
| 6209LLBNR | Канавка и стопорное кольцо на наружном кольце. Бесконтактное нитриловое уплотнение. |
| 6209LLUD2 | Двухкромочное нитриловое контактное уплотнение. |
| 6209LU | Двухкромочное нитриловое контактное уплотнение. |
| 6209LLB | Уплотнение бесконтактного типа из синтетического каучука. |
| 6209LLH | Манжетное уплотнение с обеих сторон подшипника. |
| 6209LB | Бесконтактное нитриловое уплотнение. |
| 6209LLUNR | Канавка и стопорное кольцо на наружном кольце. Двухкромочное нитриловое контактное уплотнение. |
| 6209NRZ | Защитная пластина с одной стороны. Канавка и стопорное кольцо на наружном кольце. |
| 6209NREE | Канавка и стопорное кольцо на наружном кольце. Контактные уплотнения с двух сторон. |
| 6209NRZZ | Защитные пластины с двух сторон. Канавка и стопорное кольцо на наружном кольце. |
| 6209HT200 | Ассортимент TOPLINE для высокой температуры - Максимум 200 С° с уплотнениями FKM с обеих сторон. |
Модификации шарикового подшипника 6209-2RSR-C3 — это измененное основное конструктивное исполнение 6209, основные размеры (45x85x19) не отличаются.
| Обозначение | Гост | Конструктивные особенности |
|---|---|---|
| 209PP | ISO | Манжетные уплотнения с обеих сторон подшипника. |
| 209WG | ISO | Радиальный подшипник. Тип заправочного паза. Канавка под стопорное кольцо на наружном кольце с соответствующим стопорным кольцом. |
| 209KD | ISO | Компоненты с покрытием Protect A имеют суффикс - KD. Protect A - это покрытие из чистого хрома с колончатой структурой поверхности. При использовании Protect A каретки с покрытием и направляющие с покрытием должны всегда комбинироваться. Если каретки с покрытием используются с направляющими без покрытия. например. это приведет к уменьшению преднатяга.. |
| E2.6309-2Z/C3 | ISO | Внутренний зазор больше нормального. Защитные металлические шайбы с обеих сторон подшипника. |
| 209WDC1 | ISO | Металлическое уплотнение с одной стороны. Радиальный подшипник. Тип заправочного паза. |
| E2.6209-2Z/C3 | ISO | Внутренний зазор больше нормального. Защитные металлические шайбы с обеих сторон подшипника. |
| BL209ZZ | ISO | Защитные металлические шайбы с обеих сторон. |
| 209KLL | ISO | BALL BEARING. CONRAD TYPE. INDUSTRIAL POWER TRANSMISSION. DOUBLE MECHANI-SEAL. |
| 209SLV | ISO | Snap Ring Groove On Same Side Of Bearing As Shield. Snap Ring Supplied. |
| EC-BL209/44C3PX1 | ISO | Внутренний зазор больше нормального. Специальный допуск. |
| 209WDG | ISO | Канавка под стопорное кольцо на наружном кольце с соответствующим стопорным кольцом. Защитная шайба из штампованной стали с одной стороны. |
| 209MFG | ISO | Максимальная производительность. Канавка для ввода тел качения. Однорядный радиальный шарикоподшипник с защитной шайбой с одной стороны. Канавка под стопорное кольцо на наружном кольце с соответствующим стопорным кольцом. |
| 209SZZX | ISO | Коническое отверстие (конусность 1/12). Однорядный радиальный подшипник. С двумя уплотнениями. |
| M209NR | ISO | Канавка под стопорное кольцо на наружном кольце с соответствующим стопорным кольцом. |
| 209.2ZR | ISO | Защитные металлические шайбы с обеих сторон. |
| CS209DDU | ISO | Резиновые уплотнения с каждой стороны подшипника. |
| HC6209-C-C3 | ISO | Модифицированная внутренняя конструкция. Внутренний зазор больше нормального. |
| K6209 2RS C3 | ISO | Внутренний зазор больше нормального. Резиновые уплотнения с каждой стороны подшипника. |
| 209KLD | ISO | Металлическое уплотнение с одной стороны. Conrad (Non-Filling Slot) Type. Одно механическое уплотнение. |
| 209SZZG | ISO | Канавка под стопорное кольцо на наружном кольце с соответствующим стопорным кольцом. Однорядный радиальный подшипник. С двумя уплотнениями. |
Аналог шарикового подшипника 6209-2RSR-C3 — это подшипник такого же размера dx45,Dx85,Bx19, типа и конструкции.
| Обозначение | Конструктивные особенности | Внутренний (d) | Наружный (D) | Ширина (B) |
|---|---|---|---|---|
| 5-46209 АЕ1 | Шариковый радиально-упорный однорядный подшипник. Сепаратор из текстолита.. Повышенная грузоподъемность. | 45.00 | 85.00 | 19.00 |
| 5-46209 АЛ | Шариковый радиально-упорный однорядный подшипник. Сепаратор из латуни.. Повышенная грузоподъемность. | 45.00 | 85.00 | 19.00 |
| 5-46209 Е | Шариковый радиально-упорный однорядный подшипник. Сепаратор из текстолита.. | 45.00 | 85.00 | 19.00 |
| 5-46209 Л | Шариковый радиально-упорный однорядный подшипник. Сепаратор из латуни.. | 45.00 | 85.00 | 19.00 |
| 50209-A | Шариковый радиальный однорядный подшипник. Двухрядный радиально-упорный шарикоподшипник без отверстия для смазки. | 45.00 | 85.00 | 19.00 |
| 50209-А | Шариковый радиальный однорядный подшипник. Повышенная грузоподъемность. | 45.00 | 85.00 | 19.00 |
| 50209-А1 | Шариковый радиальный однорядный подшипник. Повышенная грузоподъемность. | 45.00 | 85.00 | 19.00 |
| 50209-А2 | Шариковый радиальный однорядный подшипник. Повышенная грузоподъемность. | 45.00 | 85.00 | 19.00 |
| 50209-АК5 | Шариковый радиальный однорядный подшипник. Повышенная грузоподъемность. | 45.00 | 85.00 | 19.00 |
| 50209-К1 | Шариковый радиальный однорядный подшипник. «Замок» (скос) на внутреннем кольце плюс массивный сепаратор из текстолита. | 45.00 | 85.00 | 19.00 |
| 55-2209 Р | Роликовый радиальный однорядный подшипник. Детали из теплоустойчивой (быстрорежущие) стали.. | 45.00 | 85.00 | 19.00 |
| 56-32209 Л2 | Роликовый радиальный однорядный подшипник. Сепаратор из латуни.. | 45.00 | 85.00 | 19.00 |
| 56-322209 Е2У | Роликовый радиальный однорядный подшипник. Дополнительные технические требования. Сепаратор из пластических материалов.. | 45.00 | 85.00 | 19.00 |
| 6-116209 Д | Шариковый радиально-упорный однорядный подшипник. Сепаратор из алюминиевого сплава.. | 45.00 | 85.00 | 19.00 |
| 6-126209 Б | Шариковый радиально-упорный однорядный подшипник. Сепаратор из безоловянистой бронзы.. | 45.00 | 85.00 | 19.00 |
Способы доставки
Отправка через ведущие транспортные и курьерские компании: ПЭК, Деловые Линии, СДЭК, Байкал-Сервис, Энергия, КИТ, ЖелДорЭкспедиция.
Самовывоз возможен напрямую со склада в Москве.
Сроки доставки
Срок зависит от региона и выбранной транспортной компании. Все заказы комплектуются и отправляются в кратчайшие сроки со склада в Москве.
Надёжность и сохранность
Вся продукция упаковывается с учётом требований транспортировки. Мы гарантируем, что подшипники и комплектующие прибудут к заказчику в полной сохранности.
Доставка в страны ЕАЭС
Мы работаем с проверенными логистическими партнёрами, что позволяет оперативно доставлять заказы в Беларусь, Казахстан, Армению и другие страны ЕАЭС.
Варианты оплаты:
Минимальная сумма заказа и скидки:
Документы и гарантии:
Да, конечно! Наши технические специалисты готовы помочь вам с подбором точного аналога или замены подшипника. Просто позвоните нам по телефону +7 (495) 104-99-04 или напишите на почту zakaz@podsnab.ru.
Для оперативной консультации подготовьте, пожалуйста, имеющиеся данные: маркировку, размеры, тип оборудования или артикул старого подшипника.
Да, конечно! Мы высоко ценим долгосрочное сотрудничество и доверие клиентов по всей России. Для постоянных клиентов действует персональная система скидок.
Условия формируются индивидуально и зависят от:
Чтобы узнать свои условия и получить максимально выгодное предложение, свяжитесь с персональным менеджером или напишите нам на почту zakaz@podsnab.ru.
Вы можете оформить заказ несколькими способами:
Для оформления заказа от юридического лица свяжитесь с нашим отделом по работе с корпоративными клиентами по телефону +7 (495) 104-99-04 или напишите на email zakaz@podsnab.ru, прикрепив реквизиты вашей организации.
Мы оперативно подготовим коммерческое предложение и выставим счет.
Возврат товара надлежащего качества возможен в течение 10 дней с момента получения, если товар не был в употреблении, сохранен товарный вид, упаковка не вскрывалась и присутствуют все сопроводительные документы.
Возврат денежных средств осуществляется в течение 10 рабочих дней после проверки товара складом.
В соответствии с законодательством возврату не подлежат подшипники надлежащего качества, если отсутствует оригинальная упаковка или имеются следы монтажа.
В случае выявления брака или гарантийного случая мы гарантируем возврат или обмен товара.
Да, гарантийный срок хранения устанавливается заводом-изготовителем и в среднем составляет 2 года при соблюдении условий хранения: сухое помещение, оригинальная упаковка и смазка.
Точный срок для конкретного типа подшипника уточняйте у наших менеджеров.
Пн–Пт: с 8:00 до 17:00 (МСК).
Сб–Вс: выходные дни.
Заказы на сайте принимаются круглосуточно. Заявки, поступившие после окончания рабочего дня, обрабатываются на следующий рабочий день.
Минимальная сумма заказа для доставки составляет 3000 рублей. Самовывоз со склада возможен на любую сумму при наличии товара.
ООО «УралТехГрупп»
ИНН: 7415093830
КПП: 772401001
ОГРН: 1167456069021
Банк: ПАО Сбербанк
Р/с: 40702810838000475273
К/с: 30101810400000000225
БИК: 044525225
У подшипника 6209-2RSR-C3 пока нет отзывов. Вы можете стать первым покупателем, поделившимся своим мнением.