Поиск подшипника
Статьи
618/4 — Подшипник однорядный шариковый радиальный, основное исполнение, выпускается производителями: AKN, CHINA, CRAFT, CX, FAG, GPZ, ISB, ISO, NEUTRAL, NMB MINEBEA, SKF.
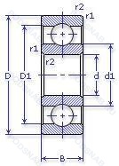
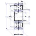
Размер подшипника: 4x9x3 мм.
Альтернативное обозначение: 684, ADR.AX4.
Аналоги: 618/4 SKF,618/4 NSK,684 EZO,684J ZEN,684 Neutral,618/4 Neutral,618/4 GPZ.
Международная стандартизации ISO
6184
В наличии
| Обозначение | Гост | Конструктивные особенности |
|---|---|---|
| 684 | ISO | Подшипник однорядный шариковый радиальный. |
| 684J | ISO | Сепаратор из стали. |
| 6/5100-2Z | ISO | Защитные металлические шайбы с обеих сторон. |
| 619/3 | ISO | Размерные и геометрические допуски соответствуют классу точности P6. |
| 638/4-2RS1 | ISO | Резиновые уплотнения с каждой стороны подшипника. Подшипник с чрезвычайно высокой точностью вращения (Abec9) и допуском формы (Abec7). |
| F683-2Z-HLC | ISO | Защитные металлические шайбы с обеих сторон. Код местонахождения завода. может использоваться в стандартной комплектации. |
| F693-2Z-HLC | ISO | Защитные металлические шайбы с обеих сторон. Код местонахождения завода. может использоваться в стандартной комплектации. |
| 684-2Z-HLN | ISO | Защитные металлические шайбы с обеих сторон. Код местонахождения завода. может использоваться в стандартной комплектации. |
| 684-2Z-HLC | ISO | Защитные металлические шайбы с обеих сторон. Код местонахождения завода. может использоваться в стандартной комплектации. |
| 623ZZ+6 | ISO | Защитные металлические шайбы с обеих сторон. Exxon Aviation Instrument Oil. |
| 693ZZ+6 | ISO | Защитные металлические шайбы с обеих сторон. Exxon Aviation Instrument Oil. |
| MR105-HLC | ISO | Код местонахождения завода. может использоваться в стандартной комплектации. |
| 693-HLC | ISO | Код местонахождения завода. может использоваться в стандартной комплектации. |
| 623ZZ P5 | ISO | Защитные металлические шайбы с обеих сторон. Размерная и рабочая точность соответствует классу допуска ISO 5. |
| 693J ZZ MC3 | ISO | Защитные металлические шайбы с обеих сторон. Сепаратор из стали. (Миниатюрные радиальные шарикоподшипники серии Metric. M = без латунного сепаратора) = Нормальный радиальный внутренний зазор. |
| 684ZZ C2 | ISO | Внутренний зазор подшипника меньше нормального. Защитные металлические шайбы с обеих сторон. |
| 623-2Z GPR Y G340 | ISO | Защитные металлические шайбы с обеих сторон. Подшипник с сепаратором из латуни центрированный по телам качения. Испытание на шум. Longtime PD2 Lubrication -35 to +140° C. |
| 623GPR Y G330 | ISO | Подшипник с сепаратором из латуни центрированный по телам качения. Испытание на шум. Klüber Isoflex LDS 18 Special A. Temperature Range/ -50°C (-58°F)/+120°C (248°F). |
| 684-2Z GPR J G340 | ISO | Сепаратор изготовлен из нержавеющей листовой стали. Защитные металлические шайбы с обеих сторон. Испытание на шум. Longtime PD2 Lubrication -35 to +140° C. |
| MF85-2Z | ISO | Защитные металлические шайбы с обеих сторон. |
| R830ZZ Y03 | ISO | Защитные металлические шайбы с обеих сторон. |
| 623ZZMC3ESF AHQR | ISO | Тихая работа. Защитные металлические шайбы с двух сторон подшипника. Улучшенный нормальный зазор (без латунного сепаратора). Klüber Asonic HQ72-102 (-40/+180°C. Piek +200°C). |
Аналог шарикового подшипника 618/4 — это подшипник такого же размера dx4,Dx9,Bx3, типа и конструкции.
| Обозначение | Конструктивные особенности | Внутренний (d) | Наружный (D) | Ширина (B) |
|---|---|---|---|---|
| 5-80063 ЮТС2 | Шариковый радиальный однорядный подшипник. Температура отпуска. 160°. Все детали или часть деталей из нержавеющей стали.. Смазка ЦИАТИМ-221. | 3.00 | 8.00 | 3.50 |
| 5-80063 ЮТС20 | Шариковый радиальный однорядный подшипник. Температура отпуска. 160°. Все детали или часть деталей из нержавеющей стали.. Смазка ВНИИНП-274. | 3.00 | 8.00 | 3.50 |
| 5-8074 Л | Шариковый упорный однорядный подшипник. Сепаратор из латуни.. | 4.00 | 10.00 | 4.00 |
| 5-860063 ЮТ | Шариковый радиальный однорядный подшипник. Температура отпуска. 160°. Все детали или часть деталей из нержавеющей стали.. | 3.00 | 8.00 | 3.50 |
| 5-880055-ЮС1 | Шариковый радиальный однорядный подшипник. Все детали или часть деталей из нержавеющей стали.. Смазка ОКБ 122-7. | 4.50 | 8.00 | 4.00 |
| 5-880063 ЮТ | Шариковый радиальный однорядный подшипник. Температура отпуска. 160°. Все детали или часть деталей из нержавеющей стали.. | 3.00 | 8.00 | 3.50 |
| 5М4-1000084 | Шариковый радиальный однорядный подшипник. Модифицированный контакт.. | 4.00 | 9.00 | 2.00 |
| 5М4-2076084 Е | Роликовый радиальный-упорный однорядный подшипник. Сепаратор из текстолита.. | 4.00 | 9.00 | 3.50 |
| 5М4-2076084 ЕП | Шариковый радиально-упорный однорядный подшипник. Сепаратор из текстолита.. | 4.00 | 9.00 | 3.00 |
| 5М4-2076084 ЮУТ | Шариковый радиально-упорный однорядный подшипник. Дополнительные технические требования. Температура отпуска. 160°. Все детали или часть деталей из нержавеющей стали.. | 4.00 | 9.00 | 3.00 |
| 5М5-1000084 | Шариковый радиальный однорядный подшипник. Модифицированный контакт.. | 4.00 | 9.00 | 2.50 |
| 5М5-23 У | Шариковый радиальный однорядный подшипник. Дополнительные технические требования. | 3.00 | 10.00 | 4.00 |
| 5М5-23 У2 | Шариковый радиальный однорядный подшипник. Дополнительные технические требования. | 3.00 | 10.00 | 4.00 |
| 6-1000084 ЮТ | Шариковый радиальный однорядный подшипник. Температура отпуска. 160°. Все детали или часть деталей из нержавеющей стали.. | 4.00 | 9.00 | 2.50 |
| 6-1000093 ЮТ | Шариковый радиальный однорядный подшипник. Температура отпуска. 160°. Все детали или часть деталей из нержавеющей стали.. | 3.00 | 8.00 | 3.00 |
Способы доставки
Отправка через ведущие транспортные и курьерские компании: ПЭК, Деловые Линии, СДЭК, Байкал-Сервис, Энергия, КИТ, ЖелДорЭкспедиция.
Самовывоз возможен напрямую со склада в Москве.
Сроки доставки
Срок зависит от региона и выбранной транспортной компании. Все заказы комплектуются и отправляются в кратчайшие сроки со склада в Москве.
Надёжность и сохранность
Вся продукция упаковывается с учётом требований транспортировки. Мы гарантируем, что подшипники и комплектующие прибудут к заказчику в полной сохранности.
Доставка в страны ЕАЭС
Мы работаем с проверенными логистическими партнёрами, что позволяет оперативно доставлять заказы в Беларусь, Казахстан, Армению и другие страны ЕАЭС.
Варианты оплаты:
Минимальная сумма заказа и скидки:
Документы и гарантии:
Да, конечно! Наши технические специалисты готовы помочь вам с подбором точного аналога или замены подшипника. Просто позвоните нам по телефону +7 (495) 104-99-04 или напишите на почту zakaz@podsnab.ru.
Для оперативной консультации подготовьте, пожалуйста, имеющиеся данные: маркировку, размеры, тип оборудования или артикул старого подшипника.
Да, конечно! Мы высоко ценим долгосрочное сотрудничество и доверие клиентов по всей России. Для постоянных клиентов действует персональная система скидок.
Условия формируются индивидуально и зависят от:
Чтобы узнать свои условия и получить максимально выгодное предложение, свяжитесь с персональным менеджером или напишите нам на почту zakaz@podsnab.ru.
Вы можете оформить заказ несколькими способами:
Для оформления заказа от юридического лица свяжитесь с нашим отделом по работе с корпоративными клиентами по телефону +7 (495) 104-99-04 или напишите на email zakaz@podsnab.ru, прикрепив реквизиты вашей организации.
Мы оперативно подготовим коммерческое предложение и выставим счет.
Возврат товара надлежащего качества возможен в течение 10 дней с момента получения, если товар не был в употреблении, сохранен товарный вид, упаковка не вскрывалась и присутствуют все сопроводительные документы.
Возврат денежных средств осуществляется в течение 10 рабочих дней после проверки товара складом.
В соответствии с законодательством возврату не подлежат подшипники надлежащего качества, если отсутствует оригинальная упаковка или имеются следы монтажа.
В случае выявления брака или гарантийного случая мы гарантируем возврат или обмен товара.
Да, гарантийный срок хранения устанавливается заводом-изготовителем и в среднем составляет 2 года при соблюдении условий хранения: сухое помещение, оригинальная упаковка и смазка.
Точный срок для конкретного типа подшипника уточняйте у наших менеджеров.
Пн–Пт: с 8:00 до 17:00 (МСК).
Сб–Вс: выходные дни.
Заказы на сайте принимаются круглосуточно. Заявки, поступившие после окончания рабочего дня, обрабатываются на следующий рабочий день.
Минимальная сумма заказа для доставки составляет 3000 рублей. Самовывоз со склада возможен на любую сумму при наличии товара.
ООО «УралТехГрупп»
ИНН: 7415093830
КПП: 772401001
ОГРН: 1167456069021
Банк: ПАО Сбербанк
Р/с: 40702810838000475273
К/с: 30101810400000000225
БИК: 044525225
У подшипника 618/4 пока нет отзывов. Вы можете стать первым покупателем, поделившимся своим мнением.