Поиск подшипника
Статьи
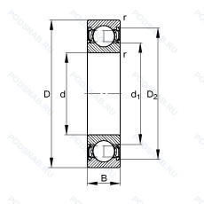
62201-2RSR — Подшипник однорядный шариковый радиальный, модификация основного исполнения 62201, выпускается производителями: FAG, NKE.
Размер подшипника: 12x32x14 мм.
Резиновые уплотнения с каждой стороны подшипника.
Аналоги: 62201.2RSR FAG,62201 2RS INA,62201-A-2RSR FAG,62201-2RS1 SKF,62201-2RS1/QE6 SKF,62201-2RS RHP,62201 2RS AKN,62201LLU/2AS NTN,62201.2RSR NKE,62201-2RS1 AKN,62201 2RS CSB,62201 2RS IBU Fiedler,62201 2RS ZEN.
Международная стандартизации ISO
622012RSR
В наличии
| Обозначение | Конструктивные изменения |
|---|---|
| 62201 2RS C3 | Внутренний зазор больше нормального. Резиновые уплотнения с каждой стороны подшипника. |
| 62201-2RS1/HT22VT193 | Усиленные листовой сталью контактные уплотнения из акрилонитрил-бутадиенового каучука (NBR) с обеих сторон подшипника. Grease Fill For High Temperatures (e.g. -20°C/+130°C). HT Or A Two Figure Number Following HT Identifies The Actual Grease. VT(193)=Lubrication. |
| 62201-2RS/HT22VT193 | Усиленные листовой сталью контактные уплотнения из акрилонитрил-бутадиенового каучука (NBR) с обеих сторон подшипника. Grease Fill For High Temperatures (e.g. -20°C/+130°C). HT Or A Two Figure Number Following HT Identifies The Actual Grease. VT(193)=Lubrication. |
| 62201-2RS1 | Усиленные листовой сталью контактные уплотнения из акрилонитрил-бутадиенового каучука (NBR) с обеих сторон подшипника. |
| 62201 2NSL C3 | Внутренний зазор больше нормального. Контактные уплотнения на каждой стороне подшипника.. |
| 62201DDU C3 | Внутренний зазор больше нормального. Резиновые уплотнения с каждой стороны подшипника. |
| 62201EE | Резиновые уплотнения с каждой стороны подшипника. |
| 62201-2RS1/QE6 | Усиленные листовой сталью контактные уплотнения из акрилонитрил-бутадиенового каучука (NBR) с обеих сторон подшипника. Тихая работа. |
| 62201 2NSL | Контактные уплотнения на каждой стороне подшипника.. |
| 62201LLU C3 | Внутренний зазор больше нормального. Резиновые уплотнения с каждой стороны подшипника. |
| 62201DDU C3E/AV2S | Резиновые уплотнения с каждой стороны подшипника. Lubricant. Shell Oil Co.. Alvania #2 Grease. 1/4 Full. Temperature Range = -10°C / + 110°C (Normal Temperature Grease). Внутренний зазор больше нормы. Класс электродвигателя. |
| 62201-2RS1/C3 | Внутренний зазор больше нормального. Усиленные листовой сталью контактные уплотнения из акрилонитрил-бутадиенового каучука (NBR) с обеих сторон подшипника. |
| 62201-2RSR-C3 | Внутренний зазор больше нормального. Резиновые уплотнения с каждой стороны подшипника. |
| 62201EE J30 | Внутренний зазор больше нормального. Резиновые уплотнения с каждой стороны подшипника. |
| 62201T2X2LLHACS14/L417Q2 | Специальная фаска. Two Light Contact Rubber Seals. Пластиковый сепаратор. Нейлон или тефлон. Grease/ Kyodo Yushi/E5 (-30 to +180°C). Special Radial Clearance in µm. |
| 62201LLU/2AS | Резиновые уплотнения с каждой стороны подшипника. LUBRICANT. SHELL OIL CO.. ALVANIA #2 GREASE. MIL-G-18709A. |
| 62201-2RS1/C3H | Усиленные листовой сталью контактные уплотнения из акрилонитрил-бутадиенового каучука (NBR) с обеих сторон подшипника. Internal Play Upper Half C3 Range. |
| 62201-2RS1/C3WTF7 | Внутренний зазор больше нормального. Усиленные листовой сталью контактные уплотнения из акрилонитрил-бутадиенового каучука (NBR) с обеих сторон подшипника. Grease Fill For Low As Well As High Temperature e.g. -40°C/+160°C. WT Or A Two-Figure Number Following WT Identifies The Actual Grease. An Additional Letter Or Letter/ Figure Combination As Mentioned Under “HT” Identifies Filling Degrees Other Than Standard. |
| 62201DDU8 C3E | Внутренний зазор больше нормы. Класс электродвигателя. Double Acrylate Seals. |
| 62201-A-2RSR-C3 | Внутренний зазор больше нормального. Модификация внутренней конструкции. Резиновые уплотнения с каждой стороны подшипника. |
| 62201LLU | Резиновые уплотнения с каждой стороны подшипника. |
| 62201-A-2RSR | Модификация внутренней конструкции. Резиновые уплотнения с каждой стороны подшипника. |
| 62201-2RS1/C3WT | Внутренний зазор больше нормального. Усиленные листовой сталью контактные уплотнения из акрилонитрил-бутадиенового каучука (NBR) с обеих сторон подшипника. Grease Fill For Low As Well As High Temperature e.g. -40°C/+160°C. WT Or A Two-Figure Number Following WT Identifies The Actual Grease. An Additional Letter Or Letter/ Figure Combination As Mentioned Under “HT” Identifies Filling Degrees Other Than Standard. |
| 62201DDU | Резиновые уплотнения с каждой стороны подшипника. |
| 62201 2RS TN | Резиновые уплотнения с каждой стороны подшипника. литой под давлением сепаратор из полиамида 6.6. центрированный роликовый элемент. |
Модификации шарикового подшипника 62201-2RSR — это измененное основное конструктивное исполнение 62201, основные размеры (12x32x14) не отличаются.
| Обозначение | Гост | Конструктивные особенности |
|---|---|---|
| 4201 ATN | ISO | Подшипник однорядный шариковый радиальный. |
| 545651TVH.H42C.H97 | ISO | Cепаратор из полиамида. армированного стекловолокном. Bearings With Special Requirements For Stihl Company. Подшипник с герметичным уплотнением. |
| 88011 2RS AV2 | ISO | Резиновые уплотнения с каждой стороны подшипника. Lubricant. Shell Oil Co.. Alvania #2 Grease. 1/4 Full. Temperature Range = -10°C / + 110°C (Normal Temperature Grease). |
Аналог шарикового подшипника 62201-2RSR — это подшипник такого же размера dx12,Dx32,Bx14, типа и конструкции.
| Обозначение | Конструктивные особенности | Внутренний (d) | Наружный (D) | Ширина (B) |
|---|---|---|---|---|
| 75-180501 Е1Т2С4 | Шариковый радиальный однорядный подшипник. Сепаратор из текстолита.. 200°. Температура отпуска. Смазка ЦИАТИМ-221С. | 12.00 | 32.00 | 14.00 |
| 75-180501 Е2Т2С15 | Шариковый радиальный однорядный подшипник. 200°. Температура отпуска. Сепаратор из пластических материалов.. Смазка ВНИИНП-207. | 12.00 | 32.00 | 14.00 |
| 75-180501 Е2Т2С2 | Шариковый радиальный однорядный подшипник. 200°. Смазка ЦИАТИМ-221. Температура отпуска. Сепаратор из пластических материалов.. | 12.00 | 32.00 | 14.00 |
| 75-180501 Е3С1 | Шариковый радиальный однорядный подшипник. Сепаратор из пластических материалов.. Смазка ОКБ 122-7. | 12.00 | 32.00 | 14.00 |
| NA2201XLL | Роликовый игольчатый подшипник однорядный. Два уплотнения. | 12.00 | 32.00 | 14.00 |
| 180501-АС5 | Шариковый радиальный однорядный подшипник. Повышенная грузоподъемность. Смазка ЦИАТИМ-202. | 12.00 | 32.00 | 14.00 |
| 180501-АС9 | Шариковый радиальный однорядный подшипник. Повышенная грузоподъемность. Смазка ЛЗ-31. | 12.00 | 32.00 | 14.00 |
| 180501-К4С5 | Шариковый радиальный однорядный подшипник. Смазка ЦИАТИМ-202. | 12.00 | 32.00 | 14.00 |
| 180501-К4С9 | Шариковый радиальный однорядный подшипник. «Замок» (скос) на внутреннем кольце плюс массивный сепаратор из текстолита. Смазка ЛЗ-31. | 12.00 | 32.00 | 14.00 |
| 180501-С1 | Шариковый радиальный однорядный подшипник. Смазка ОКБ 122-7. | 12.00 | 32.00 | 14.00 |
| 25-180501 Е1С2 | Шариковый радиальный однорядный подшипник. Сепаратор из текстолита.. Смазка ЦИАТИМ-221. | 12.00 | 32.00 | 14.00 |
| 2201 TN9 | Шариковый сферический двухрядный подшипник. Литой защелкивающийся сепаратор из полиамида. армированного стекловолокном 6.6. | 12.00 | 32.00 | 14.00 |
| 5-160501 ЕТ2 | Шариковый радиальный однорядный подшипник. Сепаратор из текстолита.. 200°. Температура отпуска. | 12.00 | 32.00 | 14.00 |
| 6-180501 АС9Ш1 | Шариковый радиальный однорядный подшипник. Повышенная грузоподъемность. Нормы шумности. Смазка ЛЗ-31. | 12.00 | 32.00 | 14.00 |
| 6-180501 К4С9Ш1 | Шариковый радиальный однорядный подшипник. Нормы шумности. Смазка ЛЗ-31. | 12.00 | 32.00 | 14.00 |
Способы доставки
Отправка через ведущие транспортные и курьерские компании: ПЭК, Деловые Линии, СДЭК, Байкал-Сервис, Энергия, КИТ, ЖелДорЭкспедиция.
Самовывоз возможен напрямую со склада в Москве.
Сроки доставки
Срок зависит от региона и выбранной транспортной компании. Все заказы комплектуются и отправляются в кратчайшие сроки со склада в Москве.
Надёжность и сохранность
Вся продукция упаковывается с учётом требований транспортировки. Мы гарантируем, что подшипники и комплектующие прибудут к заказчику в полной сохранности.
Доставка в страны ЕАЭС
Мы работаем с проверенными логистическими партнёрами, что позволяет оперативно доставлять заказы в Беларусь, Казахстан, Армению и другие страны ЕАЭС.
Варианты оплаты:
Минимальная сумма заказа и скидки:
Документы и гарантии:
Да, конечно! Наши технические специалисты готовы помочь вам с подбором точного аналога или замены подшипника. Просто позвоните нам по телефону +7 (495) 104-99-04 или напишите на почту zakaz@podsnab.ru.
Для оперативной консультации подготовьте, пожалуйста, имеющиеся данные: маркировку, размеры, тип оборудования или артикул старого подшипника.
Да, конечно! Мы высоко ценим долгосрочное сотрудничество и доверие клиентов по всей России. Для постоянных клиентов действует персональная система скидок.
Условия формируются индивидуально и зависят от:
Чтобы узнать свои условия и получить максимально выгодное предложение, свяжитесь с персональным менеджером или напишите нам на почту zakaz@podsnab.ru.
Вы можете оформить заказ несколькими способами:
Для оформления заказа от юридического лица свяжитесь с нашим отделом по работе с корпоративными клиентами по телефону +7 (495) 104-99-04 или напишите на email zakaz@podsnab.ru, прикрепив реквизиты вашей организации.
Мы оперативно подготовим коммерческое предложение и выставим счет.
Возврат товара надлежащего качества возможен в течение 10 дней с момента получения, если товар не был в употреблении, сохранен товарный вид, упаковка не вскрывалась и присутствуют все сопроводительные документы.
Возврат денежных средств осуществляется в течение 10 рабочих дней после проверки товара складом.
В соответствии с законодательством возврату не подлежат подшипники надлежащего качества, если отсутствует оригинальная упаковка или имеются следы монтажа.
В случае выявления брака или гарантийного случая мы гарантируем возврат или обмен товара.
Да, гарантийный срок хранения устанавливается заводом-изготовителем и в среднем составляет 2 года при соблюдении условий хранения: сухое помещение, оригинальная упаковка и смазка.
Точный срок для конкретного типа подшипника уточняйте у наших менеджеров.
Пн–Пт: с 8:00 до 17:00 (МСК).
Сб–Вс: выходные дни.
Заказы на сайте принимаются круглосуточно. Заявки, поступившие после окончания рабочего дня, обрабатываются на следующий рабочий день.
Минимальная сумма заказа для доставки составляет 3000 рублей. Самовывоз со склада возможен на любую сумму при наличии товара.
ООО «УралТехГрупп»
ИНН: 7415093830
КПП: 772401001
ОГРН: 1167456069021
Банк: ПАО Сбербанк
Р/с: 40702810838000475273
К/с: 30101810400000000225
БИК: 044525225
У подшипника 62201-2RSR пока нет отзывов. Вы можете стать первым покупателем, поделившимся своим мнением.