Поиск подшипника
Статьи
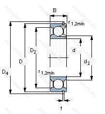
307NR — Подшипник однорядный шариковый радиальный, модификация основного исполнения 307, производство SKF.
Размер подшипника: 35x80x21 мм.
Канавка под стопорное кольцо на наружном кольце с соответствующим стопорным кольцом.
Альтернативное обозначение: BL307NR.
Международная стандартизации ISO
307NR
В наличии
| Обозначение | Конструктивные изменения |
|---|---|
| 307MG-0001 | Формованный сепаратор из полиамида. укрепленного стекловолокном. Внутренний суффикс-код MRC. |
| 307MFG | Максимальная производительность. Канавка для ввода тел качения. Однорядный радиальный шарикоподшипник с защитной шайбой с одной стороны. Канавка под стопорное кольцо на наружном кольце с соответствующим стопорным кольцом. |
| 307SFF | Single Row Radial Conrad-Type Bearings. Металлическое уплотнение с двух сторон. |
| 307K | Conrad (Non-Filling Slot) Type. |
| 307KDGZ6 | Металлическая защитная шайба с одной стороны. Conrad (Non-Filling Slot) Type. Wireloc (стопорное кольцо). |
| 2MM307WICRQUL | 15° Low Угол контакта. Superprecision Abec-7 (Iso P4).. (TB-Segment) Phenolic (Composition) Fafnir Standard. Низкий буртик на наружном кольце. Набор из 4 универсальных подшипников. Легкий преднатяг. |
| 307-2RS1 | Усиленные листовой сталью контактные уплотнения из акрилонитрил-бутадиенового каучука (NBR) с обеих сторон подшипника. |
| 2MM307WIQUL | 15° Low Угол контакта. Superprecision Abec-7 (Iso P4).. Низкий буртик на наружном кольце. Набор из 4 универсальных подшипников. Легкий преднатяг. |
| 307KDD | Защитные металлические шайбы по обе стороны подшипника с цилиндрическим наружным диаметром. |
| 307KG | Серия с закрепительной втулкой и смазочным отверстием. |
| 307S44 | MRC Code #44 Radial Clearance. |
| 307W | Подшипник без смазочных отверстий в наружном кольце. |
| 307SFFCG | Канавка под стопорное кольцо на наружном кольце с соответствующим стопорным кольцом. Подшипник с шириной картриджа, с двумя защитными шайбами. |
| 307HDL | Дуплекс. Сепаратор из фенольной смолы с текстильным ламинированием. Внешнее кольцо центрировано. Небольшая предварительная нагрузка. |
| 307PP | Манжетные уплотнения с обеих сторон подшипника. |
| 307RDS | Расточенное наружное кольцо. Подшипник однорядный радиального типа. Угол контакта 15°. These “Universal” Bearings Are A Special Version Of The Precision Bearings And Are Intended For Paired Mounting. They Are Adjusted During Manufacture So That They May Be Mounted Immediately Adjacent To Each Other In A Back-To-Back. Face-To-Face Or Tandem Arrangement As Desired. When Arranged Back-To-Back Or Face-To-Face. The Bearings Will Have A Light Preload. |
| N 307 ECM | Однорядный цилиндрический роликовый подшипник. |
| NU 307 ECML | Однорядный цилиндрический роликовый подшипник. |
| NUP 307 ECML | Однорядный цилиндрический роликовый подшипник. |
| NJ 307 EW | Однорядный. |
| NJ 307 ECML | Однорядный цилиндрический роликовый подшипник. |
| BSA 307 CG | Резьбовой винт со стопором и защелкой. |
| BSA 307 CG-2RZ | Шарикоподшипник. С уплотнением и низким коэффициентом трения с обеих сторон. Уплотнение состоит из шайбы из листовой стали с вулканизированной резиной. Резьбовой винт со стопором и защелкой. |
| NU 307 ECPH | Однорядный цилиндрический роликовый подшипник. |
| NJ 307 ECPH | Однорядный цилиндрический роликовый подшипник. |
Модификации шарикового подшипника 307NR — это измененное основное конструктивное исполнение 307, основные размеры (35x80x21) не отличаются.
| Обозначение | Гост | Конструктивные особенности |
|---|---|---|
| BL307NR | ISO | Канавка под стопорное кольцо на наружном кольце с соответствующим стопорным кольцом. |
| 6307-2Z-L069-C3 | ISO | Внутренний зазор больше нормального. Зазорные уплотнения с обеих сторон.. Insert Bearing Grease For Wide Temperature Range - Polycarbamide Ester Oil - –40°C to +180°C. |
| 6307-2Z/HT1-SWC | ISO | Защитные металлические шайбы с обеих сторон. Heat-Stabilized Up To 270°C. |
| 6307-C-2ELS-C3 | ISO | Модифицированная внутренняя конструкция. Внутренний зазор больше нормального. Contact Seal On Both Sides. |
| 6307-2RS1/HT51 | ISO | Усиленные листовой сталью контактные уплотнения из акрилонитрил-бутадиенового каучука (NBR) с обеих сторон подшипника. Polyuera Grease. High-Temp. 110cSt @ 40°C. -30°C/+140°C. |
| HTF35BW10 E-3CG3-01 AS3S | ISO | Повышенная грузоподъемность. Design. |
| 6307VV C3 P5/NS7S | ISO | Стандартное заполнение. Внутренний зазор больше нормального. Размерная и рабочая точность соответствует классу допуска ISO 5. Защитные металлические шайбы. с обеих сторон подшипника. Бесконтактное уплотнение. (лучше. чем ZZ. Можно использовать в умеренно запыленной среде). -40/+130°C. Piek +150°C. |
| 6307 2NSL | ISO | Контактные уплотнения на каждой стороне подшипника.. |
| 6307-2RS2-C3 | ISO | Внутренний зазор больше нормального. Два контактных уплотнения из фторкаучука (FPM) с усилением из листовой стали (высокотемпературные). |
| 6307NRJEM | ISO | Канавка под стопорное кольцо на наружном кольце с соответствующим стопорным кольцом. Сепаратор из штампованной стали. Элемент качения отцентрирован. Тихий ход. Зазор C3 (не обозначается на подшипнике). |
| 6307JEM | ISO | Сепаратор из штампованной стали. Элемент качения отцентрирован. Тихий ход. Зазор C3 (не обозначается на подшипнике). |
| 6307.2ZR.C3.L38 | ISO | Внутренний зазор больше нормального. Защитные металлические шайбы с обеих сторон. Arcanol Grease Medium Temperature -25°C/+130°C. |
| BL307Z | ISO | щит из листовой прессованной стали с одной стороны подшипника. |
| 6307LLBNA/2A | ISO | Не взаимозаменяемые детали. Lubricant. Shell Oil Co.. Alvania #2 Grease. Mil-G-18709A. Уплотнение бесконтактного типа из синтетического каучука. |
| 6307LLBNA/5K | ISO | Не взаимозаменяемые детали. Уплотнение бесконтактного типа из синтетического каучука. Grease/ Kyodo Yushi / Multemp SRL (-40°C to +150°C). |
| 6307TB EP7 | ISO | Textite (Fabric-Reinforced Phenolic Resin) Cage Guided On The Inner Ring. Сверхточный класс 7. |
| 6307-C-2Z-L069-C3 | ISO | Модифицированная внутренняя конструкция. Внутренний зазор больше нормального. Зазорные уплотнения с обеих сторон.. Insert Bearing Grease For Wide Temperature Range - Polycarbamide Ester Oil - –40°C to +180°C. |
| 6307DDU C3ED/EEMS | ISO | Резиновые уплотнения с каждой стороны подшипника. |
| 6307DUC3E | ISO | Внутренний зазор больше нормального. Шарикоподшипник. Однорядный электродвигатель. Уровень шума. Резиновое уплотнение с одной стороны. |
| 6307.EEC3 | ISO | Резиновые уплотнения с каждой стороны подшипника. |
| /SI/6307ZZC3E EA5S | ISO | Стандартное заполнение. Внутренний зазор больше нормального. Шарикоподшипник. Однорядный электродвигатель. Уровень шума. Защитные металлические шайбы с обеих сторон. Working Temperature Range/ -40°C / +160°C. |
Аналог шарикового подшипника 307NR — это подшипник такого же размера dx35,Dx80,Bx21, типа и конструкции.
| Обозначение | Конструктивные особенности | Внутренний (d) | Наружный (D) | Ширина (B) |
|---|---|---|---|---|
| 46307-Б | Шариковый радиально-упорный однорядный подшипник. Сепаратор из безоловянистой бронзы.. | 35.00 | 80.00 | 21.00 |
| 46307-Е | Шариковый радиально-упорный однорядный подшипник. Сепаратор из текстолита.. | 35.00 | 80.00 | 21.00 |
| 46307-Л | Шариковый радиально-упорный однорядный подшипник. Сепаратор из латуни.. | 35.00 | 80.00 | 21.00 |
| 46307К | Шариковый радиально-упорный однорядный подшипник. «Замок» (скос) на внутреннем кольце плюс массивный сепаратор из текстолита. | 35.00 | 80.00 | 21.00 |
| 5-46307 АЛ | Шариковый радиально-упорный однорядный подшипник. Сепаратор из латуни.. Повышенная грузоподъемность. | 35.00 | 80.00 | 21.00 |
| 5-46307 АЛШ2 | Шариковый радиально-упорный однорядный подшипник. Сепаратор из латуни.. Нормы шумности. Повышенная грузоподъемность. | 35.00 | 80.00 | 21.00 |
| 5-46307 ЕШ2 | Шариковый радиально-упорный однорядный подшипник. Сепаратор из текстолита.. Нормы шумности. | 35.00 | 80.00 | 21.00 |
| 5-46307 Л | Шариковый радиально-упорный однорядный подшипник. Сепаратор из латуни.. | 35.00 | 80.00 | 21.00 |
| 50307-А | Шариковый радиальный однорядный подшипник. Повышенная грузоподъемность. | 35.00 | 80.00 | 21.00 |
| 50307-А1 | Шариковый радиальный однорядный подшипник. Повышенная грузоподъемность. | 35.00 | 80.00 | 21.00 |
| 50307-АК | Шариковый радиальный однорядный подшипник. Повышенная грузоподъемность. | 35.00 | 80.00 | 21.00 |
| 50307-АКШ | Шариковый радиальный однорядный подшипник. Повышенная грузоподъемность. Нормы шумности. | 35.00 | 80.00 | 21.00 |
| 6-176307 Л | Шариковый радиально-упорный однорядный подшипник. Сепаратор из латуни.. | 35.00 | 80.00 | 21.00 |
| 6-180307 АКС9 | Шариковый радиальный однорядный подшипник. Повышенная грузоподъемность. Смазка ЛЗ-31. | 35.00 | 80.00 | 21.00 |
| 6-180307 Ш | Шариковый радиальный однорядный подшипник. Нормы шумности. | 35.00 | 80.00 | 21.00 |
Способы доставки
Отправка через ведущие транспортные и курьерские компании: ПЭК, Деловые Линии, СДЭК, Байкал-Сервис, Энергия, КИТ, ЖелДорЭкспедиция.
Самовывоз возможен напрямую со склада в Москве.
Сроки доставки
Срок зависит от региона и выбранной транспортной компании. Все заказы комплектуются и отправляются в кратчайшие сроки со склада в Москве.
Надёжность и сохранность
Вся продукция упаковывается с учётом требований транспортировки. Мы гарантируем, что подшипники и комплектующие прибудут к заказчику в полной сохранности.
Доставка в страны ЕАЭС
Мы работаем с проверенными логистическими партнёрами, что позволяет оперативно доставлять заказы в Беларусь, Казахстан, Армению и другие страны ЕАЭС.
Варианты оплаты:
Минимальная сумма заказа и скидки:
Документы и гарантии:
Да, конечно! Наши технические специалисты готовы помочь вам с подбором точного аналога или замены подшипника. Просто позвоните нам по телефону +7 (495) 104-99-04 или напишите на почту zakaz@podsnab.ru.
Для оперативной консультации подготовьте, пожалуйста, имеющиеся данные: маркировку, размеры, тип оборудования или артикул старого подшипника.
Да, конечно! Мы высоко ценим долгосрочное сотрудничество и доверие клиентов по всей России. Для постоянных клиентов действует персональная система скидок.
Условия формируются индивидуально и зависят от:
Чтобы узнать свои условия и получить максимально выгодное предложение, свяжитесь с персональным менеджером или напишите нам на почту zakaz@podsnab.ru.
Вы можете оформить заказ несколькими способами:
Для оформления заказа от юридического лица свяжитесь с нашим отделом по работе с корпоративными клиентами по телефону +7 (495) 104-99-04 или напишите на email zakaz@podsnab.ru, прикрепив реквизиты вашей организации.
Мы оперативно подготовим коммерческое предложение и выставим счет.
Возврат товара надлежащего качества возможен в течение 10 дней с момента получения, если товар не был в употреблении, сохранен товарный вид, упаковка не вскрывалась и присутствуют все сопроводительные документы.
Возврат денежных средств осуществляется в течение 10 рабочих дней после проверки товара складом.
В соответствии с законодательством возврату не подлежат подшипники надлежащего качества, если отсутствует оригинальная упаковка или имеются следы монтажа.
В случае выявления брака или гарантийного случая мы гарантируем возврат или обмен товара.
Да, гарантийный срок хранения устанавливается заводом-изготовителем и в среднем составляет 2 года при соблюдении условий хранения: сухое помещение, оригинальная упаковка и смазка.
Точный срок для конкретного типа подшипника уточняйте у наших менеджеров.
Пн–Пт: с 8:00 до 17:00 (МСК).
Сб–Вс: выходные дни.
Заказы на сайте принимаются круглосуточно. Заявки, поступившие после окончания рабочего дня, обрабатываются на следующий рабочий день.
Минимальная сумма заказа для доставки составляет 3000 рублей. Самовывоз со склада возможен на любую сумму при наличии товара.
ООО «УралТехГрупп»
ИНН: 7415093830
КПП: 772401001
ОГРН: 1167456069021
Банк: ПАО Сбербанк
Р/с: 40702810838000475273
К/с: 30101810400000000225
БИК: 044525225
У подшипника 307NR пока нет отзывов. Вы можете стать первым покупателем, поделившимся своим мнением.