Поиск подшипника
Статьи
61912.C3 — Подшипник однорядный шариковый радиальный, модификация основного исполнения 61912, выпускается производителями: FAG, NKE.
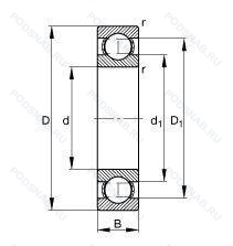
Размер подшипника: 60x85x13 мм.
Внутренний зазор больше нормального.
Аналоги: 61912-C3 FAG.
Международная стандартизации ISO
61912C3
В наличии
| Обозначение | Конструктивные изменения |
|---|---|
| 61912-2Z | Защитные металлические шайбы с обеих сторон подшипника. |
| 61912-2RS1/W64 | Усиленные листовой сталью контактные уплотнения из акрилонитрил-бутадиенового каучука (NBR) с обеих сторон подшипника. Антифрикционный заполнитель. твердая смазка. |
| 61912-2RSR | Резиновые уплотнения с каждой стороны подшипника. |
| 61912 2RS | Контактные уплотнения типа RS с обеих сторон игольчатого роликоподшипника. |
| 61912 | Подшипник однорядный шариковый радиальный. Основное конструктивное исполнение. |
| 61912TNH | Пластиковый сепаратор, защелкиваюшийся тип.. |
| 61912-2RS1 | Усиленные листовой сталью контактные уплотнения из акрилонитрил-бутадиенового каучука (NBR) с обеих сторон подшипника. |
| 61912ZZ | Защитные металлические шайбы с обеих сторон. |
| 61912EE | Резиновые уплотнения с каждой стороны подшипника. |
| 61912TNH C3 | Внутренний зазор больше нормального. Подшипник с защелкиваемым сепаратором из пластмассы. |
| 61912 2BRS | Бесконтактные лабиринтные уплотнения с обеих сторон. |
| 61912 2URS | Специальное манжетное уплотнение с обеих сторон подшипника. |
| 61912 BRS | Бесконтактные лабиринтные уплотнения с одной стороны. |
| 61912 URS | Подшипник однорядный шариковый радиальный. |
| 61912 Z | щит из листовой прессованной стали с одной стороны подшипника. |
| 61912 RS | Резиновое уплотнение с одной стороны. |
| 61912-2RZ | Шарикоподшипник. С уплотнением и низким коэффициентом трения с обеих сторон. Уплотнение состоит из шайбы из листовой стали с вулканизированной резиной. |
Модификации шарикового подшипника 61912.C3 — это измененное основное конструктивное исполнение 61912, основные размеры (60x85x13) не отличаются.
| Обозначение | Гост | Конструктивные особенности |
|---|---|---|
| 6912ZZ | ISO | Металлическая защитная шайба с двух сторон. |
| 6912 2RS | ISO | Резиновые уплотнения с каждой стороны подшипника. |
| 6912ZZ CM AV2S | ISO | Два боковых защитных уплотнения. Lubricant. Shell Oil Co.. Alvania #2 Grease. 1/4 Full. Temperature Range = -10°C / + 110°C (Normal Temperature Grease). Шариковый подшипник. Специальный радиальный внутренний зазор для электродвигателей. |
| 1912S | ISO | Single Row Radial Conrad-Type Bearings. |
| 6912LLU/5K | ISO | Резиновые уплотнения с каждой стороны подшипника. Grease/ Kyodo Yushi / Multemp SRL (-40°C to +150°C). |
| 6912 2RS GA2 | ISO | Резиновые уплотнения с каждой стороны подшипника. Смазка. Shell Oil Co. Alvania #2 Grease. |
| 6912LLB/5C | ISO | Уплотнение бесконтактного типа из синтетического каучука. Chevron SRI-2 Grease. High Temperature -29°C to 177°C. |
| 6912LLU/2A | ISO | Резиновые уплотнения с каждой стороны подшипника. Lubricant. Shell Oil Co.. Alvania #2 Grease. Mil-G-18709A. |
| 6912 2RS Y | ISO | Резиновые уплотнения с каждой стороны подшипника. Штампованный латунный фиксатор. Направляемые элементы качения. |
| 6912ZZ Y | ISO | Защитные металлические шайбы с обеих сторон. Штампованный латунный фиксатор. Направляемые элементы качения. |
| 6912ZZ C3 | ISO | Внутренний зазор больше нормального. Защитные стальные шайбы с обеих сторон. |
| 6912DDU | ISO | Резиновые уплотнения с каждой стороны подшипника. |
| 6912VV C3 | ISO | Внутренний зазор больше нормального. Защитные металлические шайбы с двух сторон подшипника (лучше. чем ZZ (пригодно для использования в условиях умеренной запыленности)) Бесконтактного уплотнения. |
| 6912 2RU | ISO | Non Contact Type Friction Torque = Small High Speed Performance = Good Grease Sealing = Better Than ZZ-Type Dirt Resistance = Better Than ZZ-Type Water Resistance = Better Than ZZ / Inferior To 2RS Operating Temp. -30°C To + 100°C. |
| 6912ZZ/2A | ISO | Защитные металлические шайбы с обеих сторон. Lubricant. Shell Oil Co.. Alvania #2 Grease. Mil-G-18709A. |
| 6912 2RUA2A | ISO | Non Contact Type Friction Torque = Small High Speed Performance = Good Grease Sealing = Better Than ZZ-Type Dirt Resistance = Better Than ZZ-Type Water Resistance = Better Than ZZ / Inferior To 2RS Operating Temp. -30°C To + 100°C. |
| 6912ZZ NR | ISO | Защитные металлические шайбы с обеих сторон. Канавка под стопорное кольцо на наружном кольце с соответствующим стопорным кольцом. |
| 6912VV | ISO | Защитные металлические шайбы. с обеих сторон подшипника. Бесконтактное уплотнение. (лучше. чем ZZ. Можно использовать в умеренно запыленной среде). |
| 6912LLU | ISO | Резиновые уплотнения с каждой стороны подшипника. |
| 6912VV CM | ISO | Шариковый подшипник. Специальный радиальный внутренний зазор для электродвигателей. Защитные металлические шайбы с двух сторон подшипника (лучше. чем ZZ (пригодно для использования в условиях умеренной запыленности)) Бесконтактного уплотнения. |
Аналог шарикового подшипника 61912.C3 — это подшипник такого же размера dx60,Dx85,Bx13, типа и конструкции.
| Обозначение | Конструктивные особенности | Внутренний (d) | Наружный (D) | Ширина (B) |
|---|---|---|---|---|
| 1000912-АЛ | Шариковый радиальный однорядный подшипник. Сепаратор из латуни.. Повышенная грузоподъемность. | 60.00 | 85.00 | 13.00 |
| 1000912-Е | Шариковый радиальный однорядный подшипник. Сепаратор из текстолита.. | 60.00 | 85.00 | 13.00 |
| 1000912-Л | Шариковый радиальный однорядный подшипник. Сепаратор из латуни.. | 60.00 | 85.00 | 13.00 |
| 25-1000912 Б1Т2 | Шариковый радиальный однорядный подшипник. 200°. Температура отпуска. Сепаратор из безоловянистой бронзы.. | 60.00 | 85.00 | 13.00 |
| 26-1000912 Б1Т2 | Шариковый радиальный однорядный подшипник. 200°. Температура отпуска. Сепаратор из безоловянистой бронзы.. | 60.00 | 85.00 | 13.00 |
| 35-1000912 Б1Т2 | Шариковый радиальный однорядный подшипник. 200°. Температура отпуска. Сепаратор из безоловянистой бронзы.. | 60.00 | 85.00 | 13.00 |
| 36-1000912 Б1Т2 | Шариковый радиальный однорядный подшипник. 200°. Температура отпуска. Сепаратор из безоловянистой бронзы.. | 60.00 | 85.00 | 13.00 |
| 4-1000912 ЮТ | Шариковый радиальный однорядный подшипник. Температура отпуска. 160°. Все детали или часть деталей из нержавеющей стали.. | 60.00 | 85.00 | 13.00 |
| 5-1000912 Л | Шариковый радиальный однорядный подшипник. Сепаратор из латуни.. | 60.00 | 85.00 | 13.00 |
| 5-1002912 Б1 | Роликовый радиальный однорядный подшипник. Сепаратор из безоловянистой бронзы.. | 60.00 | 85.00 | 13.00 |
| 5-1502912 Р | Роликовый радиальный однорядный подшипник. Детали из теплоустойчивой (быстрорежущие) стали.. | 60.00 | 85.00 | 13.00 |
| 55-1002912 Б1 | Роликовый радиальный однорядный подшипник. Сепаратор из безоловянистой бронзы.. | 60.00 | 85.00 | 13.00 |
| 6-1000912 Е | Шариковый радиальный однорядный подшипник. Сепаратор из текстолита.. | 60.00 | 85.00 | 13.00 |
| 6-1000912 Л | Шариковый радиальный однорядный подшипник. Сепаратор из латуни.. | 60.00 | 85.00 | 13.00 |
| 6-1280912 КС1 | Шариковый радиальный однорядный подшипник. Смазка ОКБ 122-7. | 60.00 | 85.00 | 13.00 |
Способы доставки
Отправка через ведущие транспортные и курьерские компании: ПЭК, Деловые Линии, СДЭК, Байкал-Сервис, Энергия, КИТ, ЖелДорЭкспедиция.
Самовывоз возможен напрямую со склада в Москве.
Сроки доставки
Срок зависит от региона и выбранной транспортной компании. Все заказы комплектуются и отправляются в кратчайшие сроки со склада в Москве.
Надёжность и сохранность
Вся продукция упаковывается с учётом требований транспортировки. Мы гарантируем, что подшипники и комплектующие прибудут к заказчику в полной сохранности.
Доставка в страны ЕАЭС
Мы работаем с проверенными логистическими партнёрами, что позволяет оперативно доставлять заказы в Беларусь, Казахстан, Армению и другие страны ЕАЭС.
Варианты оплаты:
Минимальная сумма заказа и скидки:
Документы и гарантии:
Да, конечно! Наши технические специалисты готовы помочь вам с подбором точного аналога или замены подшипника. Просто позвоните нам по телефону +7 (495) 104-99-04 или напишите на почту zakaz@podsnab.ru.
Для оперативной консультации подготовьте, пожалуйста, имеющиеся данные: маркировку, размеры, тип оборудования или артикул старого подшипника.
Да, конечно! Мы высоко ценим долгосрочное сотрудничество и доверие клиентов по всей России. Для постоянных клиентов действует персональная система скидок.
Условия формируются индивидуально и зависят от:
Чтобы узнать свои условия и получить максимально выгодное предложение, свяжитесь с персональным менеджером или напишите нам на почту zakaz@podsnab.ru.
Вы можете оформить заказ несколькими способами:
Для оформления заказа от юридического лица свяжитесь с нашим отделом по работе с корпоративными клиентами по телефону +7 (495) 104-99-04 или напишите на email zakaz@podsnab.ru, прикрепив реквизиты вашей организации.
Мы оперативно подготовим коммерческое предложение и выставим счет.
Возврат товара надлежащего качества возможен в течение 10 дней с момента получения, если товар не был в употреблении, сохранен товарный вид, упаковка не вскрывалась и присутствуют все сопроводительные документы.
Возврат денежных средств осуществляется в течение 10 рабочих дней после проверки товара складом.
В соответствии с законодательством возврату не подлежат подшипники надлежащего качества, если отсутствует оригинальная упаковка или имеются следы монтажа.
В случае выявления брака или гарантийного случая мы гарантируем возврат или обмен товара.
Да, гарантийный срок хранения устанавливается заводом-изготовителем и в среднем составляет 2 года при соблюдении условий хранения: сухое помещение, оригинальная упаковка и смазка.
Точный срок для конкретного типа подшипника уточняйте у наших менеджеров.
Пн–Пт: с 8:00 до 17:00 (МСК).
Сб–Вс: выходные дни.
Заказы на сайте принимаются круглосуточно. Заявки, поступившие после окончания рабочего дня, обрабатываются на следующий рабочий день.
Минимальная сумма заказа для доставки составляет 3000 рублей. Самовывоз со склада возможен на любую сумму при наличии товара.
ООО «УралТехГрупп»
ИНН: 7415093830
КПП: 772401001
ОГРН: 1167456069021
Банк: ПАО Сбербанк
Р/с: 40702810838000475273
К/с: 30101810400000000225
БИК: 044525225
У подшипника 61912.C3 пока нет отзывов. Вы можете стать первым покупателем, поделившимся своим мнением.