Поиск подшипника
Статьи
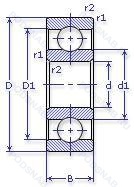
6240M — Подшипник однорядный шариковый радиальный, модификация основного исполнения 6240, выпускается производителями: FAG, FLT, ISB, NEUTRAL, NKE, ROLLWAY, SKF, SNR, WINKEL.
Размер подшипника: 200x360x58 мм.
Массивный латунный сепаратор.
Аналоги: 6240-M FAG.
Международная стандартизации ISO
6240M
В наличии
| Обозначение | Конструктивные изменения |
|---|---|
| 6240 | Подшипник однорядный шариковый радиальный. Основное конструктивное исполнение. |
| 6240M C3 | Внутренний зазор больше нормального. Подшипник с латунным сепаратором. центрированный по телам качения. |
| 6240ZZ | Защитные металлические шайбы (бесконтактные уплотнения) с обеих сторон подшипника. |
| 6240-M-C5 | Твердый латунный сепаратор. Шариковые направляющие. Внутренний зазор подшипника больше. чем С4. |
| 6240MBS C3 | Внутренний зазор больше нормального. Механически обработанный латунный сепаратор. Направляющие внутреннего кольца. Со смазочными канавками на направляющих поверхностях. |
| 6240MBS | Механически обработанный латунный сепаратор. Направляющие внутреннего кольца. Со смазочными канавками на направляющих поверхностях. |
| 6240M.C4 | Внутренний зазор подшипника больше. чем C3. Твердый латунный сепаратор. Шариковые направляющие. |
| 6240-1ZX | Подшипник однорядный шариковый радиальный. |
| 6240-1ZZX | Подшипник однорядный шариковый радиальный. |
| 6240Z | Стальная шайба. |
Модификации шарикового подшипника 6240M — это измененное основное конструктивное исполнение 6240, основные размеры (200x360x58) не отличаются.
| Обозначение | Конструктивные особенности | Внутренний (d) | Наружный (D) | Ширина (B) |
|---|---|---|---|---|
| TM-QJ240AWC3S30 | Шариковый радиально-упорный однорядный подшипник. Угол контакта 15°. | 200.00 | 360.00 | 58.00 |
| QJ 240 N2 | Шариковый радиально-упорный однорядный подшипник. Два установочных паза (выемки), расположенных под углом 180° друг от друга в одной боковой поверхности наружного кольца или шайбе корпуса.. | 200.00 | 360.00 | 58.00 |
| 7240C | Шариковый радиально-упорный однорядный подшипник. Угол контакта 15 градусов. | 200.00 | 360.00 | 58.00 |
| 7240B | Шариковый радиально-упорный однорядный подшипник. Угол контакта 40°. | 200.00 | 360.00 | 58.00 |
| QJ 240 N2 M | Шариковый радиально-упорный однорядный подшипник. Подшипник с латунным сепаратором. центрированный по телам качения. Два установочных паза (выемки), расположенных под углом 180° друг от друга в одной боковой поверхности наружного кольца или шайбе корпуса.. | 200.00 | 360.00 | 58.00 |
| 7240CPA | Шариковый радиально-упорный однорядный подшипник. Угол контакта 15 градусов. | 200.00 | 360.00 | 58.00 |
| 36240К | Шариковый радиально-упорный однорядный подшипник. «Замок» (скос) на внутреннем кольце плюс массивный сепаратор из текстолита. | 200.00 | 360.00 | 58.00 |
| 240W | Шариковый радиальный однорядный подшипник. Максимальная грузоподъемность. | 200.00 | 360.00 | 58.00 |
| 62240М | Роликовый радиальный однорядный подшипник. Модифицированный контакт.. | 200.00 | 360.00 | 58.00 |
| NJ 240 ECML | Роликовый радиальный однорядный подшипник. Однорядный цилиндрический роликовый подшипник. | 200.00 | 360.00 | 58.00 |
| NJ 240 ECM | Роликовый радиальный однорядный подшипник. Однорядный цилиндрический роликовый подшипник. | 200.00 | 360.00 | 58.00 |
| 42240-М | Роликовый радиальный однорядный подшипник. Модифицированный контакт.. | 200.00 | 360.00 | 58.00 |
| 42240М1 | Роликовый радиальный однорядный подшипник. Модифицированный контакт.. | 200.00 | 360.00 | 58.00 |
| 46240К | Шариковый радиально-упорный однорядный подшипник. «Замок» (скос) на внутреннем кольце плюс массивный сепаратор из текстолита. | 200.00 | 360.00 | 58.00 |
| 6-176240 ДТ | Шариковый радиально-упорный однорядный подшипник. Сепаратор из алюминиевого сплава.. Температура отпуска. 160°. | 200.00 | 360.00 | 58.00 |
Способы доставки
Отправка через ведущие транспортные и курьерские компании: ПЭК, Деловые Линии, СДЭК, Байкал-Сервис, Энергия, КИТ, ЖелДорЭкспедиция.
Самовывоз возможен напрямую со склада в Москве.
Сроки доставки
Срок зависит от региона и выбранной транспортной компании. Все заказы комплектуются и отправляются в кратчайшие сроки со склада в Москве.
Надёжность и сохранность
Вся продукция упаковывается с учётом требований транспортировки. Мы гарантируем, что подшипники и комплектующие прибудут к заказчику в полной сохранности.
Доставка в страны ЕАЭС
Мы работаем с проверенными логистическими партнёрами, что позволяет оперативно доставлять заказы в Беларусь, Казахстан, Армению и другие страны ЕАЭС.
Варианты оплаты:
Минимальная сумма заказа и скидки:
Документы и гарантии:
Да, конечно! Наши технические специалисты готовы помочь вам с подбором точного аналога или замены подшипника. Просто позвоните нам по телефону +7 (495) 104-99-04 или напишите на почту zakaz@podsnab.ru.
Для оперативной консультации подготовьте, пожалуйста, имеющиеся данные: маркировку, размеры, тип оборудования или артикул старого подшипника.
Да, конечно! Мы высоко ценим долгосрочное сотрудничество и доверие клиентов по всей России. Для постоянных клиентов действует персональная система скидок.
Условия формируются индивидуально и зависят от:
Чтобы узнать свои условия и получить максимально выгодное предложение, свяжитесь с персональным менеджером или напишите нам на почту zakaz@podsnab.ru.
Вы можете оформить заказ несколькими способами:
Для оформления заказа от юридического лица свяжитесь с нашим отделом по работе с корпоративными клиентами по телефону +7 (495) 104-99-04 или напишите на email zakaz@podsnab.ru, прикрепив реквизиты вашей организации.
Мы оперативно подготовим коммерческое предложение и выставим счет.
Возврат товара надлежащего качества возможен в течение 10 дней с момента получения, если товар не был в употреблении, сохранен товарный вид, упаковка не вскрывалась и присутствуют все сопроводительные документы.
Возврат денежных средств осуществляется в течение 10 рабочих дней после проверки товара складом.
В соответствии с законодательством возврату не подлежат подшипники надлежащего качества, если отсутствует оригинальная упаковка или имеются следы монтажа.
В случае выявления брака или гарантийного случая мы гарантируем возврат или обмен товара.
Да, гарантийный срок хранения устанавливается заводом-изготовителем и в среднем составляет 2 года при соблюдении условий хранения: сухое помещение, оригинальная упаковка и смазка.
Точный срок для конкретного типа подшипника уточняйте у наших менеджеров.
Пн–Пт: с 8:00 до 17:00 (МСК).
Сб–Вс: выходные дни.
Заказы на сайте принимаются круглосуточно. Заявки, поступившие после окончания рабочего дня, обрабатываются на следующий рабочий день.
Минимальная сумма заказа для доставки составляет 3000 рублей. Самовывоз со склада возможен на любую сумму при наличии товара.
ООО «УралТехГрупп»
ИНН: 7415093830
КПП: 772401001
ОГРН: 1167456069021
Банк: ПАО Сбербанк
Р/с: 40702810838000475273
К/с: 30101810400000000225
БИК: 044525225
У подшипника 6240M пока нет отзывов. Вы можете стать первым покупателем, поделившимся своим мнением.