Поиск подшипника
Статьи
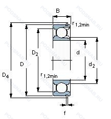
208NR — Подшипник однорядный шариковый радиальный, модификация основного исполнения 208, производство SKF.
Размер подшипника: 40x80x18 мм.
Канавка под стопорное кольцо на наружном кольце с соответствующим стопорным кольцом.
Альтернативное обозначение: BL208NR.
Международная стандартизации ISO
208NR
В наличии
| Обозначение | Конструктивные изменения |
|---|---|
| E 208 7CE1 | Очень высокая грузоподъемность.. |
| E 208/S 7CE3 | Запечатанная версия кулачкового ролика. Очень высокая грузоподъемность.. |
| E 208/S/NS 7CE3 | Запечатанная версия кулачкового ролика. Очень высокая грузоподъемность.. Шарики из нитрида кремния Si3N4 (гибридные подшипники). Керамические шарики. |
| QJ 208 N2 M | Подшипник с латунным сепаратором. центрированный по телам качения. Два установочных паза (выемки), расположенных под углом 180° друг от друга в одной боковой поверхности наружного кольца или шайбе корпуса.. |
| RIS 208 A | Измененная или модифицированная внутренняя конструкция при неизменных основных размерах. |
| YARAG 208-108 | 1.1/2. |
| YSP 208-108 SB-2F | Стандартное контактное уплотнение с дополнительным маслоотражательным кольцом с обеих сторон. Double Row. Angular Contact. Non-Filling Notch Bearing. With Outwardly Convergent Угол контактаs. Rigid Design. 1.1/2. |
| YSA 208-2FK + H 2308 | Pressed Snap-Type Steel Cage. Hardened. |
| 208 KRR AH04 FA154 | Манжетные уплотнения с обеих сторон (уплотнение типа R - имеет оцинкованные внутреннюю и внешнюю крышки. Между крышками имеется уплотнительная кромка NBR. идущая по шлифованному буртику). Different Bore Size. Сепаратор из стали. |
| BSA 208 C | 15° Угол контакта. |
| FBSA 208 A/QFC | Измененная или модифицированная внутренняя конструкция при неизменных основных размерах. |
| FBSA 208 A/QBC | Измененная или модифицированная внутренняя конструкция при неизменных основных размерах. Четыре подшипника в O-образной компоновке. |
| FBSA 208/QBC | Четыре подшипника в O-образной компоновке. |
| FBSA 208/DF | Комплект из двух подшипников. согласованных для установки по Х-образной схеме. Число. следующее непосредственно после букв DF. обозначает конструкцию промежуточного кольца. |
| FBSA 208/DB | Two Single Row Deep Groove Ball Bearings. Single Row Angular Contact Ball Bearings Or Single Row Tapered Roller Bearings Matched For Mounting In A Back-To-Back Arrangement. |
| BSA 208 CG | Резьбовой винт со стопором и защелкой. |
| BSA 208 CG-2RZ | Шарикоподшипник. С уплотнением и низким коэффициентом трения с обеих сторон. Уплотнение состоит из шайбы из листовой стали с вулканизированной резиной. Резьбовой винт со стопором и защелкой. |
| N 208 ECMB | Однорядный цилиндрический роликовый подшипник. |
| N 208 ECPH | Однорядный цилиндрический роликовый подшипник. |
| NU 208 ECPH | Однорядный цилиндрический роликовый подшипник. |
| GEZM 208 ES | Разъемное наружное кольцо со смазочными отверстиями. |
| GEZPR 208 S | Запечатанная версия кулачкового ролика. |
| GEZ 208 TXE-2LS | Контактное уплотнение с обеих сторон подшипника. Закаленная и шлифованная сталь. Скользящая поверхность покрыта твердым хромом и отполирована. |
| GEZM 208 ES-2LS | Контактное уплотнение с обеих сторон подшипника. Разъемное наружное кольцо со смазочными отверстиями. |
| GEZM 208 ES-2RS | Резиновые уплотнения с каждой стороны подшипника. Разъемное наружное кольцо со смазочными отверстиями. |
Модификации шарикового подшипника 208NR — это измененное основное конструктивное исполнение 208, основные размеры (40x80x18) не отличаются.
| Обозначение | Гост | Конструктивные особенности |
|---|---|---|
| BL208NR | ISO | Канавка под стопорное кольцо на наружном кольце с соответствующим стопорным кольцом. |
| 6208-2RS1/JEM | ISO | Усиленные листовой сталью контактные уплотнения из акрилонитрил-бутадиенового каучука (NBR) с обеих сторон подшипника. Сепаратор из штампованной стали. Элемент качения отцентрирован. Тихий ход. Зазор C3 (не обозначается на подшипнике). |
| 6208-2RSR-L038-C3 | ISO | Внутренний зазор больше нормального. Резиновые уплотнения с каждой стороны подшипника. Arcanol Grease Medium Temperature -25°C/+130°C. |
| 6208.2ZR.C3.L100 | ISO | Внутренний зазор больше нормального. Защитные металлические шайбы с обеих сторон. High/Low Temperature Grease -40°C/+160°C. |
| 6208 2RS CM FG | ISO | Резиновые уплотнения с каждой стороны подшипника. Шариковый подшипник. Специальный радиальный внутренний зазор для электродвигателей. Формованный сепаратор из полиамида. усиленного стекловолокном. |
| 6208V | ISO | Уплотнение с одной стороны подшипника (лучше. чем Z. Применяется в условиях умеренной запыленности). Без контактного уплотнения. |
| BY-6208-2Z/AEM/C3 | ISO | Внутренний зазор больше нормального. Измененная или модифицированная внутренняя конструкция при неизменных основных размерах. Как правило. значение буквы привязано к определенному подшипнику или серии подшипника. Набор усиленных тел качения. Механически обработанный латунный сепаратор. центрируемый по шарикам. Разные конструкции или материалы обозначаются цифрой после буквы М. например. М2. Защитные металлические шайбы с обеих сторон подшипника. |
| 6208NR.TVH.C3.J22R | ISO | Внутренний зазор больше нормального. Канавка под стопорное кольцо на наружном кольце с соответствующим стопорным кольцом. Cепаратор из полиамида. армированного стекловолокном. Сделано в Корее. |
| 6208DDUK | ISO | Коническое отверстие. конус 1/12. Резиновые уплотнения с каждой стороны подшипника. |
| 6208-2Z-L038-C3 | ISO | Внутренний зазор больше нормального. Защитные металлические шайбы с обеих сторон. Arcanol Grease Medium Temperature -25°C/+130°C. |
| 6208DDUC3 | ISO | Внутренний зазор больше нормального. Резиновые уплотнения с каждой стороны подшипника. |
| 6208LLHAP63E/L347QMP | ISO | Комбинация P6 (Точность размеров и пробега в соответствии с классом допуска ISO 6 (лучше нормы)) и C3 (Внутренний зазор больше нормы). Light Contact Rubber Seal On Both Sides. |
| 6208.NR.EE | ISO | Канавка под стопорное кольцо на наружном кольце с соответствующим стопорным кольцом. Резиновые уплотнения с каждой стороны подшипника. |
| 6208EC3 | ISO | Внутренний зазор больше нормального. Шарикоподшипник. Стандартное одиночное уплотнение. |
| 6208-2Z-L207-C3 | ISO | Внутренний зазор больше нормального. Защитные металлические шайбы с обеих сторон. Заполнение консистентной смазкой Arcanol L207 (высокотемпературная смазка). |
| 6208-2Z-L069-C3 | ISO | Внутренний зазор больше нормального. Зазорные уплотнения с обеих сторон.. Insert Bearing Grease For Wide Temperature Range - Polycarbamide Ester Oil - –40°C to +180°C. |
| 6208TB.C2 | ISO | Внутренний зазор подшипника меньше нормального. Сепаратор оконного типа из фенольной смолы. армированной тканью. Центрирование по внутреннему кольцу. |
| 6208ZR.C3 | ISO | Внутренний зазор больше нормального. Металлическое уплотнение с одной стороны. Радиальный тип. |
| 6208ZZ/5K | ISO | Защитные металлические шайбы с обеих сторон. Grease/ Kyodo Yushi / Multemp SRL (-40°C to +150°C). |
| 6208-2RS1/C3L55 | ISO | Внутренний зазор больше нормального. Усиленные листовой сталью контактные уплотнения из акрилонитрил-бутадиенового каучука (NBR) с обеих сторон подшипника. High Pressure Grease -50°C/+70°C. |
| 6208ZZ BONDERIZED | ISO | Защитные металлические шайбы с обеих сторон. High Temperature Bearing 200°C - 392°F. |
Аналог шарикового подшипника 208NR — это подшипник такого же размера dx40,Dx80,Bx18, типа и конструкции.
| Обозначение | Конструктивные особенности | Внутренний (d) | Наружный (D) | Ширина (B) |
|---|---|---|---|---|
| 50208-У1 | Шариковый радиальный однорядный подшипник. Дополнительные технические требования. | 40.00 | 80.00 | 18.00 |
| 50208E5 | Шариковый радиальный однорядный подшипник. Смазочные отверстия и канавки во внутреннем кольце. | 40.00 | 80.00 | 18.00 |
| 55-32208 Б2Т2 | Роликовый радиальный однорядный подшипник. 200°. Температура отпуска. Сепаратор из безоловянистой бронзы.. | 40.00 | 80.00 | 18.00 |
| 55-32208 БТ2 | Роликовый радиальный однорядный подшипник. 200°. Температура отпуска. Сепаратор из безоловянистой бронзы.. | 40.00 | 80.00 | 18.00 |
| 55-32208 Р3 | Роликовый радиальный однорядный подшипник. Детали из теплоустойчивой (быстрорежущие) стали.. | 40.00 | 80.00 | 18.00 |
| 55-32208 Р5 | Роликовый радиальный однорядный подшипник. Детали из теплоустойчивой (быстрорежущие) стали.. | 40.00 | 80.00 | 18.00 |
| 6-102208 М | Роликовый радиальный однорядный подшипник. Модифицированный контакт.. | 40.00 | 80.00 | 18.00 |
| 6-12208 КМ | Роликовый радиальный однорядный подшипник. Модифицированный контакт.. | 40.00 | 80.00 | 18.00 |
| 6-12208 Л1 | Роликовый радиальный однорядный подшипник. Сепаратор из латуни.. | 40.00 | 80.00 | 18.00 |
| 6-136208 Р | Шариковый радиально-упорный однорядный подшипник. Детали из теплоустойчивой (быстрорежущие) стали.. | 40.00 | 80.00 | 18.00 |
| 6-150208 А | Шариковый радиальный однорядный подшипник. Повышенная грузоподъемность. | 40.00 | 80.00 | 18.00 |
| 6-150208 Е5 | Шариковый радиальный однорядный подшипник. Сепаратор из текстолита.. | 40.00 | 80.00 | 18.00 |
| 6-150208 У1 | Шариковый радиальный однорядный подшипник. Дополнительные технические требования. | 40.00 | 80.00 | 18.00 |
| 6-180208 С17 | Шариковый радиальный однорядный подшипник. Смазка Литол-24. | 40.00 | 80.00 | 18.00 |
| 6-180208 С9 | Шариковый радиальный однорядный подшипник. Смазка ЛЗ-31. | 40.00 | 80.00 | 18.00 |
Способы доставки
Отправка через ведущие транспортные и курьерские компании: ПЭК, Деловые Линии, СДЭК, Байкал-Сервис, Энергия, КИТ, ЖелДорЭкспедиция.
Самовывоз возможен напрямую со склада в Москве.
Сроки доставки
Срок зависит от региона и выбранной транспортной компании. Все заказы комплектуются и отправляются в кратчайшие сроки со склада в Москве.
Надёжность и сохранность
Вся продукция упаковывается с учётом требований транспортировки. Мы гарантируем, что подшипники и комплектующие прибудут к заказчику в полной сохранности.
Доставка в страны ЕАЭС
Мы работаем с проверенными логистическими партнёрами, что позволяет оперативно доставлять заказы в Беларусь, Казахстан, Армению и другие страны ЕАЭС.
Варианты оплаты:
Минимальная сумма заказа и скидки:
Документы и гарантии:
Да, конечно! Наши технические специалисты готовы помочь вам с подбором точного аналога или замены подшипника. Просто позвоните нам по телефону +7 (495) 104-99-04 или напишите на почту zakaz@podsnab.ru.
Для оперативной консультации подготовьте, пожалуйста, имеющиеся данные: маркировку, размеры, тип оборудования или артикул старого подшипника.
Да, конечно! Мы высоко ценим долгосрочное сотрудничество и доверие клиентов по всей России. Для постоянных клиентов действует персональная система скидок.
Условия формируются индивидуально и зависят от:
Чтобы узнать свои условия и получить максимально выгодное предложение, свяжитесь с персональным менеджером или напишите нам на почту zakaz@podsnab.ru.
Вы можете оформить заказ несколькими способами:
Для оформления заказа от юридического лица свяжитесь с нашим отделом по работе с корпоративными клиентами по телефону +7 (495) 104-99-04 или напишите на email zakaz@podsnab.ru, прикрепив реквизиты вашей организации.
Мы оперативно подготовим коммерческое предложение и выставим счет.
Возврат товара надлежащего качества возможен в течение 10 дней с момента получения, если товар не был в употреблении, сохранен товарный вид, упаковка не вскрывалась и присутствуют все сопроводительные документы.
Возврат денежных средств осуществляется в течение 10 рабочих дней после проверки товара складом.
В соответствии с законодательством возврату не подлежат подшипники надлежащего качества, если отсутствует оригинальная упаковка или имеются следы монтажа.
В случае выявления брака или гарантийного случая мы гарантируем возврат или обмен товара.
Да, гарантийный срок хранения устанавливается заводом-изготовителем и в среднем составляет 2 года при соблюдении условий хранения: сухое помещение, оригинальная упаковка и смазка.
Точный срок для конкретного типа подшипника уточняйте у наших менеджеров.
Пн–Пт: с 8:00 до 17:00 (МСК).
Сб–Вс: выходные дни.
Заказы на сайте принимаются круглосуточно. Заявки, поступившие после окончания рабочего дня, обрабатываются на следующий рабочий день.
Минимальная сумма заказа для доставки составляет 3000 рублей. Самовывоз со склада возможен на любую сумму при наличии товара.
ООО «УралТехГрупп»
ИНН: 7415093830
КПП: 772401001
ОГРН: 1167456069021
Банк: ПАО Сбербанк
Р/с: 40702810838000475273
К/с: 30101810400000000225
БИК: 044525225
У подшипника 208NR пока нет отзывов. Вы можете стать первым покупателем, поделившимся своим мнением.