Поиск подшипника
Статьи
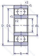
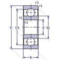
61934MA — Подшипник однорядный шариковый радиальный, модификация основного исполнения 61934, выпускается производителями: FAG, ISB, NEUTRAL, NKE, SKF.
Размер подшипника: 170x230x28 мм.
Механически обработанный латунный сепаратор. центрирование по внешнему кольцу.
Аналоги: 61934-MA FAG,61934MA Neutral.
Международная стандартизации ISO
61934MA
В наличии
| Обозначение | Конструктивные изменения |
|---|---|
| 61934.C3 | Внутренний зазор больше нормального. |
| 61934MA C3 | Внутренний зазор больше нормального. Механически обработанный латунный сепаратор. Центрирование по внешнему кольцу. |
| 61934M.C3 | Внутренний зазор больше нормального. Подшипник с латунным сепаратором. центрированный по телам качения. |
| 61934M | Подшипник с латунным сепаратором. центрированный по телам качения. |
| 61934 | Подшипник однорядный шариковый радиальный. Основное конструктивное исполнение. |
| 61934 2RS | Резиновые уплотнения с каждой стороны подшипника. |
| 61934P6 S1 | LAGERRINGEN GESTABILISEERD VOOR GEBRUIK VAN TEMPERATUREN TOT +200°C. точность размеров и хода в соответствии с классом допуска ISO 6. |
| 61934P6.R180.220.S1 | Кольца подшипников или шайбы, стабилизированные по размерам для использования при рабочих температурах до +200°C (392°F).. Размерные и геометрические допуски соответствуют классу точности P6. Radial Clearance In μm. |
| 61934-C4 | Внутренний зазор подшипника больше. чем C3. |
Модификации шарикового подшипника 61934MA — это измененное основное конструктивное исполнение 61934, основные размеры (170x230x28) не отличаются.
| Обозначение | Гост | Конструктивные особенности |
|---|---|---|
| 6934ZZ | ISO | Защитные металлические шайбы с обеих сторон. |
| 6934 | ISO | Подшипник однорядный шариковый радиальный. |
| 6934M | ISO | Механически обработанный латунный сепаратор .Расположенный на элементах качения. |
| 6934ZZ/2AS | ISO | Защитные металлические шайбы с обеих сторон. LUBRICANT. SHELL OIL CO.. ALVANIA #2 GREASE. MIL-G-18709A. |
| 6934C3 | ISO | Внутренний зазор больше нормального. |
Аналог шарикового подшипника 61934MA — это подшипник такого же размера dx170,Dx230,Bx28, типа и конструкции.
| Обозначение | Конструктивные особенности | Внутренний (d) | Наружный (D) | Ширина (B) |
|---|---|---|---|---|
| 6934-RZ | Шариковый радиальный однорядный подшипник. Один стальное уплотнение и одно резиновое. | 170.00 | 230.00 | 28.00 |
| 6934-2RS | Шариковый радиальный однорядный подшипник. Резиновые уплотнения с каждой стороны подшипника. | 170.00 | 230.00 | 28.00 |
| 6934-RS | Шариковый радиальный однорядный подшипник. Резиновое уплотнение с одной стороны. | 170.00 | 230.00 | 28.00 |
| 6934NR | Шариковый радиальный однорядный подшипник. Канавка под стопорное кольцо на наружном кольце с соответствующим стопорным кольцом. | 170.00 | 230.00 | 28.00 |
| 6934Z | Шариковый радиальный однорядный подшипник. Стальная шайба. | 170.00 | 230.00 | 28.00 |
| 3NCHAC934CA | Шариковый радиальный однорядный подшипник. Угол контакта 20 градусов. Латунный сепаратор с симметричными роликами. | 170.00 | 230.00 | 28.00 |
| 3NCHAC934C | Шариковый радиальный однорядный подшипник. Угол контакта 20 градусов. | 170.00 | 230.00 | 28.00 |
| 3NCHAR934C | Шариковый радиальный однорядный подшипник. Угол контакта 20 градусов. | 170.00 | 230.00 | 28.00 |
| 3NCHAR934CA | Шариковый радиальный однорядный подшипник. Угол контакта 20 градусов. Латунный сепаратор с симметричными роликами. | 170.00 | 230.00 | 28.00 |
| 1000934-АЛ | Шариковый радиальный однорядный подшипник. Сепаратор из латуни.. Повышенная грузоподъемность. | 170.00 | 230.00 | 28.00 |
| 1000934-Д | Шариковый радиальный однорядный подшипник. Сепаратор из алюминиевого сплава.. | 170.00 | 230.00 | 28.00 |
| 1000934-Л | Шариковый радиальный однорядный подшипник. Сепаратор из латуни.. | 170.00 | 230.00 | 28.00 |
| 26-1000934 Д | Шариковый радиальный однорядный подшипник. Сепаратор из алюминиевого сплава.. | 170.00 | 230.00 | 28.00 |
| 5-1126934 Б2Т2 | Шариковый радиально-упорный однорядный подшипник. 200°. Температура отпуска. Сепаратор из безоловянистой бронзы.. | 170.00 | 230.00 | 28.00 |
| 6-1000934 Д | Шариковый радиальный однорядный подшипник. Сепаратор из алюминиевого сплава.. | 170.00 | 230.00 | 28.00 |
Способы доставки
Отправка через ведущие транспортные и курьерские компании: ПЭК, Деловые Линии, СДЭК, Байкал-Сервис, Энергия, КИТ, ЖелДорЭкспедиция.
Самовывоз возможен напрямую со склада в Москве.
Сроки доставки
Срок зависит от региона и выбранной транспортной компании. Все заказы комплектуются и отправляются в кратчайшие сроки со склада в Москве.
Надёжность и сохранность
Вся продукция упаковывается с учётом требований транспортировки. Мы гарантируем, что подшипники и комплектующие прибудут к заказчику в полной сохранности.
Доставка в страны ЕАЭС
Мы работаем с проверенными логистическими партнёрами, что позволяет оперативно доставлять заказы в Беларусь, Казахстан, Армению и другие страны ЕАЭС.
Варианты оплаты:
Минимальная сумма заказа и скидки:
Документы и гарантии:
Да, конечно! Наши технические специалисты готовы помочь вам с подбором точного аналога или замены подшипника. Просто позвоните нам по телефону +7 (495) 104-99-04 или напишите на почту zakaz@podsnab.ru.
Для оперативной консультации подготовьте, пожалуйста, имеющиеся данные: маркировку, размеры, тип оборудования или артикул старого подшипника.
Да, конечно! Мы высоко ценим долгосрочное сотрудничество и доверие клиентов по всей России. Для постоянных клиентов действует персональная система скидок.
Условия формируются индивидуально и зависят от:
Чтобы узнать свои условия и получить максимально выгодное предложение, свяжитесь с персональным менеджером или напишите нам на почту zakaz@podsnab.ru.
Вы можете оформить заказ несколькими способами:
Для оформления заказа от юридического лица свяжитесь с нашим отделом по работе с корпоративными клиентами по телефону +7 (495) 104-99-04 или напишите на email zakaz@podsnab.ru, прикрепив реквизиты вашей организации.
Мы оперативно подготовим коммерческое предложение и выставим счет.
Возврат товара надлежащего качества возможен в течение 10 дней с момента получения, если товар не был в употреблении, сохранен товарный вид, упаковка не вскрывалась и присутствуют все сопроводительные документы.
Возврат денежных средств осуществляется в течение 10 рабочих дней после проверки товара складом.
В соответствии с законодательством возврату не подлежат подшипники надлежащего качества, если отсутствует оригинальная упаковка или имеются следы монтажа.
В случае выявления брака или гарантийного случая мы гарантируем возврат или обмен товара.
Да, гарантийный срок хранения устанавливается заводом-изготовителем и в среднем составляет 2 года при соблюдении условий хранения: сухое помещение, оригинальная упаковка и смазка.
Точный срок для конкретного типа подшипника уточняйте у наших менеджеров.
Пн–Пт: с 8:00 до 17:00 (МСК).
Сб–Вс: выходные дни.
Заказы на сайте принимаются круглосуточно. Заявки, поступившие после окончания рабочего дня, обрабатываются на следующий рабочий день.
Минимальная сумма заказа для доставки составляет 3000 рублей. Самовывоз со склада возможен на любую сумму при наличии товара.
ООО «УралТехГрупп»
ИНН: 7415093830
КПП: 772401001
ОГРН: 1167456069021
Банк: ПАО Сбербанк
Р/с: 40702810838000475273
К/с: 30101810400000000225
БИК: 044525225
У подшипника 61934MA пока нет отзывов. Вы можете стать первым покупателем, поделившимся своим мнением.