Поиск подшипника
Статьи
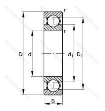
61807-C3 — Подшипник однорядный шариковый радиальный, модификация основного исполнения 61807, выпускается производителями: INA, NKE, SKF.
Размер подшипника: 35x47x7 мм.
Внутренний зазор больше нормального.
Международная стандартизации ISO
61807C3
В наличии
| Обозначение | Конструктивные изменения |
|---|---|
| 61807 2RS | Контактные уплотнения типа RS с обеих сторон игольчатого роликоподшипника. |
| 61807ZZ | Защитные металлические шайбы (бесконтактные уплотнения) с обеих сторон подшипника. |
| 61807-2RS1 | Усиленные листовой сталью контактные уплотнения из акрилонитрил-бутадиенового каучука (NBR) с обеих сторон подшипника. |
| 61807-2Z | Бесконтактный уплотнительный щиток с обеих сторон (уплотнение из листового металла). |
| 61807M | Механически обработанный латунный сепаратор .Расположенный на элементах качения. |
| 61807-2RZ | Шарикоподшипник. С уплотнением и низким коэффициентом трения с обеих сторон. Уплотнение состоит из шайбы из листовой стали с вулканизированной резиной. |
| 61807Y | Сепаратор из прессованной латуни. |
| 61807ZZY | Защитные металлические шайбы с обеих сторон. Штампованный латунный фиксатор. Направляемые элементы качения. |
| 61807 2RS Y | Резиновые уплотнения с каждой стороны подшипника. Штампованный латунный фиксатор. Направляемые элементы качения. |
| 61807-2RSR-HLC-C3 | Внутренний зазор больше нормального. Резиновые уплотнения с каждой стороны подшипника. Код местонахождения завода. может использоваться в стандартной комплектации. |
| 61807T | Литой защелкивающийся сепаратор из полиамида. армированного стекловолокном. |
| 61807-2Z-MT77B | Защитные металлические шайбы с обеих сторон. |
| 61807-RSR-L091-HLC | Optimized Grease For All Purposes. Temperature Range Approximately -50°C / +120°C - Description/ Isoflex® LDS 18 Special A)-Is A Dynamically Light Long-Term Grease For Plain And Rolling Bearings. It Consists Of Ester Oil. Mineral Oil And Lithium Soap. The Product Is Resistant To Ageing. Oxidation And Water. And It Protects Reliably Against Corrosion. Application/ Isoflex® LDS 18 Special A Is Suitable For Plain And Rolling Bearings Operating At Low Temperatures And/Or High Speeds. For Example In Grinding Spindles. Machine Tool Spindles. Spindle Bearings. Textile Spindles. Bearings In Oe-Spinning Turbines. Bearings In Precision And Optical Equipment. Контактное уплотнение с одной стороны. Радиальный тип. Код местонахождения завода. может использоваться в стандартной комплектации. |
| 61807TNHB | Glass Fibre Reinforced Plastic Snap Cage. Guided On The Inner Ring. |
| 61807-2Z-C3 | Внутренний зазор больше нормального. Защитные стальные шайбы с обеих сторон. |
| 61807-HLC | Код местонахождения завода. может использоваться в стандартной комплектации. |
| 61807-2Z-HLC-C3 | Внутренний зазор больше нормального. Защитные металлические шайбы с обеих сторон. Код местонахождения завода. может использоваться в стандартной комплектации. |
| 61807-L091-HLC | Optimized Grease For All Purposes. Temperature Range Approximately -50°C / +120°C - Description/ Isoflex® LDS 18 Special A)-Is A Dynamically Light Long-Term Grease For Plain And Rolling Bearings. It Consists Of Ester Oil. Mineral Oil And Lithium Soap. The Product Is Resistant To Ageing. Oxidation And Water. And It Protects Reliably Against Corrosion. Application/ Isoflex® LDS 18 Special A Is Suitable For Plain And Rolling Bearings Operating At Low Temperatures And/Or High Speeds. For Example In Grinding Spindles. Machine Tool Spindles. Spindle Bearings. Textile Spindles. Bearings In Oe-Spinning Turbines. Bearings In Precision And Optical Equipment. Код местонахождения завода. может использоваться в стандартной комплектации. |
| 61807-2RSR-L237-HLC | Резиновые уплотнения с каждой стороны подшипника. Высокотемпературная смазка. Код местонахождения завода. может использоваться в стандартной комплектации. |
| 61807-2RS2 | Два контактных уплотнения из фторкаучука (FPM) с усилением из листовой стали (высокотемпературные). |
| 61807 2BRS | Бесконтактные лабиринтные уплотнения с обеих сторон. |
| 61807 2URS | Специальное манжетное уплотнение с обеих сторон подшипника. |
| 61807 BRS | Бесконтактные лабиринтные уплотнения с одной стороны. |
| 61807 RS | Резиновое уплотнение с одной стороны. |
| 61807 Z | щит из листовой прессованной стали с одной стороны подшипника. |
Модификации шарикового подшипника 61807-C3 — это измененное основное конструктивное исполнение 61807, основные размеры (35x47x7) не отличаются.
| Обозначение | Гост | Конструктивные особенности |
|---|---|---|
| 6807LLB | ISO | Уплотнение бесконтактного типа из синтетического каучука. |
| 6807ZZ C3 | ISO | Внутренний зазор больше нормального. Защитные стальные шайбы с обеих сторон. |
| 6807V/6807DDBCP45P01A | ISO | Уплотнение с одной стороны подшипника (лучше. чем Z. Применяется в условиях умеренной запыленности). Без контактного уплотнения. Резиновые уплотнения с каждой стороны подшипника. |
| 6807VVP5/AF2Q | ISO | Размерная и рабочая точность соответствует классу допуска ISO 5. Защитные металлические шайбы. с обеих сторон подшипника. Бесконтактное уплотнение. (лучше. чем ZZ. Можно использовать в умеренно запыленной среде). |
| 6807VV NS7S | ISO | Стандартное заполнение. Защитные металлические шайбы. с обеих сторон подшипника. Бесконтактное уплотнение. (лучше. чем ZZ. Можно использовать в умеренно запыленной среде). NS Hi Lube Grease. (NS7/ Inside With Grease. Up Than 35%. Temperature Resistance -40°C To +140°C). |
| 6807JRC3 | ISO | Внутренний зазор больше нормального. Клепаный сепаратор. где стандартный размер обычно приваривается точечной сваркой. |
| 6807DDU | ISO | Резиновые уплотнения с каждой стороны подшипника. |
| 6807JR LLU/5K | ISO | Резиновые уплотнения с каждой стороны подшипника. Клепаный сепаратор. где стандартный размер обычно приваривается точечной сваркой. Grease/ Kyodo Yushi / Multemp SRL (-40°C to +150°C). |
| 6807LLU/2A | ISO | Резиновые уплотнения с каждой стороны подшипника. Lubricant. Shell Oil Co.. Alvania #2 Grease. Mil-G-18709A. |
| 6807ZZE | ISO | Радиальный шарикоподшипник серии Excel. Защитные металлические шайбы с обеих сторон. |
| 6807ZZ EMQ V2 | ISO | Защитные металлические шайбы с двух сторон подшипника. Качество электродвигателя. Для применения. где основное требование снижение вибрации. |
| 6807A1 VV | ISO | Защитные металлические шайбы. с обеих сторон подшипника. Бесконтактное уплотнение. (лучше. чем ZZ. Можно использовать в умеренно запыленной среде). ABEC.1. |
| 6807A1 ZZ | ISO | Защитные металлические шайбы с двух сторон подшипника. ABEC.1. |
| 6807LLU | ISO | Резиновые уплотнения с каждой стороны подшипника. |
| 6807DD CM/NS7S | ISO | Стандартное заполнение. Резиновые уплотнения с каждой стороны подшипника. Шариковый подшипник. Специальный радиальный внутренний зазор для электродвигателей. Смазка NS Hi Lube. Диапазон рабочей смазки -40 +110 °С. |
| 6807A1 VV/NS7S | ISO | Стандартное заполнение. Защитные металлические шайбы. с обеих сторон подшипника. Бесконтактное уплотнение. (лучше. чем ZZ. Можно использовать в умеренно запыленной среде). NS Hi Lube Grease. (NS7/ Inside With Grease. Up Than 35%. Temperature Resistance -40°C To +140°C). ABEC.1. |
| 6807A1 ZZ NR | ISO | Защитные металлические шайбы с обеих сторон. Канавка под стопорное кольцо на наружном кольце с соответствующим стопорным кольцом. ABEC.1. |
| 6807JRZZ/2AS | ISO | Защитные металлические шайбы с обеих сторон. Клепаный сепаратор. где стандартный размер обычно приваривается точечной сваркой. LUBRICANT. SHELL OIL CO.. ALVANIA #2 GREASE. MIL-G-18709A. |
| 6807ZZ/2A | ISO | Защитные металлические шайбы с обеих сторон. Lubricant. Shell Oil Co.. Alvania #2 Grease. Mil-G-18709A. |
| 6807ZZ NR | ISO | Защитные металлические шайбы с обеих сторон. Канавка под стопорное кольцо на наружном кольце с соответствующим стопорным кольцом. |
Аналог шарикового подшипника 61807-C3 — это подшипник такого же размера dx35,Dx47,Bx7, типа и конструкции.
| Обозначение | Конструктивные особенности | Внутренний (d) | Наружный (D) | Ширина (B) |
|---|---|---|---|---|
| 6807-2NKE | Шариковый радиальный однорядный подшипник. Double Labyrinth Seal (Non Contact). | 35.00 | 47.00 | 7.00 |
| 6807DD | Шариковый радиальный однорядный подшипник. Два уплотнения из PTFE. | 35.00 | 47.00 | 7.00 |
| 6807-2RS C3 | Шариковый радиальный однорядный подшипник. Внутренний зазор больше нормального. Резиновые уплотнения с каждой стороны подшипника. | 35.00 | 47.00 | 7.00 |
| W 61807 R | Шариковый радиальный однорядный подшипник. Нержавеющая сталь. С выпуклыми асимметричными роликами и обработанным сепаратором. | 35.00 | 47.00 | 7.00 |
| 1000807-Л | Шариковый радиальный однорядный подшипник. Сепаратор из латуни.. | 35.00 | 47.00 | 7.00 |
| 1000807-Ю | Шариковый радиальный однорядный подшипник. Все детали или часть деталей из нержавеющей стали.. | 35.00 | 47.00 | 7.00 |
| 1000807.2RS | Шариковый радиальный однорядный подшипник. Резиновые уплотнения с каждой стороны подшипника. | 35.00 | 47.00 | 7.00 |
| 1008907-Ю1 | Шариковый упорный однорядный подшипник. Все детали или часть деталей из нержавеющей стали.. | 35.00 | 47.00 | 8.00 |
| 5-1000807 Л | Шариковый радиальный однорядный подшипник. Сепаратор из латуни.. | 35.00 | 47.00 | 7.00 |
| 5-1000807 ЛУ1 | Шариковый радиальный однорядный подшипник. Сепаратор из латуни.. Дополнительные технические требования. | 35.00 | 47.00 | 7.00 |
| 6-1000807 КУ | Шариковый радиальный однорядный подшипник. Дополнительные технические требования. | 35.00 | 47.00 | 7.00 |
| 6-1000807 Л | Шариковый радиальный однорядный подшипник. Сепаратор из латуни.. | 35.00 | 47.00 | 7.00 |
| 6-1000807 ЛУ | Шариковый радиальный однорядный подшипник. Сепаратор из латуни.. Дополнительные технические требования. | 35.00 | 47.00 | 7.00 |
| 6-1000807 ЛУ2 | Шариковый радиальный однорядный подшипник. Сепаратор из латуни.. Дополнительные технические требования. | 35.00 | 47.00 | 7.00 |
| 6-1000807 Ю | Шариковый радиальный однорядный подшипник. Все детали или часть деталей из нержавеющей стали.. | 35.00 | 47.00 | 7.00 |
Способы доставки
Отправка через ведущие транспортные и курьерские компании: ПЭК, Деловые Линии, СДЭК, Байкал-Сервис, Энергия, КИТ, ЖелДорЭкспедиция.
Самовывоз возможен напрямую со склада в Москве.
Сроки доставки
Срок зависит от региона и выбранной транспортной компании. Все заказы комплектуются и отправляются в кратчайшие сроки со склада в Москве.
Надёжность и сохранность
Вся продукция упаковывается с учётом требований транспортировки. Мы гарантируем, что подшипники и комплектующие прибудут к заказчику в полной сохранности.
Доставка в страны ЕАЭС
Мы работаем с проверенными логистическими партнёрами, что позволяет оперативно доставлять заказы в Беларусь, Казахстан, Армению и другие страны ЕАЭС.
Варианты оплаты:
Минимальная сумма заказа и скидки:
Документы и гарантии:
Да, конечно! Наши технические специалисты готовы помочь вам с подбором точного аналога или замены подшипника. Просто позвоните нам по телефону +7 (495) 104-99-04 или напишите на почту zakaz@podsnab.ru.
Для оперативной консультации подготовьте, пожалуйста, имеющиеся данные: маркировку, размеры, тип оборудования или артикул старого подшипника.
Да, конечно! Мы высоко ценим долгосрочное сотрудничество и доверие клиентов по всей России. Для постоянных клиентов действует персональная система скидок.
Условия формируются индивидуально и зависят от:
Чтобы узнать свои условия и получить максимально выгодное предложение, свяжитесь с персональным менеджером или напишите нам на почту zakaz@podsnab.ru.
Вы можете оформить заказ несколькими способами:
Для оформления заказа от юридического лица свяжитесь с нашим отделом по работе с корпоративными клиентами по телефону +7 (495) 104-99-04 или напишите на email zakaz@podsnab.ru, прикрепив реквизиты вашей организации.
Мы оперативно подготовим коммерческое предложение и выставим счет.
Возврат товара надлежащего качества возможен в течение 10 дней с момента получения, если товар не был в употреблении, сохранен товарный вид, упаковка не вскрывалась и присутствуют все сопроводительные документы.
Возврат денежных средств осуществляется в течение 10 рабочих дней после проверки товара складом.
В соответствии с законодательством возврату не подлежат подшипники надлежащего качества, если отсутствует оригинальная упаковка или имеются следы монтажа.
В случае выявления брака или гарантийного случая мы гарантируем возврат или обмен товара.
Да, гарантийный срок хранения устанавливается заводом-изготовителем и в среднем составляет 2 года при соблюдении условий хранения: сухое помещение, оригинальная упаковка и смазка.
Точный срок для конкретного типа подшипника уточняйте у наших менеджеров.
Пн–Пт: с 8:00 до 17:00 (МСК).
Сб–Вс: выходные дни.
Заказы на сайте принимаются круглосуточно. Заявки, поступившие после окончания рабочего дня, обрабатываются на следующий рабочий день.
Минимальная сумма заказа для доставки составляет 3000 рублей. Самовывоз со склада возможен на любую сумму при наличии товара.
ООО «УралТехГрупп»
ИНН: 7415093830
КПП: 772401001
ОГРН: 1167456069021
Банк: ПАО Сбербанк
Р/с: 40702810838000475273
К/с: 30101810400000000225
БИК: 044525225
У подшипника 61807-C3 пока нет отзывов. Вы можете стать первым покупателем, поделившимся своим мнением.