Поиск подшипника
Статьи
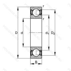
62207-2RSR — Подшипник однорядный шариковый радиальный, модификация основного исполнения 62207, выпускается производителями: FAG, NKE.
Размер подшипника: 35x72x23 мм.
Резиновые уплотнения с каждой стороны подшипника.
Аналоги: 62207-A-2RSR FAG,62207-2RS1 SKF,62207 2RS Sin Nan Hwa.
Международная стандартизации ISO
622072RSR
В наличии
| Обозначение | Конструктивные изменения |
|---|---|
| 62207-2RS1/W64 | Усиленные листовой сталью контактные уплотнения из акрилонитрил-бутадиенового каучука (NBR) с обеих сторон подшипника. Антифрикционный заполнитель. твердая смазка. |
| 62207 | Подшипник однорядный шариковый радиальный. Основное конструктивное исполнение. |
| 62207 2RS C3 | Внутренний зазор больше нормального. Резиновые уплотнения с каждой стороны подшипника. |
| 62207 2RS | Контактные уплотнения типа RS с обеих сторон игольчатого роликоподшипника. |
| 62207-2RS1/C3 | Внутренний зазор больше нормального. Усиленные листовой сталью контактные уплотнения из акрилонитрил-бутадиенового каучука (NBR) с обеих сторон подшипника. |
| 62207.2RSR.C3 | Внутренний зазор больше нормального. Резиновые уплотнения с каждой стороны подшипника. |
| 62207-2RS1 | Усиленные листовой сталью контактные уплотнения из акрилонитрил-бутадиенового каучука (NBR) с обеих сторон подшипника. |
| 62207.EEC3 | Резиновые уплотнения с каждой стороны подшипника. |
| 62207 2RSR HLM | Резиновые уплотнения с каждой стороны подшипника. Код местонахождения завода. может использоваться в стандартной комплектации. |
| 62207-A-2RSR | Двухрядный радиально-упорный шарикоподшипник без отверстия для смазки. Резиновые уплотнения с каждой стороны подшипника. |
| 62207-A-2RSR-J22R | Модификация внутренней конструкции. Резиновые уплотнения с каждой стороны подшипника. Сделано в Корее. |
| 62207-A-2RSR-C3 | Внутренний зазор больше нормального. Модификация внутренней конструкции. Резиновые уплотнения с каждой стороны подшипника. |
| 62207EE | Резиновые уплотнения с каждой стороны подшипника. |
Модификации шарикового подшипника 62207-2RSR — это измененное основное конструктивное исполнение 62207, основные размеры (35x72x23) не отличаются.
| Обозначение | Гост | Конструктивные особенности |
|---|---|---|
| 4207 ATN | ISO | Подшипник однорядный шариковый радиальный. |
| 414406A | ISO | Двухрядный радиально-упорный шарикоподшипник без отверстия для смазки. |
| 527361 | ISO | Подшипник однорядный шариковый радиальный. |
| 527361B.Z27.CX | ISO | Модифицированная внутренняя конструкция. Подшипник с герметичным уплотнением. |
| 552736BZ27CX | ISO | Модифицированная внутренняя конструкция. Подшипник с герметичным уплотнением. |
| DG357222DWC4 | ISO | Внутренний зазор подшипника больше. чем C3. |
| DG3572HW C4 | ISO | Внутренний зазор подшипника больше. чем C3. |
| B35-80A C4 | ISO | Внутренний зазор подшипника больше. чем C3. Внутренняя конструкция отличается от стандартной. Подшипник со специальными размерами. |
| 414406 | ISO | Подшипник однорядный шариковый радиальный. |
| 527361.Z27.CX | ISO | Подшипник с герметичным уплотнением. |
Аналог шарикового подшипника 62207-2RSR — это подшипник такого же размера dx35,Dx72,Bx23, типа и конструкции.
| Обозначение | Конструктивные особенности | Внутренний (d) | Наружный (D) | Ширина (B) |
|---|---|---|---|---|
| NA2207XLL | Роликовый игольчатый подшипник однорядный. Два уплотнения. | 35.00 | 72.00 | 23.00 |
| LG35=1 | Шариковый радиальный однорядный подшипник. Number Of Carriages Per Rail Track. | 35.00 | 72.00 | 24.00 |
| TM-SC0791LC4/5A | Шариковый радиальный однорядный подшипник. Механически обработанный сепаратор. Внутренний радиальный зазор С4. Уплотнение из полиакрила. | 35.00 | 72.00 | 24.00 |
| 36-160507 Е | Шариковый радиальный однорядный подшипник. Сепаратор из текстолита.. | 35.00 | 72.00 | 23.00 |
| 2207-K-2RS+H307 | Шариковый сферический двухрядный подшипник. Коническое внутреннее отверстие. Контактные уплотнения типа RS с обеих сторон игольчатого роликоподшипника. | 35.00 | 72.00 | 23.00 |
| 2207-K+H307 | Шариковый сферический двухрядный подшипник. Коническое внутреннее отверстие. | 35.00 | 72.00 | 23.00 |
| 2207S | Шариковый сферический двухрядный подшипник. Запечатанная версия кулачкового ролика. Только для внутреннего и наружного колец. | 35.00 | 72.00 | 23.00 |
| 2207SK | Шариковый сферический двухрядный подшипник. Кулачковый толкатель штифтового типа. С шестигранной головкой. Только для внутреннего и наружного колец. | 35.00 | 72.00 | 23.00 |
| S2207-2RS | Шариковый сферический двухрядный подшипник. Резиновые уплотнения с каждой стороны подшипника. | 35.00 | 72.00 | 23.00 |
| NJ 2207 ECM | Роликовый радиальный однорядный подшипник. Однорядный цилиндрический роликовый подшипник. | 35.00 | 72.00 | 23.00 |
| NU 2207 ECPH | Роликовый радиальный однорядный подшипник. Однорядный цилиндрический роликовый подшипник. | 35.00 | 72.00 | 23.00 |
| 6-12507 АЕМУШ | Роликовый радиальный однорядный подшипник. Сепаратор из текстолита.. Дополнительные технические требования. Модифицированный контакт.. Повышенная грузоподъемность. Нормы шумности. | 35.00 | 72.00 | 23.00 |
| 6-12507 АЕУ | Роликовый радиальный однорядный подшипник. Сепаратор из текстолита.. Дополнительные технические требования. Повышенная грузоподъемность. | 35.00 | 72.00 | 23.00 |
| 6-12507 КМ | Роликовый радиальный однорядный подшипник. Модифицированный контакт.. | 35.00 | 72.00 | 23.00 |
| 6-12507 КМУ | Роликовый радиальный однорядный подшипник. Дополнительные технические требования. Модифицированный контакт.. | 35.00 | 72.00 | 23.00 |
Способы доставки
Отправка через ведущие транспортные и курьерские компании: ПЭК, Деловые Линии, СДЭК, Байкал-Сервис, Энергия, КИТ, ЖелДорЭкспедиция.
Самовывоз возможен напрямую со склада в Москве.
Сроки доставки
Срок зависит от региона и выбранной транспортной компании. Все заказы комплектуются и отправляются в кратчайшие сроки со склада в Москве.
Надёжность и сохранность
Вся продукция упаковывается с учётом требований транспортировки. Мы гарантируем, что подшипники и комплектующие прибудут к заказчику в полной сохранности.
Доставка в страны ЕАЭС
Мы работаем с проверенными логистическими партнёрами, что позволяет оперативно доставлять заказы в Беларусь, Казахстан, Армению и другие страны ЕАЭС.
Варианты оплаты:
Минимальная сумма заказа и скидки:
Документы и гарантии:
Да, конечно! Наши технические специалисты готовы помочь вам с подбором точного аналога или замены подшипника. Просто позвоните нам по телефону +7 (495) 104-99-04 или напишите на почту zakaz@podsnab.ru.
Для оперативной консультации подготовьте, пожалуйста, имеющиеся данные: маркировку, размеры, тип оборудования или артикул старого подшипника.
Да, конечно! Мы высоко ценим долгосрочное сотрудничество и доверие клиентов по всей России. Для постоянных клиентов действует персональная система скидок.
Условия формируются индивидуально и зависят от:
Чтобы узнать свои условия и получить максимально выгодное предложение, свяжитесь с персональным менеджером или напишите нам на почту zakaz@podsnab.ru.
Вы можете оформить заказ несколькими способами:
Для оформления заказа от юридического лица свяжитесь с нашим отделом по работе с корпоративными клиентами по телефону +7 (495) 104-99-04 или напишите на email zakaz@podsnab.ru, прикрепив реквизиты вашей организации.
Мы оперативно подготовим коммерческое предложение и выставим счет.
Возврат товара надлежащего качества возможен в течение 10 дней с момента получения, если товар не был в употреблении, сохранен товарный вид, упаковка не вскрывалась и присутствуют все сопроводительные документы.
Возврат денежных средств осуществляется в течение 10 рабочих дней после проверки товара складом.
В соответствии с законодательством возврату не подлежат подшипники надлежащего качества, если отсутствует оригинальная упаковка или имеются следы монтажа.
В случае выявления брака или гарантийного случая мы гарантируем возврат или обмен товара.
Да, гарантийный срок хранения устанавливается заводом-изготовителем и в среднем составляет 2 года при соблюдении условий хранения: сухое помещение, оригинальная упаковка и смазка.
Точный срок для конкретного типа подшипника уточняйте у наших менеджеров.
Пн–Пт: с 8:00 до 17:00 (МСК).
Сб–Вс: выходные дни.
Заказы на сайте принимаются круглосуточно. Заявки, поступившие после окончания рабочего дня, обрабатываются на следующий рабочий день.
Минимальная сумма заказа для доставки составляет 3000 рублей. Самовывоз со склада возможен на любую сумму при наличии товара.
ООО «УралТехГрупп»
ИНН: 7415093830
КПП: 772401001
ОГРН: 1167456069021
Банк: ПАО Сбербанк
Р/с: 40702810838000475273
К/с: 30101810400000000225
БИК: 044525225
У подшипника 62207-2RSR пока нет отзывов. Вы можете стать первым покупателем, поделившимся своим мнением.