Поиск подшипника
Статьи
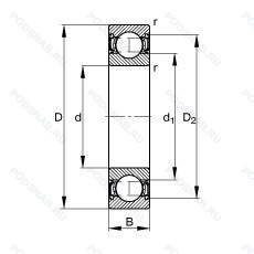
62208 2RSR — Подшипник однорядный шариковый радиальный, модификация основного исполнения 62208, выпускается производителями: FAG, NKE.
Размер подшипника: 40x80x23 мм.
Резиновые уплотнения с каждой стороны подшипника.
Аналоги: 62208.2RSR FAG,62208-A-2RSR FAG,62208-2RS1 SKF,62208 2RS CBF,62208EE SNR,62208 2RS1 Steyr,62208 2RS ISB,62208 2RS SMT.
Международная стандартизации ISO
622082RSR
В наличии
| Обозначение | Конструктивные изменения |
|---|---|
| 62208-2RS1/W64 | Усиленные листовой сталью контактные уплотнения из акрилонитрил-бутадиенового каучука (NBR) с обеих сторон подшипника. Антифрикционный заполнитель. твердая смазка. |
| 62208 | Подшипник однорядный шариковый радиальный. Основное конструктивное исполнение. |
| 62208 2RS | Контактные уплотнения типа RS с обеих сторон игольчатого роликоподшипника. |
| 62208-2RS1 | Усиленные листовой сталью контактные уплотнения из акрилонитрил-бутадиенового каучука (NBR) с обеих сторон подшипника. |
| 62208-2RSR-C3 | Внутренний зазор больше нормального. Резиновые уплотнения с каждой стороны подшипника. |
| 62208-2RS1/C3 | Внутренний зазор больше нормального. Усиленные листовой сталью контактные уплотнения из акрилонитрил-бутадиенового каучука (NBR) с обеих сторон подшипника. |
| 62208EE J30 | Внутренний зазор больше нормального. Резиновые уплотнения с каждой стороны подшипника. |
| 62208.EEC3 | Резиновые уплотнения с каждой стороны подшипника. |
| 62208 2RS C3 | Внутренний зазор больше нормального. Резиновые уплотнения с каждой стороны подшипника. |
| 62208.EE | Резиновые уплотнения с каждой стороны подшипника. |
Модификации шарикового подшипника 62208 2RSR — это измененное основное конструктивное исполнение 62208, основные размеры (40x80x23) не отличаются.
| Обозначение | Гост | Конструктивные особенности |
|---|---|---|
| 4208 ATN | ISO | Подшипник однорядный шариковый радиальный. |
| WC87508 | ISO | Подшипник однорядный шариковый радиальный. |
| BB1-1632 | ISO | Подшипник однорядный шариковый радиальный. |
| AL-40 | ISO | Подшипник однорядный шариковый радиальный. |
| 8508 | ISO | Подшипник однорядный шариковый радиальный. |
Аналог шарикового подшипника 62208 2RSR — это подшипник такого же размера dx40,Dx80,Bx23, типа и конструкции.
| Обозначение | Конструктивные особенности | Внутренний (d) | Наружный (D) | Ширина (B) |
|---|---|---|---|---|
| 2208-K-2RS+H308 | Шариковый сферический двухрядный подшипник. Коническое внутреннее отверстие. Контактные уплотнения типа RS с обеих сторон игольчатого роликоподшипника. | 40.00 | 80.00 | 23.00 |
| 2208 TN9 | Шариковый сферический двухрядный подшипник. Литой защелкивающийся сепаратор из полиамида. армированного стекловолокном 6.6. | 40.00 | 80.00 | 23.00 |
| 2208SK | Шариковый сферический двухрядный подшипник. Кулачковый толкатель штифтового типа. С шестигранной головкой. Только для внутреннего и наружного колец. | 40.00 | 80.00 | 23.00 |
| S2208-2RS | Шариковый сферический двухрядный подшипник. Резиновые уплотнения с каждой стороны подшипника. | 40.00 | 80.00 | 23.00 |
| NJ 2208 ECPH | Роликовый радиальный однорядный подшипник. Однорядный цилиндрический роликовый подшипник. | 40.00 | 80.00 | 23.00 |
| NU 2208 ECPH | Роликовый радиальный однорядный подшипник. Однорядный цилиндрический роликовый подшипник. | 40.00 | 80.00 | 23.00 |
| 40-3508 Н | Роликовый радиальный двухрядный подшипник. Детали из теплостойкой стали. | 40.00 | 80.00 | 23.00 |
| 5-32508 Д | Роликовый радиальный подшипник. Сепаратор из алюминиевого сплава.. | 40.00 | 80.00 | 23.00 |
| 5-32508 Д1 | Роликовый радиальный подшипник. Сепаратор из алюминиевого сплава.. | 40.00 | 80.00 | 23.00 |
| 502308-КМ | Роликовый радиальный однорядный подшипник. Кольцевая проточка на середине цилиндрической наружной поверхности наружного кольца плюс три отверстия для смазки. Модифицированный контакт.. | 40.00 | 77.00 | 23.00 |
| 53508-Н(22208CCW33C3) | Роликовый радиальный двухрядный подшипник. ВНИИНП-210. Детали из вакуумированной стали.. Детали из теплостойкой стали. | 40.00 | 80.00 | 23.00 |
| 580508АК | Шариковый радиальный однорядный подшипник. Повышенная грузоподъемность. | 40.00 | 80.00 | 23.00 |
| 6-180508 АК2УС9 | Шариковый радиальный однорядный подшипник. Дополнительные технические требования. Повышенная грузоподъемность. Смазка ЛЗ-31. | 40.00 | 80.00 | 23.00 |
| 6-180508 К2С9 | Шариковый радиальный однорядный подшипник. Смазка ЛЗ-31. | 40.00 | 80.00 | 23.00 |
| 6-180508 К2УС9 | Шариковый радиальный однорядный подшипник. Дополнительные технические требования. Смазка ЛЗ-31. | 40.00 | 80.00 | 23.00 |
Способы доставки
Отправка через ведущие транспортные и курьерские компании: ПЭК, Деловые Линии, СДЭК, Байкал-Сервис, Энергия, КИТ, ЖелДорЭкспедиция.
Самовывоз возможен напрямую со склада в Москве.
Сроки доставки
Срок зависит от региона и выбранной транспортной компании. Все заказы комплектуются и отправляются в кратчайшие сроки со склада в Москве.
Надёжность и сохранность
Вся продукция упаковывается с учётом требований транспортировки. Мы гарантируем, что подшипники и комплектующие прибудут к заказчику в полной сохранности.
Доставка в страны ЕАЭС
Мы работаем с проверенными логистическими партнёрами, что позволяет оперативно доставлять заказы в Беларусь, Казахстан, Армению и другие страны ЕАЭС.
Варианты оплаты:
Минимальная сумма заказа и скидки:
Документы и гарантии:
Да, конечно! Наши технические специалисты готовы помочь вам с подбором точного аналога или замены подшипника. Просто позвоните нам по телефону +7 (495) 104-99-04 или напишите на почту zakaz@podsnab.ru.
Для оперативной консультации подготовьте, пожалуйста, имеющиеся данные: маркировку, размеры, тип оборудования или артикул старого подшипника.
Да, конечно! Мы высоко ценим долгосрочное сотрудничество и доверие клиентов по всей России. Для постоянных клиентов действует персональная система скидок.
Условия формируются индивидуально и зависят от:
Чтобы узнать свои условия и получить максимально выгодное предложение, свяжитесь с персональным менеджером или напишите нам на почту zakaz@podsnab.ru.
Вы можете оформить заказ несколькими способами:
Для оформления заказа от юридического лица свяжитесь с нашим отделом по работе с корпоративными клиентами по телефону +7 (495) 104-99-04 или напишите на email zakaz@podsnab.ru, прикрепив реквизиты вашей организации.
Мы оперативно подготовим коммерческое предложение и выставим счет.
Возврат товара надлежащего качества возможен в течение 10 дней с момента получения, если товар не был в употреблении, сохранен товарный вид, упаковка не вскрывалась и присутствуют все сопроводительные документы.
Возврат денежных средств осуществляется в течение 10 рабочих дней после проверки товара складом.
В соответствии с законодательством возврату не подлежат подшипники надлежащего качества, если отсутствует оригинальная упаковка или имеются следы монтажа.
В случае выявления брака или гарантийного случая мы гарантируем возврат или обмен товара.
Да, гарантийный срок хранения устанавливается заводом-изготовителем и в среднем составляет 2 года при соблюдении условий хранения: сухое помещение, оригинальная упаковка и смазка.
Точный срок для конкретного типа подшипника уточняйте у наших менеджеров.
Пн–Пт: с 8:00 до 17:00 (МСК).
Сб–Вс: выходные дни.
Заказы на сайте принимаются круглосуточно. Заявки, поступившие после окончания рабочего дня, обрабатываются на следующий рабочий день.
Минимальная сумма заказа для доставки составляет 3000 рублей. Самовывоз со склада возможен на любую сумму при наличии товара.
ООО «УралТехГрупп»
ИНН: 7415093830
КПП: 772401001
ОГРН: 1167456069021
Банк: ПАО Сбербанк
Р/с: 40702810838000475273
К/с: 30101810400000000225
БИК: 044525225
У подшипника 62208 2RSR пока нет отзывов. Вы можете стать первым покупателем, поделившимся своим мнением.