Поиск подшипника
Статьи
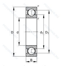
63006-2RSR — Подшипник однорядный шариковый радиальный, модификация основного исполнения 63006, выпускается производителями: FAG, NKE, SLF FRAUREUTH.
Размер подшипника: 30x55x19 мм.
Резиновые уплотнения с каждой стороны подшипника.
Аналоги: 63006-A-2RSR FAG,63006-2RS1 SKF,63006-2RS Timken,63006-2RS1 AKN.
Международная стандартизации ISO
630062RSR
В наличии
| Обозначение | Конструктивные изменения |
|---|---|
| 63006-2RS1/W64F | Усиленные листовой сталью контактные уплотнения из акрилонитрил-бутадиенового каучука (NBR) с обеих сторон подшипника. W64 (Segment Lubrication. Code 1)=Solid Oil Filling And F (Food Compatible Grease. 62 cSt at 40°C 10.1 cSt at 100°C). |
| 63006 2RS | Резиновые уплотнения с каждой стороны подшипника. |
| 63006-2RS1 | Усиленные листовой сталью контактные уплотнения из акрилонитрил-бутадиенового каучука (NBR) с обеих сторон подшипника. |
| 63006 | Подшипник однорядный шариковый радиальный. Основное конструктивное исполнение. |
| 63006-RS1 | Резиновое уплотнение с одной стороны. |
| 63006-2RS1/C4 | Внутренний зазор подшипника больше. чем C3. Усиленные листовой сталью контактные уплотнения из акрилонитрил-бутадиенового каучука (NBR) с обеих сторон подшипника. |
| 63006.2RSR.C4 | Внутренний зазор подшипника больше. чем C3. Резиновые уплотнения с каждой стороны подшипника. |
| 63006-A-2RSR-C4 | Внутренний зазор подшипника больше. чем C3. Модификация внутренней конструкции. Резиновые уплотнения с каждой стороны подшипника. |
| 63006-2RS-Z17 | Резиновые уплотнения с каждой стороны подшипника. |
| 63006DDU | Резиновые уплотнения с каждой стороны подшипника. |
| 63006-A-2RSR | Модификация внутренней конструкции. Резиновые уплотнения с каждой стороны подшипника. |
| 63006EE | Резиновые уплотнения с каждой стороны подшипника. |
| 63006-2RS C3 | Внутренний зазор больше нормального. Резиновые уплотнения с каждой стороны подшипника. |
Модификации шарикового подшипника 63006-2RSR — это измененное основное конструктивное исполнение 63006, основные размеры (30x55x19) не отличаются.
| Обозначение | Гост | Конструктивные особенности |
|---|---|---|
| 518072 | ISO | Подшипник однорядный шариковый радиальный. |
| AB10388-1 | ISO | Number Of Carriages Per Rail Track. |
Аналог шарикового подшипника 63006-2RSR — это подшипник такого же размера dx30,Dx55,Bx19, типа и конструкции.
| Обозначение | Конструктивные особенности | Внутренний (d) | Наружный (D) | Ширина (B) |
|---|---|---|---|---|
| 3182106К | Роликовый радиальный двухрядный подшипник. Кольцевая проточка на середине цилиндрической наружной поверхности наружного кольца плюс три отверстия для смазки. | 30.00 | 55.00 | 19.00 |
| 4-3182106 Л | Роликовый радиальный двухрядный подшипник. Сепаратор из латуни.. | 30.00 | 55.00 | 19.00 |
| NCF3006-V | Роликовый радиальный цилиндрический однорядный подшипник. Бессепараторный подшипник. Однорядный без сепараторный цилиндрический роликовый подшипник. Два борта на внутреннем кольце и один борт на наружном. | 30.00 | 55.00 | 19.00 |
| RN2206-E-MPBX | Роликовый радиальный однорядный подшипник. Повышенная грузоподъемность. | 30.00 | 55.50 | 20.00 |
| RSL182206-A | Роликовый радиальный однорядный подшипник. Двухрядный радиально-упорный шарикоподшипник без отверстия для смазки. | 30.00 | 55.19 | 20.00 |
| NN 3006 TN/SP | Роликовый радиальный цилиндрический двухрядный подшипник. литой под давлением сепаратор из полиамида 6.6. центрированный роликовый элемент. Точность размеров примерно соответствует классу точности Р5. биения — классу точности Р4. Двухрядный цилиндрический роликовый подшипник. | 30.00 | 55.00 | 19.00 |
| E33006J | Роликовый радиальный-упорный однорядный подшипник. Дорожки качения наружного кольца. угол контакта и ширина наружного кольца в соответствии с ISO. | 30.00 | 55.00 | 20.00 |
| 3006-B-2RSR-TVH | Шариковый радиально-упорный подшипник. Модифицированная внутренняя конструкция. Твердая клетка из полиамида. Резиновые уплотнения с каждой стороны подшипника. | 30.00 | 55.00 | 19.00 |
| 4-3086106 Ю | Шариковый радиально-упорный двухрядный подшипник. Все детали или часть деталей из нержавеющей стали.. | 30.00 | 55.00 | 19.00 |
| 712506У2 | Роликовый радиальный двухрядный подшипник. Дополнительные технические требования. | 30.00 | 55.00 | 20.00 |
| 33006 A | Роликовый радиальный-упорный однорядный подшипник. Двухрядный радиально-упорный шарикоподшипник без отверстия для смазки. | 30.00 | 55.00 | 20.00 |
| 33006F | Роликовый радиальный-упорный однорядный подшипник. Сепаратор из обработанной стали или специального чугуна. | 30.00 | 55.00 | 20.00 |
| RAL103NPPB | Шариковый радиальный однорядный подшипник. Желоб под разрезное кольцо. | 30.16 | 55.00 | 18.27 |
| 5-3182106 Л | Роликовый радиальный двухрядный подшипник. Сепаратор из латуни.. | 30.00 | 55.00 | 19.00 |
| 5-3182106 Л1 | Роликовый радиальный двухрядный подшипник. Сепаратор из латуни.. | 30.00 | 55.00 | 19.00 |
Способы доставки
Отправка через ведущие транспортные и курьерские компании: ПЭК, Деловые Линии, СДЭК, Байкал-Сервис, Энергия, КИТ, ЖелДорЭкспедиция.
Самовывоз возможен напрямую со склада в Москве.
Сроки доставки
Срок зависит от региона и выбранной транспортной компании. Все заказы комплектуются и отправляются в кратчайшие сроки со склада в Москве.
Надёжность и сохранность
Вся продукция упаковывается с учётом требований транспортировки. Мы гарантируем, что подшипники и комплектующие прибудут к заказчику в полной сохранности.
Доставка в страны ЕАЭС
Мы работаем с проверенными логистическими партнёрами, что позволяет оперативно доставлять заказы в Беларусь, Казахстан, Армению и другие страны ЕАЭС.
Варианты оплаты:
Минимальная сумма заказа и скидки:
Документы и гарантии:
Да, конечно! Наши технические специалисты готовы помочь вам с подбором точного аналога или замены подшипника. Просто позвоните нам по телефону +7 (495) 104-99-04 или напишите на почту zakaz@podsnab.ru.
Для оперативной консультации подготовьте, пожалуйста, имеющиеся данные: маркировку, размеры, тип оборудования или артикул старого подшипника.
Да, конечно! Мы высоко ценим долгосрочное сотрудничество и доверие клиентов по всей России. Для постоянных клиентов действует персональная система скидок.
Условия формируются индивидуально и зависят от:
Чтобы узнать свои условия и получить максимально выгодное предложение, свяжитесь с персональным менеджером или напишите нам на почту zakaz@podsnab.ru.
Вы можете оформить заказ несколькими способами:
Для оформления заказа от юридического лица свяжитесь с нашим отделом по работе с корпоративными клиентами по телефону +7 (495) 104-99-04 или напишите на email zakaz@podsnab.ru, прикрепив реквизиты вашей организации.
Мы оперативно подготовим коммерческое предложение и выставим счет.
Возврат товара надлежащего качества возможен в течение 10 дней с момента получения, если товар не был в употреблении, сохранен товарный вид, упаковка не вскрывалась и присутствуют все сопроводительные документы.
Возврат денежных средств осуществляется в течение 10 рабочих дней после проверки товара складом.
В соответствии с законодательством возврату не подлежат подшипники надлежащего качества, если отсутствует оригинальная упаковка или имеются следы монтажа.
В случае выявления брака или гарантийного случая мы гарантируем возврат или обмен товара.
Да, гарантийный срок хранения устанавливается заводом-изготовителем и в среднем составляет 2 года при соблюдении условий хранения: сухое помещение, оригинальная упаковка и смазка.
Точный срок для конкретного типа подшипника уточняйте у наших менеджеров.
Пн–Пт: с 8:00 до 17:00 (МСК).
Сб–Вс: выходные дни.
Заказы на сайте принимаются круглосуточно. Заявки, поступившие после окончания рабочего дня, обрабатываются на следующий рабочий день.
Минимальная сумма заказа для доставки составляет 3000 рублей. Самовывоз со склада возможен на любую сумму при наличии товара.
ООО «УралТехГрупп»
ИНН: 7415093830
КПП: 772401001
ОГРН: 1167456069021
Банк: ПАО Сбербанк
Р/с: 40702810838000475273
К/с: 30101810400000000225
БИК: 044525225
У подшипника 63006-2RSR пока нет отзывов. Вы можете стать первым покупателем, поделившимся своим мнением.