Поиск подшипника
Статьи
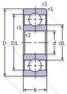
619/6 — Подшипник однорядный шариковый радиальный, модификация основного исполнения 619, выпускается производителями: AKN, CX, ISB, ISO, NKE, SKF, WIB, Подшипники EZO.
Размер подшипника: 6x15x5 мм.
Exxon aviation instrument oil.
Альтернативное обозначение: 696.
Аналоги: 696-HLC FAG,619/6 SKF,619/6 AKN,696 EZO,696 Neutral,619/6 Neutral.
Международная стандартизации ISO
6196
В наличии
| Обозначение | Конструктивные изменения |
|---|---|
| W 619/2.5 R | Нержавеющая сталь. С выпуклыми асимметричными роликами и обработанным сепаратором. ISO Tolerance Class ABEC.9. Distance Between Beginning Of The Rail And First Hole In MM. |
| W 619/3 R-2Z | Защитные металлические шайбы с обеих сторон подшипника. Нержавеющая сталь. С выпуклыми асимметричными роликами и обработанным сепаратором. Размерные и геометрические допуски соответствуют классу точности P6. |
| W 619/8 R | Нержавеющая сталь. С выпуклыми асимметричными роликами и обработанным сепаратором. Средний предварительный натяг. |
| W 619/5 R-2Z | Защитные металлические шайбы с обеих сторон подшипника. Нержавеющая сталь. С выпуклыми асимметричными роликами и обработанным сепаратором. Distance Between Beginning Of The Rail And First Hole In MM. |
| W 619/4 R-2Z | Защитные металлические шайбы с обеих сторон подшипника. Нержавеющая сталь. С выпуклыми асимметричными роликами и обработанным сепаратором. Подшипник с чрезвычайно высокой точностью вращения (Abec9) и допуском формы (Abec7). |
| W 619/4 R | Нержавеющая сталь. С выпуклыми асимметричными роликами и обработанным сепаратором. Подшипник с чрезвычайно высокой точностью вращения (Abec9) и допуском формы (Abec7). |
| W 619/2 XR-2Z | Защитные металлические шайбы с обеих сторон подшипника. Нержавеющая сталь. ISO Tolerance Class ABEC.9. |
| W 619/3 R | Нержавеющая сталь. С выпуклыми асимметричными роликами и обработанным сепаратором. Размерные и геометрические допуски соответствуют классу точности P6. |
| W 619/7 R-2RS1 | Усиленные листовой сталью контактные уплотнения из акрилонитрил-бутадиенового каучука (NBR) с обеих сторон подшипника. Нержавеющая сталь. С выпуклыми асимметричными роликами и обработанным сепаратором. Небольшая предварительная нагрузка. |
| W 619/5 R-2RS1 | Усиленные листовой сталью контактные уплотнения из акрилонитрил-бутадиенового каучука (NBR) с обеих сторон подшипника. Нержавеющая сталь. С выпуклыми асимметричными роликами и обработанным сепаратором. Distance Between Beginning Of The Rail And First Hole In MM. |
| W 619/7 R-2Z | Защитные металлические шайбы с обеих сторон подшипника. Нержавеющая сталь. С выпуклыми асимметричными роликами и обработанным сепаратором. Небольшая предварительная нагрузка. |
| W 619/9 R | Largest Fill. Нержавеющая сталь. С выпуклыми асимметричными роликами и обработанным сепаратором. |
| W 619/5 R | Нержавеющая сталь. С выпуклыми асимметричными роликами и обработанным сепаратором. Distance Between Beginning Of The Rail And First Hole In MM. |
| W 619/9 R-2Z | Защитные металлические шайбы с обеих сторон подшипника. Largest Fill. Нержавеющая сталь. С выпуклыми асимметричными роликами и обработанным сепаратором. |
| W 619/4 R-2RS1 | Усиленные листовой сталью контактные уплотнения из акрилонитрил-бутадиенового каучука (NBR) с обеих сторон подшипника. Нержавеющая сталь. С выпуклыми асимметричными роликами и обработанным сепаратором. Подшипник с чрезвычайно высокой точностью вращения (Abec9) и допуском формы (Abec7). |
| W 619/4 | Нержавеющая сталь. Подшипник с чрезвычайно высокой точностью вращения (Abec9) и допуском формы (Abec7). |
| 619/1180 MB | сепаратор из латуни. центрированный по внутреннему кольцу. |
| 619/1120 MB | сепаратор из латуни. центрированный по внутреннему кольцу. |
| 619/1600 MB | сепаратор из латуни. центрированный по внутреннему кольцу. |
| 619/1400 MB | сепаратор из латуни. центрированный по внутреннему кольцу. |
| 619/1700 MB | сепаратор из латуни. центрированный по внутреннему кольцу. |
| 619/1500 MB | сепаратор из латуни. центрированный по внутреннему кольцу. Preload Expressed In Pounds. |
| 619/1060 MB | сепаратор из латуни. центрированный по внутреннему кольцу. Длина рельса в мм. |
| 619/900 MB | сепаратор из латуни. центрированный по внутреннему кольцу. |
| 619/950 MB | сепаратор из латуни. центрированный по внутреннему кольцу. |
Модификации шарикового подшипника 619/6 — это измененное основное конструктивное исполнение 619, основные размеры (6x15x5) не отличаются.
| Обозначение | Гост | Конструктивные особенности |
|---|---|---|
| 696 | ISO | Подшипник однорядный шариковый радиальный. |
| 696-HLC | ISO | Код местонахождения завода. может использоваться в стандартной комплектации. |
| 625-HLN | ISO | Код местонахождения завода. может использоваться в стандартной комплектации. |
| 696-2RSR-HLN | ISO | Резиновые уплотнения с каждой стороны подшипника. Код местонахождения завода. может использоваться в стандартной комплектации. |
| 696-2Z-HLN | ISO | Защитные металлические шайбы с обеих сторон. Код местонахождения завода. может использоваться в стандартной комплектации. |
| 625MC3E | ISO | (Миниатюрные радиальные шарикоподшипники серии Metric. M = без латунного сепаратора) = Нормальный радиальный внутренний зазор. |
| 625LLB | ISO | Уплотнение бесконтактного типа из синтетического каучука. |
| 687ZZ+6 | ISO | Защитные металлические шайбы с обеих сторон. Exxon Aviation Instrument Oil. |
| 625ZMC3E | ISO | Тихая работа. щит из листовой прессованной стали с одной стороны подшипника. Улучшенный нормальный зазор (без латунного сепаратора). |
| K625POM/GLASS | ISO | Полимер. Стеклянные тела качения. |
| 625DD+6 | ISO | Два уплотнения из PTFE. Exxon Aviation Instrument Oil. |
| 625ZZ+6 | ISO | Защитные металлические шайбы с обеих сторон. Exxon Aviation Instrument Oil. |
| 605-2RSR-HLC | ISO | Резиновые уплотнения с каждой стороны подшипника. Код местонахождения завода. может использоваться в стандартной комплектации. |
| 625-2RZ C3 | ISO | Внутренний зазор больше нормального. Шарикоподшипник. С уплотнением и низким коэффициентом трения с обеих сторон. Уплотнение состоит из шайбы из листовой стали с вулканизированной резиной. |
| 625ZZ1 MC3J/NS7S8 | ISO | Стандартное заполнение. Сепаратор из стали. (Миниатюрные радиальные шарикоподшипники серии Metric. M = без латунного сепаратора) = Нормальный радиальный внутренний зазор. Защитные из нержавеющей стали шайбы с двух сторон подшипника. NS Hi Lube Grease. (NS7/ Inside With Grease. Up Than 35%. Temperature Resistance -40°C To +140°C). |
| F625 | ISO | Механически обработанный сепаратор из стали или специального чугуна. |
| 625-2Z GPR E G310 | ISO | Сепаратор изготовлен из листовой стали. Защитные металлические шайбы с обеих сторон. Испытание на шум. Klüber Asonic GLY32. Temperature Range/ -50°C to 140°C. |
| 625/0002GPR J | ISO | Сепаратор изготовлен из нержавеющей листовой стали. Испытание на шум. |
| 625GPR E | ISO | Сепаратор изготовлен из листовой стали. Испытание на шум. |
| R1660HH | ISO | Double Shield. Non Removable. |
| 625-2RSR-HLN-C3 | ISO | Внутренний зазор больше нормального. Резиновые уплотнения с каждой стороны подшипника. Код местонахождения завода. может использоваться в стандартной комплектации. |
| 696-2Z-C3 | ISO | Внутренний зазор больше нормального. Защитные металлические шайбы с обеих сторон. |
Аналог шарикового подшипника 619/6 — это подшипник такого же размера dx6,Dx15,Bx5, типа и конструкции.
| Обозначение | Конструктивные особенности | Внутренний (d) | Наружный (D) | Ширина (B) |
|---|---|---|---|---|
| 5-80025-КЮТС21 | Шариковый радиальный однорядный подшипник. «Замок» (скос) на внутреннем кольце плюс массивный сепаратор из текстолита. Температура отпуска. 160°. Смазка ЭРА. Все детали или часть деталей из нержавеющей стали.. | 5.00 | 16.00 | 5.00 |
| 5-80025 ЮТС19 | Шариковый радиальный однорядный подшипник. Температура отпуска. 160°. Все детали или часть деталей из нержавеющей стали.. Смазка ВНИИНП-286. | 5.00 | 16.00 | 5.00 |
| 5-80025-ЮТС2 | Шариковый радиальный однорядный подшипник. Температура отпуска. 160°. Все детали или часть деталей из нержавеющей стали.. Смазка ЦИАТИМ-221. | 5.00 | 16.00 | 5.00 |
| 5-80025-ЮТС21 | Шариковый радиальный однорядный подшипник. Температура отпуска. 160°. Смазка ЭРА. Все детали или часть деталей из нержавеющей стали.. | 5.00 | 16.00 | 5.00 |
| 5-840025-К | Шариковый радиальный однорядный подшипник. «Замок» (скос) на внутреннем кольце плюс массивный сепаратор из текстолита. | 5.00 | 16.00 | 6.00 |
| 522-1080096-К1УС21 | Шариковый радиальный однорядный подшипник. Дополнительные технические требования. Смазка ЭРА. | 6.00 | 15.00 | 5.00 |
| 534-1080096-К1Т1У1С21 | Шариковый радиальный однорядный подшипник. 180°. Смазка ЭРА. Температура отпуска. Дополнительные технические требования. | 6.00 | 15.00 | 5.00 |
| 5М4-1006096 Е | Шариковый радиально-упорный однорядный подшипник. Сепаратор из текстолита.. | 6.00 | 15.00 | 5.00 |
| 5М5-6025 | Шариковый радиально-упорный однорядный подшипник. Модифицированный контакт.. | 5.00 | 16.00 | 5.00 |
| 6-1000096 Т2 | Шариковый радиальный однорядный подшипник. 200°. Температура отпуска. | 6.00 | 15.00 | 5.00 |
| 6-1000096-Ю1Т | Шариковый радиальный однорядный подшипник. Температура отпуска. 160°. Все детали или часть деталей из нержавеющей стали.. | 6.00 | 15.00 | 5.00 |
| 6-1000096 ЮТ | Шариковый радиальный однорядный подшипник. Температура отпуска. 160°. Все детали или часть деталей из нержавеющей стали.. | 6.00 | 15.00 | 5.00 |
| 6-1080096 С9 | Шариковый радиальный однорядный подшипник. Смазка ЛЗ-31. | 6.00 | 15.00 | 5.00 |
| 6-2000087 Ю | Шариковый радиальный однорядный подшипник. Все детали или часть деталей из нержавеющей стали.. | 7.00 | 14.00 | 4.00 |
| 6-2000087 ЮТ | Шариковый радиальный однорядный подшипник. Температура отпуска. 160°. Все детали или часть деталей из нержавеющей стали.. | 7.00 | 14.00 | 4.00 |
Способы доставки
Отправка через ведущие транспортные и курьерские компании: ПЭК, Деловые Линии, СДЭК, Байкал-Сервис, Энергия, КИТ, ЖелДорЭкспедиция.
Самовывоз возможен напрямую со склада в Москве.
Сроки доставки
Срок зависит от региона и выбранной транспортной компании. Все заказы комплектуются и отправляются в кратчайшие сроки со склада в Москве.
Надёжность и сохранность
Вся продукция упаковывается с учётом требований транспортировки. Мы гарантируем, что подшипники и комплектующие прибудут к заказчику в полной сохранности.
Доставка в страны ЕАЭС
Мы работаем с проверенными логистическими партнёрами, что позволяет оперативно доставлять заказы в Беларусь, Казахстан, Армению и другие страны ЕАЭС.
Варианты оплаты:
Минимальная сумма заказа и скидки:
Документы и гарантии:
Да, конечно! Наши технические специалисты готовы помочь вам с подбором точного аналога или замены подшипника. Просто позвоните нам по телефону +7 (495) 104-99-04 или напишите на почту zakaz@podsnab.ru.
Для оперативной консультации подготовьте, пожалуйста, имеющиеся данные: маркировку, размеры, тип оборудования или артикул старого подшипника.
Да, конечно! Мы высоко ценим долгосрочное сотрудничество и доверие клиентов по всей России. Для постоянных клиентов действует персональная система скидок.
Условия формируются индивидуально и зависят от:
Чтобы узнать свои условия и получить максимально выгодное предложение, свяжитесь с персональным менеджером или напишите нам на почту zakaz@podsnab.ru.
Вы можете оформить заказ несколькими способами:
Для оформления заказа от юридического лица свяжитесь с нашим отделом по работе с корпоративными клиентами по телефону +7 (495) 104-99-04 или напишите на email zakaz@podsnab.ru, прикрепив реквизиты вашей организации.
Мы оперативно подготовим коммерческое предложение и выставим счет.
Возврат товара надлежащего качества возможен в течение 10 дней с момента получения, если товар не был в употреблении, сохранен товарный вид, упаковка не вскрывалась и присутствуют все сопроводительные документы.
Возврат денежных средств осуществляется в течение 10 рабочих дней после проверки товара складом.
В соответствии с законодательством возврату не подлежат подшипники надлежащего качества, если отсутствует оригинальная упаковка или имеются следы монтажа.
В случае выявления брака или гарантийного случая мы гарантируем возврат или обмен товара.
Да, гарантийный срок хранения устанавливается заводом-изготовителем и в среднем составляет 2 года при соблюдении условий хранения: сухое помещение, оригинальная упаковка и смазка.
Точный срок для конкретного типа подшипника уточняйте у наших менеджеров.
Пн–Пт: с 8:00 до 17:00 (МСК).
Сб–Вс: выходные дни.
Заказы на сайте принимаются круглосуточно. Заявки, поступившие после окончания рабочего дня, обрабатываются на следующий рабочий день.
Минимальная сумма заказа для доставки составляет 3000 рублей. Самовывоз со склада возможен на любую сумму при наличии товара.
ООО «УралТехГрупп»
ИНН: 7415093830
КПП: 772401001
ОГРН: 1167456069021
Банк: ПАО Сбербанк
Р/с: 40702810838000475273
К/с: 30101810400000000225
БИК: 044525225
У подшипника 619/6 пока нет отзывов. Вы можете стать первым покупателем, поделившимся своим мнением.