Поиск подшипника
Статьи
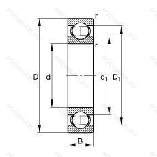
618/530M — Подшипник однорядный шариковый радиальный, модификация основного исполнения 618/530, производство FAG.
Размер подшипника: 530x650x56 мм.
Твердый латунный сепаратор. шариковые направляющие.
Аналоги: 618/530-M FAG.
Международная стандартизации ISO
618530M
В наличии
| Обозначение | Конструктивные изменения |
|---|---|
| 618/530-MA | Механически обработанный латунный сепаратор. Центрирование по внешнему кольцу. |
| 618/530MA/C3 | Внутренний зазор больше нормального. Механически обработанный латунный сепаратор. Центрирование по внешнему кольцу. |
| 618/530-M-C4 | Внутренний зазор подшипника больше. чем C3. Твердый латунный сепаратор. Шариковые направляющие. |
| 618/530MA/R898 | Механически обработанный латунный сепаратор. Центрирование по внешнему кольцу. |
| 618/530MB.C3 | Внутренний зазор больше нормального. Механически обработанный латунный сепаратор. клёпаный. центрируемый по внутреннему кольцу. |
| 618/530MB C4 | Внутренний зазор подшипника больше. чем C3. Механически обработанный латунный сепаратор. направляющий по внутреннему кольцу. |
| 618/530MB P6 | Механически обработанный латунный сепаратор. направляющий по внутреннему кольцу. Размерные и геометрические допуски соответствуют классу точности P6. |
| 618/530MB | Механически обработанный латунный сепаратор. направляющий по внутреннему кольцу. |
| 618/530-M-C3 | Внутренний зазор больше нормального. Твердый латунный сепаратор. Шариковые направляющие. |
| 618/530-MA-C4 | Внутренний зазор подшипника больше. чем C3. Механически обработанный латунный сепаратор. Центрирование по внешнему кольцу. |
Модификации шарикового подшипника 618/530M — это измененное основное конструктивное исполнение 618/530, основные размеры (530x650x56) не отличаются.
| Обозначение | Гост | Конструктивные особенности |
|---|---|---|
| 618/530 | ISO | Подшипник однорядный шариковый радиальный. |
Аналог шарикового подшипника 618/530M — это подшипник такого же размера dx530,Dx650,Bx56, типа и конструкции.
| Обозначение | Конструктивные особенности | Внутренний (d) | Наружный (D) | Ширина (B) |
|---|---|---|---|---|
| SL1818/530-E-CN/3L | Однорядный цилиндрический роликовый подшипник. Повышенная грузоподъемность. Нормальный радиальный внутренний зазор. Clearance Range Corresponding To The Lower Half Of The Actual Clearance Range. Длина рельса в мм. | 530.00 | 650.00 | 56.00 |
| SL1818/530-BR-E | Однорядный цилиндрический роликовый подшипник. Повышенная грузоподъемность. Чёрный цвет. Длина рельса в мм. | 530.00 | 650.00 | 56.00 |
| SL1818/530-E-TB | Однорядный цилиндрический роликовый подшипник. Повышенная грузоподъемность. Подшипник с увеличенной осевой груподъемностью. Длина рельса в мм. | 530.00 | 650.00 | 56.00 |
| NU18/530-M1 | Однорядный цилиндрический роликовый подшипник. Механически обработанный латунный сепаратор. вращающийся элемент качения (крестовина на заклепках). Длина рельса в мм. | 530.00 | 650.00 | 56.00 |
| NCF18/530-V-CNL-SQ94D | Однорядный цилиндрический роликовый подшипник. Подшипник без сепаратора. С полным комплектом тел качения. Нижняя половина нормального зазора. Чёрный цвет. | 530.00 | 650.00 | 56.00 |
| SL1818/530 | Однорядный цилиндрический роликовый подшипник. Длина рельса в мм. | 530.00 | 650.00 | 56.00 |
| NCF18/530 | Однорядный цилиндрический роликовый подшипник. Длина рельса в мм. | 530.00 | 650.00 | 56.00 |
| SL1818/530-E-TB-BR-CN/3M | Однорядный цилиндрический роликовый подшипник. Повышенная грузоподъемность. Нормальный радиальный внутренний зазор. Чёрный цвет. Подшипник с увеличенной осевой груподъемностью. Длина рельса в мм. Clearance Range Corresponding To The Medium Half Of The Actual Clearance Range. | 530.00 | 650.00 | 56.00 |
| 718/530MP | Подшипник шариковый однорядный радиально-упорный. Механически обработанный латунный сепаратор оконного типа. | 530.00 | 650.00 | 56.00 |
| SL1818/530-E-C3 | Однорядный цилиндрический роликовый подшипник. Внутренний зазор больше нормального. Повышенная грузоподъемность. Длина рельса в мм. | 530.00 | 650.00 | 56.00 |
| NCF18/530V/L4B | Однорядный цилиндрический роликовый подшипник. Полный комплект роликов (без сепаратора). Rollers And Bearingrings Black Oxidized. | 530.00 | 650.00 | 56.00 |
| NFV18/530 | Роликовый радиальный однорядный подшипник. Длина рельса в мм. | 530.00 | 650.00 | 56.00 |
| NU18/530 | Роликовый радиальный однорядный подшипник. Длина рельса в мм. | 530.00 | 650.00 | 56.00 |
| 718/530 AMB | Шариковый радиально-упорный однорядный подшипник. Измененная или модифицированная внутренняя конструкция при неизменных основных размерах. | 530.00 | 650.00 | 56.00 |
| 718/530 AC/VQ074 | Шариковый радиальный однорядный подшипник. Суффикс для радиально-упорного шарикоподшипника. | 530.00 | 650.00 | 56.00 |
Способы доставки
Отправка через ведущие транспортные и курьерские компании: ПЭК, Деловые Линии, СДЭК, Байкал-Сервис, Энергия, КИТ, ЖелДорЭкспедиция.
Самовывоз возможен напрямую со склада в Москве.
Сроки доставки
Срок зависит от региона и выбранной транспортной компании. Все заказы комплектуются и отправляются в кратчайшие сроки со склада в Москве.
Надёжность и сохранность
Вся продукция упаковывается с учётом требований транспортировки. Мы гарантируем, что подшипники и комплектующие прибудут к заказчику в полной сохранности.
Доставка в страны ЕАЭС
Мы работаем с проверенными логистическими партнёрами, что позволяет оперативно доставлять заказы в Беларусь, Казахстан, Армению и другие страны ЕАЭС.
Варианты оплаты:
Минимальная сумма заказа и скидки:
Документы и гарантии:
Да, конечно! Наши технические специалисты готовы помочь вам с подбором точного аналога или замены подшипника. Просто позвоните нам по телефону +7 (495) 104-99-04 или напишите на почту zakaz@podsnab.ru.
Для оперативной консультации подготовьте, пожалуйста, имеющиеся данные: маркировку, размеры, тип оборудования или артикул старого подшипника.
Да, конечно! Мы высоко ценим долгосрочное сотрудничество и доверие клиентов по всей России. Для постоянных клиентов действует персональная система скидок.
Условия формируются индивидуально и зависят от:
Чтобы узнать свои условия и получить максимально выгодное предложение, свяжитесь с персональным менеджером или напишите нам на почту zakaz@podsnab.ru.
Вы можете оформить заказ несколькими способами:
Для оформления заказа от юридического лица свяжитесь с нашим отделом по работе с корпоративными клиентами по телефону +7 (495) 104-99-04 или напишите на email zakaz@podsnab.ru, прикрепив реквизиты вашей организации.
Мы оперативно подготовим коммерческое предложение и выставим счет.
Возврат товара надлежащего качества возможен в течение 10 дней с момента получения, если товар не был в употреблении, сохранен товарный вид, упаковка не вскрывалась и присутствуют все сопроводительные документы.
Возврат денежных средств осуществляется в течение 10 рабочих дней после проверки товара складом.
В соответствии с законодательством возврату не подлежат подшипники надлежащего качества, если отсутствует оригинальная упаковка или имеются следы монтажа.
В случае выявления брака или гарантийного случая мы гарантируем возврат или обмен товара.
Да, гарантийный срок хранения устанавливается заводом-изготовителем и в среднем составляет 2 года при соблюдении условий хранения: сухое помещение, оригинальная упаковка и смазка.
Точный срок для конкретного типа подшипника уточняйте у наших менеджеров.
Пн–Пт: с 8:00 до 17:00 (МСК).
Сб–Вс: выходные дни.
Заказы на сайте принимаются круглосуточно. Заявки, поступившие после окончания рабочего дня, обрабатываются на следующий рабочий день.
Минимальная сумма заказа для доставки составляет 3000 рублей. Самовывоз со склада возможен на любую сумму при наличии товара.
ООО «УралТехГрупп»
ИНН: 7415093830
КПП: 772401001
ОГРН: 1167456069021
Банк: ПАО Сбербанк
Р/с: 40702810838000475273
К/с: 30101810400000000225
БИК: 044525225
У подшипника 618/530M пока нет отзывов. Вы можете стать первым покупателем, поделившимся своим мнением.