Поиск подшипника
Статьи
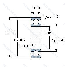
6213-TB-P6-C3 — Подшипник однорядный шариковый радиальный, модификация основного исполнения 6213, производство FAG.
Размер подшипника: 65x120x23 мм.
Внутренний зазор больше нормального, размерные и геометрические допуски соответствуют классу точности p6, сепаратор оконного типа из фенольной смолы. армированной тканью. центрирование по внутреннему кольцу.
Международная стандартизации ISO
6213TBP6C3
В наличии
| Обозначение | Конструктивные изменения |
|---|---|
| 6213DDU CM NR | Канавка под стопорное кольцо на наружном кольце с соответствующим стопорным кольцом. Резиновые уплотнения с каждой стороны подшипника. Шариковый подшипник. Специальный радиальный внутренний зазор для электродвигателей. |
| 6213DDUNR | Канавка под стопорное кольцо на наружном кольце с соответствующим стопорным кольцом. Резиновые уплотнения с каждой стороны подшипника. |
| 6213.2RSR.L12 | Резиновые уплотнения с каждой стороны подшипника. Rolling Bearing Grease (Polyurea) High Temperature -30°C/+175°C. |
| 6213Z C3 P5/X26 | Внутренний зазор больше нормального. Металлическое уплотнение с одной стороны. Радиальный тип. Размерная и рабочая точность соответствует классу допуска ISO 5. Термическая стабилизация для рабочей температуры максимум 150°C. |
| 6213-2Z-L069-C3 | Внутренний зазор больше нормального. Зазорные уплотнения с обеих сторон.. Insert Bearing Grease For Wide Temperature Range - Polycarbamide Ester Oil - –40°C to +180°C. |
| 6213EEC3 | Резиновые уплотнения с каждой стороны подшипника. |
| 6213-H-2RSR-SN-C3 | Внутренний зазор больше нормального. Стандартное качество. Резиновые уплотнения с каждой стороны подшипника. Кольца подшипника стабилизированы по размерам до 120°C.. |
| 6213-H-2RSR-SN | Стандартное качество. Резиновые уплотнения с каждой стороны подшипника. Кольца подшипника стабилизированы по размерам до 120°C.. |
| 6213-H-2Z-SN-C3 | Внутренний зазор больше нормального. Защитные металлические шайбы с обеих сторон. Стандартное качество. Кольца подшипника стабилизированы по размерам до 120°C.. |
| 6213-H-2Z-SN | Защитные металлические шайбы с обеих сторон. Стандартное качество. Кольца подшипника стабилизированы по размерам до 120°C.. |
| 6213-H-SN-C3 | Внутренний зазор больше нормального. Стандартное качество. Кольца подшипника стабилизированы по размерам до 120°C.. |
| 6213-H-SN | Стандартное качество. Кольца подшипника стабилизированы по размерам до 120°C.. |
| 6213BI | Угол контакта 40 градусов. |
| 6213ZZNR | Стальная шайба. Канавка и стопорное кольцо на наружном кольце. |
| 6213-2RU | Non Contact Type Friction Torque = Small High Speed Performance = Good Grease Sealing = Better Than ZZ-Type Dirt Resistance = Better Than ZZ-Type Water Resistance = Better Than ZZ / Inferior To 2RS Operating Temp. -30°C To + 100°C. |
| 6213-2NKE | Double Labyrinth Seal (Non Contact). |
| 6213ZE | щит из листовой прессованной стали с одной стороны подшипника. |
| 6213NSE | Резиновое уплотнение с одной стороны. |
| 6213-2Z-N | Защитные металлические шайбы с обеих сторон подшипника. Канавка под стопорное кольцо на внешнем кольце. |
| 6213LLB | Уплотнение бесконтактного типа из синтетического каучука. |
| 6213LB | Бесконтактное нитриловое уплотнение. |
| 6213LU | Двухкромочное нитриловое контактное уплотнение. |
| 6213LLUNR | Канавка и стопорное кольцо на наружном кольце. Двухкромочное нитриловое контактное уплотнение. |
| 6213LLBNR | Канавка и стопорное кольцо на наружном кольце. Бесконтактное нитриловое уплотнение. |
| 6213E | Контактное уплотнение с одной стороны. |
Модификации шарикового подшипника 6213-TB-P6-C3 — это измененное основное конструктивное исполнение 6213, основные размеры (65x120x23) не отличаются.
| Обозначение | Гост | Конструктивные особенности |
|---|---|---|
| 10ADY | ISO | Конические роликоподшипники. произведенные в Корее и продаваемые под торговой маркой FAG. могут быть идентифицированы по суффиксу -DY/-DZ. |
| 10APPL | ISO | Без суффикса. но с обозначением типа. |
| 213SFFC | ISO | Подшипник с шириной картриджа, с двумя защитными шайбами. |
| 10A | ISO | Двухрядный радиально-упорный шарикоподшипник без отверстия для смазки. |
| BL213ZZ/2A | ISO | Защитные металлические шайбы с обеих сторон. Lubricant. Shell Oil Co.. Alvania #2 Grease. Mil-G-18709A. |
| 213N | ISO | Канавка под стопорное кольцо на внешнем кольце. |
| 213ZZ NR C3 | ISO | Внутренний зазор больше нормального. Защитные металлические шайбы с обеих сторон. Канавка под стопорное кольцо на наружном кольце с соответствующим стопорным кольцом. |
| BL213ZZ | ISO | Защитные металлические шайбы с обеих сторон. |
| M213J C3 | ISO | Внутренний зазор больше нормального. Сепаратор из стали. |
| M213NR J | ISO | Прессованный стальной сепаратор. Канавка под стопорное кольцо на наружном кольце с соответствующим стопорным кольцом. |
| 213K | ISO | Conrad (Non-Filling Slot) Type. |
| 213WG | ISO | Радиальный подшипник. Тип заправочного паза. Канавка под стопорное кольцо на наружном кольце с соответствующим стопорным кольцом. |
| CB6213TB.P64 | ISO | Сепаратор оконного типа из фенольной смолы. армированной тканью. Центрирование по внутреннему кольцу. Комбинация P6 (Точность размеров и хода по классу допуска ISO 6 (лучше. чем нормальный)) и C4 (Внутренний зазор подшипника больше. чем C3). |
| BL213C3 | ISO | Внутренний зазор больше нормального. |
| 213M | ISO | Максимальная производительность. Канавка для ввода тел качения. |
| 213ZN | ISO | щит из листовой прессованной стали с одной стороны подшипника. Канавка под стопорное кольцо на внешнем кольце. |
| 213MFG | ISO | Максимальная производительность. Канавка для ввода тел качения. Однорядный радиальный шарикоподшипник с защитной шайбой с одной стороны. Канавка под стопорное кольцо на наружном кольце с соответствующим стопорным кольцом. |
| 213WDG | ISO | Канавка под стопорное кольцо на наружном кольце с соответствующим стопорным кольцом. Защитная шайба из штампованной стали с одной стороны. |
| 213SFF | ISO | Single Row Radial Conrad-Type Bearings. Металлическое уплотнение с двух сторон. |
| 213KRR | ISO | Манжетные уплотнения с обеих сторон (уплотнение типа R - имеет оцинкованные внутреннюю и внешнюю крышки. Между крышками имеется уплотнительная кромка NBR. идущая по шлифованному буртику). |
Аналог шарикового подшипника 6213-TB-P6-C3 — это подшипник такого же размера dx65,Dx120,Bx23, типа и конструкции.
| Обозначение | Конструктивные особенности | Внутренний (d) | Наружный (D) | Ширина (B) |
|---|---|---|---|---|
| 46213-Л | Шариковый радиально-упорный однорядный подшипник. Сепаратор из латуни.. | 65.00 | 120.00 | 23.00 |
| 46213-Е5 | Шариковый радиально-упорный однорядный подшипник. Сепаратор из текстолита.. | 65.00 | 120.00 | 23.00 |
| 46213К | Шариковый радиально-упорный однорядный подшипник. «Замок» (скос) на внутреннем кольце плюс массивный сепаратор из текстолита. | 65.00 | 120.00 | 23.00 |
| 5-116213 Т | Шариковый радиально-упорный однорядный подшипник. Температура отпуска. 160°. | 65.00 | 120.00 | 23.00 |
| 5-213 Ю1 | Шариковый радиальный однорядный подшипник. Все детали или часть деталей из нержавеющей стали.. | 65.00 | 120.00 | 23.00 |
| 5-36213 К | Шариковый радиально-упорный однорядный подшипник. «Замок» (скос) на внутреннем кольце плюс массивный сепаратор из текстолита. | 65.00 | 120.00 | 23.00 |
| 5-46213 Е | Шариковый радиально-упорный однорядный подшипник. Сепаратор из текстолита.. | 65.00 | 120.00 | 23.00 |
| 5-46213 Е2 | Шариковый радиально-упорный однорядный подшипник. Сепаратор из пластических материалов.. | 65.00 | 120.00 | 23.00 |
| 5-46213 Е5 | Шариковый радиально-упорный однорядный подшипник. Сепаратор из текстолита.. | 65.00 | 120.00 | 23.00 |
| 5-46213 Л | Шариковый радиально-упорный однорядный подшипник. Сепаратор из латуни.. | 65.00 | 120.00 | 23.00 |
| 50213-А | Шариковый радиальный однорядный подшипник. Повышенная грузоподъемность. | 65.00 | 120.00 | 23.00 |
| 50213-АК | Шариковый радиальный однорядный подшипник. Повышенная грузоподъемность. | 65.00 | 120.00 | 23.00 |
| 6-116213 Т | Шариковый радиально-упорный однорядный подшипник. Температура отпуска. 160°. | 65.00 | 120.00 | 23.00 |
| 6-12213 К1М | Роликовый радиальный однорядный подшипник. Модифицированный контакт.. | 65.00 | 120.00 | 23.00 |
| 6-12213 КМ | Роликовый радиальный однорядный подшипник. Модифицированный контакт.. | 65.00 | 120.00 | 23.00 |
Способы доставки
Отправка через ведущие транспортные и курьерские компании: ПЭК, Деловые Линии, СДЭК, Байкал-Сервис, Энергия, КИТ, ЖелДорЭкспедиция.
Самовывоз возможен напрямую со склада в Москве.
Сроки доставки
Срок зависит от региона и выбранной транспортной компании. Все заказы комплектуются и отправляются в кратчайшие сроки со склада в Москве.
Надёжность и сохранность
Вся продукция упаковывается с учётом требований транспортировки. Мы гарантируем, что подшипники и комплектующие прибудут к заказчику в полной сохранности.
Доставка в страны ЕАЭС
Мы работаем с проверенными логистическими партнёрами, что позволяет оперативно доставлять заказы в Беларусь, Казахстан, Армению и другие страны ЕАЭС.
Варианты оплаты:
Минимальная сумма заказа и скидки:
Документы и гарантии:
Да, конечно! Наши технические специалисты готовы помочь вам с подбором точного аналога или замены подшипника. Просто позвоните нам по телефону +7 (495) 104-99-04 или напишите на почту zakaz@podsnab.ru.
Для оперативной консультации подготовьте, пожалуйста, имеющиеся данные: маркировку, размеры, тип оборудования или артикул старого подшипника.
Да, конечно! Мы высоко ценим долгосрочное сотрудничество и доверие клиентов по всей России. Для постоянных клиентов действует персональная система скидок.
Условия формируются индивидуально и зависят от:
Чтобы узнать свои условия и получить максимально выгодное предложение, свяжитесь с персональным менеджером или напишите нам на почту zakaz@podsnab.ru.
Вы можете оформить заказ несколькими способами:
Для оформления заказа от юридического лица свяжитесь с нашим отделом по работе с корпоративными клиентами по телефону +7 (495) 104-99-04 или напишите на email zakaz@podsnab.ru, прикрепив реквизиты вашей организации.
Мы оперативно подготовим коммерческое предложение и выставим счет.
Возврат товара надлежащего качества возможен в течение 10 дней с момента получения, если товар не был в употреблении, сохранен товарный вид, упаковка не вскрывалась и присутствуют все сопроводительные документы.
Возврат денежных средств осуществляется в течение 10 рабочих дней после проверки товара складом.
В соответствии с законодательством возврату не подлежат подшипники надлежащего качества, если отсутствует оригинальная упаковка или имеются следы монтажа.
В случае выявления брака или гарантийного случая мы гарантируем возврат или обмен товара.
Да, гарантийный срок хранения устанавливается заводом-изготовителем и в среднем составляет 2 года при соблюдении условий хранения: сухое помещение, оригинальная упаковка и смазка.
Точный срок для конкретного типа подшипника уточняйте у наших менеджеров.
Пн–Пт: с 8:00 до 17:00 (МСК).
Сб–Вс: выходные дни.
Заказы на сайте принимаются круглосуточно. Заявки, поступившие после окончания рабочего дня, обрабатываются на следующий рабочий день.
Минимальная сумма заказа для доставки составляет 3000 рублей. Самовывоз со склада возможен на любую сумму при наличии товара.
ООО «УралТехГрупп»
ИНН: 7415093830
КПП: 772401001
ОГРН: 1167456069021
Банк: ПАО Сбербанк
Р/с: 40702810838000475273
К/с: 30101810400000000225
БИК: 044525225
У подшипника 6213-TB-P6-C3 пока нет отзывов. Вы можете стать первым покупателем, поделившимся своим мнением.