Поиск подшипника
Статьи
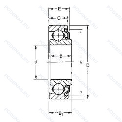
201KL — Подшипник однорядный шариковый радиальный, модификация основного исполнения 201, производство FAFNIR.
Размер подшипника: 12x32x10 мм.
Flanged type (2 thru holes)-medium load.
Аналоги: 6201 FAG,6201-C FAG,6201-CV FAG,6201 Felstrom,6201 SKF,6201 Timken,6201 CBF,6201 Nachi,6201 NTN,6201 SNR,6201CM Koyo,6201CM NSK,6201 Koyo,6201 NKE,6B5328 Caterpillar,6201 RIV,6201 FBJ,6201 URB,6201 ISB,6201 FLT,6201 KG,6201 Bing Netherlands,6201 Neutral,6201 GPZ.
Международная стандартизации ISO
201KL
В наличии
| Обозначение | Конструктивные изменения |
|---|---|
| 201K | Conrad (Non-Filling Slot) Type. |
| 201KTD | Металлическое уплотнение с одной стороны. Conrad (Non-Filling Slot) Type. |
| 201KLL3 | Conrad (Non-Filling Slot) Type. Different From Standard In One Respect Or Another. Two Mechani-Seals. Interchangeable with RR Series. But Have Non-Contact Labyrinth Seals And Steel Cages For Low Torque. High Speed And Higher Temperature Service. (Up to 350°F/176°C). |
| 201FFS | Two Felt Seals. Replaced By 88xxx. |
| 201R | Расточенное наружное кольцо. Подшипник однорядный радиального типа. Угол контакта 15°. |
| 2MM201WI CR DUM | Дуплексная пара подшипников. Универсальная установка. Средний преднатяг. (TB-Segment) Phenolic (Composition) Fafnir Standard. Низкий буртик на наружном кольце. |
| 201KLD2 | Металлическое уплотнение с одной стороны. Conrad (Non-Filling Slot) Type. Одно механическое уплотнение. |
| 201KTD2 | Металлическое уплотнение с одной стороны. Conrad (Non-Filling Slot) Type. |
| 2MM201WI SUL | Одиночный подшипник. Универсальный. Легкий преднатяг. 15° Low Угол контакта. Superprecision Abec-7 (Iso P4).. Низкий борт на наружном кольце, стандартный сепаратор - формованный армированный нейлоновый. |
| 201NPPG | Wireloc. Манжетные уплотнения с обеих сторон подшипника. Несъемное уплотнение. |
| 201P | Сепаратор из полиамида. |
| 2MM201WI CR DUL | Дуплексная пара подшипников. Универсальная установка. Лёгкий преднатяг. 15° Low Угол контакта. Super Precision Abec-7 (Iso P4).. Фенол (состав) cтандарт Fafnir. Низкий буртик на наружном кольце. |
| 201KT | Greases With Lower Operating Temperature -30°C. |
| 2MMV201WI CR SUL | Одиночный подшипник. Универсальный. Легкий преднатяг. 15° Low Угол контакта. Superprecision Abec-7 (Iso P4).. 15° Low Угол контакта. High Grade (HG) Between Abec-7 (ISO P4) And Abec-9 (ISO P2).. (TB-Segment) Phenolic (Composition) Fafnir Standard. Low Shoulder On Outer RIng (Standard Cage!!! (Molded Reinforced Nylon Cage)). |
| 201K C4 | Коническое отверстие. Конусность 1/12. Внутренний зазор подшипника больше. чем C3. |
| 201KTT4 | Conrad (Non-Filling Slot) Type. Набор из трех одинаковых однорядных радиальных или радиально-упорных шарикоподшипников. расположенных в тандеме. |
| 201SZZST | Stainless Steel (440C) Rings And Rolling Elements. Однорядный радиальный подшипник. С двумя уплотнениями. |
| 201FSF3 | Размерные и геометрические допуски соответствуют классу точности P6. Шарикоподшипник. С уплотнением и низким коэффициентом трения с обеих сторон. Уплотнение состоит из шайбы из листовой стали с вулканизированной резиной. |
| 201FS/F1 | Подшипники качения для тяговых двигателей. Подшипниковый вкладыш с маслоотражательными уплотнениями. Standard Precision ABEC-1. |
| 201NPP | Манжетные уплотнения с обеих сторон (Тип P — две шайбы из оцинкованной листовой стали с промежуточной частью из NBR. Кромка уплотнения предварительно нагружена в осевом направлении). |
| 201HCRRDUL G-75P2PF21 | 15° Угол контакта. Сепаратор из фенольной смолы с текстильным ламинированием. Внешнее кольцо центрировано. Устройство повторного смазывания со смазочной канавкой и отверстием на внешнем кольце. Комплект из 2 универсальных подшипников. Небольшой предварительный натяг. Double Seal. |
| 201SZZ | Однорядный радиальный подшипник. С двумя уплотнениями. |
| BSA 201 C | 15° Угол контакта. |
| BSA 201 CG-2RZ | Шарикоподшипник. С уплотнением и низким коэффициентом трения с обеих сторон. Уплотнение состоит из шайбы из листовой стали с вулканизированной резиной. Резьбовой винт со стопором и защелкой. |
| BSA 201 CG | Резьбовой винт со стопором и защелкой. |
Модификации шарикового подшипника 201KL — это измененное основное конструктивное исполнение 201, основные размеры (12x32x10) не отличаются.
| Обозначение | Гост | Конструктивные особенности |
|---|---|---|
| 6201CM | ISO | Шариковый подшипник. Специальный радиальный внутренний зазор для электродвигателей. |
| 6201 | ISO | Подшипник однорядный шариковый радиальный. |
| 6B5328 | ISO | Подшипник однорядный шариковый радиальный. |
| 6201 2RS CM FG | ISO | Резиновые уплотнения с каждой стороны подшипника. Шариковый подшипник. Специальный радиальный внутренний зазор для электродвигателей. Формованный сепаратор из полиамида. усиленного стекловолокном. |
| 6201ZZ C3 FG | ISO | Внутренний зазор больше нормального. Защитные металлические шайбы с обеих сторон. Формованный сепаратор из полиамида. усиленного стекловолокном. |
| 6201.RSR.J22C | ISO | Продукция без маркировки или с ограниченной маркировкой. Технические характеристики упаковки J22C. Заменяет Z67. Контактное уплотнение с одной стороны. Радиальный тип. |
| 6201NSE AV2 | ISO | Lubricant. Shell Oil Co.. Alvania #2 Grease. 1/4 Full. Temperature Range = -10°C / + 110°C (Normal Temperature Grease). Резиновое уплотнение с одной стороны. |
| 6201ZZ C3 GA2 | ISO | Внутренний зазор больше нормального. Защитные металлические шайбы с обеих сторон. Смазка. Shell Oil Co. Alvania #2 Grease. |
| 6201 2ZJEM | ISO | Защитные металлические шайбы с обеих сторон подшипника. Сепаратор из штампованной стали. Элемент качения отцентрирован. Тихий ход. Зазор C3 (не обозначается на подшипнике). |
| 6201+6 | ISO | Exxon Aviation Instrument Oil. |
| 6201DDU+6 | ISO | Резиновые уплотнения с каждой стороны подшипника. Exxon Aviation Instrument Oil. |
| 6201VV C3 | ISO | Внутренний зазор больше нормального. Защитные металлические шайбы с двух сторон подшипника (лучше. чем ZZ (пригодно для использования в условиях умеренной запыленности)) Бесконтактного уплотнения. |
| 6201ZZ C4 | ISO | Внутренний зазор подшипника больше. чем C3. Защитные металлические шайбы с обеих сторон. |
| 6201ZENRC3 | ISO | Внутренний зазор больше нормального. Канавка под стопорное кольцо на наружном кольце с соответствующим стопорным кольцом. щит из листовой прессованной стали с одной стороны подшипника. |
| 6201-2RS1/C3QE6 | ISO | Внутренний зазор больше нормального. Усиленные листовой сталью контактные уплотнения из акрилонитрил-бутадиенового каучука (NBR) с обеих сторон подшипника. Тихая работа. |
| 6201UG | ISO | Канавки на внутренней стороне наружного кольца. |
| 6201DDU C3 | ISO | Внутренний зазор больше нормального. Резиновые уплотнения с каждой стороны подшипника. |
| 6201-2RS-CS-SRL | ISO | Резиновые уплотнения с каждой стороны подшипника. Is the same as the prefix E2. From SKF. Multemp SRL Grease. - 40° + 150° Celsius. |
| 6201.NRZZ | ISO | Защитные металлические шайбы с обеих сторон. Канавка под стопорное кольцо на наружном кольце с соответствующим стопорным кольцом. |
| 6201-C-2Z-L207-C3 | ISO | Модифицированная внутренняя конструкция. Внутренний зазор больше нормального. Зазорные уплотнения с обеих сторон.. Заполнение консистентной смазкой Arcanol L207 (высокотемпературная смазка). |
| 6201CMD | ISO | Шариковый подшипник. Специальный радиальный внутренний зазор для электродвигателей. |
| 6201-ZTN9/C3 | ISO | Внутренний зазор больше нормального. Литой защелкивающийся сепаратор из полиамида. армированного стекловолокном 6.6. щит из листовой прессованной стали с одной стороны подшипника. |
| 6201T1XDDW1NCXC-01 EN | ISO | Канавка под стопорное кольцо на внешнем кольце. Полиамидный фиксатор. Увеличенная грузоподъемность и канавка под стопорное кольцо на наружном кольце. Design. Двойное резиновые уплотнения со сверхлегким контактов. метрические радиальные шарикоподшипники малого диаметра. |
Аналог шарикового подшипника 201KL — это подшипник такого же размера dx12,Dx32,Bx10, типа и конструкции.
| Обозначение | Конструктивные особенности | Внутренний (d) | Наружный (D) | Ширина (B) |
|---|---|---|---|---|
| 5-60201 Т2Ш2У | Шариковый радиальный однорядный подшипник. Дополнительные технические требования. 200°. Температура отпуска. Нормы шумности. | 12.00 | 32.00 | 10.00 |
| 5-80201 С2 | Шариковый радиальный однорядный подшипник. Смазка ЦИАТИМ-221. | 12.00 | 32.00 | 10.00 |
| 5-80201 С9 | Шариковый радиальный однорядный подшипник. Смазка ЛЗ-31. | 12.00 | 32.00 | 10.00 |
| 5-80201 С9Ш2У | Шариковый радиальный однорядный подшипник. Дополнительные технические требования. Нормы шумности. Смазка ЛЗ-31. | 12.00 | 32.00 | 10.00 |
| 5-80201 Ш2УС9 | Шариковый радиальный однорядный подшипник. Дополнительные технические требования. Нормы шумности. Смазка ЛЗ-31. | 12.00 | 32.00 | 10.00 |
| 6-180201 АС17 | Шариковый радиальный однорядный подшипник. Смазка Литол-24. Повышенная грузоподъемность. | 12.00 | 32.00 | 10.00 |
| 6-180201 С17 | Шариковый радиальный однорядный подшипник. Смазка Литол-24. | 12.00 | 32.00 | 10.00 |
| 6-180201 С9 | Шариковый радиальный однорядный подшипник. Смазка ЛЗ-31. | 12.00 | 32.00 | 10.00 |
| 6-180201 С9Ш1 | Шариковый радиальный однорядный подшипник. Нормы шумности. Смазка ЛЗ-31. | 12.00 | 32.00 | 10.00 |
| 6-180201 У2 | Шариковый радиальный однорядный подшипник. Дополнительные технические требования. | 12.00 | 32.00 | 10.00 |
| 6-180201 У2С21 | Шариковый радиальный однорядный подшипник. Смазка ЭРА. Дополнительные технические требования. | 12.00 | 32.00 | 10.00 |
| 6-180201 У2С9 | Шариковый радиальный однорядный подшипник. Дополнительные технические требования. Смазка ЛЗ-31. | 12.00 | 32.00 | 10.00 |
| 6-180201 У2С9Ш1 | Шариковый радиальный однорядный подшипник. Нормы шумности. Дополнительные технические требования. Смазка ЛЗ-31. | 12.00 | 32.00 | 10.00 |
| 6-180201 У3С9Ш1 | Шариковый радиальный однорядный подшипник. Нормы шумности. Дополнительные технические требования. Смазка ЛЗ-31. | 12.00 | 32.00 | 10.00 |
| 6-180201 Ш1С9 | Шариковый радиальный однорядный подшипник. Нормы шумности. Смазка ЛЗ-31. | 12.00 | 32.00 | 10.00 |
Способы доставки
Отправка через ведущие транспортные и курьерские компании: ПЭК, Деловые Линии, СДЭК, Байкал-Сервис, Энергия, КИТ, ЖелДорЭкспедиция.
Самовывоз возможен напрямую со склада в Москве.
Сроки доставки
Срок зависит от региона и выбранной транспортной компании. Все заказы комплектуются и отправляются в кратчайшие сроки со склада в Москве.
Надёжность и сохранность
Вся продукция упаковывается с учётом требований транспортировки. Мы гарантируем, что подшипники и комплектующие прибудут к заказчику в полной сохранности.
Доставка в страны ЕАЭС
Мы работаем с проверенными логистическими партнёрами, что позволяет оперативно доставлять заказы в Беларусь, Казахстан, Армению и другие страны ЕАЭС.
Варианты оплаты:
Минимальная сумма заказа и скидки:
Документы и гарантии:
Да, конечно! Наши технические специалисты готовы помочь вам с подбором точного аналога или замены подшипника. Просто позвоните нам по телефону +7 (495) 104-99-04 или напишите на почту zakaz@podsnab.ru.
Для оперативной консультации подготовьте, пожалуйста, имеющиеся данные: маркировку, размеры, тип оборудования или артикул старого подшипника.
Да, конечно! Мы высоко ценим долгосрочное сотрудничество и доверие клиентов по всей России. Для постоянных клиентов действует персональная система скидок.
Условия формируются индивидуально и зависят от:
Чтобы узнать свои условия и получить максимально выгодное предложение, свяжитесь с персональным менеджером или напишите нам на почту zakaz@podsnab.ru.
Вы можете оформить заказ несколькими способами:
Для оформления заказа от юридического лица свяжитесь с нашим отделом по работе с корпоративными клиентами по телефону +7 (495) 104-99-04 или напишите на email zakaz@podsnab.ru, прикрепив реквизиты вашей организации.
Мы оперативно подготовим коммерческое предложение и выставим счет.
Возврат товара надлежащего качества возможен в течение 10 дней с момента получения, если товар не был в употреблении, сохранен товарный вид, упаковка не вскрывалась и присутствуют все сопроводительные документы.
Возврат денежных средств осуществляется в течение 10 рабочих дней после проверки товара складом.
В соответствии с законодательством возврату не подлежат подшипники надлежащего качества, если отсутствует оригинальная упаковка или имеются следы монтажа.
В случае выявления брака или гарантийного случая мы гарантируем возврат или обмен товара.
Да, гарантийный срок хранения устанавливается заводом-изготовителем и в среднем составляет 2 года при соблюдении условий хранения: сухое помещение, оригинальная упаковка и смазка.
Точный срок для конкретного типа подшипника уточняйте у наших менеджеров.
Пн–Пт: с 8:00 до 17:00 (МСК).
Сб–Вс: выходные дни.
Заказы на сайте принимаются круглосуточно. Заявки, поступившие после окончания рабочего дня, обрабатываются на следующий рабочий день.
Минимальная сумма заказа для доставки составляет 3000 рублей. Самовывоз со склада возможен на любую сумму при наличии товара.
ООО «УралТехГрупп»
ИНН: 7415093830
КПП: 772401001
ОГРН: 1167456069021
Банк: ПАО Сбербанк
Р/с: 40702810838000475273
К/с: 30101810400000000225
БИК: 044525225
У подшипника 201KL пока нет отзывов. Вы можете стать первым покупателем, поделившимся своим мнением.