Поиск подшипника
Статьи
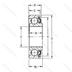
37KL — Подшипник однорядный шариковый радиальный, модификация основного исполнения 37, производство FAFNIR.
Размер подшипника: 7x22x10 мм.
Flanged type (2 thru holes)-medium load.
Международная стандартизации ISO
37KL
В наличии
| Обозначение | Конструктивные изменения |
|---|---|
| 37KVLD | Ball Bearing. Conrad (Non-Filling Slot) Type. One Mechani Seal And One Shield. |
| 37 | Основное конструктивное исполнение. |
| 37PP | Манжетные уплотнения с обеих сторон подшипника. |
| 37KVT | Conrad (Non-Filling Slot) Type. One Felt Seal. |
| 37K | Conrad (Non-Filling Slot) Type. |
| 37FF | Single Row Deep Groove Ball Bearing With Two Shields. |
| 3-37D | Double Locking. |
| 37FS | One Felt Seal. Replaced By 8xxx. |
| 37К | Подшипник однорядный шариковый радиальный. |
| 37KDD | Защитные металлические шайбы по обе стороны подшипника с цилиндрическим наружным диаметром. |
Модификации шарикового подшипника 37KL — это измененное основное конструктивное исполнение 37, основные размеры (7x22x10) не отличаются.
| Обозначение | Гост | Конструктивные особенности |
|---|---|---|
| WC88038 | ISO | Подшипник однорядный шариковый радиальный. |
| B8-74D | ISO | Подшипник со специальными размерами. |
| 38PP C3 | ISO | Внутренний зазор больше нормального. Уплотнения на каждой стороне подшипника. |
| 38KVLD | ISO | Ball Bearing. Conrad (Non-Filling Slot) Type. One Mechani Seal And One Shield. |
| 8038 | ISO | Подшипник однорядный шариковый радиальный. |
| B8-74T12BDDNCXMC3E ENSS | ISO | Подшипник однорядный шариковый радиальный. |
| 630/8-2RS GPR E | ISO | Повышенная грузоподъемность. Резиновые уплотнения с каждой стороны подшипника. Испытание на шум. |
| 630/8.2RSR.X10 | ISO | Резиновые уплотнения с каждой стороны подшипника. Промышленная упаковка. |
| CARGO: 140231 | ISO | Подшипник однорядный шариковый радиальный. |
| 140231 | ISO | Подшипник однорядный шариковый радиальный. |
| B8-74T12BDDNCX | ISO | Канавка под стопорное кольцо на внешнем кольце. Резиновые уплотнения с каждой стороны подшипника. |
| 8007RS | ISO | Резиновое уплотнение с одной стороны. |
| 393799 | ISO | Подшипник однорядный шариковый радиальный. |
| B874-2RDA | ISO | Облегченное контактное уплотнение с двух сторон.. |
| B879-2RDA | ISO | Облегченное контактное уплотнение с двух сторон.. |
| B8-74T12BDD | ISO | Резиновые уплотнения с каждой стороны подшипника. Сепаратор. усиленный стекловолокном. |
| WC87038 | ISO | Подшипник однорядный шариковый радиальный. |
| 37FS1 | ISO | One Felt Seal. Replaced By 8xxx. Standard Precision ABEC-1. |
| 8007 | ISO | Подшипник однорядный шариковый радиальный. |
| 608LLUMAXE | ISO | Резиновые уплотнения с каждой стороны подшипника. |
Аналог шарикового подшипника 37KL — это подшипник такого же размера dx7,Dx22,Bx10, типа и конструкции.
| Обозначение | Конструктивные особенности | Внутренний (d) | Наружный (D) | Ширина (B) |
|---|---|---|---|---|
| U08+ER | Шариковый радиальный однорядный подшипник. Эксцентриковое кольцо. | 8.00 | 22.00 | 10.00 |
| B8-74T12 | Шариковый радиальный однорядный подшипник. Подшипник со специальными размерами. | 8.00 | 22.00 | 11.00 |
| B8-79T12 | Шариковый радиальный однорядный подшипник. Подшипник со специальными размерами. | 8.00 | 23.00 | 11.00 |
| B8-79T12BDDNCXMC-01 | Шариковый радиальный однорядный подшипник. Подшипник со специальными размерами. | 8.00 | 23.00 | 11.00 |
| B8-74 | Шариковый радиальный однорядный подшипник. Подшипник со специальными размерами. | 8.00 | 22.00 | 11.00 |
| B8-74T12BDDNCXMC3 | Шариковый радиальный однорядный подшипник. Подшипник со специальными размерами. | 8.00 | 22.00 | 11.00 |
| B8-79 | Шариковый радиальный однорядный подшипник. Подшипник со специальными размерами. | 8.00 | 23.00 | 11.00 |
| 76-3160018 Е | Шариковый радиальный однорядный подшипник. Сепаратор из текстолита.. | 8.00 | 22.00 | 11.00 |
| 76-3180018 Е1Т2C15 | Шариковый радиальный однорядный подшипник. ВНИИНП-207. Сепаратор из текстолита.. 200°. Температура отпуска. | 8.00 | 22.00 | 11.00 |
| 76-3180018 Е1Т2C2 | Шариковый радиальный однорядный подшипник. ЦИАТИМ-221. Сепаратор из текстолита.. 200°. Температура отпуска. | 8.00 | 22.00 | 11.00 |
| 76-3180018 Е1Т2C4 | Шариковый радиальный однорядный подшипник. ЦИАТИМ-221С. Сепаратор из текстолита.. 200°. Температура отпуска. | 8.00 | 22.00 | 11.00 |
| 76-3180018 ЕС1 | Шариковый радиальный однорядный подшипник. Сепаратор из текстолита.. Смазка ОКБ 122-7. | 8.00 | 22.00 | 11.00 |
| 76-3180018 ЕС15 | Шариковый радиальный однорядный подшипник. Сепаратор из текстолита.. Смазка ВНИИНП-207. | 8.00 | 22.00 | 11.00 |
| 76-3180018 ЕТ2С2 | Шариковый радиальный однорядный подшипник. Сепаратор из текстолита.. 200°. Смазка ЦИАТИМ-221. Температура отпуска. | 8.00 | 22.00 | 11.00 |
| SC811LLU | Шариковый радиальный однорядный подшипник. Контактное резиновое уплотнение с двух сторон. | 8.00 | 22.00 | 10.00 |
Способы доставки
Отправка через ведущие транспортные и курьерские компании: ПЭК, Деловые Линии, СДЭК, Байкал-Сервис, Энергия, КИТ, ЖелДорЭкспедиция.
Самовывоз возможен напрямую со склада в Москве.
Сроки доставки
Срок зависит от региона и выбранной транспортной компании. Все заказы комплектуются и отправляются в кратчайшие сроки со склада в Москве.
Надёжность и сохранность
Вся продукция упаковывается с учётом требований транспортировки. Мы гарантируем, что подшипники и комплектующие прибудут к заказчику в полной сохранности.
Доставка в страны ЕАЭС
Мы работаем с проверенными логистическими партнёрами, что позволяет оперативно доставлять заказы в Беларусь, Казахстан, Армению и другие страны ЕАЭС.
Варианты оплаты:
Минимальная сумма заказа и скидки:
Документы и гарантии:
Да, конечно! Наши технические специалисты готовы помочь вам с подбором точного аналога или замены подшипника. Просто позвоните нам по телефону +7 (495) 104-99-04 или напишите на почту zakaz@podsnab.ru.
Для оперативной консультации подготовьте, пожалуйста, имеющиеся данные: маркировку, размеры, тип оборудования или артикул старого подшипника.
Да, конечно! Мы высоко ценим долгосрочное сотрудничество и доверие клиентов по всей России. Для постоянных клиентов действует персональная система скидок.
Условия формируются индивидуально и зависят от:
Чтобы узнать свои условия и получить максимально выгодное предложение, свяжитесь с персональным менеджером или напишите нам на почту zakaz@podsnab.ru.
Вы можете оформить заказ несколькими способами:
Для оформления заказа от юридического лица свяжитесь с нашим отделом по работе с корпоративными клиентами по телефону +7 (495) 104-99-04 или напишите на email zakaz@podsnab.ru, прикрепив реквизиты вашей организации.
Мы оперативно подготовим коммерческое предложение и выставим счет.
Возврат товара надлежащего качества возможен в течение 10 дней с момента получения, если товар не был в употреблении, сохранен товарный вид, упаковка не вскрывалась и присутствуют все сопроводительные документы.
Возврат денежных средств осуществляется в течение 10 рабочих дней после проверки товара складом.
В соответствии с законодательством возврату не подлежат подшипники надлежащего качества, если отсутствует оригинальная упаковка или имеются следы монтажа.
В случае выявления брака или гарантийного случая мы гарантируем возврат или обмен товара.
Да, гарантийный срок хранения устанавливается заводом-изготовителем и в среднем составляет 2 года при соблюдении условий хранения: сухое помещение, оригинальная упаковка и смазка.
Точный срок для конкретного типа подшипника уточняйте у наших менеджеров.
Пн–Пт: с 8:00 до 17:00 (МСК).
Сб–Вс: выходные дни.
Заказы на сайте принимаются круглосуточно. Заявки, поступившие после окончания рабочего дня, обрабатываются на следующий рабочий день.
Минимальная сумма заказа для доставки составляет 3000 рублей. Самовывоз со склада возможен на любую сумму при наличии товара.
ООО «УралТехГрупп»
ИНН: 7415093830
КПП: 772401001
ОГРН: 1167456069021
Банк: ПАО Сбербанк
Р/с: 40702810838000475273
К/с: 30101810400000000225
БИК: 044525225
У подшипника 37KL пока нет отзывов. Вы можете стать первым покупателем, поделившимся своим мнением.