Поиск подшипника
Статьи
6406NR.C3 — Подшипник однорядный шариковый радиальный, модификация основного исполнения 6406, производство FAG.
Размер подшипника: 30x90x23 мм.
Внутренний зазор больше нормального, канавка под стопорное кольцо на наружном кольце с соответствующим стопорным кольцом.
Международная стандартизации ISO
6406NRC3
В наличии
| Обозначение | Конструктивные изменения |
|---|---|
| 6406-2Z | Защитные металлические шайбы с обеих сторон подшипника. |
| 6406ZZ C3 | Внутренний зазор больше нормального. Защитные металлические шайбы с обеих сторон. |
| 6406N | Канавка под стопорное кольцо на внешнем кольце. |
| 6406/W64 | Антифрикционный заполнитель. твердая смазка. |
| 6406 ZNR | Подшипник однорядный шариковый радиальный. |
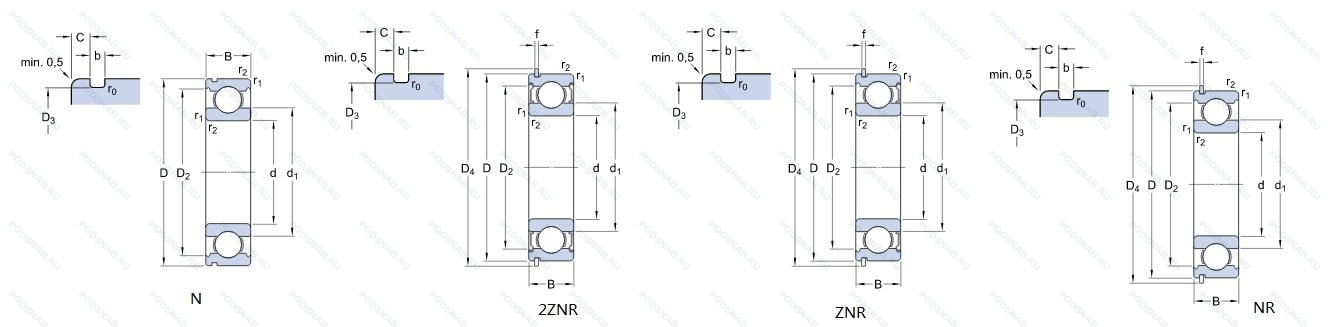
| 6406 NR | Канавка под стопорное кольцо на наружном кольце с соответствующим стопорным кольцом. |
| 6406ZZ | Защитные металлические шайбы (бесконтактные уплотнения) с обеих сторон подшипника. |
| 6406 | Подшипник однорядный шариковый радиальный. Основное конструктивное исполнение. |
| 6406C3 | Внутренний зазор больше нормального. |
| 6406-2Z-C3 | Внутренний зазор больше нормального. Защитные металлические шайбы с обеих сторон подшипника. |
| 6406 2RS | Резиновые уплотнения с каждой стороны подшипника. |
| 6406.2RSR | Резиновые уплотнения с каждой стороны подшипника. |
| 6406ZZ C3/AS2S | Стандартное заполнение. Внутренний зазор больше нормального. Защитные стальные шайбы с обеих сторон. 1/4 Full. Смазка Aeroshell 7. |
| 6406A | Модификация внутренней конструкции. |
| 6406S | Запечатанная версия кулачкового ролика. |
| 6406J30 | Внутренний зазор больше нормального. |
| 6406-2RS1 | Усиленные листовой сталью контактные уплотнения из акрилонитрил-бутадиенового каучука (NBR) с обеих сторон подшипника. |
| 6406/C4 | Внутренний зазор подшипника больше. чем C3. |
| 6406.2RSR.C3 | Внутренний зазор больше нормального. Резиновые уплотнения с каждой стороны подшипника. |
| 6406-2RS/C3 | Внутренний зазор больше нормального. Резиновые уплотнения с каждой стороны подшипника. |
| 6406-2RS1/C3 | Внутренний зазор больше нормального. Усиленные листовой сталью контактные уплотнения из акрилонитрил-бутадиенового каучука (NBR) с обеих сторон подшипника. |
| 6406MA.C3 | Внутренний зазор больше нормального. Механически обработанный латунный сепаратор. Центрирование по внешнему кольцу. |
| 6406J | Прессованный стальной сепаратор. |
| 6406J C3 | Внутренний зазор больше нормального. Сепаратор из стали. |
Модификации шарикового подшипника 6406NR.C3 — это измененное основное конструктивное исполнение 6406, основные размеры (30x90x23) не отличаются.
| Обозначение | Гост | Конструктивные особенности |
|---|---|---|
| 408W | ISO | Подшипник без смазочных отверстий в наружном кольце. |
| 406 | ISO | Подшипник однорядный шариковый радиальный. |
| 406M | ISO | Максимальная производительность. Канавка для ввода тел качения. |
Аналог шарикового подшипника 6406NR.C3 — это подшипник такого же размера dx30,Dx90,Bx23, типа и конструкции.
| Обозначение | Конструктивные особенности | Внутренний (d) | Наружный (D) | Ширина (B) |
|---|---|---|---|---|
| 6-406-АШ | Шариковый радиальный однорядный подшипник. Повышенная грузоподъемность. Нормы шумности. | 30.00 | 90.00 | 23.00 |
| 6-406-А1Ш1 | Шариковый радиальный однорядный подшипник. Повышенная грузоподъемность. Нормы шумности. | 30.00 | 90.00 | 23.00 |
| 76-406 АШ1 | Шариковый радиальный однорядный подшипник. Повышенная грузоподъемность. Нормы шумности. | 30.00 | 90.00 | 23.00 |
| 6-406-АК | Шариковый радиальный однорядный подшипник. Повышенная грузоподъемность. | 30.00 | 90.00 | 23.00 |
| 6-66406-АЛ | Шариковый радиально-упорный однорядный подшипник. Сепаратор из латуни.. Повышенная грузоподъемность. | 30.00 | 90.00 | 23.00 |
| 66406-АЛ | Шариковый радиально-упорный однорядный подшипник. Сепаратор из латуни.. Повышенная грузоподъемность. | 30.00 | 90.00 | 23.00 |
| 66406-Л | Шариковый радиально-упорный однорядный подшипник. Сепаратор из латуни.. | 30.00 | 90.00 | 23.00 |
| 70-406 АК | Шариковый радиальный однорядный подшипник. Повышенная грузоподъемность. | 30.00 | 90.00 | 23.00 |
| 406-А | Шариковый радиальный однорядный подшипник. Повышенная грузоподъемность. | 30.00 | 90.00 | 23.00 |
| 406-АК | Шариковый радиальный подшипник. Повышенная грузоподъемность. | 30.00 | 90.00 | 23.00 |
| 5-66406 Б1 | Шариковый радиально-упорный однорядный подшипник. Сепаратор из безоловянистой бронзы.. | 30.00 | 90.00 | 23.00 |
| 5-66406 Б1Т | Шариковый радиально-упорный однорядный подшипник. Температура отпуска. 160°. Сепаратор из безоловянистой бронзы.. | 30.00 | 90.00 | 23.00 |
| 5-66406 Э | Шариковый радиально-упорный однорядный подшипник. Детали из стали ШХ-15 со специальными присадками (ванадий. | 30.00 | 90.00 | 23.00 |
| 50406-А | Шариковый радиальный однорядный подшипник. Повышенная грузоподъемность. | 30.00 | 90.00 | 23.00 |
| 50406-АК | Шариковый радиальный однорядный подшипник. Повышенная грузоподъемность. | 30.00 | 90.00 | 23.00 |
Способы доставки
Отправка через ведущие транспортные и курьерские компании: ПЭК, Деловые Линии, СДЭК, Байкал-Сервис, Энергия, КИТ, ЖелДорЭкспедиция.
Самовывоз возможен напрямую со склада в Москве.
Сроки доставки
Срок зависит от региона и выбранной транспортной компании. Все заказы комплектуются и отправляются в кратчайшие сроки со склада в Москве.
Надёжность и сохранность
Вся продукция упаковывается с учётом требований транспортировки. Мы гарантируем, что подшипники и комплектующие прибудут к заказчику в полной сохранности.
Доставка в страны ЕАЭС
Мы работаем с проверенными логистическими партнёрами, что позволяет оперативно доставлять заказы в Беларусь, Казахстан, Армению и другие страны ЕАЭС.
Варианты оплаты:
Минимальная сумма заказа и скидки:
Документы и гарантии:
Да, конечно! Наши технические специалисты готовы помочь вам с подбором точного аналога или замены подшипника. Просто позвоните нам по телефону +7 (495) 104-99-04 или напишите на почту zakaz@podsnab.ru.
Для оперативной консультации подготовьте, пожалуйста, имеющиеся данные: маркировку, размеры, тип оборудования или артикул старого подшипника.
Да, конечно! Мы высоко ценим долгосрочное сотрудничество и доверие клиентов по всей России. Для постоянных клиентов действует персональная система скидок.
Условия формируются индивидуально и зависят от:
Чтобы узнать свои условия и получить максимально выгодное предложение, свяжитесь с персональным менеджером или напишите нам на почту zakaz@podsnab.ru.
Вы можете оформить заказ несколькими способами:
Для оформления заказа от юридического лица свяжитесь с нашим отделом по работе с корпоративными клиентами по телефону +7 (495) 104-99-04 или напишите на email zakaz@podsnab.ru, прикрепив реквизиты вашей организации.
Мы оперативно подготовим коммерческое предложение и выставим счет.
Возврат товара надлежащего качества возможен в течение 10 дней с момента получения, если товар не был в употреблении, сохранен товарный вид, упаковка не вскрывалась и присутствуют все сопроводительные документы.
Возврат денежных средств осуществляется в течение 10 рабочих дней после проверки товара складом.
В соответствии с законодательством возврату не подлежат подшипники надлежащего качества, если отсутствует оригинальная упаковка или имеются следы монтажа.
В случае выявления брака или гарантийного случая мы гарантируем возврат или обмен товара.
Да, гарантийный срок хранения устанавливается заводом-изготовителем и в среднем составляет 2 года при соблюдении условий хранения: сухое помещение, оригинальная упаковка и смазка.
Точный срок для конкретного типа подшипника уточняйте у наших менеджеров.
Пн–Пт: с 8:00 до 17:00 (МСК).
Сб–Вс: выходные дни.
Заказы на сайте принимаются круглосуточно. Заявки, поступившие после окончания рабочего дня, обрабатываются на следующий рабочий день.
Минимальная сумма заказа для доставки составляет 3000 рублей. Самовывоз со склада возможен на любую сумму при наличии товара.
ООО «УралТехГрупп»
ИНН: 7415093830
КПП: 772401001
ОГРН: 1167456069021
Банк: ПАО Сбербанк
Р/с: 40702810838000475273
К/с: 30101810400000000225
БИК: 044525225
У подшипника 6406NR.C3 пока нет отзывов. Вы можете стать первым покупателем, поделившимся своим мнением.