Поиск подшипника
Статьи
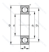
61817-2RSR — Подшипник однорядный шариковый радиальный, модификация основного исполнения 61817, производство NKE.
Размер подшипника: 85x110x13 мм.
Резиновые уплотнения с каждой стороны подшипника.
Аналоги: 61817-2RS1 SKF,61817 2RS ISB,61817 2RS Neutral.
Международная стандартизации ISO
618172RSR
В наличии
| Обозначение | Конструктивные изменения |
|---|---|
| 61817-2Z | Защитные металлические шайбы с обеих сторон подшипника. |
| 61817T | Textile Laminated Phenolic Resin. Outer Ring Guided. The Cage Is Suitable For Long-Term Operation At Temperatures Up To 100°C. |
| 61817-2RSR-Y | Резиновые уплотнения с каждой стороны подшипника. Листовая латунная клетка. |
| 61817-2RZ-Y | Шарикоподшипник. С уплотнением и низким коэффициентом трения с обеих сторон. Уплотнение состоит из шайбы из листовой стали с вулканизированной резиной. Сепаратор из прессованной латуни. Центрирование шарика. |
| 61817/W64 | Антифрикционный заполнитель. твердая смазка. |
| 61817 2RS | Резиновые уплотнения с каждой стороны подшипника. |
| 61817Y | Листовая латунная клетка. |
| 61817-2RS-Y | Резиновые уплотнения с каждой стороны подшипника. Сепаратор из прессованной латуни. Центрирование шарика. |
| 61817-2Z-Y | Бесконтактный уплотнительный щиток с обеих сторон (уплотнение из листового металла). Листовая латунная клетка. |
| 61817 | Подшипник однорядный шариковый радиальный. Основное конструктивное исполнение. |
| 61817-2RS1 | Усиленные листовой сталью контактные уплотнения из акрилонитрил-бутадиенового каучука (NBR) с обеих сторон подшипника. |
| 61817-C3 | Внутренний зазор больше нормального. |
| 61817-Y-C3 | Внутренний зазор больше нормального. Подшипник с сепаратором из латуни центрированный по телам качения. |
| 61817-2RZ | Шарикоподшипник. С уплотнением и низким коэффициентом трения с обеих сторон. Уплотнение состоит из шайбы из листовой стали с вулканизированной резиной. |
| 61817.2Z.C3 | Внутренний зазор больше нормального. Защитные стальные шайбы с обеих сторон. |
| 61817-Y-P5 | Размерная и рабочая точность соответствует классу допуска ISO 5. Подшипник с сепаратором из латуни центрированный по телам качения. |
| 61817 2BRS Y | Сепаратор из прессованной латуни. Центрирование шарика. Бесконтактные лабиринтные уплотнения с обеих сторон. |
| 61817 2URS Y | Сепаратор из прессованной латуни. Центрирование шарика. Специальное манжетное уплотнение с обеих сторон подшипника. |
| 61817 BRS Y | Сепаратор из прессованной латуни. Центрирование шарика. Бесконтактные лабиринтные уплотнения с одной стороны. |
| 61817 RS Y | Сепаратор из прессованной латуни. Центрирование шарика. Резиновое уплотнение с одной стороны. |
| 61817 URS Y | Сепаратор из прессованной латуни. Центрирование шарика. |
| 61817 Z Y | щит из листовой прессованной стали с одной стороны подшипника. Сепаратор из прессованной латуни. Центрирование шарика. |
| 61817 ZZ | Защитные металлические шайбы (бесконтактные уплотнения) с обеих сторон подшипника. |
Модификации шарикового подшипника 61817-2RSR — это измененное основное конструктивное исполнение 61817, основные размеры (85x110x13) не отличаются.
| Обозначение | Гост | Конструктивные особенности |
|---|---|---|
| 6817VV | ISO | Защитные металлические шайбы. с обеих сторон подшипника. Бесконтактное уплотнение. (лучше. чем ZZ. Можно использовать в умеренно запыленной среде). |
| SS6817 ZZ | ISO | Защитные металлические шайбы с обеих сторон. |
| SS6817 | ISO | Подшипник однорядный шариковый радиальный. |
| 6817 ZNR | ISO | Подшипник однорядный шариковый радиальный. |
| 6817 NR | ISO | Канавка и стопорное кольцо на наружном кольце. |
| 6817 2RS | ISO | Резиновые уплотнения с каждой стороны подшипника. |
| 6817ZZ | ISO | Металлическая защитная шайба с двух сторон. |
| 6817 | ISO | Подшипник однорядный шариковый радиальный. |
| 6817C3 | ISO | Внутренний зазор больше нормального. |
| 6817ZZ/AS2S | ISO | Стандартное заполнение. Защитные металлические шайбы с обеих сторон. 1/4 Full. Смазка Aeroshell 7. |
| 6817VV/NS7S | ISO | Стандартное заполнение. Защитные металлические шайбы. с обеих сторон подшипника. Бесконтактное уплотнение. (лучше. чем ZZ. Можно использовать в умеренно запыленной среде). NS Hi Lube Grease. (NS7/ Inside With Grease. Up Than 35%. Temperature Resistance -40°C To +140°C). |
| 6817LLB | ISO | Уплотнение бесконтактного типа из синтетического каучука. |
| 6817DDU | ISO | Резиновые уплотнения с каждой стороны подшипника. |
| 6817ZZ C3 | ISO | Внутренний зазор больше нормального. Защитные стальные шайбы с обеих сторон. |
| 6817VV AV2S | ISO | Lubricant. Shell Oil Co.. Alvania #2 Grease. 1/4 Full. Temperature Range = -10°C / + 110°C (Normal Temperature Grease). Защитные металлические шайбы. с обеих сторон подшипника. Бесконтактное уплотнение. (лучше. чем ZZ. Можно использовать в умеренно запыленной среде). |
| 6817LLU/5K | ISO | Резиновые уплотнения с каждой стороны подшипника. Grease/ Kyodo Yushi / Multemp SRL (-40°C to +150°C). |
| 6817UG | ISO | Канавки на внутренней стороне наружного кольца. |
| 6817ZZ CM/NS7S | ISO | Стандартное заполнение. Защитные металлические шайбы с обеих сторон. Шариковый подшипник. Специальный радиальный внутренний зазор для электродвигателей. NS Hi Lube Grease. (NS7/ Inside With Grease. Up Than 35%. Temperature Resistance -40°C To +140°C). |
| 6817VV AS2S | ISO | Стандартное заполнение. 1/4 Full. Смазка Aeroshell 7. Диапазон от –10°C до 110°C.. Защитные металлические шайбы. с обеих сторон подшипника. Бесконтактное уплотнение. (лучше. чем ZZ. Можно использовать в умеренно запыленной среде). |
Аналог шарикового подшипника 61817-2RSR — это подшипник такого же размера dx85,Dx110,Bx13, типа и конструкции.
| Обозначение | Конструктивные особенности | Внутренний (d) | Наружный (D) | Ширина (B) |
|---|---|---|---|---|
| 2-1000817 АЛШ3 | Шариковый радиальный однорядный подшипник. Сепаратор из латуни.. Повышенная грузоподъемность. Нормы шумности. | 85.00 | 110.00 | 13.00 |
| 4-1000817 АЛШ3 | Шариковый радиальный однорядный подшипник. Сепаратор из латуни.. Повышенная грузоподъемность. Нормы шумности. | 85.00 | 110.00 | 13.00 |
| 4-1000817 АЛ | Шариковый радиальный однорядный подшипник. Сепаратор из латуни.. Повышенная грузоподъемность. | 85.00 | 110.00 | 13.00 |
| 4-1000817 АШ3 | Шариковый радиальный однорядный подшипник. Повышенная грузоподъемность. Нормы шумности. | 85.00 | 110.00 | 13.00 |
| 4-1000817 А | Шариковый радиальный однорядный подшипник. Повышенная грузоподъемность. | 85.00 | 110.00 | 13.00 |
| 6-1000817 АЛШ1 | Шариковый радиальный однорядный подшипник. Сепаратор из латуни.. Повышенная грузоподъемность. Нормы шумности. | 85.00 | 110.00 | 13.00 |
| 6-1000817 АШ1 | Шариковый радиальный однорядный подшипник. Повышенная грузоподъемность. Нормы шумности. | 85.00 | 110.00 | 13.00 |
| 6817-2RZ | Шариковый радиальный однорядный подшипник. Шарикоподшипник. С уплотнением и низким коэффициентом трения с обеих сторон. Уплотнение состоит из шайбы из листовой стали с вулканизированной резиной. | 85.00 | 110.00 | 13.00 |
| 6817-2RD | Шариковый радиальный однорядный подшипник. Облегченное контактное уплотнение с двух сторон.. | 85.00 | 110.00 | 13.00 |
| 6817Z | Шариковый радиальный однорядный подшипник. щит из листовой прессованной стали с одной стороны подшипника. | 85.00 | 110.00 | 13.00 |
| 6817-2RU | Шариковый радиальный однорядный подшипник. Non Contact Type Friction Torque = Small High Speed Performance = Good Grease Sealing = Better Than ZZ-Type Dirt Resistance = Better Than ZZ-Type Water Resistance = Better Than ZZ / Inferior To 2RS Operating Temp. -30°C To + 100°C. | 85.00 | 110.00 | 13.00 |
| 6817N | Шариковый радиальный однорядный подшипник. Канавка для стопорного кольца на наружном кольце. | 85.00 | 110.00 | 13.00 |
| 6817LLU | Шариковый радиальный однорядный подшипник. Контактное резиновое уплотнение с двух сторон. | 85.00 | 110.00 | 13.00 |
| S61817-2RS | Шариковый радиальный однорядный подшипник. Резиновые уплотнения с каждой стороны подшипника. | 85.00 | 110.00 | 13.00 |
| 1000817-A | Шариковый радиальный однорядный подшипник. Двухрядный радиально-упорный шарикоподшипник без отверстия для смазки. | 85.00 | 110.00 | 13.00 |
Способы доставки
Отправка через ведущие транспортные и курьерские компании: ПЭК, Деловые Линии, СДЭК, Байкал-Сервис, Энергия, КИТ, ЖелДорЭкспедиция.
Самовывоз возможен напрямую со склада в Москве.
Сроки доставки
Срок зависит от региона и выбранной транспортной компании. Все заказы комплектуются и отправляются в кратчайшие сроки со склада в Москве.
Надёжность и сохранность
Вся продукция упаковывается с учётом требований транспортировки. Мы гарантируем, что подшипники и комплектующие прибудут к заказчику в полной сохранности.
Доставка в страны ЕАЭС
Мы работаем с проверенными логистическими партнёрами, что позволяет оперативно доставлять заказы в Беларусь, Казахстан, Армению и другие страны ЕАЭС.
Варианты оплаты:
Минимальная сумма заказа и скидки:
Документы и гарантии:
Да, конечно! Наши технические специалисты готовы помочь вам с подбором точного аналога или замены подшипника. Просто позвоните нам по телефону +7 (495) 104-99-04 или напишите на почту zakaz@podsnab.ru.
Для оперативной консультации подготовьте, пожалуйста, имеющиеся данные: маркировку, размеры, тип оборудования или артикул старого подшипника.
Да, конечно! Мы высоко ценим долгосрочное сотрудничество и доверие клиентов по всей России. Для постоянных клиентов действует персональная система скидок.
Условия формируются индивидуально и зависят от:
Чтобы узнать свои условия и получить максимально выгодное предложение, свяжитесь с персональным менеджером или напишите нам на почту zakaz@podsnab.ru.
Вы можете оформить заказ несколькими способами:
Для оформления заказа от юридического лица свяжитесь с нашим отделом по работе с корпоративными клиентами по телефону +7 (495) 104-99-04 или напишите на email zakaz@podsnab.ru, прикрепив реквизиты вашей организации.
Мы оперативно подготовим коммерческое предложение и выставим счет.
Возврат товара надлежащего качества возможен в течение 10 дней с момента получения, если товар не был в употреблении, сохранен товарный вид, упаковка не вскрывалась и присутствуют все сопроводительные документы.
Возврат денежных средств осуществляется в течение 10 рабочих дней после проверки товара складом.
В соответствии с законодательством возврату не подлежат подшипники надлежащего качества, если отсутствует оригинальная упаковка или имеются следы монтажа.
В случае выявления брака или гарантийного случая мы гарантируем возврат или обмен товара.
Да, гарантийный срок хранения устанавливается заводом-изготовителем и в среднем составляет 2 года при соблюдении условий хранения: сухое помещение, оригинальная упаковка и смазка.
Точный срок для конкретного типа подшипника уточняйте у наших менеджеров.
Пн–Пт: с 8:00 до 17:00 (МСК).
Сб–Вс: выходные дни.
Заказы на сайте принимаются круглосуточно. Заявки, поступившие после окончания рабочего дня, обрабатываются на следующий рабочий день.
Минимальная сумма заказа для доставки составляет 3000 рублей. Самовывоз со склада возможен на любую сумму при наличии товара.
ООО «УралТехГрупп»
ИНН: 7415093830
КПП: 772401001
ОГРН: 1167456069021
Банк: ПАО Сбербанк
Р/с: 40702810838000475273
К/с: 30101810400000000225
БИК: 044525225
У подшипника 61817-2RSR пока нет отзывов. Вы можете стать первым покупателем, поделившимся своим мнением.