Поиск подшипника
Статьи
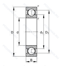
61916-2RSR — Подшипник однорядный шариковый радиальный, модификация основного исполнения 61916, производство NKE.
Размер подшипника: 80x110x16 мм.
Резиновые уплотнения с каждой стороны подшипника.
Альтернативное обозначение: 6916 2RS.
Аналоги: 6916 2RS KG,61916 2RS-GL-SU-LM ZEN.
Международная стандартизации ISO
619162RSR
В наличии
| Обозначение | Конструктивные изменения |
|---|---|
| 61916ZZ | Защитные металлические шайбы (бесконтактные уплотнения) с обеих сторон подшипника. |
| 61916-2RS1/W64 | Усиленные листовой сталью контактные уплотнения из акрилонитрил-бутадиенового каучука (NBR) с обеих сторон подшипника. Антифрикционный заполнитель. твердая смазка. |
| 61916/W64 | Антифрикционный заполнитель. твердая смазка. |
| 61916 2RS | Резиновые уплотнения с каждой стороны подшипника. |
| 61916-A | Двухрядный радиально-упорный шарикоподшипник без отверстия для смазки. |
| 61916-2RZ | Шарикоподшипник. С уплотнением и низким коэффициентом трения с обеих сторон. Уплотнение состоит из шайбы из листовой стали с вулканизированной резиной. |
| 61916/C3 | Внутренний зазор больше нормального. |
| 61916 | Подшипник однорядный шариковый радиальный. Основное конструктивное исполнение. |
| 61916-2RS1 | Усиленные листовой сталью контактные уплотнения из акрилонитрил-бутадиенового каучука (NBR) с обеих сторон подшипника. |
| 61916-2Z-C3 | Внутренний зазор больше нормального. Защитные стальные шайбы с обеих сторон. |
| 61916-2RSR-C3 | Внутренний зазор больше нормального. Резиновые уплотнения с каждой стороны подшипника. |
| 61916-2Z | Защитные металлические шайбы с обеих сторон. |
| 61916 2RS C3 | Внутренний зазор больше нормального. Резиновые уплотнения с каждой стороны подшипника. |
| 61916 2RS-GL-SU-LM | Резиновые уплотнения с каждой стороны подшипника. Single. Universally Ground. Консистентная смазка. Лазерная маркировка (нет дополнительного значения, может использоваться в стандартной комплектации). |
Модификации шарикового подшипника 61916-2RSR — это измененное основное конструктивное исполнение 61916, основные размеры (80x110x16) не отличаются.
| Обозначение | Гост | Конструктивные особенности |
|---|---|---|
| SS6916 ZZ | ISO | Защитные металлические шайбы с обеих сторон. |
| SS6916 2RS | ISO | Резиновые уплотнения с каждой стороны подшипника. |
| SS6916 | ISO | Подшипник однорядный шариковый радиальный. |
| 6916 ZNR | ISO | Подшипник однорядный шариковый радиальный. |
| 6916 NR | ISO | Канавка и стопорное кольцо на наружном кольце. |
| 6916ZZ | ISO | Металлическая защитная шайба с двух сторон. |
| 6916 2RS | ISO | Резиновые уплотнения с каждой стороны подшипника. |
| 6916 | ISO | Подшипник однорядный шариковый радиальный. |
| 6916 2RS Y | ISO | Резиновые уплотнения с каждой стороны подшипника. Штампованный латунный фиксатор. Направляемые элементы качения. |
| 6916VV | ISO | Защитные металлические шайбы. с обеих сторон подшипника. Бесконтактное уплотнение. (лучше. чем ZZ. Можно использовать в умеренно запыленной среде). |
| 6916ZZ/5K | ISO | Защитные металлические шайбы с обеих сторон. Grease/ Kyodo Yushi / Multemp SRL (-40°C to +150°C). |
| 6916DD | ISO | Резиновые уплотнения с каждой стороны подшипника. |
| 6916LLU | ISO | Резиновые уплотнения с каждой стороны подшипника. |
| 6916 AV2 | ISO | Lubricant. Shell Oil Co.. Alvania #2 Grease. 1/4 Full. Temperature Range = -10°C / + 110°C (Normal Temperature Grease). |
| 6916VVC3 | ISO | Защитные металлические шайбы. с обеих сторон подшипника. Бесконтактное уплотнение. (лучше. чем ZZ. Можно использовать в умеренно запыленной среде). |
| 6916UG | ISO | Канавки на внутренней стороне наружного кольца. |
| 6916ZZ AS2S5 | ISO | Стандартное заполнение. Защитные металлические шайбы с обеих сторон. 1/4 Full. Standard Single Pack. Смазка Aeroshell 7. Диапазон от –10°C до 110°C.. |
| 6916DDU | ISO | Резиновые уплотнения с каждой стороны подшипника. |
| 6916DDU AS2S | ISO | Стандартное заполнение. Резиновые уплотнения с каждой стороны подшипника. 1/4 Full. Смазка Aeroshell 7. Диапазон от –10°C до 110°C.. |
| 6916-2Z | ISO | Защитные металлические шайбы с обеих сторон. |
Аналог шарикового подшипника 61916-2RSR — это подшипник такого же размера dx80,Dx110,Bx16, типа и конструкции.
| Обозначение | Конструктивные особенности | Внутренний (d) | Наружный (D) | Ширина (B) |
|---|---|---|---|---|
| 6916N | Шариковый радиальный однорядный подшипник. Канавка для стопорного кольца на наружном кольце. | 80.00 | 110.00 | 16.00 |
| SS 61916-ZZ | Шариковый радиальный однорядный подшипник. Защитные металлические шайбы с обеих сторон. | 80.00 | 110.00 | 16.00 |
| SS 61916-2RS | Шариковый радиальный однорядный подшипник. Резиновые уплотнения с каждой стороны подшипника. | 80.00 | 110.00 | 16.00 |
| 6916-2RD | Шариковый радиальный однорядный подшипник. Облегченное контактное уплотнение с двух сторон.. | 80.00 | 110.00 | 16.00 |
| 6916-2RU | Шариковый радиальный однорядный подшипник. Non Contact Type Friction Torque = Small High Speed Performance = Good Grease Sealing = Better Than ZZ-Type Dirt Resistance = Better Than ZZ-Type Water Resistance = Better Than ZZ / Inferior To 2RS Operating Temp. -30°C To + 100°C. | 80.00 | 110.00 | 16.00 |
| 6916LLB | Шариковый радиальный однорядный подшипник. Уплотнение бесконтактного типа из синтетического каучука. | 80.00 | 110.00 | 16.00 |
| 9316K | Шариковый радиальный однорядный подшипник. Коническое отверстие. Конусность 1/12. | 80.00 | 110.00 | 16.00 |
| S61916-2RS | Шариковый радиальный однорядный подшипник. Резиновые уплотнения с каждой стороны подшипника. | 80.00 | 110.00 | 16.00 |
| 3NC HAR916C FT | Шариковый радиальный однорядный подшипник. Угол контакта 20 градусов. REINFORCED PHENOLIC CAGE. | 80.00 | 110.00 | 16.00 |
| 3NCHAC916CA | Шариковый радиальный однорядный подшипник. Угол контакта 20 градусов. Латунный сепаратор с симметричными роликами. | 80.00 | 110.00 | 16.00 |
| 3NCHAC916C | Шариковый радиальный однорядный подшипник. Угол контакта 20 градусов. | 80.00 | 110.00 | 16.00 |
| 3NCHAF916CA | Шариковый радиальный однорядный подшипник. Угол контакта 20 градусов. Латунный сепаратор с симметричными роликами. | 80.00 | 110.00 | 16.00 |
| 3NCHAR916CA | Шариковый радиальный однорядный подшипник. Угол контакта 20 градусов. Латунный сепаратор с симметричными роликами. | 80.00 | 110.00 | 16.00 |
| 3NCHAR916 | Шариковый радиальный однорядный подшипник. Угол контакта 20 градусов. | 80.00 | 110.00 | 16.00 |
| 3NCHAR916C | Шариковый радиальный однорядный подшипник. Угол контакта 20 градусов. | 80.00 | 110.00 | 16.00 |
Способы доставки
Отправка через ведущие транспортные и курьерские компании: ПЭК, Деловые Линии, СДЭК, Байкал-Сервис, Энергия, КИТ, ЖелДорЭкспедиция.
Самовывоз возможен напрямую со склада в Москве.
Сроки доставки
Срок зависит от региона и выбранной транспортной компании. Все заказы комплектуются и отправляются в кратчайшие сроки со склада в Москве.
Надёжность и сохранность
Вся продукция упаковывается с учётом требований транспортировки. Мы гарантируем, что подшипники и комплектующие прибудут к заказчику в полной сохранности.
Доставка в страны ЕАЭС
Мы работаем с проверенными логистическими партнёрами, что позволяет оперативно доставлять заказы в Беларусь, Казахстан, Армению и другие страны ЕАЭС.
Варианты оплаты:
Минимальная сумма заказа и скидки:
Документы и гарантии:
Да, конечно! Наши технические специалисты готовы помочь вам с подбором точного аналога или замены подшипника. Просто позвоните нам по телефону +7 (495) 104-99-04 или напишите на почту zakaz@podsnab.ru.
Для оперативной консультации подготовьте, пожалуйста, имеющиеся данные: маркировку, размеры, тип оборудования или артикул старого подшипника.
Да, конечно! Мы высоко ценим долгосрочное сотрудничество и доверие клиентов по всей России. Для постоянных клиентов действует персональная система скидок.
Условия формируются индивидуально и зависят от:
Чтобы узнать свои условия и получить максимально выгодное предложение, свяжитесь с персональным менеджером или напишите нам на почту zakaz@podsnab.ru.
Вы можете оформить заказ несколькими способами:
Для оформления заказа от юридического лица свяжитесь с нашим отделом по работе с корпоративными клиентами по телефону +7 (495) 104-99-04 или напишите на email zakaz@podsnab.ru, прикрепив реквизиты вашей организации.
Мы оперативно подготовим коммерческое предложение и выставим счет.
Возврат товара надлежащего качества возможен в течение 10 дней с момента получения, если товар не был в употреблении, сохранен товарный вид, упаковка не вскрывалась и присутствуют все сопроводительные документы.
Возврат денежных средств осуществляется в течение 10 рабочих дней после проверки товара складом.
В соответствии с законодательством возврату не подлежат подшипники надлежащего качества, если отсутствует оригинальная упаковка или имеются следы монтажа.
В случае выявления брака или гарантийного случая мы гарантируем возврат или обмен товара.
Да, гарантийный срок хранения устанавливается заводом-изготовителем и в среднем составляет 2 года при соблюдении условий хранения: сухое помещение, оригинальная упаковка и смазка.
Точный срок для конкретного типа подшипника уточняйте у наших менеджеров.
Пн–Пт: с 8:00 до 17:00 (МСК).
Сб–Вс: выходные дни.
Заказы на сайте принимаются круглосуточно. Заявки, поступившие после окончания рабочего дня, обрабатываются на следующий рабочий день.
Минимальная сумма заказа для доставки составляет 3000 рублей. Самовывоз со склада возможен на любую сумму при наличии товара.
ООО «УралТехГрупп»
ИНН: 7415093830
КПП: 772401001
ОГРН: 1167456069021
Банк: ПАО Сбербанк
Р/с: 40702810838000475273
К/с: 30101810400000000225
БИК: 044525225
У подшипника 61916-2RSR пока нет отзывов. Вы можете стать первым покупателем, поделившимся своим мнением.