Поиск подшипника
Статьи
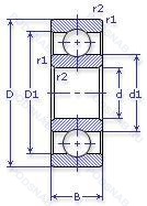
BB1B362937B — Подшипник однорядный шариковый радиальный, модификация основного исполнения BB1, производство SKF.
Размер подшипника: 28x68x17 мм.
Специально разработанный подшипник промышленного класса, измененный внутренний дизайн.
Альтернативное обозначение: 362937B.
Аналоги: 362937A Neutral.
Международная стандартизации ISO
BB1B362937B
В наличии
| Обозначение | Конструктивные изменения |
|---|---|
| BB1B630740B | Измененный внутренний дизайн. |
| BB1-7060B | Измененный внутренний дизайн. |
| BB1-1209-2RSR2/DB/S1GXK | Кольца подшипников или шайбы, стабилизированные по размерам для использования при рабочих температурах до +200°C (392°F).. Two Single Row Deep Groove Ball Bearings Matched For Mounting In A Back-To-Back Arrangement. Low/High Temp Grease Fill. |
| BB1M30-362525A | 30° Угол контакта. |
| BB1-0077A | Измененная или модифицированная внутренняя конструкция при неизменных основных размерах. Как правило. значение буквы привязано к определенному подшипнику или серии подшипника. |
| BB1B361164C | Внутренние изменения в конструкции. |
| BB1-7069C | Внутренние изменения в конструкции. |
| BB1B631122B | Измененный внутренний дизайн. |
| BB1B360433D | Extended Inner Ring. Metric Bore. |
| BB1B446508AC | Внутренние изменения в конструкции. Измененная или модифицированная внутренняя конструкция при неизменных основных размерах. Как правило. значение буквы привязано к определенному подшипнику или серии подшипника. |
| BB1-0372AB | Width Non-Conforming ISO Standards. |
| BB1-0701AC/VK189 | Внутренние изменения в конструкции. Измененная или модифицированная внутренняя конструкция при неизменных основных размерах. Как правило. значение буквы привязано к определенному подшипнику или серии подшипника. V в сочетании со второй буквой. Обозначает группу вариантов. И последующее трех- или четырехзначное число обозначает варианты. не охваченные стандартными суффиксами обозначения.. |
| BB1-0724AC/VK189 | Внутренние изменения в конструкции. Измененная или модифицированная внутренняя конструкция при неизменных основных размерах. Как правило. значение буквы привязано к определенному подшипнику или серии подшипника. V в сочетании со второй буквой. Обозначает группу вариантов. И последующее трех- или четырехзначное число обозначает варианты. не охваченные стандартными суффиксами обозначения.. |
| BB1B445924DA | Lubricant. MIL-L-6085A2. |
| BB1B447205A | Измененная или модифицированная внутренняя конструкция при неизменных основных размерах. |
| BB1B411280AB | Width Non-Conforming ISO Standards. |
| BB1B476312NR/C3 | Внутренний зазор больше нормального. Канавка под стопорное кольцо на наружном кольце с соответствующим стопорным кольцом. |
| BB1-3065C | Внутренние изменения в конструкции. |
| BB1-3255B | Измененный внутренний дизайн. |
| BB1-0094 | Длина рельса в мм. |
| BB1-0094A | Измененная или модифицированная внутренняя конструкция при неизменных основных размерах. |
| BB1-0037AE | Измененная или модифицированная внутренняя конструкция при неизменных основных размерах. |
| BB1B362688A | Измененная или модифицированная внутренняя конструкция при неизменных основных размерах. |
| BB1B631409AC | Измененная или модифицированная внутренняя конструкция при неизменных основных размерах. |
| BB1B630905A | Измененная или модифицированная внутренняя конструкция при неизменных основных размерах. |
Модификации шарикового подшипника BB1B362937B — это измененное основное конструктивное исполнение BB1, основные размеры (28x68x17) не отличаются.
| Обозначение | Гост | Конструктивные особенности |
|---|---|---|
| 362937B | ISO | Конический роликовый подшипник. Угол контакта 20 градусов. |
| 362937A | ISO | Двухрядный радиально-упорный шарикоподшипник без отверстия для смазки. |
| 63/28DDU C3 | ISO | Внутренний зазор больше нормального. Резиновые уплотнения с каждой стороны подшипника. |
| AB40204S15 | ISO | Сферический наружный диаметр. |
| 63/28NR 2RS | ISO | Резиновые уплотнения с каждой стороны подшипника. Канавка под стопорное кольцо на наружном кольце с соответствующим стопорным кольцом. |
| 63/28 2RS GA2 | ISO | Резиновые уплотнения с каждой стороны подшипника. Смазка. Shell Oil Co. Alvania #2 Grease. |
| 63/28Z NR C3 | ISO | Внутренний зазор больше нормального. щит из листовой прессованной стали с одной стороны подшипника. Канавка под стопорное кольцо на наружном кольце с соответствующим стопорным кольцом. |
| 63/28-RS1/C3 | ISO | Внутренний зазор больше нормального. Резиновое уплотнение с одной стороны. |
| TMB3/28CJR2/72CS15 | ISO | Клепаный сепаратор. где стандартный размер обычно приваривается точечной сваркой. |
| 63/28Z | ISO | щит из листовой прессованной стали с одной стороны подшипника. |
| 63/28 2NSL | ISO | Контактные уплотнения на каждой стороне подшипника.. |
| 63/28 2RD QE6 | ISO | Тихая работа. Облегченное контактное уплотнение с двух сторон.. |
| 63/28LLU NR | ISO | Резиновые уплотнения с каждой стороны подшипника. Канавка под стопорное кольцо на наружном кольце с соответствующим стопорным кольцом. |
| 63/28/1B-9C3 | ISO | Внутренний зазор больше нормального. |
| 362472BC | ISO | Conrad Type 25° Угол контакта. Domestic Production. |
| 362472BD | ISO | Tapered Roller Bearing. Steep Угол контакта (24° To 32°). Metric Series. |
| 63/28J | ISO | Дорожки качения наружного кольца. угол контакта и ширина наружного кольца в соответствии с ISO. |
| 63/28NRE | ISO | Канавка стопорного кольца на наружном кольце подшипника и соответствующим стопорным кольцом. |
| 63/28LLUC3 | ISO | Внутренний зазор больше нормального. Резиновые уплотнения с каждой стороны подшипника. |
| BL3/28NR | ISO | Канавка под стопорное кольцо на наружном кольце с соответствующим стопорным кольцом. |
| 63/28J C3 | ISO | Внутренний зазор больше нормального. Сепаратор из стали. |
| 63/28C3UR3 | ISO | Внутренний зазор больше нормального. NSK’s ‘UR’ Carbonitrided Heat Treatment Enhances Bearing Fatigue Life Under Contaminated Environments Such As Ones Commonly Found In Gearboxes. |
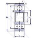
Аналог шарикового подшипника BB1B362937B — это подшипник такого же размера dx28,Dx68,Bx17, типа и конструкции.
| Обозначение | Конструктивные особенности | Внутренний (d) | Наружный (D) | Ширина (B) |
|---|---|---|---|---|
| 63/28ZZE | Шариковый радиальный однорядный подшипник. | 28.00 | 68.00 | 18.00 |
| 63/28-2RS2 | Шариковый радиальный однорядный подшипник. Два контактных уплотнения из фторкаучука (FPM) с усилением из листовой стали (высокотемпературные). | 28.00 | 68.00 | 18.00 |
| 63/28-2Z | Шариковый радиальный однорядный подшипник. Защитные металлические шайбы с обеих сторон подшипника. | 28.00 | 68.00 | 18.00 |
| MJ28=3 | Шариковый радиальный однорядный подшипник. Размерные и геометрические допуски соответствуют классу точности P6. | 28.00 | 68.00 | 18.00 |
| 63/28VV | Шариковый радиальный однорядный подшипник. Защитные металлические шайбы. с обеих сторон подшипника. Бесконтактное уплотнение. (лучше. чем ZZ. Можно использовать в умеренно запыленной среде). | 28.00 | 68.00 | 18.00 |
| TMB3/28JR2C4 | Шариковый радиальный однорядный подшипник. Внутренний радиальный зазор С4. Штампованный сепаратор из упрочнённой стали. Изготовлено из специально термически обработанной стали. | 28.00 | 68.00 | 18.00 |
| 63/28LLH | Шариковый радиальный однорядный подшипник. Манжетное уплотнение с обеих сторон подшипника. | 28.00 | 68.00 | 18.00 |
| 63/28LLHN | Шариковый радиальный однорядный подшипник. Канавка для стопорного кольца на наружном кольце. Бесконтактное нитриловое уплотнение с пониженным трением. | 28.00 | 68.00 | 18.00 |
| 63/28LLB | Шариковый радиальный однорядный подшипник. Уплотнение бесконтактного типа из синтетического каучука. | 28.00 | 68.00 | 18.00 |
| 7TM-6TA-SC05C68CM25PX1V1 | Шариковый радиальный однорядный подшипник. Механически обработанный сепаратор. Уплотнение из полиакрила. Специальный нормальный радиальный зазор с зауженным допуском. Модификация фаски. | 28.00 | 68.00 | 17.00 |
| 63/28-RS C3 | Шариковый радиальный однорядный подшипник. Внутренний зазор больше нормального. Резиновое уплотнение с одной стороны. | 28.00 | 68.00 | 18.00 |
| TJ 12381 S04 | Шариковый радиальный однорядный подшипник. Сферический наружный диаметр. | 28.00 | 67.00 | 18.00 |
| AB40204S02 | Шариковый радиальный однорядный подшипник. Кольца стабилизированы по размерам для использования при рабочих температурах до +250°C (482°F). | 28.00 | 67.00 | 18.00 |
| AB41055 | Шариковый радиальный однорядный подшипник. Однорядный радиально-упорный шариковый подшипник с полиамидным сепаратором. | 27.00 | 68.00 | 16.00 |
| AB44052S01 | Шариковый радиальный однорядный подшипник. Сферический наружный диаметр. | 28.00 | 68.00 | 17.00 |
Способы доставки
Отправка через ведущие транспортные и курьерские компании: ПЭК, Деловые Линии, СДЭК, Байкал-Сервис, Энергия, КИТ, ЖелДорЭкспедиция.
Самовывоз возможен напрямую со склада в Москве.
Сроки доставки
Срок зависит от региона и выбранной транспортной компании. Все заказы комплектуются и отправляются в кратчайшие сроки со склада в Москве.
Надёжность и сохранность
Вся продукция упаковывается с учётом требований транспортировки. Мы гарантируем, что подшипники и комплектующие прибудут к заказчику в полной сохранности.
Доставка в страны ЕАЭС
Мы работаем с проверенными логистическими партнёрами, что позволяет оперативно доставлять заказы в Беларусь, Казахстан, Армению и другие страны ЕАЭС.
Варианты оплаты:
Минимальная сумма заказа и скидки:
Документы и гарантии:
Да, конечно! Наши технические специалисты готовы помочь вам с подбором точного аналога или замены подшипника. Просто позвоните нам по телефону +7 (495) 104-99-04 или напишите на почту zakaz@podsnab.ru.
Для оперативной консультации подготовьте, пожалуйста, имеющиеся данные: маркировку, размеры, тип оборудования или артикул старого подшипника.
Да, конечно! Мы высоко ценим долгосрочное сотрудничество и доверие клиентов по всей России. Для постоянных клиентов действует персональная система скидок.
Условия формируются индивидуально и зависят от:
Чтобы узнать свои условия и получить максимально выгодное предложение, свяжитесь с персональным менеджером или напишите нам на почту zakaz@podsnab.ru.
Вы можете оформить заказ несколькими способами:
Для оформления заказа от юридического лица свяжитесь с нашим отделом по работе с корпоративными клиентами по телефону +7 (495) 104-99-04 или напишите на email zakaz@podsnab.ru, прикрепив реквизиты вашей организации.
Мы оперативно подготовим коммерческое предложение и выставим счет.
Возврат товара надлежащего качества возможен в течение 10 дней с момента получения, если товар не был в употреблении, сохранен товарный вид, упаковка не вскрывалась и присутствуют все сопроводительные документы.
Возврат денежных средств осуществляется в течение 10 рабочих дней после проверки товара складом.
В соответствии с законодательством возврату не подлежат подшипники надлежащего качества, если отсутствует оригинальная упаковка или имеются следы монтажа.
В случае выявления брака или гарантийного случая мы гарантируем возврат или обмен товара.
Да, гарантийный срок хранения устанавливается заводом-изготовителем и в среднем составляет 2 года при соблюдении условий хранения: сухое помещение, оригинальная упаковка и смазка.
Точный срок для конкретного типа подшипника уточняйте у наших менеджеров.
Пн–Пт: с 8:00 до 17:00 (МСК).
Сб–Вс: выходные дни.
Заказы на сайте принимаются круглосуточно. Заявки, поступившие после окончания рабочего дня, обрабатываются на следующий рабочий день.
Минимальная сумма заказа для доставки составляет 3000 рублей. Самовывоз со склада возможен на любую сумму при наличии товара.
ООО «УралТехГрупп»
ИНН: 7415093830
КПП: 772401001
ОГРН: 1167456069021
Банк: ПАО Сбербанк
Р/с: 40702810838000475273
К/с: 30101810400000000225
БИК: 044525225
У подшипника BB1B362937B пока нет отзывов. Вы можете стать первым покупателем, поделившимся своим мнением.