Поиск подшипника
Статьи
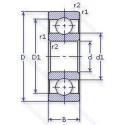
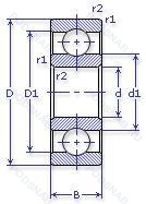
EE2TN9 — Подшипник однорядный шариковый радиальный, модификация основного исполнения EE2, производство SKF.
Размер подшипника: 6x19x5 мм.
Код типа подшипника: стандартный тип, литой защелкивающийся сепаратор из полиамида. армированного стекловолокном 6.6.
Аналоги: EE2TN SKF.
Международная стандартизации ISO
EE2TN9
В наличии
| Обозначение | Конструктивные изменения |
|---|---|
| EE2 2RS | Резиновые уплотнения с каждой стороны подшипника. |
| EE2 | Подшипник однорядный шариковый радиальный. Основное конструктивное исполнение. |
| EE2ZZ | Защитные металлические шайбы с обеих сторон. |
| EE2S 2RSP | Шарикоподшипник. Изготовлен в соответствии со специальными требованиями к уровню шума. Два резиновых уплотнения. |
| EE2S ZZP | Шарикоподшипник. Изготовлен в соответствии со специальными требованиями к уровню шума. Защитные металлические шайбы с двух сторон. |
| EE2Y | Сепаратор из прессованной латуни. Центрирование шарика. |
| EE2.2Z | Защитные металлические шайбы с обеих сторон подшипника. |
| EE2TN | Отлитый под давлением защелкивающийся сепаратор из полиамида. Центрированные тела качения. |
| EE2-2RS1 | Усиленные листовой сталью контактные уплотнения из акрилонитрил-бутадиенового каучука (NBR) с обеих сторон подшипника. |
| EE2S ZZ | Запечатанная версия кулачкового ролика. Защитные металлические шайбы с обеих сторон. |
Модификации шарикового подшипника EE2TN9 — это измененное основное конструктивное исполнение EE2, основные размеры (6x19x5) не отличаются.
| Обозначение | Гост | Конструктивные особенности |
|---|---|---|
| 626-2Z-CM | ISO | Защитные металлические шайбы с обеих сторон. Шариковый подшипник. Специальный радиальный внутренний зазор для электродвигателей. |
| 607Z TBH C3 | ISO | Внутренний зазор больше нормального. щит из листовой прессованной стали с одной стороны подшипника. Защелкивающийся сепаратор. Ламинированная фенольная смола. |
| 626-A-4DDMC3E | ISO | Двухрядный радиально-упорный шарикоподшипник без отверстия для смазки. Тихая работа. Резиновые уплотнения с каждой стороны подшипника. Улучшенный нормальный зазор (без латунного сепаратора). |
| 607VVC2PS2L | ISO | Bearing Internal Clearance Smaller Than Normal.Usable In Moderately Dusty Environment). No Contact Seal.607VV-NSK. Seal At Each Side Of The Bearing (Better Than ZZ.. |
| 626+6 | ISO | Exxon Aviation Instrument Oil. |
| 626DD+6 | ISO | Два уплотнения из PTFE. Exxon Aviation Instrument Oil. |
| 626ZZ+6 | ISO | Защитные металлические шайбы с обеих сторон. Exxon Aviation Instrument Oil. |
| 635DD+6 | ISO | Два уплотнения из PTFE. Exxon Aviation Instrument Oil. |
| 635ZZ+6 | ISO | Защитные металлические шайбы с обеих сторон. Exxon Aviation Instrument Oil. |
| 626.2RSW5 | ISO | Резиновые уплотнения с каждой стороны подшипника. Ширина 5.15 мм. |
| 626EE C3 | ISO | Внутренний зазор больше нормального. Резиновые уплотнения с каждой стороны подшипника. |
| RI-1214R | ISO | Штампованный стальной фиксатор. Ленточный тип. |
| 626ZZ M1 C4 | ISO | Внутренний зазор подшипника больше. чем C3. Защитные металлические шайбы с обеих сторон. Electrical Motor Quality. |
| F607.2Z | ISO | Защитные металлические шайбы с обеих сторон. |
| 626-2Z C3 GPR J G340 | ISO | Внутренний зазор больше нормального. Сепаратор изготовлен из нержавеющей листовой стали. Защитные стальные шайбы с обеих сторон. Испытание на шум. Longtime PD2 Lubrication -35 to +140° C. |
| 626-2Z GPR E G330 | ISO | Сепаратор изготовлен из листовой стали. Защитные металлические шайбы с обеих сторон. Испытание на шум. Klüber Isoflex LDS 18 Special A. Temperature Range/ -50°C (-58°F)/+120°C (248°F). |
| 635GPR J | ISO | Сепаратор изготовлен из нержавеющей листовой стали. Испытание на шум. |
| 607VV MC3E | ISO | Защитные металлические шайбы. с обеих сторон подшипника. Бесконтактное уплотнение. (лучше. чем ZZ. Можно использовать в умеренно запыленной среде). (Миниатюрные радиальные шарикоподшипники серии Metric. M = без латунного сепаратора) = Нормальный радиальный внутренний зазор. |
| 626VV MC3E | ISO | Защитные металлические шайбы. с обеих сторон подшипника. Бесконтактное уплотнение. (лучше. чем ZZ. Можно использовать в умеренно запыленной среде). (Миниатюрные радиальные шарикоподшипники серии Metric. M = без латунного сепаратора) = Нормальный радиальный внутренний зазор. |
| 626PP-1.4401 | ISO | Polyamide Bearing + Stainless Steel Balls. |
Аналог шарикового подшипника EE2TN9 — это подшипник такого же размера dx6,Dx19,Bx5, типа и конструкции.
| Обозначение | Конструктивные особенности | Внутренний (d) | Наружный (D) | Ширина (B) |
|---|---|---|---|---|
| 5-26Л | Шариковый радиальный однорядный подшипник. Сепаратор из латуни.. | 6.00 | 19.00 | 6.00 |
| 5-60026 ЮТ | Шариковый радиальный однорядный подшипник. Температура отпуска. 160°. Все детали или часть деталей из нержавеющей стали.. | 6.00 | 19.00 | 6.00 |
| 5-6017 К | Шариковый радиально-упорный однорядный подшипник. «Замок» (скос) на внутреннем кольце плюс массивный сепаратор из текстолита. | 7.00 | 19.00 | 6.00 |
| 5-6017 У | Шариковый радиально-упорный однорядный подшипник. Дополнительные технические требования. | 7.00 | 19.00 | 6.00 |
| 5-6026 Е1 | Шариковый радиально-упорный однорядный подшипник. Сепаратор из текстолита.. | 6.00 | 19.00 | 6.00 |
| 5-640065-КП | Шариковый радиальный однорядный подшипник. «Замок» (скос) на внутреннем кольце плюс массивный сепаратор из текстолита. | 5.00 | 20.00 | 5.00 |
| 5-640065-КУП | Шариковый радиальный однорядный подшипник. «Замок» (скос) на внутреннем кольце плюс массивный сепаратор из текстолита. Дополнительные технические требования. | 5.00 | 20.00 | 5.00 |
| 5-640065-М | Шариковый радиальный однорядный подшипник. Модифицированный контакт.. | 5.00 | 20.00 | 5.00 |
| 5-640065-МП | Шариковый радиальный однорядный подшипник. Модифицированный контакт.. | 5.00 | 20.00 | 5.00 |
| 5-80026 К2С21 | Шариковый радиальный однорядный подшипник. «Замок» (скос) на внутреннем кольце плюс массивный сепаратор из текстолита. Смазка ЭРА. | 6.00 | 19.00 | 6.00 |
| 6-1006-Ю | Шариковый радиальный двухрядный подшипник. Все детали или часть деталей из нержавеющей стали.. | 6.00 | 19.00 | 6.00 |
| 6-1006-ЮТ | Шариковый радиальный двухрядный подшипник. Температура отпуска. 160°. Все детали или часть деталей из нержавеющей стали.. | 6.00 | 19.00 | 6.00 |
| 6-17 Т2 | Шариковый радиальный однорядный подшипник. 200°. Температура отпуска. | 7.00 | 19.00 | 6.00 |
| 6-17 Ю | Шариковый радиальный однорядный подшипник. Все детали или часть деталей из нержавеющей стали.. | 7.00 | 19.00 | 6.00 |
| 6-17 ЮТ | Шариковый радиальный однорядный подшипник. Температура отпуска. 160°. Все детали или часть деталей из нержавеющей стали.. | 7.00 | 19.00 | 6.00 |
Способы доставки
Отправка через ведущие транспортные и курьерские компании: ПЭК, Деловые Линии, СДЭК, Байкал-Сервис, Энергия, КИТ, ЖелДорЭкспедиция.
Самовывоз возможен напрямую со склада в Москве.
Сроки доставки
Срок зависит от региона и выбранной транспортной компании. Все заказы комплектуются и отправляются в кратчайшие сроки со склада в Москве.
Надёжность и сохранность
Вся продукция упаковывается с учётом требований транспортировки. Мы гарантируем, что подшипники и комплектующие прибудут к заказчику в полной сохранности.
Доставка в страны ЕАЭС
Мы работаем с проверенными логистическими партнёрами, что позволяет оперативно доставлять заказы в Беларусь, Казахстан, Армению и другие страны ЕАЭС.
Варианты оплаты:
Минимальная сумма заказа и скидки:
Документы и гарантии:
Да, конечно! Наши технические специалисты готовы помочь вам с подбором точного аналога или замены подшипника. Просто позвоните нам по телефону +7 (495) 104-99-04 или напишите на почту zakaz@podsnab.ru.
Для оперативной консультации подготовьте, пожалуйста, имеющиеся данные: маркировку, размеры, тип оборудования или артикул старого подшипника.
Да, конечно! Мы высоко ценим долгосрочное сотрудничество и доверие клиентов по всей России. Для постоянных клиентов действует персональная система скидок.
Условия формируются индивидуально и зависят от:
Чтобы узнать свои условия и получить максимально выгодное предложение, свяжитесь с персональным менеджером или напишите нам на почту zakaz@podsnab.ru.
Вы можете оформить заказ несколькими способами:
Для оформления заказа от юридического лица свяжитесь с нашим отделом по работе с корпоративными клиентами по телефону +7 (495) 104-99-04 или напишите на email zakaz@podsnab.ru, прикрепив реквизиты вашей организации.
Мы оперативно подготовим коммерческое предложение и выставим счет.
Возврат товара надлежащего качества возможен в течение 10 дней с момента получения, если товар не был в употреблении, сохранен товарный вид, упаковка не вскрывалась и присутствуют все сопроводительные документы.
Возврат денежных средств осуществляется в течение 10 рабочих дней после проверки товара складом.
В соответствии с законодательством возврату не подлежат подшипники надлежащего качества, если отсутствует оригинальная упаковка или имеются следы монтажа.
В случае выявления брака или гарантийного случая мы гарантируем возврат или обмен товара.
Да, гарантийный срок хранения устанавливается заводом-изготовителем и в среднем составляет 2 года при соблюдении условий хранения: сухое помещение, оригинальная упаковка и смазка.
Точный срок для конкретного типа подшипника уточняйте у наших менеджеров.
Пн–Пт: с 8:00 до 17:00 (МСК).
Сб–Вс: выходные дни.
Заказы на сайте принимаются круглосуточно. Заявки, поступившие после окончания рабочего дня, обрабатываются на следующий рабочий день.
Минимальная сумма заказа для доставки составляет 3000 рублей. Самовывоз со склада возможен на любую сумму при наличии товара.
ООО «УралТехГрупп»
ИНН: 7415093830
КПП: 772401001
ОГРН: 1167456069021
Банк: ПАО Сбербанк
Р/с: 40702810838000475273
К/с: 30101810400000000225
БИК: 044525225
У подшипника EE2TN9 пока нет отзывов. Вы можете стать первым покупателем, поделившимся своим мнением.