Поиск подшипника
Статьи
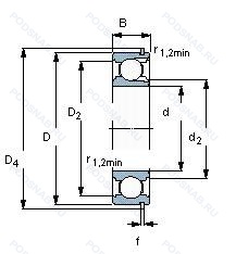
305NR — Подшипник однорядный шариковый радиальный, модификация основного исполнения 305, производство SKF.
Размер подшипника: 25x62x17 мм.
Канавка под стопорное кольцо на наружном кольце с соответствующим стопорным кольцом.
Альтернативное обозначение: BL305NR.
Международная стандартизации ISO
305NR
В наличии
| Обозначение | Конструктивные изменения |
|---|---|
| 305KDDG | Conrad (Non-Filling Slot) Type. Wireloc (стопорное кольцо). Защитные стальные шайбы с обеих сторон. |
| 305M | Максимальная производительность. Канавка для ввода тел качения. |
| 305K | Conrad (Non-Filling Slot) Type. |
| 305MFF | Максимальная производительность. Канавка для ввода тел качения. Металлическое уплотнение с двух сторон. |
| 305KDD | Защитные металлические шайбы по обе стороны подшипника с цилиндрическим наружным диаметром. |
| 305MFF C4 | ABMA #4 Radial Clearance (MRC-XL Fit). Максимальная производительность. Канавка для ввода тел качения. Металлическое уплотнение с двух сторон. |
| 305-2Z/C3 | Внутренний зазор больше нормального. Защитные металлические шайбы с обеих сторон подшипника. |
| 305SFFCG | Канавка под стопорное кольцо на наружном кольце с соответствующим стопорным кольцом. Подшипник с шириной картриджа, с двумя защитными шайбами. |
| 305MG | Формованный сепаратор из полиамида. укрепленного стекловолокном. |
| 305/C3 | Внутренний зазор больше нормального. |
| 305TN | сепаратор из полиамида 6.6. армированного стекловолокном. |
| 305ZJ | Прессованный стальной сепаратор. щит из листовой прессованной стали с одной стороны подшипника. |
| 305-Z | щит из листовой прессованной стали с одной стороны подшипника. |
| 305SFFC | Подшипник с шириной картриджа, с двумя защитными шайбами. |
| 305SF | Bogie Carriage_ Clearance-Free. |
| 305T | Двухкомпонентный фенольный сепаратор. усиленный алюминием. |
| NJ 305 EW | Однорядный. |
| NU 305 ECML | Однорядный цилиндрический роликовый подшипник. |
| NUP 305 ECML | Однорядный цилиндрический роликовый подшипник. |
| NUP 305 ECNP | Однорядный цилиндрический роликовый подшипник. |
| CRBT 305 A | Двухрядный радиально-упорный шарикоподшипник без отверстия для смазки. |
| QJ 305 N2MA | Измененная или модифицированная внутренняя конструкция при неизменных основных размерах. Шариковый подшипник с четырехточечным контактом. |
| QJ 305 N2 M | Подшипник с латунным сепаратором. центрированный по телам качения. Два установочных паза (выемки), расположенных под углом 180° друг от друга в одной боковой поверхности наружного кольца или шайбе корпуса.. |
| BSA 305 CG-2RZ | Шарикоподшипник. С уплотнением и низким коэффициентом трения с обеих сторон. Уплотнение состоит из шайбы из листовой стали с вулканизированной резиной. Резьбовой винт со стопором и защелкой. |
| BSA 305 CG | Резьбовой винт со стопором и защелкой. |
Модификации шарикового подшипника 305NR — это измененное основное конструктивное исполнение 305, основные размеры (25x62x17) не отличаются.
| Обозначение | Гост | Конструктивные особенности |
|---|---|---|
| BL305NR | ISO | Канавка под стопорное кольцо на наружном кольце с соответствующим стопорным кольцом. |
| 6305VVC4/UN3S | ISO | Внутренний зазор подшипника больше. чем C3. Защитные металлические шайбы. с обеих сторон подшипника. Бесконтактное уплотнение. (лучше. чем ZZ. Можно использовать в умеренно запыленной среде). Grease Temprex N3 (Unirex N3) (-20°C / +140°C). |
| 6305A 2RS C3 | ISO | Внутренний зазор больше нормального. Axial Clearance In Non-Standardized Range (Range In µm - e.g. 3210 A20-30). Резиновые уплотнения с каждой стороны подшипника. |
| 6305VVC3E | ISO | Внутренний зазор больше нормального. Шарикоподшипник. Однорядный электродвигатель. Уровень шума. Защитные металлические шайбы. с обеих сторон подшипника. Бесконтактное уплотнение. (лучше. чем ZZ. Можно использовать в умеренно запыленной среде). |
| 6305.2ZRN | ISO | Защитные металлические шайбы с обеих сторон. Канавка под стопорное кольцо на внешнем кольце. |
| 6305FT150ZZ | ISO | Ассортимент TOPLINE для высокой температуры - Максимум 150 С° со стальными защитными пластинами с обеих сторон. |
| 6305DDUC4 | ISO | Внутренний зазор подшипника больше. чем C3. Резиновые уплотнения с каждой стороны подшипника. |
| 83406-9 C3 | ISO | Внутренний зазор больше нормального. Largest Fill. |
| 83580-9 C3 | ISO | Внутренний зазор больше нормального. Largest Fill. |
| 6305-2Z-L069-C3 | ISO | Внутренний зазор больше нормального. Зазорные уплотнения с обеих сторон.. Insert Bearing Grease For Wide Temperature Range - Polycarbamide Ester Oil - –40°C to +180°C. |
| 6305-C-2HRS-C4 | ISO | Модифицированная внутренняя конструкция. Внутренний зазор подшипника больше. чем C3. Манжетные уплотнения с обеих сторон изготовлены из нитрил-бутадиенового каучука. Эти конструкции смазываются на весь срок службы высококачественной смазкой и подходят для умеренных скоростей. Момент трения и тепловыделение ниже, чем при использовании предыдущего уплотнения RSR.. |
| 6305TB P5 | ISO | Размерная и рабочая точность соответствует классу допуска ISO 5. Сепаратор оконного типа из фенольной смолы. армированной тканью. Центрирование по внутреннему кольцу. |
| 6305ZZ C3 EEMS5 | ISO | Стандартное заполнение. Внутренний зазор больше нормального. Защитные металлические шайбы с обеих сторон. Standard Single Pack. Exxon-Mobil Polyrex EM. Thickener=Polyurea. Mineral Base Oil. Operating Temperature (Constant) -29°C/+140°C. |
| 6305CMD | ISO | Шариковый подшипник. Специальный радиальный внутренний зазор для электродвигателей. |
| 6305ZZC3E ENSS | ISO | Стандартное заполнение. Внутренний зазор больше нормального. Шарикоподшипник. Однорядный электродвигатель. Уровень шума. Защитные металлические шайбы с обеих сторон. Nippon Grease ENS (-40/+160°C. piek +180°C). |
| 6305DDUC3E ENSS | ISO | Стандартное заполнение. Внутренний зазор больше нормального. Шарикоподшипник. Однорядный электродвигатель. Уровень шума. Резиновые уплотнения с каждой стороны подшипника. Nippon Grease ENS (-40/+160°C. piek +180°C). |
| 6305VVC3E/EA6S | ISO | Стандартное заполнение. Внутренний зазор больше нормального. Шарикоподшипник. Однорядный электродвигатель. Уровень шума. Защитные металлические шайбы. с обеих сторон подшипника. Бесконтактное уплотнение. (лучше. чем ZZ. Можно использовать в умеренно запыленной среде). Working Temperature Range/ -40°C / >150°C. |
| 6305DDUC3/NS7S | ISO | Standard Fill. (NS7S/ Inside With Grease. Up Than 35%. Temperature Resistance -40°C To +140°C). Внутренний зазор больше нормального. Резиновые уплотнения с каждой стороны подшипника. Смазка NS Hi Lube. Диапазон рабочей смазки -40 +110 °С. |
| 6305-2RS1/C3MT33 | ISO | Внутренний зазор больше нормального. Усиленные листовой сталью контактные уплотнения из акрилонитрил-бутадиенового каучука (NBR) с обеих сторон подшипника. Lithium Grease. Medium Temp. 74 cSt @ 40°C. -30°C/+120°C. A Two-Figure Number Following MT Identifies The Actual Grease. An Additional Letter Or Letter/Figure Combination As Mentioned Under HT Identifies Filling Degrees Other Than Standard. Examples/ MT33 Or MT37F9. |
| 6305DDGCM ST3H | ISO | Резиновые уплотнения с каждой стороны подшипника. Шариковый подшипник. Специальный радиальный внутренний зазор для электродвигателей. Rhenus Norlith STM3. |
| 6305ZCMU152A5S | ISO | Стандартное заполнение. щит из листовой прессованной стали с одной стороны подшипника. Шариковый подшипник. Специальный радиальный внутренний зазор для электродвигателей. |
Аналог шарикового подшипника 305NR — это подшипник такого же размера dx25,Dx62,Bx17, типа и конструкции.
| Обозначение | Конструктивные особенности | Внутренний (d) | Наружный (D) | Ширина (B) |
|---|---|---|---|---|
| 50305-A | Шариковый радиальный однорядный подшипник. Двухрядный радиально-упорный шарикоподшипник без отверстия для смазки. | 25.00 | 62.00 | 17.00 |
| 50305-А | Шариковый радиальный однорядный подшипник. Повышенная грузоподъемность. | 25.00 | 62.00 | 17.00 |
| 50305-А1Е | Шариковый радиальный однорядный подшипник. Сепаратор из текстолита.. Повышенная грузоподъемность. | 25.00 | 62.00 | 17.00 |
| 50305-А1К2 | Шариковый радиальный однорядный подшипник. «Замок» (скос) на внутреннем кольце плюс массивный сепаратор из текстолита. Повышенная грузоподъемность. | 25.00 | 62.00 | 17.00 |
| 50305-АК | Шариковый радиальный однорядный подшипник. Повышенная грузоподъемность. | 25.00 | 62.00 | 17.00 |
| 50305-АШ | Шариковый радиальный однорядный подшипник. Повышенная грузоподъемность. Нормы шумности. | 25.00 | 62.00 | 17.00 |
| 50305-Е5 | Шариковый радиальный однорядный подшипник. Сепаратор из текстолита.. | 25.00 | 62.00 | 17.00 |
| 50305E5 | Шариковый радиальный однорядный подшипник. Смазочные отверстия и канавки во внутреннем кольце. | 25.00 | 62.00 | 17.00 |
| 50305А2Е | Шариковый радиальный однорядный подшипник. Сепаратор из текстолита.. Повышенная грузоподъемность. | 25.00 | 62.00 | 17.00 |
| 50905-А1Е | Шариковый радиальный однорядный подшипник. Сепаратор из текстолита.. Повышенная грузоподъемность. | 25.00 | 62.00 | 17.00 |
| 6-126805 Е | Шариковый радиально-упорный однорядный подшипник. Сепаратор из текстолита.. | 25.00 | 62.00 | 17.00 |
| 6-1305 Л1 | Шариковый радиальный двухрядный подшипник. Сепаратор из латуни.. | 25.00 | 62.00 | 17.00 |
| 6-180305 А | Шариковый радиальный однорядный подшипник. Повышенная грузоподъемность. | 25.00 | 62.00 | 17.00 |
| 6-180305 АС9 | Шариковый радиальный однорядный подшипник. Повышенная грузоподъемность. Смазка ЛЗ-31. | 25.00 | 62.00 | 17.00 |
| 6-180305 С17 | Шариковый радиальный однорядный подшипник. Смазка Литол-24. | 25.00 | 62.00 | 17.00 |
Способы доставки
Отправка через ведущие транспортные и курьерские компании: ПЭК, Деловые Линии, СДЭК, Байкал-Сервис, Энергия, КИТ, ЖелДорЭкспедиция.
Самовывоз возможен напрямую со склада в Москве.
Сроки доставки
Срок зависит от региона и выбранной транспортной компании. Все заказы комплектуются и отправляются в кратчайшие сроки со склада в Москве.
Надёжность и сохранность
Вся продукция упаковывается с учётом требований транспортировки. Мы гарантируем, что подшипники и комплектующие прибудут к заказчику в полной сохранности.
Доставка в страны ЕАЭС
Мы работаем с проверенными логистическими партнёрами, что позволяет оперативно доставлять заказы в Беларусь, Казахстан, Армению и другие страны ЕАЭС.
Варианты оплаты:
Минимальная сумма заказа и скидки:
Документы и гарантии:
Да, конечно! Наши технические специалисты готовы помочь вам с подбором точного аналога или замены подшипника. Просто позвоните нам по телефону +7 (495) 104-99-04 или напишите на почту zakaz@podsnab.ru.
Для оперативной консультации подготовьте, пожалуйста, имеющиеся данные: маркировку, размеры, тип оборудования или артикул старого подшипника.
Да, конечно! Мы высоко ценим долгосрочное сотрудничество и доверие клиентов по всей России. Для постоянных клиентов действует персональная система скидок.
Условия формируются индивидуально и зависят от:
Чтобы узнать свои условия и получить максимально выгодное предложение, свяжитесь с персональным менеджером или напишите нам на почту zakaz@podsnab.ru.
Вы можете оформить заказ несколькими способами:
Для оформления заказа от юридического лица свяжитесь с нашим отделом по работе с корпоративными клиентами по телефону +7 (495) 104-99-04 или напишите на email zakaz@podsnab.ru, прикрепив реквизиты вашей организации.
Мы оперативно подготовим коммерческое предложение и выставим счет.
Возврат товара надлежащего качества возможен в течение 10 дней с момента получения, если товар не был в употреблении, сохранен товарный вид, упаковка не вскрывалась и присутствуют все сопроводительные документы.
Возврат денежных средств осуществляется в течение 10 рабочих дней после проверки товара складом.
В соответствии с законодательством возврату не подлежат подшипники надлежащего качества, если отсутствует оригинальная упаковка или имеются следы монтажа.
В случае выявления брака или гарантийного случая мы гарантируем возврат или обмен товара.
Да, гарантийный срок хранения устанавливается заводом-изготовителем и в среднем составляет 2 года при соблюдении условий хранения: сухое помещение, оригинальная упаковка и смазка.
Точный срок для конкретного типа подшипника уточняйте у наших менеджеров.
Пн–Пт: с 8:00 до 17:00 (МСК).
Сб–Вс: выходные дни.
Заказы на сайте принимаются круглосуточно. Заявки, поступившие после окончания рабочего дня, обрабатываются на следующий рабочий день.
Минимальная сумма заказа для доставки составляет 3000 рублей. Самовывоз со склада возможен на любую сумму при наличии товара.
ООО «УралТехГрупп»
ИНН: 7415093830
КПП: 772401001
ОГРН: 1167456069021
Банк: ПАО Сбербанк
Р/с: 40702810838000475273
К/с: 30101810400000000225
БИК: 044525225
У подшипника 305NR пока нет отзывов. Вы можете стать первым покупателем, поделившимся своим мнением.