Поиск подшипника
Статьи
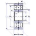
61920 — Подшипник однорядный шариковый радиальный, основное исполнение, выпускается производителями: CRAFT, CX, FAG, ISB, ISO, NKE, SIGMA, SKF, ZEN.
Размер подшипника: 100x140x20 мм.
Альтернативное обозначение: 6920.
Международная стандартизации ISO
61920
В наличии
| Обозначение | Конструктивные изменения |
|---|---|
| 61920.C3 | Внутренний зазор больше нормального. |
| 61920 2RS | Резиновые уплотнения с каждой стороны подшипника. |
| 61920ZZ | Защитные металлические шайбы с обеих сторон. |
| 61920-2Z | Защитные металлические шайбы с обеих сторон. |
| 61920-2RSR | Резиновые уплотнения с каждой стороны подшипника. |
| 61920M | Твердый латунный сепаратор. Шариковые направляющие. |
| 61920-2RSR-C3 | Внутренний зазор больше нормального. Резиновые уплотнения с каждой стороны подшипника. |
| 61920-2RS1/C3 | Внутренний зазор больше нормального. Усиленные листовой сталью контактные уплотнения из акрилонитрил-бутадиенового каучука (NBR) с обеих сторон подшипника. |
Модификации шарикового подшипника 61920 — это измененное основное конструктивное исполнение 61920, основные размеры (100x140x20) не отличаются.
| Обозначение | Гост | Конструктивные особенности |
|---|---|---|
| 6920 ZNR | ISO | Подшипник однорядный шариковый радиальный. |
| 6920 NR | ISO | Канавка и стопорное кольцо на наружном кольце. |
| 6920 2RS | ISO | Резиновые уплотнения с каждой стороны подшипника. |
| 6920 | ISO | Подшипник однорядный шариковый радиальный. |
| 6920ZZ | ISO | Металлическая защитная шайба с двух сторон. |
| 6920ZZ/AS2S | ISO | Стандартное заполнение. Защитные металлические шайбы с обеих сторон. 1/4 Full. Смазка Aeroshell 7. |
| 6920DDU | ISO | Резиновые уплотнения с каждой стороны подшипника. |
| 6920ZZ Y | ISO | Защитные металлические шайбы с обеих сторон. Штампованный латунный фиксатор. Направляемые элементы качения. |
| 6920ZZ NR | ISO | Защитные металлические шайбы с обеих сторон. Канавка под стопорное кольцо на наружном кольце с соответствующим стопорным кольцом. |
| 6920LLU | ISO | Резиновые уплотнения с каждой стороны подшипника. |
| 6920VV | ISO | Защитные металлические шайбы. с обеих сторон подшипника. Бесконтактное уплотнение. (лучше. чем ZZ. Можно использовать в умеренно запыленной среде). |
Аналог шарикового подшипника 61920 — это подшипник такого же размера dx100,Dx140,Bx20, типа и конструкции.
| Обозначение | Конструктивные особенности | Внутренний (d) | Наружный (D) | Ширина (B) |
|---|---|---|---|---|
| 3NCHAR920CA | Шариковый радиальный однорядный подшипник. Угол контакта 20 градусов. Латунный сепаратор с симметричными роликами. | 100.00 | 140.00 | 20.00 |
| 3NCHAR920C | Шариковый радиальный однорядный подшипник. Угол контакта 20 градусов. | 100.00 | 140.00 | 20.00 |
| 1000920-Л | Шариковый радиальный однорядный подшипник. Сепаратор из латуни.. | 100.00 | 140.00 | 20.00 |
| 5-1000920 Л | Шариковый радиальный однорядный подшипник. Сепаратор из латуни.. | 100.00 | 140.00 | 20.00 |
| 56-1032920 Р10 | Роликовый радиальный однорядный подшипник. Детали из теплоустойчивой (быстрорежущие) стали.. | 100.00 | 140.00 | 20.00 |
| 56-1032920 Р11 | Роликовый радиальный однорядный подшипник. Детали из теплоустойчивой (быстрорежущие) стали.. | 100.00 | 140.00 | 20.00 |
| 56-1032920 Р12 | Роликовый радиальный однорядный подшипник. Детали из теплоустойчивой (быстрорежущие) стали.. | 100.00 | 140.00 | 20.00 |
| 56-1032920 Р4 | Роликовый радиальный однорядный подшипник. Детали из теплоустойчивой (быстрорежущие) стали.. | 100.00 | 140.00 | 20.00 |
| 56-1032920 Р6 | Роликовый радиальный однорядный подшипник. Детали из теплоустойчивой (быстрорежущие) стали.. | 100.00 | 140.00 | 20.00 |
| 56-1032920 Р7 | Роликовый радиальный однорядный подшипник. Детали из теплоустойчивой (быстрорежущие) стали.. | 100.00 | 140.00 | 20.00 |
| 56-1032920 Р8 | Роликовый радиальный однорядный подшипник. Детали из теплоустойчивой (быстрорежущие) стали.. | 100.00 | 140.00 | 20.00 |
| 56-1032920 Р9 | Роликовый радиальный однорядный подшипник. Детали из теплоустойчивой (быстрорежущие) стали.. | 100.00 | 140.00 | 20.00 |
| 6-1000920 Л | Шариковый радиальный однорядный подшипник. Сепаратор из латуни.. | 100.00 | 140.00 | 20.00 |
| 6-1032920 ОР3 | Роликовый радиальный однорядный подшипник. Детали из теплоустойчивой (быстрорежущие) стали.. | 100.00 | 140.00 | 20.00 |
| 6-1032920 Р6 | Роликовый радиальный однорядный подшипник. Детали из теплоустойчивой (быстрорежущие) стали.. | 100.00 | 140.00 | 20.00 |
Способы доставки
Отправка через ведущие транспортные и курьерские компании: ПЭК, Деловые Линии, СДЭК, Байкал-Сервис, Энергия, КИТ, ЖелДорЭкспедиция.
Самовывоз возможен напрямую со склада в Москве.
Сроки доставки
Срок зависит от региона и выбранной транспортной компании. Все заказы комплектуются и отправляются в кратчайшие сроки со склада в Москве.
Надёжность и сохранность
Вся продукция упаковывается с учётом требований транспортировки. Мы гарантируем, что подшипники и комплектующие прибудут к заказчику в полной сохранности.
Доставка в страны ЕАЭС
Мы работаем с проверенными логистическими партнёрами, что позволяет оперативно доставлять заказы в Беларусь, Казахстан, Армению и другие страны ЕАЭС.
Варианты оплаты:
Минимальная сумма заказа и скидки:
Документы и гарантии:
Да, конечно! Наши технические специалисты готовы помочь вам с подбором точного аналога или замены подшипника. Просто позвоните нам по телефону +7 (495) 104-99-04 или напишите на почту zakaz@podsnab.ru.
Для оперативной консультации подготовьте, пожалуйста, имеющиеся данные: маркировку, размеры, тип оборудования или артикул старого подшипника.
Да, конечно! Мы высоко ценим долгосрочное сотрудничество и доверие клиентов по всей России. Для постоянных клиентов действует персональная система скидок.
Условия формируются индивидуально и зависят от:
Чтобы узнать свои условия и получить максимально выгодное предложение, свяжитесь с персональным менеджером или напишите нам на почту zakaz@podsnab.ru.
Вы можете оформить заказ несколькими способами:
Для оформления заказа от юридического лица свяжитесь с нашим отделом по работе с корпоративными клиентами по телефону +7 (495) 104-99-04 или напишите на email zakaz@podsnab.ru, прикрепив реквизиты вашей организации.
Мы оперативно подготовим коммерческое предложение и выставим счет.
Возврат товара надлежащего качества возможен в течение 10 дней с момента получения, если товар не был в употреблении, сохранен товарный вид, упаковка не вскрывалась и присутствуют все сопроводительные документы.
Возврат денежных средств осуществляется в течение 10 рабочих дней после проверки товара складом.
В соответствии с законодательством возврату не подлежат подшипники надлежащего качества, если отсутствует оригинальная упаковка или имеются следы монтажа.
В случае выявления брака или гарантийного случая мы гарантируем возврат или обмен товара.
Да, гарантийный срок хранения устанавливается заводом-изготовителем и в среднем составляет 2 года при соблюдении условий хранения: сухое помещение, оригинальная упаковка и смазка.
Точный срок для конкретного типа подшипника уточняйте у наших менеджеров.
Пн–Пт: с 8:00 до 17:00 (МСК).
Сб–Вс: выходные дни.
Заказы на сайте принимаются круглосуточно. Заявки, поступившие после окончания рабочего дня, обрабатываются на следующий рабочий день.
Минимальная сумма заказа для доставки составляет 3000 рублей. Самовывоз со склада возможен на любую сумму при наличии товара.
ООО «УралТехГрупп»
ИНН: 7415093830
КПП: 772401001
ОГРН: 1167456069021
Банк: ПАО Сбербанк
Р/с: 40702810838000475273
К/с: 30101810400000000225
БИК: 044525225
У подшипника 61920 пока нет отзывов. Вы можете стать первым покупателем, поделившимся своим мнением.