Поиск подшипника
Статьи
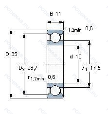
6300-2RSR-C3 — Подшипник однорядный шариковый радиальный, модификация основного исполнения 6300, производство FAG.
Размер подшипника: 10x35x11 мм.
Резиновые уплотнения с каждой стороны подшипника, внутренний зазор больше нормального.
Альтернативное обозначение: 6300-2RS1/C3, 6300 2RSH C3, 6300-C-2HRS-C3.
Аналоги: 6300-H-2RSR-C3 FAG,6300-2RS/C3 Felstrom,6300DDU C3 NSK,6300 2RS C3 Koyo,6300EEC3 SNR,6300DDU C3E/AV2S NSK,6300LLUC3/2AS NTN,6300.EEC3(J30) SNR,6300 2RS C3 Trans Link,6300 2RS C3 MTK.
Международная стандартизации ISO
63002RSRC3
В наличии
| Обозначение | Конструктивные изменения |
|---|---|
| 6300ZZ CM FG | Два боковых защитных уплотнения. Шариковый подшипник. Специальный радиальный внутренний зазор для электродвигателей. Формованный сепаратор из полиамида. усиленного стекловолокном. |
| 6300VV C3/AV2S | Внутренний зазор больше нормального. Lubricant. Shell Oil Co.. Alvania #2 Grease. 1/4 Full. Temperature Range = -10°C / + 110°C (Normal Temperature Grease). Защитные металлические шайбы с двух сторон подшипника (лучше. чем ZZ (пригодно для использования в условиях умеренной запыленности)) Бесконтактного уплотнения. |
| 6300VV C3/D4M | Внутренний зазор больше нормального. Защитные металлические шайбы с двух сторон подшипника (лучше. чем ZZ (пригодно для использования в условиях умеренной запыленности)) Бесконтактного уплотнения. Toray Silicone SH44M - Base Oil/ Phlorosilicon - Thickener/ Lithium - Min. Temp/ -40°C - Max. Temp/ +180°C - High Temperature Grease. |
| 6300ZZ C3E/NS7S | Стандартное заполнение. Защитные металлические шайбы с обеих сторон. NS Hi Lube Grease. (NS7/ Inside With Grease. Up Than 35%. Temperature Resistance -40°C To +140°C). Внутренний зазор больше нормы. Класс электродвигателя. |
| 6300LLU | Контактное резиновое уплотнение с двух сторон. |
| 6300.2RS2 | Два контактных уплотнения из фторкаучука (FPM) с усилением из листовой стали (высокотемпературные). |
| 6300-2RS2-C3 | Внутренний зазор больше нормального. Два контактных уплотнения из фторкаучука (FPM) с усилением из листовой стали (высокотемпературные). |
| 6300DDUCM D8SS | Стандартное заполнение. Резиновые уплотнения с каждой стороны подшипника. Шариковый подшипник. Специальный радиальный внутренний зазор для электродвигателей. Klüber Isoflex Super LS18. |
| 6300EEC3 | Резиновые уплотнения с каждой стороны подшипника. |
| 6300ZZ | Защитные металлические шайбы (бесконтактные уплотнения) с обеих сторон подшипника. |
| 6300UU | Символ защиты от загрязнения. |
| 6300-2RU | Non Contact Type Friction Torque = Small High Speed Performance = Good Grease Sealing = Better Than ZZ-Type Dirt Resistance = Better Than ZZ-Type Water Resistance = Better Than ZZ / Inferior To 2RS Operating Temp. -30°C To + 100°C. |
| 6300-2RD | Облегченное контактное уплотнение с двух сторон.. |
| 6300-2NKE9 | Double Labyrinth Seal (Non Contact). |
| 6300-2NSE9 | Два контактных уплотнения. |
| 6300-2NKE | Double Labyrinth Seal (Non Contact). |
| 6300NSE | Резиновое уплотнение с одной стороны. |
| 6300ZZE | Подшипник однорядный шариковый радиальный. |
| 6300-RS2 | Contact Seal Of Fluoro Rubber (FPM) With Sheet Steel Reinforcement On One Side Of The Bearing. |
| 6300LLH | Манжетное уплотнение с обеих сторон подшипника. |
| 6300-2RSL | Sheet Steel Reinforced Low Friction Contact Seal Of Acrylonitrile-Butadiene Rubber (NBR) On Both Sides Of The Bearing. |
| 6300-RSH | Резиновое уплотнение с одной стороны. |
| 6300-RSL | Sheet Steel Reinforced Low Friction Contact Seal Of Acrylonitrile-Butadiene Rubber (NBR) On One Side Of The Bearing. |
| 6300-2Z/VA201 | Защитные металлические шайбы с обеих сторон подшипника. Подшипник для высокотемпературных применений (например. печных тележек). |
| 6300FT150ZZ | Ассортимент TOPLINE для высокой температуры - Максимум 150 С° со стальными защитными пластинами с обеих сторон. |
Модификации шарикового подшипника 6300-2RSR-C3 — это измененное основное конструктивное исполнение 6300, основные размеры (10x35x11) не отличаются.
| Обозначение | Гост | Конструктивные особенности |
|---|---|---|
| SS6300 | ISO | Подшипник однорядный шариковый радиальный. |
| 1935850 | ISO | Подшипник однорядный шариковый радиальный. |
| 300KDD | ISO | Защитные металлические шайбы по обе стороны подшипника с цилиндрическим наружным диаметром. |
| E2.6300-2Z/C2E | ISO | Защитные металлические шайбы с обеих сторон подшипника. Внутренний зазор подшипника меньше обычного. Усиленный комплект шариков. |
| E2.6300-2Z | ISO | Защитные металлические шайбы с обеих сторон подшипника. |
| E2.6300-2Z/C3 | ISO | Внутренний зазор больше нормального. Защитные металлические шайбы с обеих сторон подшипника. |
| 300SZZ | ISO | Однорядный радиальный подшипник. С двумя уплотнениями. |
| K6300 | ISO | Подшипник однорядный шариковый радиальный. |
| POM6300 | ISO | Подшипник однорядный шариковый радиальный. |
Аналог шарикового подшипника 6300-2RSR-C3 — это подшипник такого же размера dx10,Dx35,Bx11, типа и конструкции.
| Обозначение | Конструктивные особенности | Внутренний (d) | Наружный (D) | Ширина (B) |
|---|---|---|---|---|
| AC-6300ZZ | Шариковый радиальный однорядный подшипник. Защитные металлические шайбы с обеих сторон. Подшипник с предотвращением от проворота. | 10.00 | 35.00 | 11.00 |
| AC-6300 | Шариковый радиальный однорядный подшипник. Уплотнение из полиакрила. Подшипник с предотвращением от проворота. | 10.00 | 35.00 | 11.00 |
| AC-6300LLB | Шариковый радиальный однорядный подшипник. Уплотнение бесконтактного типа из синтетического каучука. Подшипник с предотвращением от проворота. | 10.00 | 35.00 | 11.00 |
| AC-6300LLU | Шариковый радиальный однорядный подшипник. Контактное резиновое уплотнение с двух сторон. Подшипник с предотвращением от проворота. | 10.00 | 35.00 | 11.00 |
| EC-6300 | Шариковый радиальный однорядный подшипник. Подшипник с компенсацией теплового расширения для общего применения. | 10.00 | 35.00 | 11.00 |
| EC-6300LLU | Шариковый радиальный однорядный подшипник. Контактное резиновое уплотнение с двух сторон. Подшипник с компенсацией теплового расширения для общего применения. | 10.00 | 35.00 | 11.00 |
| EC-6300LLB | Шариковый радиальный однорядный подшипник. Подшипник с компенсацией теплового расширения для общего применения. Уплотнение бесконтактного типа из синтетического каучука. | 10.00 | 35.00 | 11.00 |
| EC-6300ZZ | Шариковый радиальный однорядный подшипник. Защитные металлические шайбы с обеих сторон. Подшипник с компенсацией теплового расширения для общего применения. | 10.00 | 35.00 | 11.00 |
| P6300-SB | Шариковый радиальный однорядный подшипник. Double Row. Angular Contact. Non-Filling Notch Bearing. With Outwardly Convergent Угол контактаs. Rigid Design. | 10.00 | 35.00 | 11.00 |
| P6300-GB | Шариковый радиальный однорядный подшипник. Подшипник для универсального монтажа. Два подшипника. установленные по О-образной или Х-образной схеме. имеют средний преднатяг. | 10.00 | 35.00 | 11.00 |
| S6300-2Z | Шариковый радиальный однорядный подшипник. Защитные металлические шайбы с обеих сторон подшипника. | 10.00 | 35.00 | 11.00 |
| 6200/35-2Z | Шариковый радиальный однорядный подшипник. Защитные металлические шайбы с обеих сторон подшипника. 2.3/16. | 10.00 | 35.00 | 11.00 |
| 180300-А | Шариковый радиальный однорядный подшипник. Повышенная грузоподъемность. | 10.00 | 35.00 | 11.00 |
| 300-А | Шариковый радиальный однорядный подшипник. Повышенная грузоподъемность. | 10.00 | 35.00 | 11.00 |
| 46300К | Шариковый радиально-упорный однорядный подшипник. «Замок» (скос) на внутреннем кольце плюс массивный сепаратор из текстолита. | 10.00 | 35.00 | 11.00 |
Способы доставки
Отправка через ведущие транспортные и курьерские компании: ПЭК, Деловые Линии, СДЭК, Байкал-Сервис, Энергия, КИТ, ЖелДорЭкспедиция.
Самовывоз возможен напрямую со склада в Москве.
Сроки доставки
Срок зависит от региона и выбранной транспортной компании. Все заказы комплектуются и отправляются в кратчайшие сроки со склада в Москве.
Надёжность и сохранность
Вся продукция упаковывается с учётом требований транспортировки. Мы гарантируем, что подшипники и комплектующие прибудут к заказчику в полной сохранности.
Доставка в страны ЕАЭС
Мы работаем с проверенными логистическими партнёрами, что позволяет оперативно доставлять заказы в Беларусь, Казахстан, Армению и другие страны ЕАЭС.
Варианты оплаты:
Минимальная сумма заказа и скидки:
Документы и гарантии:
Да, конечно! Наши технические специалисты готовы помочь вам с подбором точного аналога или замены подшипника. Просто позвоните нам по телефону +7 (495) 104-99-04 или напишите на почту zakaz@podsnab.ru.
Для оперативной консультации подготовьте, пожалуйста, имеющиеся данные: маркировку, размеры, тип оборудования или артикул старого подшипника.
Да, конечно! Мы высоко ценим долгосрочное сотрудничество и доверие клиентов по всей России. Для постоянных клиентов действует персональная система скидок.
Условия формируются индивидуально и зависят от:
Чтобы узнать свои условия и получить максимально выгодное предложение, свяжитесь с персональным менеджером или напишите нам на почту zakaz@podsnab.ru.
Вы можете оформить заказ несколькими способами:
Для оформления заказа от юридического лица свяжитесь с нашим отделом по работе с корпоративными клиентами по телефону +7 (495) 104-99-04 или напишите на email zakaz@podsnab.ru, прикрепив реквизиты вашей организации.
Мы оперативно подготовим коммерческое предложение и выставим счет.
Возврат товара надлежащего качества возможен в течение 10 дней с момента получения, если товар не был в употреблении, сохранен товарный вид, упаковка не вскрывалась и присутствуют все сопроводительные документы.
Возврат денежных средств осуществляется в течение 10 рабочих дней после проверки товара складом.
В соответствии с законодательством возврату не подлежат подшипники надлежащего качества, если отсутствует оригинальная упаковка или имеются следы монтажа.
В случае выявления брака или гарантийного случая мы гарантируем возврат или обмен товара.
Да, гарантийный срок хранения устанавливается заводом-изготовителем и в среднем составляет 2 года при соблюдении условий хранения: сухое помещение, оригинальная упаковка и смазка.
Точный срок для конкретного типа подшипника уточняйте у наших менеджеров.
Пн–Пт: с 8:00 до 17:00 (МСК).
Сб–Вс: выходные дни.
Заказы на сайте принимаются круглосуточно. Заявки, поступившие после окончания рабочего дня, обрабатываются на следующий рабочий день.
Минимальная сумма заказа для доставки составляет 3000 рублей. Самовывоз со склада возможен на любую сумму при наличии товара.
ООО «УралТехГрупп»
ИНН: 7415093830
КПП: 772401001
ОГРН: 1167456069021
Банк: ПАО Сбербанк
Р/с: 40702810838000475273
К/с: 30101810400000000225
БИК: 044525225
У подшипника 6300-2RSR-C3 пока нет отзывов. Вы можете стать первым покупателем, поделившимся своим мнением.