Поиск подшипника
Статьи
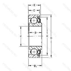
202KL — Подшипник однорядный шариковый радиальный, модификация основного исполнения 202, производство FAFNIR.
Размер подшипника: 15x35x11 мм.
Flanged type (2 thru holes)-medium load.
Альтернативное обозначение: G8502.
Аналоги: 6202RSR FAG,6202-RS1 SKF,6202-RS1/QE6 SKF,6202NSL Nachi,6202RS1 Steyr,6202RS ZKL.
Международная стандартизации ISO
202KL
В наличии
| Обозначение | Конструктивные изменения |
|---|---|
| 202NPP2 | Манжетные уплотнения с обеих сторон подшипника. Несъемное уплотнение. |
| 202NPP12 | Манжетные уплотнения с обеих сторон подшипника. Несъемное уплотнение. |
| 202SZZC | Однорядный радиальный подшипник, ширина картриджа, с двумя уплотнениями. |
| 202FFS5 | Two Felt Seals. Replaced By 88xxx. |
| 202FSF1 | Standard Precision ABEC-1. Шарикоподшипник. С уплотнением и низким коэффициентом трения с обеих сторон. Уплотнение состоит из шайбы из листовой стали с вулканизированной резиной. |
| 202MFF | Максимальная производительность. Канавка для ввода тел качения. Металлическое уплотнение с двух сторон. |
| 202KTT C1 | Internal Clearance Smaller Then Normal. Тройные манжетные уплотнения с обеих сторон подшипника (Т-образное уплотнение). |
| 202R3 | Уплотнение состоит из металлического колпачка и синтетического каучука.. |
| 202SF | Bogie Carriage_ Clearance-Free. |
| 202SFF | Single Row Radial Conrad-Type Bearings. Металлическое уплотнение с двух сторон. |
| 202PP10 | Манжетные уплотнения с обеих сторон подшипника. |
| 202KLL | BALL BEARING. CONRAD TYPE. INDUSTRIAL POWER TRANSMISSION. DOUBLE MECHANI-SEAL. |
| 202HCDUM G-75 | 15° Угол контакта. Сепаратор из фенольной смолы с текстильным ламинированием. Внешнее кольцо центрировано. Комплект из 2 универсальных подшипников. Средний преднатяг. Arcanol L-75. |
| 202HCUL 0-11 | 15° Угол контакта. Универсальный монтаж и легкий преднатяг. Сепаратор из фенольной смолы с текстильным ламинированием. Внешнее кольцо центрировано. Anderson WInsorlube L245X MIL L6085A. Temperature Range -67°F (-55°C) / +175°F (+79.44°C). |
| 202SST5 G-81 | Двухкомпонентный фенольный сепаратор. усиленный алюминием. Устройство повторного смазывания со смазочной канавкой и отверстием на внешнем кольце. Металлическое уплотнение с двух сторон. |
| 202T6 0-67 | Molded PEEK Cage. Anderol Royco 363. Temperature Range -54°C to 66°C. |
| 202KT | Greases With Lower Operating Temperature -30°C. |
| 2MM202WISUL | Одиночный подшипник. Универсальный. Легкий преднатяг. 15° Low Угол контакта. Super Precision Abec-7 (Iso P4).. Низкий борт на наружном кольце, стандартный сепаратор - формованный армированный нейлоновый. |
| NU 202 ECPHA | Измененная или модифицированная внутренняя конструкция при неизменных основных размерах. Однорядный цилиндрический роликовый подшипник. |
| QJ 202 N2MA | Измененная или модифицированная внутренняя конструкция при неизменных основных размерах. Шариковый подшипник с четырехточечным контактом. |
| QJ 202 N2 M | Подшипник с латунным сепаратором. центрированный по телам качения. Два установочных паза (выемки), расположенных под углом 180° друг от друга в одной боковой поверхности наружного кольца или шайбе корпуса.. |
| 202W | Максимальная грузоподъемность. |
| BSA 202 CG | Резьбовой винт со стопором и защелкой. |
| BSA 202 CG-2RZ | Шарикоподшипник. С уплотнением и низким коэффициентом трения с обеих сторон. Уплотнение состоит из шайбы из листовой стали с вулканизированной резиной. Резьбовой винт со стопором и защелкой. |
| PCZ 0202 E | Повышенная грузоподъемность. |
Модификации шарикового подшипника 202KL — это измененное основное конструктивное исполнение 202, основные размеры (15x35x11) не отличаются.
| Обозначение | Гост | Конструктивные особенности |
|---|---|---|
| 6202RS | ISO | Резиновое уплотнение с одной стороны. |
| 6202RS1 | ISO | Резиновое уплотнение с одной стороны. |
| 6202-RS1/QE6 | ISO | Резиновое уплотнение с одной стороны. Тихая работа. |
| 6202NSL | ISO | Резиновое уплотнение с одной стороны. |
| 6202ZE | ISO | щит из листовой прессованной стали с одной стороны подшипника. |
| 6202+6 | ISO | Exxon Aviation Instrument Oil. |
| 6202DDU C3 | ISO | Внутренний зазор больше нормального. Резиновые уплотнения с каждой стороны подшипника. |
| 6202DDUC3+6 | ISO | Внутренний зазор больше нормального. Резиновые уплотнения с каждой стороны подшипника. Exxon Aviation Instrument Oil. |
| 6202DDU+6 | ISO | Резиновые уплотнения с каждой стороны подшипника. Exxon Aviation Instrument Oil. |
| 6202ZZ+6 | ISO | Защитные металлические шайбы с обеих сторон. Exxon Aviation Instrument Oil. |
| 6202.2ZR.C3.L38 | ISO | Внутренний зазор больше нормального. Защитные металлические шайбы с обеих сторон. Arcanol Grease Medium Temperature -25°C/+130°C. |
| 6202T2X2C3P6 | ISO | Internal Clearance Greater Than Normal. Размерные и геометрические допуски соответствуют классу точности P6. Специальная фаска. Пластиковый сепаратор. Нейлон или тефлон. |
| 6202DDU NR NS7S | ISO | Стандартное заполнение. SNAP RING GROOVE IN BEARING OUTER RING AND APPROPIATE SNAP. Резиновые уплотнения с каждой стороны подшипника. NS Hi Lube Grease. (NS7/ Inside With Grease. Up Than 35%. Temperature Resistance -40°C To +140°C). |
| 6202ZZ C2E | ISO | Защитные металлические шайбы с обеих сторон. Внутренний зазор подшипника меньше обычного. Усиленный комплект шариков. |
| 6202-2RS1/C3QE6 | ISO | Внутренний зазор больше нормального. Усиленные листовой сталью контактные уплотнения из акрилонитрил-бутадиенового каучука (NBR) с обеих сторон подшипника. Тихая работа. |
| 6202-2Z/C3QE6 | ISO | Внутренний зазор больше нормального. Защитные металлические шайбы с обеих сторон подшипника. Тихая работа. |
| 6202ZZD-OR V2 | ISO | Для применения. где основное требование снижение вибрации. Защитные металлические шайбы с двух сторон. |
| 6202ZZNR/15A | ISO | Защитные металлические шайбы с обеих сторон. Канавка под стопорное кольцо на наружном кольце с соответствующим стопорным кольцом. Alvania Grease RS. |
| 6202-2RSH/C3HT | ISO | Внутренний зазор больше нормального. Контактное уплотнение RSH с обеих сторон подшипника.. Подшипник поставляется со специальной смазкой для высоких температур (до +130°C). |
| 6202-C-2Z-L207-C3 | ISO | Модифицированная внутренняя конструкция. Внутренний зазор больше нормального. Зазорные уплотнения с обеих сторон.. Заполнение консистентной смазкой Arcanol L207 (высокотемпературная смазка). |
| 6202-ZTN9/VT808 | ISO | Литой защелкивающийся сепаратор из полиамида. армированного стекловолокном 6.6. щит из листовой прессованной стали с одной стороны подшипника. Without Factory Pre-Lubrication And Preservative. |
| 6200ZZ CM/NS7SJ | ISO | Стандартное заполнение. Защитные металлические шайбы с обеих сторон. Шариковый подшипник. Специальный радиальный внутренний зазор для электродвигателей. NS Hi Lube Grease. (NS7/ Inside With Grease. Up Than 35%. Temperature Resistance -40°C To +140°C). |
| 6202ZZCM D8SL | ISO | Два боковых защитных уплотнения. Количество смазки составляет приблизительно от 20% до 30%. Шариковый подшипник. Специальный радиальный внутренний зазор для электродвигателей. Klüber Isoflex Super LS18. |
| 6202ZDU7C3EX28U-01 KB | ISO | Внутренний зазор больше нормального. Шарикоподшипник. Однорядный электродвигатель. Уровень шума. щит из листовой прессованной стали с одной стороны подшипника. Внутреннее и наружное кольца термостабилизированы до 200°C. Design. Материал контакта сталь на бронзе (S/B). Витоновое уплотнение DU и V-типа. |
Аналог шарикового подшипника 202KL — это подшипник такого же размера dx15,Dx35,Bx11, типа и конструкции.
| Обозначение | Конструктивные особенности | Внутренний (d) | Наружный (D) | Ширина (B) |
|---|---|---|---|---|
| 5-80202 КС9 | Шариковый радиальный однорядный подшипник. «Замок» (скос) на внутреннем кольце плюс массивный сепаратор из текстолита. Смазка ЛЗ-31. | 15.00 | 35.00 | 11.00 |
| 5-80202 КШ2УТ2С9 | Шариковый радиальный однорядный подшипник. Дополнительные технические требования. 200°. Температура отпуска. Нормы шумности. Смазка ЛЗ-31. | 15.00 | 35.00 | 11.00 |
| 5-80202 С2Ш2У | Шариковый радиальный однорядный подшипник. Дополнительные технические требования. Смазка ЦИАТИМ-221. Нормы шумности. | 15.00 | 35.00 | 11.00 |
| 5-80202 С9Ш2У | Шариковый радиальный однорядный подшипник. Дополнительные технические требования. Нормы шумности. Смазка ЛЗ-31. | 15.00 | 35.00 | 11.00 |
| 50202-А | Шариковый радиальный однорядный подшипник. Повышенная грузоподъемность. | 15.00 | 35.00 | 11.00 |
| 50202-АЕ | Шариковый радиальный однорядный подшипник. Сепаратор из текстолита.. Повышенная грузоподъемность. | 15.00 | 35.00 | 11.00 |
| 50202-АК | Шариковый радиальный однорядный подшипник. Повышенная грузоподъемность. | 15.00 | 35.00 | 11.00 |
| 550702-М | Шариковый радиальный однорядный подшипник. Модифицированный контакт.. | 15.00 | 35.00 | 12.00 |
| 56-32202 Б1 | Роликовый радиальный однорядный подшипник. Сепаратор из безоловянистой бронзы.. | 15.00 | 35.00 | 11.00 |
| 6-160202 АЕ | Шариковый радиальный однорядный подшипник. Сепаратор из текстолита.. Повышенная грузоподъемность. | 15.00 | 35.00 | 11.00 |
| 6-160202 АЕ2 | Шариковый радиальный однорядный подшипник. Повышенная грузоподъемность. Сепаратор из пластических материалов.. | 15.00 | 35.00 | 11.00 |
| 6-160202 Е | Шариковый радиальный однорядный подшипник. Сепаратор из текстолита.. | 15.00 | 35.00 | 11.00 |
| 6-160202 Е2 | Шариковый радиальный однорядный подшипник. Сепаратор из пластических материалов.. | 15.00 | 35.00 | 11.00 |
| 6-170415 Л | Шариковый радиальный однорядный подшипник. Сепаратор из латуни.. | 15.00 | 35.00 | 11.00 |
| 6-180202 С17 | Шариковый радиальный однорядный подшипник. Смазка Литол-24. | 15.00 | 35.00 | 11.00 |
Способы доставки
Отправка через ведущие транспортные и курьерские компании: ПЭК, Деловые Линии, СДЭК, Байкал-Сервис, Энергия, КИТ, ЖелДорЭкспедиция.
Самовывоз возможен напрямую со склада в Москве.
Сроки доставки
Срок зависит от региона и выбранной транспортной компании. Все заказы комплектуются и отправляются в кратчайшие сроки со склада в Москве.
Надёжность и сохранность
Вся продукция упаковывается с учётом требований транспортировки. Мы гарантируем, что подшипники и комплектующие прибудут к заказчику в полной сохранности.
Доставка в страны ЕАЭС
Мы работаем с проверенными логистическими партнёрами, что позволяет оперативно доставлять заказы в Беларусь, Казахстан, Армению и другие страны ЕАЭС.
Варианты оплаты:
Минимальная сумма заказа и скидки:
Документы и гарантии:
Да, конечно! Наши технические специалисты готовы помочь вам с подбором точного аналога или замены подшипника. Просто позвоните нам по телефону +7 (495) 104-99-04 или напишите на почту zakaz@podsnab.ru.
Для оперативной консультации подготовьте, пожалуйста, имеющиеся данные: маркировку, размеры, тип оборудования или артикул старого подшипника.
Да, конечно! Мы высоко ценим долгосрочное сотрудничество и доверие клиентов по всей России. Для постоянных клиентов действует персональная система скидок.
Условия формируются индивидуально и зависят от:
Чтобы узнать свои условия и получить максимально выгодное предложение, свяжитесь с персональным менеджером или напишите нам на почту zakaz@podsnab.ru.
Вы можете оформить заказ несколькими способами:
Для оформления заказа от юридического лица свяжитесь с нашим отделом по работе с корпоративными клиентами по телефону +7 (495) 104-99-04 или напишите на email zakaz@podsnab.ru, прикрепив реквизиты вашей организации.
Мы оперативно подготовим коммерческое предложение и выставим счет.
Возврат товара надлежащего качества возможен в течение 10 дней с момента получения, если товар не был в употреблении, сохранен товарный вид, упаковка не вскрывалась и присутствуют все сопроводительные документы.
Возврат денежных средств осуществляется в течение 10 рабочих дней после проверки товара складом.
В соответствии с законодательством возврату не подлежат подшипники надлежащего качества, если отсутствует оригинальная упаковка или имеются следы монтажа.
В случае выявления брака или гарантийного случая мы гарантируем возврат или обмен товара.
Да, гарантийный срок хранения устанавливается заводом-изготовителем и в среднем составляет 2 года при соблюдении условий хранения: сухое помещение, оригинальная упаковка и смазка.
Точный срок для конкретного типа подшипника уточняйте у наших менеджеров.
Пн–Пт: с 8:00 до 17:00 (МСК).
Сб–Вс: выходные дни.
Заказы на сайте принимаются круглосуточно. Заявки, поступившие после окончания рабочего дня, обрабатываются на следующий рабочий день.
Минимальная сумма заказа для доставки составляет 3000 рублей. Самовывоз со склада возможен на любую сумму при наличии товара.
ООО «УралТехГрупп»
ИНН: 7415093830
КПП: 772401001
ОГРН: 1167456069021
Банк: ПАО Сбербанк
Р/с: 40702810838000475273
К/с: 30101810400000000225
БИК: 044525225
У подшипника 202KL пока нет отзывов. Вы можете стать первым покупателем, поделившимся своим мнением.