Поиск подшипника
Статьи
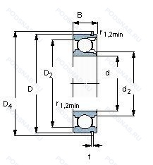
209NR — Подшипник однорядный шариковый радиальный, модификация основного исполнения 209, производство SKF.
Размер подшипника: 45x85x19 мм.
Канавка под стопорное кольцо на наружном кольце с соответствующим стопорным кольцом.
Альтернативное обозначение: BL209NR.
Международная стандартизации ISO
209NR
В наличии
| Обозначение | Конструктивные изменения |
|---|---|
| NJ 209 EW | Однорядный. |
| NU 209 EW | Однорядный. |
| E 209/S/NS 7CE1 | Запечатанная версия кулачкового ролика. Очень высокая грузоподъемность.. Шарики из нитрида кремния Si3N4 (гибридные подшипники). Керамические шарики. |
| E 209 7CE3 | Очень высокая грузоподъемность.. |
| E 209/S/NS 7CE3 | Запечатанная версия кулачкового ролика. Очень высокая грузоподъемность.. Шарики из нитрида кремния Si3N4 (гибридные подшипники). Керамические шарики. |
| E 209/S 7CE3 | Запечатанная версия кулачкового ролика. Очень высокая грузоподъемность.. |
| E 209/S 7CE1 | Запечатанная версия кулачкового ролика. Очень высокая грузоподъемность.. |
| E 209/NS 7CE3 | Очень высокая грузоподъемность.. Шарики из нитрида кремния Si3N4 (гибридные подшипники). Керамические шарики. |
| E 209/NS 7CE1 | Очень высокая грузоподъемность.. Шарики из нитрида кремния Si3N4 (гибридные подшипники). Керамические шарики. |
| QJ 209 N2 M | Подшипник с латунным сепаратором. центрированный по телам качения. Два установочных паза (выемки), расположенных под углом 180° друг от друга в одной боковой поверхности наружного кольца или шайбе корпуса.. |
| 209W | Максимальная грузоподъемность. |
| YARAG 209-110 | 1.5/8. |
| YARAG 209-111 | 1.11/16. |
| YSP 209 SB-2F | Стандартное контактное уплотнение с дополнительным маслоотражательным кольцом с обеих сторон. Double Row. Angular Contact. Non-Filling Notch Bearing. With Outwardly Convergent Угол контактаs. Rigid Design. |
| YSP 209-111 SB-2F | Стандартное контактное уплотнение с дополнительным маслоотражательным кольцом с обеих сторон. Double Row. Angular Contact. Non-Filling Notch Bearing. With Outwardly Convergent Угол контактаs. Rigid Design. 1.11/16. |
| YSA 209-2FK + H 2309 | Pressed Snap-Type Steel Cage. Hardened. |
| BL 209 Z | щит из листовой прессованной стали с одной стороны подшипника. |
| FBSA 209/DF | Комплект из двух подшипников. согласованных для установки по Х-образной схеме. Число. следующее непосредственно после букв DF. обозначает конструкцию промежуточного кольца. |
| FBSA 209/QBC | Четыре подшипника в O-образной компоновке. |
| FBSA 209/DB | Two Single Row Deep Groove Ball Bearings. Single Row Angular Contact Ball Bearings Or Single Row Tapered Roller Bearings Matched For Mounting In A Back-To-Back Arrangement. |
| BSA 209 CG | Резьбовой винт со стопором и защелкой. |
| BSA 209 CG-2RZ | Шарикоподшипник. С уплотнением и низким коэффициентом трения с обеих сторон. Уплотнение состоит из шайбы из листовой стали с вулканизированной резиной. Резьбовой винт со стопором и защелкой. |
| NJ 209 ECPH | Однорядный цилиндрический роликовый подшипник. |
| NU 209 ECPH | Однорядный цилиндрический роликовый подшипник. |
| NUP 209 ECPH | Однорядный цилиндрический роликовый подшипник. |
Модификации шарикового подшипника 209NR — это измененное основное конструктивное исполнение 209, основные размеры (45x85x19) не отличаются.
| Обозначение | Гост | Конструктивные особенности |
|---|---|---|
| BL209NR | ISO | Канавка под стопорное кольцо на наружном кольце с соответствующим стопорным кольцом. |
| 6209-2RSR-L138-C3 | ISO | Внутренний зазор больше нормального. Резиновые уплотнения с каждой стороны подшипника. NS Hi-Lube Grease Lithium Soap. Temperature Range -40°C/+130°C. |
| 6209-2Z-L038-C3 | ISO | Внутренний зазор больше нормального. Защитные металлические шайбы с обеих сторон. Arcanol Grease Medium Temperature -25°C/+130°C. |
| 6209-2Z-L408-C3 | ISO | Внутренний зазор больше нормального. Зазорные уплотнения с обеих сторон.. Смазка (в зависимости от заказчика). |
| 6209-C-2Z-L140-C3 | ISO | Модифицированная внутренняя конструкция. Внутренний зазор больше нормального. Зазорные уплотнения с обеих сторон.. (Segment Lubrication. Code 2)High Temperature Grease. -20 To +150°C. |
| 6209-C-2Z-L138-C3 | ISO | Модифицированная внутренняя конструкция. Внутренний зазор больше нормального. Зазорные уплотнения с обеих сторон.. NS Hi-Lube Grease Lithium Soap. Temperature Range -40°C/+130°C. |
| 6209-C-2Z-S0-L140-C3 | ISO | Модифицированная внутренняя конструкция. Внутренний зазор больше нормального. Зазорные уплотнения с обеих сторон.. Кольца или шайбы подшипников, стабилизированные по размерам для использования при рабочих температурах до +150°C (302°F). (Segment Lubrication. Code 2)High Temperature Grease. -20 To +150°C. |
| 6209DUCEC5 | ISO | Внутренний зазор подшипника больше. чем С4. Резиновое уплотнение с одной стороны. |
| 6209C2 P5 | ISO | Внутренний зазор подшипника меньше нормального. Размерная и рабочая точность соответствует классу допуска ISO 5. |
| 6209ZZ C3E/ENSS | ISO | Стандартное заполнение. Защитные металлические шайбы с обеих сторон. Nippon Grease ENS (-40/+160°C. piek +180°C). Внутренний зазор больше нормы. Класс электродвигателя. |
| 6209LLU C3 | ISO | Внутренний зазор больше нормального. Резиновые уплотнения с каждой стороны подшипника. |
| 6209-2Z-N-C3 | ISO | Внутренний зазор больше нормального. Защитные металлические шайбы с обеих сторон. Канавка под стопорное кольцо на внешнем кольце. |
| 6209-2ZNR/C3 | ISO | Внутренний зазор больше нормального. Защитные металлические шайбы с обеих сторон подшипника. Канавка под стопорное кольцо на наружном кольце с соответствующим стопорным кольцом. |
| 6209 2ZJEM | ISO | Защитные металлические шайбы с обеих сторон подшипника. Сепаратор из штампованной стали. Элемент качения отцентрирован. Тихий ход. Зазор C3 (не обозначается на подшипнике). |
| 6209 2Z C3 NR | ISO | Внутренний зазор больше нормального. Защитные металлические шайбы с обеих сторон. Канавка под стопорное кольцо на наружном кольце с соответствующим стопорным кольцом. |
| 6209DDU C3 | ISO | Внутренний зазор больше нормального. Резиновые уплотнения с каждой стороны подшипника. |
| 6209J40 | ISO | Внутренний зазор подшипника больше. чем C3. |
| 6209LLU C3/2A | ISO | Внутренний зазор больше нормального. Контактное резиновое уплотнение с двух сторон. Lubricant. Shell Oil Co.. Alvania #2 Grease. Mil-G-18709A. |
| 6209EC3 | ISO | Внутренний зазор больше нормального. Шарикоподшипник. Стандартное одиночное уплотнение. |
| 6209-C-2Z-L069-C3 | ISO | Модифицированная внутренняя конструкция. Внутренний зазор больше нормального. Зазорные уплотнения с обеих сторон.. Insert Bearing Grease For Wide Temperature Range - Polycarbamide Ester Oil - –40°C to +180°C. |
| 6209-C-C4 | ISO | Модифицированная внутренняя конструкция. Внутренний зазор подшипника больше. чем C3. |
Аналог шарикового подшипника 209NR — это подшипник такого же размера dx45,Dx85,Bx19, типа и конструкции.
| Обозначение | Конструктивные особенности | Внутренний (d) | Наружный (D) | Ширина (B) |
|---|---|---|---|---|
| 5-46209 АЕ1 | Шариковый радиально-упорный однорядный подшипник. Сепаратор из текстолита.. Повышенная грузоподъемность. | 45.00 | 85.00 | 19.00 |
| 5-46209 АЛ | Шариковый радиально-упорный однорядный подшипник. Сепаратор из латуни.. Повышенная грузоподъемность. | 45.00 | 85.00 | 19.00 |
| 5-46209 Е | Шариковый радиально-упорный однорядный подшипник. Сепаратор из текстолита.. | 45.00 | 85.00 | 19.00 |
| 5-46209 Л | Шариковый радиально-упорный однорядный подшипник. Сепаратор из латуни.. | 45.00 | 85.00 | 19.00 |
| 50209-A | Шариковый радиальный однорядный подшипник. Двухрядный радиально-упорный шарикоподшипник без отверстия для смазки. | 45.00 | 85.00 | 19.00 |
| 50209-А | Шариковый радиальный однорядный подшипник. Повышенная грузоподъемность. | 45.00 | 85.00 | 19.00 |
| 50209-А1 | Шариковый радиальный однорядный подшипник. Повышенная грузоподъемность. | 45.00 | 85.00 | 19.00 |
| 50209-А2 | Шариковый радиальный однорядный подшипник. Повышенная грузоподъемность. | 45.00 | 85.00 | 19.00 |
| 50209-АК5 | Шариковый радиальный однорядный подшипник. Повышенная грузоподъемность. | 45.00 | 85.00 | 19.00 |
| 50209-К1 | Шариковый радиальный однорядный подшипник. «Замок» (скос) на внутреннем кольце плюс массивный сепаратор из текстолита. | 45.00 | 85.00 | 19.00 |
| 55-2209 Р | Роликовый радиальный однорядный подшипник. Детали из теплоустойчивой (быстрорежущие) стали.. | 45.00 | 85.00 | 19.00 |
| 56-32209 Л2 | Роликовый радиальный однорядный подшипник. Сепаратор из латуни.. | 45.00 | 85.00 | 19.00 |
| 56-322209 Е2У | Роликовый радиальный однорядный подшипник. Дополнительные технические требования. Сепаратор из пластических материалов.. | 45.00 | 85.00 | 19.00 |
| 6-116209 Д | Шариковый радиально-упорный однорядный подшипник. Сепаратор из алюминиевого сплава.. | 45.00 | 85.00 | 19.00 |
| 6-126209 Б | Шариковый радиально-упорный однорядный подшипник. Сепаратор из безоловянистой бронзы.. | 45.00 | 85.00 | 19.00 |
Способы доставки
Отправка через ведущие транспортные и курьерские компании: ПЭК, Деловые Линии, СДЭК, Байкал-Сервис, Энергия, КИТ, ЖелДорЭкспедиция.
Самовывоз возможен напрямую со склада в Москве.
Сроки доставки
Срок зависит от региона и выбранной транспортной компании. Все заказы комплектуются и отправляются в кратчайшие сроки со склада в Москве.
Надёжность и сохранность
Вся продукция упаковывается с учётом требований транспортировки. Мы гарантируем, что подшипники и комплектующие прибудут к заказчику в полной сохранности.
Доставка в страны ЕАЭС
Мы работаем с проверенными логистическими партнёрами, что позволяет оперативно доставлять заказы в Беларусь, Казахстан, Армению и другие страны ЕАЭС.
Варианты оплаты:
Минимальная сумма заказа и скидки:
Документы и гарантии:
Да, конечно! Наши технические специалисты готовы помочь вам с подбором точного аналога или замены подшипника. Просто позвоните нам по телефону +7 (495) 104-99-04 или напишите на почту zakaz@podsnab.ru.
Для оперативной консультации подготовьте, пожалуйста, имеющиеся данные: маркировку, размеры, тип оборудования или артикул старого подшипника.
Да, конечно! Мы высоко ценим долгосрочное сотрудничество и доверие клиентов по всей России. Для постоянных клиентов действует персональная система скидок.
Условия формируются индивидуально и зависят от:
Чтобы узнать свои условия и получить максимально выгодное предложение, свяжитесь с персональным менеджером или напишите нам на почту zakaz@podsnab.ru.
Вы можете оформить заказ несколькими способами:
Для оформления заказа от юридического лица свяжитесь с нашим отделом по работе с корпоративными клиентами по телефону +7 (495) 104-99-04 или напишите на email zakaz@podsnab.ru, прикрепив реквизиты вашей организации.
Мы оперативно подготовим коммерческое предложение и выставим счет.
Возврат товара надлежащего качества возможен в течение 10 дней с момента получения, если товар не был в употреблении, сохранен товарный вид, упаковка не вскрывалась и присутствуют все сопроводительные документы.
Возврат денежных средств осуществляется в течение 10 рабочих дней после проверки товара складом.
В соответствии с законодательством возврату не подлежат подшипники надлежащего качества, если отсутствует оригинальная упаковка или имеются следы монтажа.
В случае выявления брака или гарантийного случая мы гарантируем возврат или обмен товара.
Да, гарантийный срок хранения устанавливается заводом-изготовителем и в среднем составляет 2 года при соблюдении условий хранения: сухое помещение, оригинальная упаковка и смазка.
Точный срок для конкретного типа подшипника уточняйте у наших менеджеров.
Пн–Пт: с 8:00 до 17:00 (МСК).
Сб–Вс: выходные дни.
Заказы на сайте принимаются круглосуточно. Заявки, поступившие после окончания рабочего дня, обрабатываются на следующий рабочий день.
Минимальная сумма заказа для доставки составляет 3000 рублей. Самовывоз со склада возможен на любую сумму при наличии товара.
ООО «УралТехГрупп»
ИНН: 7415093830
КПП: 772401001
ОГРН: 1167456069021
Банк: ПАО Сбербанк
Р/с: 40702810838000475273
К/с: 30101810400000000225
БИК: 044525225
У подшипника 209NR пока нет отзывов. Вы можете стать первым покупателем, поделившимся своим мнением.