Поиск подшипника
Статьи
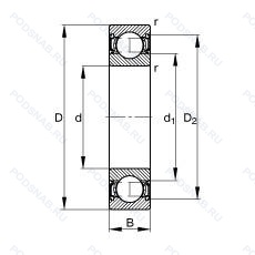
6032-2RSR — Подшипник однорядный шариковый радиальный, модификация основного исполнения 6032, производство FAG.
Размер подшипника: 160x240x38 мм.
Резиновые уплотнения с каждой стороны подшипника.
Аналоги: 6032-2RS1 SKF,6032DDU NSK.
Международная стандартизации ISO
60322RSR
В наличии
| Обозначение | Конструктивные изменения |
|---|---|
| 6032ZZ | Защитные металлические шайбы с обеих сторон. |
| 6032-2RS1 | Усиленные листовой сталью контактные уплотнения из акрилонитрил-бутадиенового каучука (NBR) с обеих сторон подшипника. |
| 6032MA/C3N1 | Внутренний зазор больше нормального. Механически обработанный латунный сепаратор. Центрирование по внешнему кольцу. One Locating Slot (Notch) In One Outer Ring Side Face. |
| 6032.2RSR.C3 | Внутренний зазор больше нормального. Резиновые уплотнения с каждой стороны подшипника. |
| 6032DDU | Резиновые уплотнения с каждой стороны подшипника. |
| 6032-C4 | Внутренний зазор подшипника больше. чем C3. |
| 6032-N2-M-C4 | Внутренний зазор подшипника больше. чем C3. Твердый латунный сепаратор. Шариковые направляющие. Два установочных паза (выемки), расположенных под углом 180° друг от друга в одной боковой поверхности наружного кольца или шайбе корпуса.. |
| 6032P6 | Размерные и геометрические допуски соответствуют классу точности P6. |
| 6032M1 | Механически обработанный латунный сепаратор. Направляющий роликовый элемент. |
| 6032EE | Резиновые уплотнения с каждой стороны подшипника. |
| 6032ZZ C3 | Внутренний зазор больше нормального. Защитные стальные шайбы с обеих сторон. |
| 6032-2RS1/C3 | Внутренний зазор больше нормального. Усиленные листовой сталью контактные уплотнения из акрилонитрил-бутадиенового каучука (NBR) с обеих сторон подшипника. |
| 6032-2Z/C3 | Внутренний зазор больше нормального. Защитные металлические шайбы с обеих сторон подшипника. |
| 6032ZZX | Защитные металлические шайбы с двух сторон подшипника. Шарикоподшипник. со стопорным кольцом для больших шарикоподшипников. |
| 6032-2RSR-L058/80 | Резиновые уплотнения с каждой стороны подшипника. Длина в мм. Смазка (в зависимости от заказчика). |
| 6032-2RS1/W64 | Усиленные листовой сталью контактные уплотнения из акрилонитрил-бутадиенового каучука (NBR) с обеих сторон подшипника. Антифрикционный заполнитель. твердая смазка. |
| 6032MA.C3 | Внутренний зазор больше нормального. Механически обработанный латунный сепаратор. Центрирование по внешнему кольцу. |
| 6032MB C3 | Внутренний зазор больше нормального. Механически обработанный латунный сепаратор. направляющий по внутреннему кольцу. |
| 6032MB | Механически обработанный латунный сепаратор. направляющий по внутреннему кольцу. |
| 6032M J30 | Механически обработанный латунный сепаратор .Расположенный на элементах качения. Внутренний зазор больше нормального. |
| NNU 6032 M | Подшипник с латунным сепаратором. центрированный по телам качения. Двухрядный цилиндрический роликовый подшипник. |
| NNU 6032 V | Бессепараторный подшипник. Двухрядный цилиндрический роликовый подшипник. |
| 6032-RS1 | Резиновое уплотнение с одной стороны. |
| 6032ZX | Съемная защитная шайба с одной стороны. |
| 6032-2RU | Non Contact Type Friction Torque = Small High Speed Performance = Good Grease Sealing = Better Than ZZ-Type Dirt Resistance = Better Than ZZ-Type Water Resistance = Better Than ZZ / Inferior To 2RS Operating Temp. -30°C To + 100°C. |
Модификации шарикового подшипника 6032-2RSR — это измененное основное конструктивное исполнение 6032, основные размеры (160x240x38) не отличаются.
| Обозначение | Гост | Конструктивные особенности |
|---|---|---|
| 60/32 2RS | ISO | Резиновые уплотнения с каждой стороны подшипника. |
| 132 | ISO | Подшипник однорядный шариковый радиальный. |
| 603-2Z | ISO | Защитные металлические шайбы с обеих сторон подшипника. |
| 60/32LLU | ISO | Резиновые уплотнения с каждой стороны подшипника. |
Аналог шарикового подшипника 6032-2RSR — это подшипник такого же размера dx160,Dx240,Bx38, типа и конструкции.
| Обозначение | Конструктивные особенности | Внутренний (d) | Наружный (D) | Ширина (B) |
|---|---|---|---|---|
| 3NCHAC032CA | Шариковый радиальный однорядный подшипник. Угол контакта 20 градусов. Латунный сепаратор с симметричными роликами. | 160.00 | 240.00 | 38.00 |
| 3NCHAR032C | Шариковый радиальный однорядный подшипник. Угол контакта 20 градусов. | 160.00 | 240.00 | 38.00 |
| 3NCHAR032CA | Шариковый радиальный однорядный подшипник. Угол контакта 20 градусов. Латунный сепаратор с симметричными роликами. | 160.00 | 240.00 | 38.00 |
| 132-Л | Шариковый радиальный однорядный подшипник. Сепаратор из латуни.. | 160.00 | 240.00 | 38.00 |
| 26-132 Л | Шариковый радиальный однорядный подшипник. Сепаратор из латуни.. | 160.00 | 240.00 | 38.00 |
| 2В0-132 Л | Шариковый радиальный однорядный подшипник. Сепаратор из латуни.. | 160.00 | 240.00 | 38.00 |
| 45-126132 Р2 | Шариковый радиально-упорный однорядный подшипник. Детали из теплоустойчивой (быстрорежущие) стали.. | 160.00 | 240.00 | 38.00 |
| 45-126132 Р2У | Шариковый радиально-упорный однорядный подшипник. Дополнительные технические требования. Детали из теплоустойчивой (быстрорежущие) стали.. | 160.00 | 240.00 | 38.00 |
| 46132-Л | Шариковый радиально-упорный однорядный подшипник. Сепаратор из латуни.. | 160.00 | 240.00 | 38.00 |
| 46132К | Шариковый радиально-упорный однорядный подшипник. «Замок» (скос) на внутреннем кольце плюс массивный сепаратор из текстолита. | 160.00 | 240.00 | 38.00 |
| 5-176132 БТ2 | Шариковый радиально-упорный однорядный подшипник. 200°. Температура отпуска. Сепаратор из безоловянистой бронзы.. | 160.00 | 240.00 | 38.00 |
| 5-36132 К | Шариковый радиально-упорный однорядный подшипник. «Замок» (скос) на внутреннем кольце плюс массивный сепаратор из текстолита. | 160.00 | 240.00 | 38.00 |
| 5-46132 К | Шариковый радиально-упорный однорядный подшипник. «Замок» (скос) на внутреннем кольце плюс массивный сепаратор из текстолита. | 160.00 | 240.00 | 38.00 |
| 5-46132 Л | Шариковый радиально-упорный однорядный подшипник. Сепаратор из латуни.. | 160.00 | 240.00 | 38.00 |
| 6-132 Л | Шариковый радиальный однорядный подшипник. Сепаратор из латуни.. | 160.00 | 240.00 | 38.00 |
Способы доставки
Отправка через ведущие транспортные и курьерские компании: ПЭК, Деловые Линии, СДЭК, Байкал-Сервис, Энергия, КИТ, ЖелДорЭкспедиция.
Самовывоз возможен напрямую со склада в Москве.
Сроки доставки
Срок зависит от региона и выбранной транспортной компании. Все заказы комплектуются и отправляются в кратчайшие сроки со склада в Москве.
Надёжность и сохранность
Вся продукция упаковывается с учётом требований транспортировки. Мы гарантируем, что подшипники и комплектующие прибудут к заказчику в полной сохранности.
Доставка в страны ЕАЭС
Мы работаем с проверенными логистическими партнёрами, что позволяет оперативно доставлять заказы в Беларусь, Казахстан, Армению и другие страны ЕАЭС.
Варианты оплаты:
Минимальная сумма заказа и скидки:
Документы и гарантии:
Да, конечно! Наши технические специалисты готовы помочь вам с подбором точного аналога или замены подшипника. Просто позвоните нам по телефону +7 (495) 104-99-04 или напишите на почту zakaz@podsnab.ru.
Для оперативной консультации подготовьте, пожалуйста, имеющиеся данные: маркировку, размеры, тип оборудования или артикул старого подшипника.
Да, конечно! Мы высоко ценим долгосрочное сотрудничество и доверие клиентов по всей России. Для постоянных клиентов действует персональная система скидок.
Условия формируются индивидуально и зависят от:
Чтобы узнать свои условия и получить максимально выгодное предложение, свяжитесь с персональным менеджером или напишите нам на почту zakaz@podsnab.ru.
Вы можете оформить заказ несколькими способами:
Для оформления заказа от юридического лица свяжитесь с нашим отделом по работе с корпоративными клиентами по телефону +7 (495) 104-99-04 или напишите на email zakaz@podsnab.ru, прикрепив реквизиты вашей организации.
Мы оперативно подготовим коммерческое предложение и выставим счет.
Возврат товара надлежащего качества возможен в течение 10 дней с момента получения, если товар не был в употреблении, сохранен товарный вид, упаковка не вскрывалась и присутствуют все сопроводительные документы.
Возврат денежных средств осуществляется в течение 10 рабочих дней после проверки товара складом.
В соответствии с законодательством возврату не подлежат подшипники надлежащего качества, если отсутствует оригинальная упаковка или имеются следы монтажа.
В случае выявления брака или гарантийного случая мы гарантируем возврат или обмен товара.
Да, гарантийный срок хранения устанавливается заводом-изготовителем и в среднем составляет 2 года при соблюдении условий хранения: сухое помещение, оригинальная упаковка и смазка.
Точный срок для конкретного типа подшипника уточняйте у наших менеджеров.
Пн–Пт: с 8:00 до 17:00 (МСК).
Сб–Вс: выходные дни.
Заказы на сайте принимаются круглосуточно. Заявки, поступившие после окончания рабочего дня, обрабатываются на следующий рабочий день.
Минимальная сумма заказа для доставки составляет 3000 рублей. Самовывоз со склада возможен на любую сумму при наличии товара.
ООО «УралТехГрупп»
ИНН: 7415093830
КПП: 772401001
ОГРН: 1167456069021
Банк: ПАО Сбербанк
Р/с: 40702810838000475273
К/с: 30101810400000000225
БИК: 044525225
У подшипника 6032-2RSR пока нет отзывов. Вы можете стать первым покупателем, поделившимся своим мнением.