Поиск подшипника
Статьи
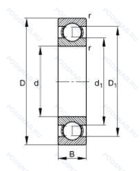
620002RS — Подшипник однорядный шариковый радиальный, модификация основного исполнения 620002, производство EBI.
Размер подшипника: 10x26x10 мм.
Резиновые уплотнения с каждой стороны подшипника.
Международная стандартизации ISO
620002RS
В наличии
| Обозначение | Гост | Конструктивные особенности |
|---|---|---|
| B10-50T12DDNCX | ISO | Подшипник со специальными размерами. |
| WC88039 | ISO | Подшипник однорядный шариковый радиальный. |
| 87039 | ISO | Подшипник однорядный шариковый радиальный. |
| WC87039 | ISO | Подшипник однорядный шариковый радиальный. |
| 573756A | ISO | Модификация внутренней конструкции. |
| B1050T12DDNCXG1-01 | ISO | Канавка под стопорное кольцо на внешнем кольце. Резиновые уплотнения с каждой стороны подшипника. Сепаратор. усиленный стекловолокном. Design. |
| B1050-2RDA | ISO | Облегченное контактное уплотнение с двух сторон.. |
| B10-50T12DDNCXCG | ISO | Подшипник однорядный шариковый радиальный. |
| 573756C/SS | ISO | 15° Угол контакта. Две резиновые защитные шайбы. |
| 400-18 | ISO | 18° Угол контакта. |
| 21715-01 | ISO | Design. |
| SC00A11LLH1C3 | ISO | Внутренний зазор больше нормального. Манжетное уплотнение с обеих сторон подшипника. |
Аналог шарикового подшипника 620002RS — это подшипник такого же размера dx10,Dx26,Bx10, типа и конструкции.
| Обозначение | Конструктивные особенности | Внутренний (d) | Наружный (D) | Ширина (B) |
|---|---|---|---|---|
| AR6N | Сферический шарнирный подшипник. Фитинг для консистентной смазки зеркового типа. | 9.53 | 25.40 | 10.31 |
| 8200Н | Шариковый упорный однорядный подшипник. Детали из теплостойкой стали. | 10.00 | 26.00 | 11.00 |
| 4-2386100 КЕС24 | Шариковый радиально-упорный однорядный подшипник. «Замок» (скос) на внутреннем кольце плюс массивный сепаратор из текстолита. Сепаратор из текстолита.. Смазка СЭДА. | 10.00 | 26.00 | 10.00 |
| 25-60800 Ю1ТП | Шариковый радиальный однорядный подшипник. Температура отпуска. 160°. Все детали или часть деталей из нержавеющей стали.. | 10.00 | 26.00 | 9.00 |
| MU000+ER | Шариковый радиальный однорядный подшипник. Эксцентриковое кольцо. | 10.00 | 26.00 | 11.00 |
| B10-50T12 | Шариковый радиальный однорядный подшипник. Подшипник со специальными размерами. | 10.00 | 27.00 | 11.00 |
| B10-50T12DDNCXG1 | Шариковый радиальный однорядный подшипник. Подшипник со специальными размерами. | 10.00 | 27.00 | 11.00 |
| B10-65T1XDDGCM | Шариковый радиальный однорядный подшипник. Подшипник со специальными размерами. | 10.00 | 26.00 | 10.00 |
| B10-50DD | Шариковый радиальный однорядный подшипник. Подшипник со специальными размерами. | 10.00 | 27.00 | 11.00 |
| 62000-2RS C3 | Шариковый радиальный однорядный подшипник. Внутренний зазор больше нормального. Резиновые уплотнения с каждой стороны подшипника. | 10.00 | 26.00 | 10.00 |
| 25-60800 Ю1Т | Шариковый радиальный однорядный подшипник. Температура отпуска. 160°. Все детали или часть деталей из нержавеющей стали.. | 10.00 | 26.00 | 9.00 |
| 25-60800 Ю1ТЛ | Шариковый радиальный однорядный подшипник. Сепаратор из латуни.. Температура отпуска. 160°. Все детали или часть деталей из нержавеющей стали.. | 10.00 | 26.00 | 9.00 |
| 26-180069 С15 | Шариковый радиальный однорядный подшипник. Смазка ВНИИНП-207. | 9.00 | 26.00 | 9.00 |
| 51200J | Шариковый упорный однорядный подшипник. Дорожки качения наружного кольца. угол контакта и ширина наружного кольца в соответствии с ISO. Только для тел качения. | 10.00 | 26.00 | 10.00 |
| 51200 V/HR11T1 | Шариковый упорный однорядный подшипник. Подшипник без сепаратора. С полным комплектом тел качения. | 10.00 | 26.00 | 11.00 |
Способы доставки
Отправка через ведущие транспортные и курьерские компании: ПЭК, Деловые Линии, СДЭК, Байкал-Сервис, Энергия, КИТ, ЖелДорЭкспедиция.
Самовывоз возможен напрямую со склада в Москве.
Сроки доставки
Срок зависит от региона и выбранной транспортной компании. Все заказы комплектуются и отправляются в кратчайшие сроки со склада в Москве.
Надёжность и сохранность
Вся продукция упаковывается с учётом требований транспортировки. Мы гарантируем, что подшипники и комплектующие прибудут к заказчику в полной сохранности.
Доставка в страны ЕАЭС
Мы работаем с проверенными логистическими партнёрами, что позволяет оперативно доставлять заказы в Беларусь, Казахстан, Армению и другие страны ЕАЭС.
Варианты оплаты:
Минимальная сумма заказа и скидки:
Документы и гарантии:
Да, конечно! Наши технические специалисты готовы помочь вам с подбором точного аналога или замены подшипника. Просто позвоните нам по телефону +7 (495) 104-99-04 или напишите на почту zakaz@podsnab.ru.
Для оперативной консультации подготовьте, пожалуйста, имеющиеся данные: маркировку, размеры, тип оборудования или артикул старого подшипника.
Да, конечно! Мы высоко ценим долгосрочное сотрудничество и доверие клиентов по всей России. Для постоянных клиентов действует персональная система скидок.
Условия формируются индивидуально и зависят от:
Чтобы узнать свои условия и получить максимально выгодное предложение, свяжитесь с персональным менеджером или напишите нам на почту zakaz@podsnab.ru.
Вы можете оформить заказ несколькими способами:
Для оформления заказа от юридического лица свяжитесь с нашим отделом по работе с корпоративными клиентами по телефону +7 (495) 104-99-04 или напишите на email zakaz@podsnab.ru, прикрепив реквизиты вашей организации.
Мы оперативно подготовим коммерческое предложение и выставим счет.
Возврат товара надлежащего качества возможен в течение 10 дней с момента получения, если товар не был в употреблении, сохранен товарный вид, упаковка не вскрывалась и присутствуют все сопроводительные документы.
Возврат денежных средств осуществляется в течение 10 рабочих дней после проверки товара складом.
В соответствии с законодательством возврату не подлежат подшипники надлежащего качества, если отсутствует оригинальная упаковка или имеются следы монтажа.
В случае выявления брака или гарантийного случая мы гарантируем возврат или обмен товара.
Да, гарантийный срок хранения устанавливается заводом-изготовителем и в среднем составляет 2 года при соблюдении условий хранения: сухое помещение, оригинальная упаковка и смазка.
Точный срок для конкретного типа подшипника уточняйте у наших менеджеров.
Пн–Пт: с 8:00 до 17:00 (МСК).
Сб–Вс: выходные дни.
Заказы на сайте принимаются круглосуточно. Заявки, поступившие после окончания рабочего дня, обрабатываются на следующий рабочий день.
Минимальная сумма заказа для доставки составляет 3000 рублей. Самовывоз со склада возможен на любую сумму при наличии товара.
ООО «УралТехГрупп»
ИНН: 7415093830
КПП: 772401001
ОГРН: 1167456069021
Банк: ПАО Сбербанк
Р/с: 40702810838000475273
К/с: 30101810400000000225
БИК: 044525225
У подшипника 620002RS пока нет отзывов. Вы можете стать первым покупателем, поделившимся своим мнением.