Поиск подшипника
Статьи
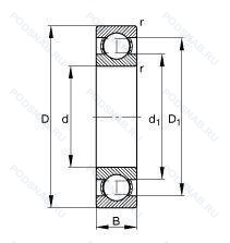
61818-2Z-C3 — Подшипник однорядный шариковый радиальный, модификация основного исполнения 61818, производство NKE.
Размер подшипника: 90x115x13 мм.
Внутренний зазор больше нормального, защитные стальные шайбы с обеих сторон.
Международная стандартизации ISO
618182ZC3
В наличии
| Обозначение | Конструктивные изменения |
|---|---|
| 61818/W64 | Антифрикционный заполнитель. твердая смазка. |
| 61818 2RS | Резиновые уплотнения с каждой стороны подшипника. |
| 61818-2RZ-Y | Шарикоподшипник. С уплотнением и низким коэффициентом трения с обеих сторон. Уплотнение состоит из шайбы из листовой стали с вулканизированной резиной. Сепаратор из прессованной латуни. Центрирование шарика. |
| 61818-2RSR-Y | Резиновые уплотнения с каждой стороны подшипника. Листовая латунная клетка. |
| 61818-Y | Листовая латунная клетка. |
| 61818-2RS-Y | Резиновые уплотнения с каждой стороны подшипника. Сепаратор из прессованной латуни. Центрирование шарика. |
| 61818-2Z | Защитные металлические шайбы с обеих сторон подшипника. |
| 61818.C3 | Внутренний зазор больше нормального. |
| 61818 2RS P6 | Резиновые уплотнения с каждой стороны подшипника. Размерные и геометрические допуски соответствуют классу точности P6. |
| 61818-2RZ | Шарикоподшипник. С уплотнением и низким коэффициентом трения с обеих сторон. Уплотнение состоит из шайбы из листовой стали с вулканизированной резиной. |
| 61818-2RS1 | Усиленные листовой сталью контактные уплотнения из акрилонитрил-бутадиенового каучука (NBR) с обеих сторон подшипника. |
| 61818ZZ | Защитные металлические шайбы с обеих сторон. |
| 61818TNHR | Сепаратор защелкивающегося типа из термостабилизированного полиамида. |
| 61818CM | Шариковый подшипник. Специальный радиальный внутренний зазор для электродвигателей. |
| 61818T | Литой защелкивающийся сепаратор из полиамида. армированного стекловолокном. |
| 61818EE | Резиновые уплотнения с каждой стороны подшипника. |
| 61818-2RS1/C3 | Внутренний зазор больше нормального. Усиленные листовой сталью контактные уплотнения из акрилонитрил-бутадиенового каучука (NBR) с обеих сторон подшипника. |
| 61818-Y-J56D-R5-30 | Подшипник с сепаратором из латуни центрированный по телам качения. Bearing Or Components Corrotect Coated. Radial Clearance In µm. |
| 61818-RSR-Y | Подшипник с сепаратором из латуни центрированный по телам качения. One Seal. Buna-N Rubber. Radial Type.. |
| 61818 2BRS Y | Сепаратор из прессованной латуни. Центрирование шарика. Бесконтактные лабиринтные уплотнения с обеих сторон. |
| 61818 2URS Y | Сепаратор из прессованной латуни. Центрирование шарика. Специальное манжетное уплотнение с обеих сторон подшипника. |
| 61818 BRS Y | Сепаратор из прессованной латуни. Центрирование шарика. Бесконтактные лабиринтные уплотнения с одной стороны. |
| 61818 RS Y | Сепаратор из прессованной латуни. Центрирование шарика. Резиновое уплотнение с одной стороны. |
| 61818 URS Y | Сепаратор из прессованной латуни. Центрирование шарика. |
| 61818 Z Y | щит из листовой прессованной стали с одной стороны подшипника. Сепаратор из прессованной латуни. Центрирование шарика. |
Модификации шарикового подшипника 61818-2Z-C3 — это измененное основное конструктивное исполнение 61818, основные размеры (90x115x13) не отличаются.
| Обозначение | Гост | Конструктивные особенности |
|---|---|---|
| 6818 ZNR | ISO | Подшипник однорядный шариковый радиальный. |
| 6818 NR | ISO | Канавка и стопорное кольцо на наружном кольце. |
| 6818LBLU C3/L453 | ISO | Внутренний зазор больше нормального. |
| 6818ZZ | ISO | Металлическая защитная шайба с двух сторон. |
| 6818VV/AV2S | ISO | Lubricant. Shell Oil Co.. Alvania #2 Grease. 1/4 Full. Temperature Range = -10°C / + 110°C (Normal Temperature Grease). Защитные металлические шайбы. с обеих сторон подшипника. Бесконтактное уплотнение. (лучше. чем ZZ. Можно использовать в умеренно запыленной среде). |
| 6818LLU/5K | ISO | Резиновые уплотнения с каждой стороны подшипника. Grease/ Kyodo Yushi / Multemp SRL (-40°C to +150°C). |
| 6818DDU CM | ISO | Резиновые уплотнения с каждой стороны подшипника. Шариковый подшипник. Специальный радиальный внутренний зазор для электродвигателей. |
| 6818DDU C3/ENS | ISO | Внутренний зазор больше нормального. Резиновые уплотнения с каждой стороны подшипника. Nippon Grease ENS (-40/+160°C. piek +180°C). |
| 6818 2RSN | ISO | RS1 Contact Seal On Both Sides Of The Bearing. Канавка под стопорное кольцо на внешнем кольце. |
| 6818 2RS Y | ISO | Резиновые уплотнения с каждой стороны подшипника. Штампованный латунный фиксатор. Направляемые элементы качения. |
| 6818ZZ Y | ISO | Защитные металлические шайбы с обеих сторон. Штампованный латунный фиксатор. Направляемые элементы качения. |
| 6818LLB/2AS | ISO | Уплотнение бесконтактного типа из синтетического каучука. Смазка. |
| 6818LLU C3/5K | ISO | Внутренний зазор больше нормального. Резиновые уплотнения с каждой стороны подшипника. Grease/ Kyodo Yushi / Multemp SRL (-40°C to +150°C). |
| 6818ZZ CM | ISO | Два боковых защитных уплотнения. Шариковый подшипник. Специальный радиальный внутренний зазор для электродвигателей. |
| 6818ZZ/5KU1 | ISO | Защитные металлические шайбы с обеих сторон. Сепаратор из стали. Grease/ Kyodo Yushi / Multemp SRL (-40°C to +150°C). |
| 6818VV | ISO | Защитные металлические шайбы. с обеих сторон подшипника. Бесконтактное уплотнение. (лучше. чем ZZ. Можно использовать в умеренно запыленной среде). |
| 6818LLU | ISO | Резиновые уплотнения с каждой стороны подшипника. |
| 6818ZZ C3 | ISO | Внутренний зазор больше нормального. Защитные стальные шайбы с обеих сторон. |
| 6818 2RU | ISO | Non Contact Type Friction Torque = Small High Speed Performance = Good Grease Sealing = Better Than ZZ-Type Dirt Resistance = Better Than ZZ-Type Water Resistance = Better Than ZZ / Inferior To 2RS Operating Temp. -30°C To + 100°C. |
| 6818UG | ISO | Канавки на внутренней стороне наружного кольца. |
Аналог шарикового подшипника 61818-2Z-C3 — это подшипник такого же размера dx90,Dx115,Bx13, типа и конструкции.
| Обозначение | Конструктивные особенности | Внутренний (d) | Наружный (D) | Ширина (B) |
|---|---|---|---|---|
| 6818-2RD | Шариковый радиальный однорядный подшипник. Облегченное контактное уплотнение с двух сторон.. | 90.00 | 115.00 | 13.00 |
| 6818Z | Шариковый радиальный однорядный подшипник. щит из листовой прессованной стали с одной стороны подшипника. | 90.00 | 115.00 | 13.00 |
| 6818N | Шариковый радиальный однорядный подшипник. Канавка для стопорного кольца на наружном кольце. | 90.00 | 115.00 | 13.00 |
| 6818DDU | Шариковый радиальный однорядный подшипник. Резиновые уплотнения с каждой стороны подшипника. | 90.00 | 115.00 | 13.00 |
| 6818LLB | Шариковый радиальный однорядный подшипник. Уплотнение бесконтактного типа из синтетического каучука. | 90.00 | 115.00 | 13.00 |
| AB40285S01 | Шариковый радиальный однорядный подшипник. Сферический наружный диаметр. | 90.00 | 115.00 | 13.00 |
| S61818-2RS | Шариковый радиальный однорядный подшипник. Резиновые уплотнения с каждой стороны подшипника. | 90.00 | 115.00 | 13.00 |
| 1000818-А | Шариковый радиальный однорядный подшипник. Повышенная грузоподъемность. | 90.00 | 115.00 | 13.00 |
| 5-1000818 Ю2 | Шариковый радиальный однорядный подшипник. Все детали или часть деталей из нержавеющей стали.. | 90.00 | 115.00 | 13.00 |
| 5-1000818 Ю3 | Шариковый радиальный однорядный подшипник. Все детали или часть деталей из нержавеющей стали.. | 90.00 | 115.00 | 13.00 |
| 5-1000818 Ю5 | Шариковый радиальный однорядный подшипник. Все детали или часть деталей из нержавеющей стали.. | 90.00 | 115.00 | 13.00 |
| 6-1000818 Б | Шариковый радиальный однорядный подшипник. Сепаратор из безоловянистой бронзы.. | 90.00 | 115.00 | 13.00 |
| 6-1000818 Д | Шариковый радиальный однорядный подшипник. Сепаратор из алюминиевого сплава.. | 90.00 | 115.00 | 13.00 |
| 6-1000818 Л | Шариковый радиальный однорядный подшипник. Сепаратор из латуни.. | 90.00 | 115.00 | 13.00 |
| 6-1000818 Ю2 | Шариковый радиальный однорядный подшипник. Все детали или часть деталей из нержавеющей стали.. | 90.00 | 115.00 | 13.00 |
Способы доставки
Отправка через ведущие транспортные и курьерские компании: ПЭК, Деловые Линии, СДЭК, Байкал-Сервис, Энергия, КИТ, ЖелДорЭкспедиция.
Самовывоз возможен напрямую со склада в Москве.
Сроки доставки
Срок зависит от региона и выбранной транспортной компании. Все заказы комплектуются и отправляются в кратчайшие сроки со склада в Москве.
Надёжность и сохранность
Вся продукция упаковывается с учётом требований транспортировки. Мы гарантируем, что подшипники и комплектующие прибудут к заказчику в полной сохранности.
Доставка в страны ЕАЭС
Мы работаем с проверенными логистическими партнёрами, что позволяет оперативно доставлять заказы в Беларусь, Казахстан, Армению и другие страны ЕАЭС.
Варианты оплаты:
Минимальная сумма заказа и скидки:
Документы и гарантии:
Да, конечно! Наши технические специалисты готовы помочь вам с подбором точного аналога или замены подшипника. Просто позвоните нам по телефону +7 (495) 104-99-04 или напишите на почту zakaz@podsnab.ru.
Для оперативной консультации подготовьте, пожалуйста, имеющиеся данные: маркировку, размеры, тип оборудования или артикул старого подшипника.
Да, конечно! Мы высоко ценим долгосрочное сотрудничество и доверие клиентов по всей России. Для постоянных клиентов действует персональная система скидок.
Условия формируются индивидуально и зависят от:
Чтобы узнать свои условия и получить максимально выгодное предложение, свяжитесь с персональным менеджером или напишите нам на почту zakaz@podsnab.ru.
Вы можете оформить заказ несколькими способами:
Для оформления заказа от юридического лица свяжитесь с нашим отделом по работе с корпоративными клиентами по телефону +7 (495) 104-99-04 или напишите на email zakaz@podsnab.ru, прикрепив реквизиты вашей организации.
Мы оперативно подготовим коммерческое предложение и выставим счет.
Возврат товара надлежащего качества возможен в течение 10 дней с момента получения, если товар не был в употреблении, сохранен товарный вид, упаковка не вскрывалась и присутствуют все сопроводительные документы.
Возврат денежных средств осуществляется в течение 10 рабочих дней после проверки товара складом.
В соответствии с законодательством возврату не подлежат подшипники надлежащего качества, если отсутствует оригинальная упаковка или имеются следы монтажа.
В случае выявления брака или гарантийного случая мы гарантируем возврат или обмен товара.
Да, гарантийный срок хранения устанавливается заводом-изготовителем и в среднем составляет 2 года при соблюдении условий хранения: сухое помещение, оригинальная упаковка и смазка.
Точный срок для конкретного типа подшипника уточняйте у наших менеджеров.
Пн–Пт: с 8:00 до 17:00 (МСК).
Сб–Вс: выходные дни.
Заказы на сайте принимаются круглосуточно. Заявки, поступившие после окончания рабочего дня, обрабатываются на следующий рабочий день.
Минимальная сумма заказа для доставки составляет 3000 рублей. Самовывоз со склада возможен на любую сумму при наличии товара.
ООО «УралТехГрупп»
ИНН: 7415093830
КПП: 772401001
ОГРН: 1167456069021
Банк: ПАО Сбербанк
Р/с: 40702810838000475273
К/с: 30101810400000000225
БИК: 044525225
У подшипника 61818-2Z-C3 пока нет отзывов. Вы можете стать первым покупателем, поделившимся своим мнением.