Поиск подшипника
Статьи
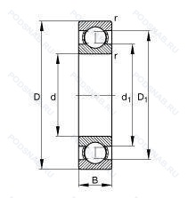
61819-2Z — Подшипник однорядный шариковый радиальный, модификация основного исполнения 61819, производство NKE.
Размер подшипника: 95x120x13 мм.
Защитные металлические шайбы с обеих сторон.
Альтернативное обозначение: 6819ZZ.
Аналоги: 61819ZZ Elges,6819ZZ/2A NTN.
Международная стандартизации ISO
618192Z
В наличии
| Обозначение | Конструктивные изменения |
|---|---|
| 61819-Y-R18-30 | Сепаратор из прессованной латуни. Центрирование шарика. Distance Between End Face And First Hole Of The Rail. |
| 61819-Y-C3 | Внутренний зазор больше нормального. Сепаратор из прессованной латуни. Центрирование шарика. |
| 61819-2RZ-Y | Шарикоподшипник. С уплотнением и низким коэффициентом трения с обеих сторон. Уплотнение состоит из шайбы из листовой стали с вулканизированной резиной. Сепаратор из прессованной латуни. Центрирование шарика. |
| 61819-2RSR-Y | Резиновые уплотнения с каждой стороны подшипника. Листовая латунная клетка. |
| 61819C3 | Подшипник однорядный шариковый радиальный. |
| 61819-Y-P5 | Размерная и рабочая точность соответствует классу допуска ISO 5. Сепаратор из прессованной латуни. Центрирование шарика. |
| 61819ZZ | Защитные металлические шайбы с обеих сторон. |
| 61819-2RZ-Y-C3 | Внутренний зазор больше нормального. Шарикоподшипник. С уплотнением и низким коэффициентом трения с обеих сторон. Уплотнение состоит из шайбы из листовой стали с вулканизированной резиной. Подшипник с сепаратором из латуни центрированный по телам качения. |
| 61819-2RS1 | Усиленные листовой сталью контактные уплотнения из акрилонитрил-бутадиенового каучука (NBR) с обеих сторон подшипника. |
| 61819-2RSR | Резиновые уплотнения с каждой стороны подшипника. |
| 61819-2RSR-C3 | Внутренний зазор больше нормального. Резиновые уплотнения с каждой стороны подшипника. |
| 61819.2Z.C3 | Внутренний зазор больше нормального. Защитные стальные шайбы с обеих сторон. |
| 61819-C3-OEM | Внутренний зазор больше нормального. Производитель оригинального оборудования. |
| 61819.2RZ | Шарикоподшипник. С уплотнением и низким коэффициентом трения с обеих сторон. Уплотнение состоит из шайбы из листовой стали с вулканизированной резиной. |
| 61819-2RZ-Y-L460 | Шарикоподшипник. С уплотнением и низким коэффициентом трения с обеих сторон. Уплотнение состоит из шайбы из листовой стали с вулканизированной резиной. Сепаратор из прессованной латуни. Центрирование шарика. Смазка (в зависимости от заказчика). |
| 61819ZZ C3 | Внутренний зазор больше нормального. Защитные стальные шайбы с обеих сторон. |
| 61819-2RS1/C3 | Внутренний зазор больше нормального. Усиленные листовой сталью контактные уплотнения из акрилонитрил-бутадиенового каучука (NBR) с обеих сторон подшипника. |
| 61819EE | Резиновые уплотнения с каждой стороны подшипника. |
| 61819-Y-R44-58 | Подшипник с сепаратором из латуни центрированный по телам качения. Radial Clearance In μm. |
| 61819 2BRS Y | Сепаратор из прессованной латуни. Центрирование шарика. Бесконтактные лабиринтные уплотнения с обеих сторон. |
| 61819 2URS Y | Сепаратор из прессованной латуни. Центрирование шарика. Специальное манжетное уплотнение с обеих сторон подшипника. |
| 61819 BRS Y | Сепаратор из прессованной латуни. Центрирование шарика. Бесконтактные лабиринтные уплотнения с одной стороны. |
| 61819 RS Y | Сепаратор из прессованной латуни. Центрирование шарика. Резиновое уплотнение с одной стороны. |
| 61819 URS Y | Сепаратор из прессованной латуни. Центрирование шарика. |
| 61819 Z Y | щит из листовой прессованной стали с одной стороны подшипника. Сепаратор из прессованной латуни. Центрирование шарика. |
Модификации шарикового подшипника 61819-2Z — это измененное основное конструктивное исполнение 61819, основные размеры (95x120x13) не отличаются.
| Обозначение | Гост | Конструктивные особенности |
|---|---|---|
| 6819 | ISO | Подшипник однорядный шариковый радиальный. |
| 6819ZZ | ISO | Металлическая защитная шайба с двух сторон. |
| 6819ZZ C3 | ISO | Внутренний зазор больше нормального. Защитные металлические шайбы с обеих сторон. |
| 6819 ZNR | ISO | Подшипник однорядный шариковый радиальный. |
| 6819 2RS | ISO | Резиновые уплотнения с каждой стороны подшипника. |
| 6819 NR | ISO | Канавка и стопорное кольцо на наружном кольце. |
| 6819DD | ISO | Резиновые уплотнения с каждой стороны подшипника. |
| 6819LLU/5K | ISO | Резиновые уплотнения с каждой стороны подшипника. Grease/ Kyodo Yushi / Multemp SRL (-40°C to +150°C). |
| 6819VV | ISO | Защитные металлические шайбы. с обеих сторон подшипника. Бесконтактное уплотнение. (лучше. чем ZZ. Можно использовать в умеренно запыленной среде). |
| 6819LLU | ISO | Резиновые уплотнения с каждой стороны подшипника. |
| 6819ZZ/2A | ISO | Защитные металлические шайбы с обеих сторон. Lubricant. Shell Oil Co.. Alvania #2 Grease. Mil-G-18709A. |
| 6819UG | ISO | Канавки на внутренней стороне наружного кольца. |
Аналог шарикового подшипника 61819-2Z — это подшипник такого же размера dx95,Dx120,Bx13, типа и конструкции.
| Обозначение | Конструктивные особенности | Внутренний (d) | Наружный (D) | Ширина (B) |
|---|---|---|---|---|
| 71819 ACD/P4 | Шариковый радиально-упорный однорядный подшипник. Однорядный с улучшенной конструкцией и углом контакта 25°. Класс точности. | 95.00 | 120.00 | 13.00 |
| 71819 ACD/HCP4 | Шариковый радиально-упорный однорядный подшипник. Однорядный с улучшенной конструкцией и углом контакта 25°. | 95.00 | 120.00 | 13.00 |
| SEA95/NS 7CE1 | Шариковый радиально-упорный однорядный подшипник. Шарики из нитрида кремния Si3N4 (гибридные подшипники). Керамические шарики. | 95.00 | 120.00 | 13.00 |
| SEA95/NS 7CE3 | Шариковый радиально-упорный однорядный подшипник. Шарики из нитрида кремния Si3N4 (гибридные подшипники). Керамические шарики. | 95.00 | 120.00 | 13.00 |
| 7819C | Шариковый радиально-упорный однорядный подшипник. Угол контакта 15°. | 95.00 | 120.00 | 13.00 |
| 71819 A | Шариковый радиально-упорный однорядный подшипник. Двухрядный радиально-упорный шарикоподшипник без отверстия для смазки. | 95.00 | 120.00 | 13.00 |
| 71819AC | Шариковый радиально-упорный однорядный подшипник. Суффикс для радиально-упорного шарикоподшипника. | 95.00 | 120.00 | 13.00 |
| 71819 C | Шариковый радиально-упорный однорядный подшипник. 15° Угол контакта. | 95.00 | 120.00 | 13.00 |
| 71819 CD/HCP4A | Шариковый радиальный однорядный подшипник. Измененная или модифицированная внутренняя конструкция при неизменных основных размерах. Двухкомпонентный штампованный стальной сепаратор с направляющим кольцом. | 95.00 | 120.00 | 13.00 |
| 71819 CD/P4A | Шариковый радиальный однорядный подшипник. Двухкомпонентный штампованный стальной сепаратор с направляющим кольцом. Точность размеров в соответствии с классом допуска ISO 4. точность вращения лучше чем класс допуска ISO 4. | 95.00 | 120.00 | 13.00 |
| 6819-2RZ | Шариковый радиальный однорядный подшипник. Шарикоподшипник. С уплотнением и низким коэффициентом трения с обеих сторон. Уплотнение состоит из шайбы из листовой стали с вулканизированной резиной. | 95.00 | 120.00 | 13.00 |
| 6819N | Шариковый радиальный однорядный подшипник. Канавка для стопорного кольца на наружном кольце. | 95.00 | 120.00 | 13.00 |
| 6819Z | Шариковый радиальный однорядный подшипник. щит из листовой прессованной стали с одной стороны подшипника. | 95.00 | 120.00 | 13.00 |
| 6819LLB | Шариковый радиальный однорядный подшипник. Уплотнение бесконтактного типа из синтетического каучука. | 95.00 | 120.00 | 13.00 |
| 1000819-А | Шариковый радиальный однорядный подшипник. Повышенная грузоподъемность. | 95.00 | 120.00 | 13.00 |
Способы доставки
Отправка через ведущие транспортные и курьерские компании: ПЭК, Деловые Линии, СДЭК, Байкал-Сервис, Энергия, КИТ, ЖелДорЭкспедиция.
Самовывоз возможен напрямую со склада в Москве.
Сроки доставки
Срок зависит от региона и выбранной транспортной компании. Все заказы комплектуются и отправляются в кратчайшие сроки со склада в Москве.
Надёжность и сохранность
Вся продукция упаковывается с учётом требований транспортировки. Мы гарантируем, что подшипники и комплектующие прибудут к заказчику в полной сохранности.
Доставка в страны ЕАЭС
Мы работаем с проверенными логистическими партнёрами, что позволяет оперативно доставлять заказы в Беларусь, Казахстан, Армению и другие страны ЕАЭС.
Варианты оплаты:
Минимальная сумма заказа и скидки:
Документы и гарантии:
Да, конечно! Наши технические специалисты готовы помочь вам с подбором точного аналога или замены подшипника. Просто позвоните нам по телефону +7 (495) 104-99-04 или напишите на почту zakaz@podsnab.ru.
Для оперативной консультации подготовьте, пожалуйста, имеющиеся данные: маркировку, размеры, тип оборудования или артикул старого подшипника.
Да, конечно! Мы высоко ценим долгосрочное сотрудничество и доверие клиентов по всей России. Для постоянных клиентов действует персональная система скидок.
Условия формируются индивидуально и зависят от:
Чтобы узнать свои условия и получить максимально выгодное предложение, свяжитесь с персональным менеджером или напишите нам на почту zakaz@podsnab.ru.
Вы можете оформить заказ несколькими способами:
Для оформления заказа от юридического лица свяжитесь с нашим отделом по работе с корпоративными клиентами по телефону +7 (495) 104-99-04 или напишите на email zakaz@podsnab.ru, прикрепив реквизиты вашей организации.
Мы оперативно подготовим коммерческое предложение и выставим счет.
Возврат товара надлежащего качества возможен в течение 10 дней с момента получения, если товар не был в употреблении, сохранен товарный вид, упаковка не вскрывалась и присутствуют все сопроводительные документы.
Возврат денежных средств осуществляется в течение 10 рабочих дней после проверки товара складом.
В соответствии с законодательством возврату не подлежат подшипники надлежащего качества, если отсутствует оригинальная упаковка или имеются следы монтажа.
В случае выявления брака или гарантийного случая мы гарантируем возврат или обмен товара.
Да, гарантийный срок хранения устанавливается заводом-изготовителем и в среднем составляет 2 года при соблюдении условий хранения: сухое помещение, оригинальная упаковка и смазка.
Точный срок для конкретного типа подшипника уточняйте у наших менеджеров.
Пн–Пт: с 8:00 до 17:00 (МСК).
Сб–Вс: выходные дни.
Заказы на сайте принимаются круглосуточно. Заявки, поступившие после окончания рабочего дня, обрабатываются на следующий рабочий день.
Минимальная сумма заказа для доставки составляет 3000 рублей. Самовывоз со склада возможен на любую сумму при наличии товара.
ООО «УралТехГрупп»
ИНН: 7415093830
КПП: 772401001
ОГРН: 1167456069021
Банк: ПАО Сбербанк
Р/с: 40702810838000475273
К/с: 30101810400000000225
БИК: 044525225
У подшипника 61819-2Z пока нет отзывов. Вы можете стать первым покупателем, поделившимся своим мнением.