Поиск подшипника
Статьи
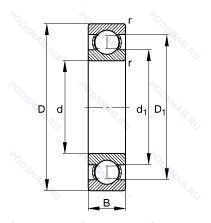
61915-2Z-C3 — Подшипник однорядный шариковый радиальный, модификация основного исполнения 61915, производство NKE.
Размер подшипника: 75x105x16 мм.
Внутренний зазор больше нормального, защитные стальные шайбы с обеих сторон.
Международная стандартизации ISO
619152ZC3
В наличии
| Обозначение | Конструктивные изменения |
|---|---|
| 61915ZZ | Защитные металлические шайбы (бесконтактные уплотнения) с обеих сторон подшипника. |
| 61915 2RS | Резиновые уплотнения с каждой стороны подшипника. |
| 61915 | Подшипник однорядный шариковый радиальный. Основное конструктивное исполнение. |
| 61915-2Z | Защитные металлические шайбы с обеих сторон. |
| 61915ZZ P5 | Защитные металлические шайбы с обеих сторон. Размерная и рабочая точность соответствует классу допуска ISO 5. |
| 61915-A | Модификация внутренней конструкции. |
| 61915-C3 | Внутренний зазор больше нормального. |
| 61915-2RSR | Резиновые уплотнения с каждой стороны подшипника. |
| 61915-2RSR-C3 | Внутренний зазор больше нормального. Резиновые уплотнения с каждой стороны подшипника. |
| 61915 2NSL | Контактные уплотнения на каждой стороне подшипника.. |
| W 61915-2Z | Защитные металлические шайбы с обеих сторон подшипника. Нержавеющая сталь. |
| W 61915-2RS1 | Усиленные листовой сталью контактные уплотнения из акрилонитрил-бутадиенового каучука (NBR) с обеих сторон подшипника. Нержавеющая сталь. |
| 61915/W64 | Антифрикционный заполнитель. твердая смазка. |
| 61915-2RZ | Шарикоподшипник. С уплотнением и низким коэффициентом трения с обеих сторон. Уплотнение состоит из шайбы из листовой стали с вулканизированной резиной. |
| 61915-2RS1 | Усиленные листовой сталью контактные уплотнения из акрилонитрил-бутадиенового каучука (NBR) с обеих сторон подшипника. |
Модификации шарикового подшипника 61915-2Z-C3 — это измененное основное конструктивное исполнение 61915, основные размеры (75x105x16) не отличаются.
| Обозначение | Гост | Конструктивные особенности |
|---|---|---|
| SS6915 ZZ | ISO | Защитные металлические шайбы с обеих сторон. |
| SS6915 2RS | ISO | Резиновые уплотнения с каждой стороны подшипника. |
| 6915 ZNR | ISO | Подшипник однорядный шариковый радиальный. |
| 6915ZZ | ISO | Металлическая защитная шайба с двух сторон. |
| 6915 2RS | ISO | Резиновые уплотнения с каждой стороны подшипника. |
| 6915NR | ISO | Канавка и стопорное кольцо на наружном кольце. |
| 6915C3 | ISO | Внутренний зазор больше нормального. |
| 6915VV | ISO | Защитные металлические шайбы. с обеих сторон подшипника. Бесконтактное уплотнение. (лучше. чем ZZ. Можно использовать в умеренно запыленной среде). |
| 6915VV/AS2S | ISO | Стандартное заполнение. 1/4 Full. Смазка Aeroshell 7. Защитные металлические шайбы. с обеих сторон подшипника. Бесконтактное уплотнение. (лучше. чем ZZ. Можно использовать в умеренно запыленной среде). |
| 6915DDU/AS2S | ISO | Стандартное заполнение. Резиновые уплотнения с каждой стороны подшипника. 1/4 Full. Смазка Aeroshell 7. |
| 6915L1 | ISO | Механически обработанный латунный сепаратор. |
| 6915 2RS Y | ISO | Резиновые уплотнения с каждой стороны подшипника. Штампованный латунный фиксатор. Направляемые элементы качения. |
| 6915ZZ Y | ISO | Защитные металлические шайбы с обеих сторон. Штампованный латунный фиксатор. Направляемые элементы качения. |
| 6915DDU | ISO | Резиновые уплотнения с каждой стороны подшипника. |
| 6915ZZ C3 | ISO | Внутренний зазор больше нормального. Защитные стальные шайбы с обеих сторон. |
| 6915LLU | ISO | Резиновые уплотнения с каждой стороны подшипника. |
| 6915VV AV2S | ISO | Lubricant. Shell Oil Co.. Alvania #2 Grease. 1/4 Full. Temperature Range = -10°C / + 110°C (Normal Temperature Grease). Защитные металлические шайбы. с обеих сторон подшипника. Бесконтактное уплотнение. (лучше. чем ZZ. Можно использовать в умеренно запыленной среде). |
| 6915ZZ CM AV2S | ISO | Два боковых защитных уплотнения. Lubricant. Shell Oil Co.. Alvania #2 Grease. 1/4 Full. Temperature Range = -10°C / + 110°C (Normal Temperature Grease). Шариковый подшипник. Специальный радиальный внутренний зазор для электродвигателей. |
| 6915 2RU | ISO | Non Contact Type Friction Torque = Small High Speed Performance = Good Grease Sealing = Better Than ZZ-Type Dirt Resistance = Better Than ZZ-Type Water Resistance = Better Than ZZ / Inferior To 2RS Operating Temp. -30°C To + 100°C. |
| 6915UG | ISO | Канавки на внутренней стороне наружного кольца. |
Аналог шарикового подшипника 61915-2Z-C3 — это подшипник такого же размера dx75,Dx105,Bx16, типа и конструкции.
| Обозначение | Конструктивные особенности | Внутренний (d) | Наружный (D) | Ширина (B) |
|---|---|---|---|---|
| 6915LU | Шариковый радиальный однорядный подшипник. Двухкромочное нитриловое контактное уплотнение. | 75.00 | 105.00 | 16.00 |
| S61915-2RS | Шариковый радиальный однорядный подшипник. Резиновые уплотнения с каждой стороны подшипника. | 75.00 | 105.00 | 16.00 |
| 3NC HAR915C FT | Шариковый радиальный однорядный подшипник. Угол контакта 20 градусов. REINFORCED PHENOLIC CAGE. | 75.00 | 105.00 | 16.00 |
| 3NCHAC915C | Шариковый радиальный однорядный подшипник. Угол контакта 20 градусов. | 75.00 | 105.00 | 16.00 |
| 3NCHAC915CA | Шариковый радиальный однорядный подшипник. Угол контакта 20 градусов. Латунный сепаратор с симметричными роликами. | 75.00 | 105.00 | 16.00 |
| 3NCHAF915CA | Шариковый радиальный однорядный подшипник. Угол контакта 20 градусов. Латунный сепаратор с симметричными роликами. | 75.00 | 105.00 | 16.00 |
| 3NCHAR915 | Шариковый радиальный однорядный подшипник. Угол контакта 20 градусов. | 75.00 | 105.00 | 16.00 |
| 3NCHAR915C | Шариковый радиальный однорядный подшипник. Угол контакта 20 градусов. | 75.00 | 105.00 | 16.00 |
| 3NCHAR915CA | Шариковый радиальный однорядный подшипник. Угол контакта 20 градусов. Латунный сепаратор с симметричными роликами. | 75.00 | 105.00 | 16.00 |
| 1000915-Б | Шариковый радиальный однорядный подшипник. Сепаратор из безоловянистой бронзы.. | 75.00 | 105.00 | 16.00 |
| 1000915-Л | Шариковый радиальный однорядный подшипник. Сепаратор из латуни.. | 75.00 | 105.00 | 16.00 |
| 5-1000915-Б | Шариковый радиальный однорядный подшипник. Сепаратор из безоловянистой бронзы.. | 75.00 | 105.00 | 16.00 |
| 5-1000915-Ш2 | Шариковый радиальный однорядный подшипник. Нормы шумности. | 75.00 | 105.00 | 16.00 |
| 6-1000915 БТ2 | Шариковый радиальный однорядный подшипник. 200°. Температура отпуска. Сепаратор из безоловянистой бронзы.. | 75.00 | 105.00 | 16.00 |
| 6-1046915 Д | Шариковый радиально-упорный однорядный подшипник. Сепаратор из алюминиевого сплава.. | 75.00 | 105.00 | 16.00 |
Способы доставки
Отправка через ведущие транспортные и курьерские компании: ПЭК, Деловые Линии, СДЭК, Байкал-Сервис, Энергия, КИТ, ЖелДорЭкспедиция.
Самовывоз возможен напрямую со склада в Москве.
Сроки доставки
Срок зависит от региона и выбранной транспортной компании. Все заказы комплектуются и отправляются в кратчайшие сроки со склада в Москве.
Надёжность и сохранность
Вся продукция упаковывается с учётом требований транспортировки. Мы гарантируем, что подшипники и комплектующие прибудут к заказчику в полной сохранности.
Доставка в страны ЕАЭС
Мы работаем с проверенными логистическими партнёрами, что позволяет оперативно доставлять заказы в Беларусь, Казахстан, Армению и другие страны ЕАЭС.
Варианты оплаты:
Минимальная сумма заказа и скидки:
Документы и гарантии:
Да, конечно! Наши технические специалисты готовы помочь вам с подбором точного аналога или замены подшипника. Просто позвоните нам по телефону +7 (495) 104-99-04 или напишите на почту zakaz@podsnab.ru.
Для оперативной консультации подготовьте, пожалуйста, имеющиеся данные: маркировку, размеры, тип оборудования или артикул старого подшипника.
Да, конечно! Мы высоко ценим долгосрочное сотрудничество и доверие клиентов по всей России. Для постоянных клиентов действует персональная система скидок.
Условия формируются индивидуально и зависят от:
Чтобы узнать свои условия и получить максимально выгодное предложение, свяжитесь с персональным менеджером или напишите нам на почту zakaz@podsnab.ru.
Вы можете оформить заказ несколькими способами:
Для оформления заказа от юридического лица свяжитесь с нашим отделом по работе с корпоративными клиентами по телефону +7 (495) 104-99-04 или напишите на email zakaz@podsnab.ru, прикрепив реквизиты вашей организации.
Мы оперативно подготовим коммерческое предложение и выставим счет.
Возврат товара надлежащего качества возможен в течение 10 дней с момента получения, если товар не был в употреблении, сохранен товарный вид, упаковка не вскрывалась и присутствуют все сопроводительные документы.
Возврат денежных средств осуществляется в течение 10 рабочих дней после проверки товара складом.
В соответствии с законодательством возврату не подлежат подшипники надлежащего качества, если отсутствует оригинальная упаковка или имеются следы монтажа.
В случае выявления брака или гарантийного случая мы гарантируем возврат или обмен товара.
Да, гарантийный срок хранения устанавливается заводом-изготовителем и в среднем составляет 2 года при соблюдении условий хранения: сухое помещение, оригинальная упаковка и смазка.
Точный срок для конкретного типа подшипника уточняйте у наших менеджеров.
Пн–Пт: с 8:00 до 17:00 (МСК).
Сб–Вс: выходные дни.
Заказы на сайте принимаются круглосуточно. Заявки, поступившие после окончания рабочего дня, обрабатываются на следующий рабочий день.
Минимальная сумма заказа для доставки составляет 3000 рублей. Самовывоз со склада возможен на любую сумму при наличии товара.
ООО «УралТехГрупп»
ИНН: 7415093830
КПП: 772401001
ОГРН: 1167456069021
Банк: ПАО Сбербанк
Р/с: 40702810838000475273
К/с: 30101810400000000225
БИК: 044525225
У подшипника 61915-2Z-C3 пока нет отзывов. Вы можете стать первым покупателем, поделившимся своим мнением.