Поиск подшипника
Статьи
6215-M-C3-SQ77 — Подшипник однорядный шариковый радиальный, модификация основного исполнения 6215, производство NKE.
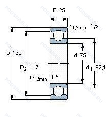
Размер подшипника: 75x130x25 мм.
Внешнее кольцо изолировано до 1000 вольт, внутренний зазор больше нормального, механически обработанный латунный сепаратор .расположенный на элементах качения.
Альтернативное обозначение: 6215M/C3VL024.
Международная стандартизации ISO
6215MC3SQ77
В наличии
| Обозначение | Конструктивные изменения |
|---|---|
| 6215TCG12P4 | Фенольный сепаратор. Класс точности Р4 по ISO (точнее. чем P5) - Abec.7. Специальный радиальный зазор. |
| 6215Z C3E | щит из листовой прессованной стали с одной стороны подшипника. Внутренний зазор больше нормы. Класс электродвигателя. |
| 6215LLU C3/2A | Внутренний зазор больше нормального. Контактное резиновое уплотнение с двух сторон. Shell Alvania Nr. 2. |
| 6215-2RS1K/R801 | Коническое отверстие. конус 1/12. Усиленные листовой сталью контактные уплотнения из акрилонитрил-бутадиенового каучука (NBR) с обеих сторон подшипника. Internal Code Where R801 Is Related With Month And Year. |
| 6215-2Z/C4HT | Внутренний зазор подшипника больше. чем C3. Защитные металлические шайбы с обеих сторон подшипника. Подшипник поставляется со специальной смазкой для высоких температур (до +130°C). |
| 6215-H-2RSR-SN | Стандартное качество. Резиновые уплотнения с каждой стороны подшипника. Кольца подшипника стабилизированы по размерам до 120°C.. |
| 6215-H-2RSR-SN-C3 | Внутренний зазор больше нормального. Стандартное качество. Резиновые уплотнения с каждой стороны подшипника. Кольца подшипника стабилизированы по размерам до 120°C.. |
| 6215-H-2Z-SN | Защитные металлические шайбы с обеих сторон. Стандартное качество. Кольца подшипника стабилизированы по размерам до 120°C.. |
| 6215-H-SN-C3 | Внутренний зазор больше нормального. Стандартное качество. Кольца подшипника стабилизированы по размерам до 120°C.. |
| 6215-H-2Z-SN-C3 | Внутренний зазор больше нормального. Защитные металлические шайбы с обеих сторон. Стандартное качество. Кольца подшипника стабилизированы по размерам до 120°C.. |
| 6215-H-SN | Pressed Snap-Type Steel Cage. Hardened. Узкий. Низкая каретка. |
| 6215-2Z-L069-C3 | Внутренний зазор больше нормального. Зазорные уплотнения с обеих сторон.. Insert Bearing Grease For Wide Temperature Range - Polycarbamide Ester Oil - –40°C to +180°C. |
| 6215RSR.C3 | Внутренний зазор больше нормального. Контактное уплотнение с одной стороны. Радиальный тип. |
| 6215-2Z/HT51 | Защитные металлические шайбы с обеих сторон подшипника. Polyuera Grease. High-Temp. 110cSt @ 40°C. -30°C/+140°C. |
| 6215BI | Угол контакта 40 градусов. |
| 6215-2RU | Non Contact Type Friction Torque = Small High Speed Performance = Good Grease Sealing = Better Than ZZ-Type Dirt Resistance = Better Than ZZ-Type Water Resistance = Better Than ZZ / Inferior To 2RS Operating Temp. -30°C To + 100°C. |
| 6215-2NKE | Double Labyrinth Seal (Non Contact). |
| 6215ZE | щит из листовой прессованной стали с одной стороны подшипника. |
| 6215NSE | Резиновое уплотнение с одной стороны. |
| 6215-2Z-N | Защитные металлические шайбы с обеих сторон подшипника. Канавка под стопорное кольцо на внешнем кольце. |
| 6215-2Z-NR | Защитные металлические шайбы с обеих сторон подшипника. Канавка под стопорное кольцо на наружном кольце с соответствующим стопорным кольцом. |
| 6215-Z-N | щит из листовой прессованной стали с одной стороны подшипника. Канавка под стопорное кольцо на внешнем кольце. |
| 6215LB | Бесконтактное нитриловое уплотнение. |
| 6215LLUNR | Канавка и стопорное кольцо на наружном кольце. Двухкромочное нитриловое контактное уплотнение. |
| 6215LU | Двухкромочное нитриловое контактное уплотнение. |
Модификации шарикового подшипника 6215-M-C3-SQ77 — это измененное основное конструктивное исполнение 6215, основные размеры (75x130x25) не отличаются.
| Обозначение | Гост | Конструктивные особенности |
|---|---|---|
| 215-2Z | ISO | Защитные металлические шайбы с обеих сторон подшипника. |
| 215W | ISO | Радиальный подшипник. Тип заправочного паза. |
| BL215 ZNR | ISO | Подшипник однорядный шариковый радиальный. |
| 215-ZNR | ISO | щит из листовой прессованной стали с одной стороны подшипника. Канавка под стопорное кольцо на наружном кольце с соответствующим стопорным кольцом. |
| 215K | ISO | Conrad (Non-Filling Slot) Type. |
| 215S | ISO | Single Row Radial Conrad-Type Bearings. |
| UR6215A Z | ISO | Axial Clearance In Non-Standardized Range (Range In µm - e.g. 3210 A20-30). щит из листовой прессованной стали с одной стороны подшипника. |
| 12L | ISO | Одно механическое уплотнение. |
| 1215SS | ISO | Защитные металлические шайбы с обеих сторон подшипника. |
| 12A | ISO | Двухрядный радиально-упорный шарикоподшипник без отверстия для смазки. |
| 215WD | ISO | Защитная шайба из штампованной стали с одной стороны. |
| 215-Z | ISO | щит из листовой прессованной стали с одной стороны подшипника. |
| 215SZZX | ISO | Коническое отверстие (конусность 1/12). Однорядный радиальный подшипник. С двумя уплотнениями. |
| 215SZZG H201 | ISO | Канавка под стопорное кольцо на наружном кольце с соответствующим стопорным кольцом. Внутренний суффикс-код MRC. Однорядный радиальный подшипник. С двумя уплотнениями. |
| M6215 | ISO | Механически обработанный латунный сепаратор .Расположенный на элементах качения. |
| M6215C3 | ISO | Внутренний зазор больше нормального. |
| 215SF | ISO | Bogie Carriage_ Clearance-Free. |
| BL215Z NR C3 | ISO | Внутренний зазор больше нормального. щит из листовой прессованной стали с одной стороны подшипника. Стопорное кольцо. установленное в канавке наружного кольца. |
| HC6215-C3 | ISO | Внутренний зазор больше нормального. |
| HC6215-2Z-L038-C3 | ISO | Внутренний зазор больше нормального. Защитные металлические шайбы с обеих сторон. Arcanol Grease Medium Temperature -25°C/+130°C. |
Аналог шарикового подшипника 6215-M-C3-SQ77 — это подшипник такого же размера dx75,Dx130,Bx25, типа и конструкции.
| Обозначение | Конструктивные особенности | Внутренний (d) | Наружный (D) | Ширина (B) |
|---|---|---|---|---|
| 46215-АЕ | Шариковый радиально-упорный однорядный подшипник. Сепаратор из текстолита.. Повышенная грузоподъемность. | 75.00 | 130.00 | 25.00 |
| 46215-АЛ | Шариковый радиально-упорный однорядный подшипник. Сепаратор из латуни.. Повышенная грузоподъемность. | 75.00 | 130.00 | 25.00 |
| 46215-Е | Шариковый радиально-упорный однорядный подшипник. Сепаратор из текстолита.. | 75.00 | 130.00 | 25.00 |
| 46215-К1 | Шариковый радиально-упорный однорядный подшипник. «Замок» (скос) на внутреннем кольце плюс массивный сепаратор из текстолита. | 75.00 | 130.00 | 25.00 |
| 46215-Л | Шариковый радиально-упорный однорядный подшипник. Сепаратор из латуни.. | 75.00 | 130.00 | 25.00 |
| 46215E5 | Шариковый радиально-упорный однорядный подшипник. Смазочные отверстия и канавки во внутреннем кольце. | 75.00 | 130.00 | 25.00 |
| 46215К | Шариковый радиально-упорный однорядный подшипник. «Замок» (скос) на внутреннем кольце плюс массивный сепаратор из текстолита. | 75.00 | 130.00 | 25.00 |
| 5-126215-Р | Шариковый радиально-упорный однорядный подшипник. Детали из теплоустойчивой (быстрорежущие) стали.. | 75.00 | 130.00 | 25.00 |
| 5-215-Р | Шариковый радиальный однорядный подшипник. Детали из теплоустойчивой (быстрорежущие) стали.. | 75.00 | 130.00 | 25.00 |
| 5-46215-Е | Шариковый радиально-упорный однорядный подшипник. Сепаратор из текстолита.. | 75.00 | 130.00 | 25.00 |
| 5-46215-Е5 | Шариковый радиально-упорный однорядный подшипник. Сепаратор из текстолита.. | 75.00 | 130.00 | 25.00 |
| 5-46215 К | Шариковый радиально-упорный однорядный подшипник. «Замок» (скос) на внутреннем кольце плюс массивный сепаратор из текстолита. | 75.00 | 130.00 | 25.00 |
| 5-46215-Л | Шариковый радиально-упорный однорядный подшипник. Сепаратор из латуни.. | 75.00 | 130.00 | 25.00 |
| 50215-А | Шариковый радиальный однорядный подшипник. Повышенная грузоподъемность. | 75.00 | 130.00 | 25.00 |
| 50215-К5 | Шариковый радиальный однорядный подшипник. Повышенная грузоподъемность. | 75.00 | 130.00 | 25.00 |
Способы доставки
Отправка через ведущие транспортные и курьерские компании: ПЭК, Деловые Линии, СДЭК, Байкал-Сервис, Энергия, КИТ, ЖелДорЭкспедиция.
Самовывоз возможен напрямую со склада в Москве.
Сроки доставки
Срок зависит от региона и выбранной транспортной компании. Все заказы комплектуются и отправляются в кратчайшие сроки со склада в Москве.
Надёжность и сохранность
Вся продукция упаковывается с учётом требований транспортировки. Мы гарантируем, что подшипники и комплектующие прибудут к заказчику в полной сохранности.
Доставка в страны ЕАЭС
Мы работаем с проверенными логистическими партнёрами, что позволяет оперативно доставлять заказы в Беларусь, Казахстан, Армению и другие страны ЕАЭС.
Варианты оплаты:
Минимальная сумма заказа и скидки:
Документы и гарантии:
Да, конечно! Наши технические специалисты готовы помочь вам с подбором точного аналога или замены подшипника. Просто позвоните нам по телефону +7 (495) 104-99-04 или напишите на почту zakaz@podsnab.ru.
Для оперативной консультации подготовьте, пожалуйста, имеющиеся данные: маркировку, размеры, тип оборудования или артикул старого подшипника.
Да, конечно! Мы высоко ценим долгосрочное сотрудничество и доверие клиентов по всей России. Для постоянных клиентов действует персональная система скидок.
Условия формируются индивидуально и зависят от:
Чтобы узнать свои условия и получить максимально выгодное предложение, свяжитесь с персональным менеджером или напишите нам на почту zakaz@podsnab.ru.
Вы можете оформить заказ несколькими способами:
Для оформления заказа от юридического лица свяжитесь с нашим отделом по работе с корпоративными клиентами по телефону +7 (495) 104-99-04 или напишите на email zakaz@podsnab.ru, прикрепив реквизиты вашей организации.
Мы оперативно подготовим коммерческое предложение и выставим счет.
Возврат товара надлежащего качества возможен в течение 10 дней с момента получения, если товар не был в употреблении, сохранен товарный вид, упаковка не вскрывалась и присутствуют все сопроводительные документы.
Возврат денежных средств осуществляется в течение 10 рабочих дней после проверки товара складом.
В соответствии с законодательством возврату не подлежат подшипники надлежащего качества, если отсутствует оригинальная упаковка или имеются следы монтажа.
В случае выявления брака или гарантийного случая мы гарантируем возврат или обмен товара.
Да, гарантийный срок хранения устанавливается заводом-изготовителем и в среднем составляет 2 года при соблюдении условий хранения: сухое помещение, оригинальная упаковка и смазка.
Точный срок для конкретного типа подшипника уточняйте у наших менеджеров.
Пн–Пт: с 8:00 до 17:00 (МСК).
Сб–Вс: выходные дни.
Заказы на сайте принимаются круглосуточно. Заявки, поступившие после окончания рабочего дня, обрабатываются на следующий рабочий день.
Минимальная сумма заказа для доставки составляет 3000 рублей. Самовывоз со склада возможен на любую сумму при наличии товара.
ООО «УралТехГрупп»
ИНН: 7415093830
КПП: 772401001
ОГРН: 1167456069021
Банк: ПАО Сбербанк
Р/с: 40702810838000475273
К/с: 30101810400000000225
БИК: 044525225
У подшипника 6215-M-C3-SQ77 пока нет отзывов. Вы можете стать первым покупателем, поделившимся своим мнением.