Поиск подшипника
Статьи
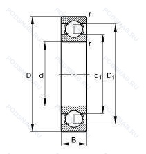
61821-2RSR-C3 — Подшипник однорядный шариковый радиальный, модификация основного исполнения 61821, производство NKE.
Размер подшипника: 105x130x13 мм.
Резиновые уплотнения с каждой стороны подшипника, внутренний зазор больше нормального.
Международная стандартизации ISO
618212RSRC3
В наличии
| Обозначение | Конструктивные изменения |
|---|---|
| 61821-2RZ-Y | Шарикоподшипник. С уплотнением и низким коэффициентом трения с обеих сторон. Уплотнение состоит из шайбы из листовой стали с вулканизированной резиной. Сепаратор из прессованной латуни. Центрирование шарика. |
| 61821 2RS Y | Уплотнения с обеих сторон.. Сепаратор из прессованной латуни. |
| 61821 Y | Листовая латунная клетка. |
| 61821 Y P5 | Размерная и рабочая точность соответствует классу допуска ISO 5. Сепаратор из прессованной латуни. Центрирование шарика. |
| 61821-2RS1 | Усиленные листовой сталью контактные уплотнения из акрилонитрил-бутадиенового каучука (NBR) с обеих сторон подшипника. |
| 61821 2RS | Резиновые уплотнения с каждой стороны подшипника. |
| 61821-RS1 | Резиновое уплотнение с одной стороны. |
| 61821-Y-R15-30 | Штампованный латунный фиксатор. Направляемые элементы качения. Clearance In µm. |
| 61821-Y-C3 | Внутренний зазор больше нормального. Подшипник с сепаратором из латуни центрированный по телам качения. |
| 61821-Y-C4 | Внутренний зазор подшипника больше. чем C3. Подшипник с сепаратором из латуни центрированный по телам качения. |
| 61821EE | Резиновые уплотнения с каждой стороны подшипника. |
| 61821-Y-P5-C2 | Внутренний зазор подшипника меньше нормального. Размерная и рабочая точность соответствует классу допуска ISO 5. Штампованный латунный фиксатор. Направляемые элементы качения. |
| 61821-2Z | Защитные металлические шайбы с обеих сторон. |
| 61821-2Z-C3 | Внутренний зазор больше нормального. Защитные стальные шайбы с обеих сторон. |
| 61821T | Литой защелкивающийся сепаратор из полиамида. армированного стекловолокном. |
| 61821ZZY | Штампованный латунный фиксатор. Направляемые элементы качения. |
| 61821-Y-C2 | Внутренний зазор подшипника меньше нормального. Подшипник с сепаратором из латуни центрированный по телам качения. |
| 61821 2RS C3 | Внутренний зазор больше нормального. Резиновые уплотнения с каждой стороны подшипника. |
| 61821 2BRS Y | Сепаратор из прессованной латуни. Центрирование шарика. Бесконтактные лабиринтные уплотнения с обеих сторон. |
| 61821 2URS Y | Сепаратор из прессованной латуни. Центрирование шарика. Специальное манжетное уплотнение с обеих сторон подшипника. |
| 61821 BRS Y | Сепаратор из прессованной латуни. Центрирование шарика. Бесконтактные лабиринтные уплотнения с одной стороны. |
| 61821 RS Y | Сепаратор из прессованной латуни. Центрирование шарика. Резиновое уплотнение с одной стороны. |
| 61821 URS Y | Сепаратор из прессованной латуни. Центрирование шарика. |
| 61821 Z Y | щит из листовой прессованной стали с одной стороны подшипника. Сепаратор из прессованной латуни. Центрирование шарика. |
| 61821 ZZ | Защитные металлические шайбы (бесконтактные уплотнения) с обеих сторон подшипника. |
Модификации шарикового подшипника 61821-2RSR-C3 — это измененное основное конструктивное исполнение 61821, основные размеры (105x130x13) не отличаются.
| Обозначение | Гост | Конструктивные особенности |
|---|---|---|
| 6821 ZNR | ISO | Подшипник однорядный шариковый радиальный. |
| 6821 NR | ISO | Канавка и стопорное кольцо на наружном кольце. |
| 6821 2RS | ISO | Резиновые уплотнения с каждой стороны подшипника. |
| 6821 | ISO | Подшипник однорядный шариковый радиальный. |
| 6821ZZ | ISO | Защитные металлические шайбы с обеих сторон. |
| 6821LLU/2AS | ISO | Резиновые уплотнения с каждой стороны подшипника. LUBRICANT. SHELL OIL CO.. ALVANIA #2 GREASE. MIL-G-18709A. |
| 6821 2RS Y | ISO | Резиновые уплотнения с каждой стороны подшипника. Штампованный латунный фиксатор. Направляемые элементы качения. |
| 6821LLU | ISO | Резиновые уплотнения с каждой стороны подшипника. |
| 6821C3 | ISO | Внутренний зазор больше нормального. |
Аналог шарикового подшипника 61821-2RSR-C3 — это подшипник такого же размера dx105,Dx130,Bx13, типа и конструкции.
| Обозначение | Конструктивные особенности | Внутренний (d) | Наружный (D) | Ширина (B) |
|---|---|---|---|---|
| 71821 A | Шариковый радиально-упорный однорядный подшипник. Двухрядный радиально-упорный шарикоподшипник без отверстия для смазки. | 105.00 | 130.00 | 13.00 |
| 71821 C | Шариковый радиально-упорный однорядный подшипник. 15° Угол контакта. | 105.00 | 130.00 | 13.00 |
| 71821AC | Шариковый радиально-упорный однорядный подшипник. Суффикс для радиально-упорного шарикоподшипника. | 105.00 | 130.00 | 13.00 |
| 2-1000821 Л | Шариковый радиальный однорядный подшипник. Сепаратор из латуни.. | 105.00 | 130.00 | 13.00 |
| 71821 CD/HCP4A | Шариковый радиальный однорядный подшипник. Измененная или модифицированная внутренняя конструкция при неизменных основных размерах. Двухкомпонентный штампованный стальной сепаратор с направляющим кольцом. | 105.00 | 130.00 | 13.00 |
| 71821 CD/P4A | Шариковый радиальный однорядный подшипник. Двухкомпонентный штампованный стальной сепаратор с направляющим кольцом. Точность размеров в соответствии с классом допуска ISO 4. точность вращения лучше чем класс допуска ISO 4. | 105.00 | 130.00 | 13.00 |
| 6821-2RZ | Шариковый радиальный однорядный подшипник. Шарикоподшипник. С уплотнением и низким коэффициентом трения с обеих сторон. Уплотнение состоит из шайбы из листовой стали с вулканизированной резиной. | 105.00 | 130.00 | 13.00 |
| 6821N | Шариковый радиальный однорядный подшипник. Канавка для стопорного кольца на наружном кольце. | 105.00 | 130.00 | 13.00 |
| 6821VV | Шариковый радиальный однорядный подшипник. Защитные металлические шайбы. с обеих сторон подшипника. Бесконтактное уплотнение. (лучше. чем ZZ. Можно использовать в умеренно запыленной среде). | 105.00 | 130.00 | 13.00 |
| 6821DDU | Шариковый радиальный однорядный подшипник. Резиновые уплотнения с каждой стороны подшипника. | 105.00 | 130.00 | 13.00 |
| S61821-2RS | Шариковый радиальный однорядный подшипник. Резиновые уплотнения с каждой стороны подшипника. | 105.00 | 130.00 | 13.00 |
| 1000821-Л | Шариковый радиальный однорядный подшипник. Сепаратор из латуни.. | 105.00 | 130.00 | 13.00 |
| 45-1000821 Ю1 | Шариковый радиальный однорядный подшипник. Все детали или часть деталей из нержавеющей стали.. | 105.00 | 130.00 | 13.00 |
| 5-1000821 Л | Шариковый радиальный однорядный подшипник. Сепаратор из латуни.. | 105.00 | 130.00 | 13.00 |
| 6-1000821 Ю1 | Шариковый радиальный однорядный подшипник. Все детали или часть деталей из нержавеющей стали.. | 105.00 | 130.00 | 13.00 |
Способы доставки
Отправка через ведущие транспортные и курьерские компании: ПЭК, Деловые Линии, СДЭК, Байкал-Сервис, Энергия, КИТ, ЖелДорЭкспедиция.
Самовывоз возможен напрямую со склада в Москве.
Сроки доставки
Срок зависит от региона и выбранной транспортной компании. Все заказы комплектуются и отправляются в кратчайшие сроки со склада в Москве.
Надёжность и сохранность
Вся продукция упаковывается с учётом требований транспортировки. Мы гарантируем, что подшипники и комплектующие прибудут к заказчику в полной сохранности.
Доставка в страны ЕАЭС
Мы работаем с проверенными логистическими партнёрами, что позволяет оперативно доставлять заказы в Беларусь, Казахстан, Армению и другие страны ЕАЭС.
Варианты оплаты:
Минимальная сумма заказа и скидки:
Документы и гарантии:
Да, конечно! Наши технические специалисты готовы помочь вам с подбором точного аналога или замены подшипника. Просто позвоните нам по телефону +7 (495) 104-99-04 или напишите на почту zakaz@podsnab.ru.
Для оперативной консультации подготовьте, пожалуйста, имеющиеся данные: маркировку, размеры, тип оборудования или артикул старого подшипника.
Да, конечно! Мы высоко ценим долгосрочное сотрудничество и доверие клиентов по всей России. Для постоянных клиентов действует персональная система скидок.
Условия формируются индивидуально и зависят от:
Чтобы узнать свои условия и получить максимально выгодное предложение, свяжитесь с персональным менеджером или напишите нам на почту zakaz@podsnab.ru.
Вы можете оформить заказ несколькими способами:
Для оформления заказа от юридического лица свяжитесь с нашим отделом по работе с корпоративными клиентами по телефону +7 (495) 104-99-04 или напишите на email zakaz@podsnab.ru, прикрепив реквизиты вашей организации.
Мы оперативно подготовим коммерческое предложение и выставим счет.
Возврат товара надлежащего качества возможен в течение 10 дней с момента получения, если товар не был в употреблении, сохранен товарный вид, упаковка не вскрывалась и присутствуют все сопроводительные документы.
Возврат денежных средств осуществляется в течение 10 рабочих дней после проверки товара складом.
В соответствии с законодательством возврату не подлежат подшипники надлежащего качества, если отсутствует оригинальная упаковка или имеются следы монтажа.
В случае выявления брака или гарантийного случая мы гарантируем возврат или обмен товара.
Да, гарантийный срок хранения устанавливается заводом-изготовителем и в среднем составляет 2 года при соблюдении условий хранения: сухое помещение, оригинальная упаковка и смазка.
Точный срок для конкретного типа подшипника уточняйте у наших менеджеров.
Пн–Пт: с 8:00 до 17:00 (МСК).
Сб–Вс: выходные дни.
Заказы на сайте принимаются круглосуточно. Заявки, поступившие после окончания рабочего дня, обрабатываются на следующий рабочий день.
Минимальная сумма заказа для доставки составляет 3000 рублей. Самовывоз со склада возможен на любую сумму при наличии товара.
ООО «УралТехГрупп»
ИНН: 7415093830
КПП: 772401001
ОГРН: 1167456069021
Банк: ПАО Сбербанк
Р/с: 40702810838000475273
К/с: 30101810400000000225
БИК: 044525225
У подшипника 61821-2RSR-C3 пока нет отзывов. Вы можете стать первым покупателем, поделившимся своим мнением.