Поиск подшипника
Статьи
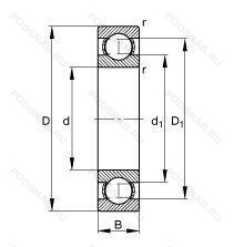
61922-C3 — Подшипник однорядный шариковый радиальный, модификация основного исполнения 61922, производство NKE.
Размер подшипника: 110x150x20 мм.
Внутренний зазор больше нормального.
Международная стандартизации ISO
61922C3
В наличии
| Обозначение | Конструктивные изменения |
|---|---|
| 61922MA/W64 | Антифрикционный заполнитель. твердая смазка. Механически обработанный латунный сепаратор. Центрирование по внешнему кольцу. |
| 61922MA/W64F | W64 (Segment Lubrication. Code 1)=Solid Oil Filling And F (Food Compatible Grease. 62 cSt at 40°C 10.1 cSt at 100°C). Механически обработанный латунный сепаратор. Центрирование по внешнему кольцу. |
| 61922 | Подшипник однорядный шариковый радиальный. Основное конструктивное исполнение. |
| 61922-2Z-C3 | Внутренний зазор больше нормального. Защитные стальные шайбы с обеих сторон. |
| 61922MA/C3 | Внутренний зазор больше нормального. Механически обработанный латунный сепаратор. Центрирование по внешнему кольцу. |
| 61922-2RSR | Резиновые уплотнения с каждой стороны подшипника. |
| 61922 2RS | Резиновые уплотнения с каждой стороны подшипника. |
| 61922-OEM | Производитель оригинального оборудования. |
| 61922-2RSR-C3 | Внутренний зазор больше нормального. Резиновые уплотнения с каждой стороны подшипника. |
| 61922MB | Механически обработанный латунный сепаратор. направляющий по внутреннему кольцу. |
| 61922MA | Механически обработанный латунный сепаратор. Центрирование по внешнему кольцу. |
| 61922M | Подшипник с латунным сепаратором. центрированный по телам качения. |
| 61922 ZZ | Защитные металлические шайбы с обеих сторон. |
Модификации шарикового подшипника 61922-C3 — это измененное основное конструктивное исполнение 61922, основные размеры (110x150x20) не отличаются.
| Обозначение | Гост | Конструктивные особенности |
|---|---|---|
| 69/22ZZ | ISO | Защитные металлические шайбы с обеих сторон. |
| 6922 NR | ISO | Канавка и стопорное кольцо на наружном кольце. |
| 6922 ZNR | ISO | Подшипник однорядный шариковый радиальный. |
| 6922 2RS | ISO | Резиновые уплотнения с каждой стороны подшипника. |
| 619/22-2Z | ISO | Защитные металлические шайбы с обеих сторон подшипника. 1.3/8. |
| 6922C3 | ISO | Внутренний зазор больше нормального. |
| 6922 | ISO | Подшипник однорядный шариковый радиальный. |
| 6922LLU/2A | ISO | Резиновые уплотнения с каждой стороны подшипника. Lubricant. Shell Oil Co.. Alvania #2 Grease. Mil-G-18709A. |
| 6922L1 C3 | ISO | Внутренний зазор больше нормального. Механически обработанный латунный сепаратор. |
| 6922ZZ Y | ISO | Защитные металлические шайбы с обеих сторон. Штампованный латунный фиксатор. Направляемые элементы качения. |
| 6922 2RS Y | ISO | Резиновые уплотнения с каждой стороны подшипника. Штампованный латунный фиксатор. Направляемые элементы качения. |
| 6922 2RU | ISO | Non Contact Type Friction Torque = Small High Speed Performance = Good Grease Sealing = Better Than ZZ-Type Dirt Resistance = Better Than ZZ-Type Water Resistance = Better Than ZZ / Inferior To 2RS Operating Temp. -30°C To + 100°C. |
| 692 2RS | ISO | Резиновые уплотнения с каждой стороны подшипника. |
Аналог шарикового подшипника 61922-C3 — это подшипник такого же размера dx110,Dx150,Bx20, типа и конструкции.
| Обозначение | Конструктивные особенности | Внутренний (d) | Наружный (D) | Ширина (B) |
|---|---|---|---|---|
| 3NCHAC922C | Шариковый радиальный однорядный подшипник. Угол контакта 20 градусов. | 110.00 | 150.00 | 20.00 |
| 3NCHAC922CA | Шариковый радиальный однорядный подшипник. Угол контакта 20 градусов. Латунный сепаратор с симметричными роликами. | 110.00 | 150.00 | 20.00 |
| 3NCHAF922CA | Шариковый радиальный однорядный подшипник. Угол контакта 20 градусов. Латунный сепаратор с симметричными роликами. | 110.00 | 150.00 | 20.00 |
| 3NCHAR922C | Шариковый радиальный однорядный подшипник. Угол контакта 20 градусов. | 110.00 | 150.00 | 20.00 |
| 3NCHAR922 | Шариковый радиальный однорядный подшипник. Угол контакта 20 градусов. | 110.00 | 150.00 | 20.00 |
| 3NCHAR922CA | Шариковый радиальный однорядный подшипник. Угол контакта 20 градусов. Латунный сепаратор с симметричными роликами. | 110.00 | 150.00 | 20.00 |
| 1000922-АЛ | Шариковый радиальный однорядный подшипник. Сепаратор из латуни.. Повышенная грузоподъемность. | 110.00 | 150.00 | 20.00 |
| 1000922-Л | Шариковый радиальный однорядный подшипник. Сепаратор из латуни.. | 110.00 | 150.00 | 20.00 |
| 22-1000922 ЕУ | Шариковый радиальный однорядный подшипник. Сепаратор из текстолита.. Дополнительные технические требования. | 110.00 | 150.00 | 20.00 |
| 5-1000922 Б1 | Шариковый радиальный однорядный подшипник. Сепаратор из безоловянистой бронзы.. | 110.00 | 150.00 | 20.00 |
| 5-1000922 Л | Шариковый радиальный однорядный подшипник. Сепаратор из латуни.. | 110.00 | 150.00 | 20.00 |
| 5-2672922 Р1 | Роликовый радиальный однорядный подшипник. Детали из теплоустойчивой (быстрорежущие) стали.. | 110.00 | 150.00 | 20.00 |
| 55-2672922 Р | Роликовый радиальный цилиндрический однорядный подшипник. Детали из теплоустойчивой (быстрорежущие) стали.. | 110.00 | 150.00 | 20.00 |
| 55-2672922 Р2 | Роликовый радиальный цилиндрический однорядный подшипник. Детали из теплоустойчивой (быстрорежущие) стали.. | 110.00 | 150.00 | 20.00 |
| 6-1000922 Л | Шариковый радиальный однорядный подшипник. Сепаратор из латуни.. | 110.00 | 150.00 | 20.00 |
Способы доставки
Отправка через ведущие транспортные и курьерские компании: ПЭК, Деловые Линии, СДЭК, Байкал-Сервис, Энергия, КИТ, ЖелДорЭкспедиция.
Самовывоз возможен напрямую со склада в Москве.
Сроки доставки
Срок зависит от региона и выбранной транспортной компании. Все заказы комплектуются и отправляются в кратчайшие сроки со склада в Москве.
Надёжность и сохранность
Вся продукция упаковывается с учётом требований транспортировки. Мы гарантируем, что подшипники и комплектующие прибудут к заказчику в полной сохранности.
Доставка в страны ЕАЭС
Мы работаем с проверенными логистическими партнёрами, что позволяет оперативно доставлять заказы в Беларусь, Казахстан, Армению и другие страны ЕАЭС.
Варианты оплаты:
Минимальная сумма заказа и скидки:
Документы и гарантии:
Да, конечно! Наши технические специалисты готовы помочь вам с подбором точного аналога или замены подшипника. Просто позвоните нам по телефону +7 (495) 104-99-04 или напишите на почту zakaz@podsnab.ru.
Для оперативной консультации подготовьте, пожалуйста, имеющиеся данные: маркировку, размеры, тип оборудования или артикул старого подшипника.
Да, конечно! Мы высоко ценим долгосрочное сотрудничество и доверие клиентов по всей России. Для постоянных клиентов действует персональная система скидок.
Условия формируются индивидуально и зависят от:
Чтобы узнать свои условия и получить максимально выгодное предложение, свяжитесь с персональным менеджером или напишите нам на почту zakaz@podsnab.ru.
Вы можете оформить заказ несколькими способами:
Для оформления заказа от юридического лица свяжитесь с нашим отделом по работе с корпоративными клиентами по телефону +7 (495) 104-99-04 или напишите на email zakaz@podsnab.ru, прикрепив реквизиты вашей организации.
Мы оперативно подготовим коммерческое предложение и выставим счет.
Возврат товара надлежащего качества возможен в течение 10 дней с момента получения, если товар не был в употреблении, сохранен товарный вид, упаковка не вскрывалась и присутствуют все сопроводительные документы.
Возврат денежных средств осуществляется в течение 10 рабочих дней после проверки товара складом.
В соответствии с законодательством возврату не подлежат подшипники надлежащего качества, если отсутствует оригинальная упаковка или имеются следы монтажа.
В случае выявления брака или гарантийного случая мы гарантируем возврат или обмен товара.
Да, гарантийный срок хранения устанавливается заводом-изготовителем и в среднем составляет 2 года при соблюдении условий хранения: сухое помещение, оригинальная упаковка и смазка.
Точный срок для конкретного типа подшипника уточняйте у наших менеджеров.
Пн–Пт: с 8:00 до 17:00 (МСК).
Сб–Вс: выходные дни.
Заказы на сайте принимаются круглосуточно. Заявки, поступившие после окончания рабочего дня, обрабатываются на следующий рабочий день.
Минимальная сумма заказа для доставки составляет 3000 рублей. Самовывоз со склада возможен на любую сумму при наличии товара.
ООО «УралТехГрупп»
ИНН: 7415093830
КПП: 772401001
ОГРН: 1167456069021
Банк: ПАО Сбербанк
Р/с: 40702810838000475273
К/с: 30101810400000000225
БИК: 044525225
У подшипника 61922-C3 пока нет отзывов. Вы можете стать первым покупателем, поделившимся своим мнением.