Поиск подшипника
Статьи
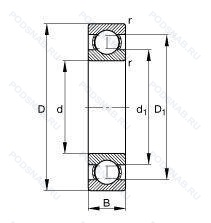
61921-C3 — Подшипник однорядный шариковый радиальный, модификация основного исполнения 61921, производство NKE.
Размер подшипника: 105x145x20 мм.
Внутренний зазор больше нормального.
Международная стандартизации ISO
61921C3
В наличии
| Обозначение | Конструктивные изменения |
|---|---|
| 61921ZZ | Защитные металлические шайбы (бесконтактные уплотнения) с обеих сторон подшипника. |
| 61921 | Подшипник однорядный шариковый радиальный. Основное конструктивное исполнение. |
| 61921 2RS | Резиновые уплотнения с каждой стороны подшипника. |
| 61921P | Сеаратор из литого полиамида 6.6. армированного стекловолокном. |
| 61921-2Z | Защитные металлические шайбы с обеих сторон подшипника. |
Модификации шарикового подшипника 61921-C3 — это измененное основное конструктивное исполнение 61921, основные размеры (105x145x20) не отличаются.
| Обозначение | Гост | Конструктивные особенности |
|---|---|---|
| 6921 2RS | ISO | Резиновые уплотнения с каждой стороны подшипника. |
| 6921 ZNR | ISO | Подшипник однорядный шариковый радиальный. |
| 6921 NR | ISO | Канавка и стопорное кольцо на наружном кольце. |
| 6921 | ISO | Подшипник однорядный шариковый радиальный. |
| 6921ZZ | ISO | Защитные металлические шайбы с обеих сторон. |
| 6921ZZ/2AS | ISO | Защитные металлические шайбы с обеих сторон. LUBRICANT. SHELL OIL CO.. ALVANIA #2 GREASE. MIL-G-18709A. |
| 6921VV | ISO | Защитные металлические шайбы. с обеих сторон подшипника. Бесконтактное уплотнение. (лучше. чем ZZ. Можно использовать в умеренно запыленной среде). |
| 6921VV NS7S | ISO | Стандартное заполнение. Защитные металлические шайбы. с обеих сторон подшипника. Бесконтактное уплотнение. (лучше. чем ZZ. Можно использовать в умеренно запыленной среде). NS Hi Lube Grease. (NS7/ Inside With Grease. Up Than 35%. Temperature Resistance -40°C To +140°C). |
Аналог шарикового подшипника 61921-C3 — это подшипник такого же размера dx105,Dx145,Bx20, типа и конструкции.
| Обозначение | Конструктивные особенности | Внутренний (d) | Наружный (D) | Ширина (B) |
|---|---|---|---|---|
| 6921-1-2RS | Шариковый радиальный однорядный подшипник. Резиновые уплотнения с каждой стороны подшипника. Number Of Carriages Per Rail Track. | 105.00 | 145.00 | 20.00 |
| 6921-1-2RU | Шариковый радиальный однорядный подшипник. Number Of Carriages Per Rail Track. Non Contact Type Friction Torque = Small High Speed Performance = Good Grease Sealing = Better Than ZZ-Type Dirt Resistance = Better Than ZZ-Type Water Resistance = Better Than ZZ / Inferior To 2RS Operating Temp. -30°C To + 100°C. | 105.00 | 145.00 | 20.00 |
| 6921LLU | Шариковый радиальный однорядный подшипник. Контактное резиновое уплотнение с двух сторон. | 105.00 | 145.00 | 20.00 |
| 6921LLB | Шариковый радиальный однорядный подшипник. Уплотнение бесконтактного типа из синтетического каучука. | 105.00 | 145.00 | 20.00 |
| S61921-2RS | Шариковый радиальный однорядный подшипник. Резиновые уплотнения с каждой стороны подшипника. | 105.00 | 145.00 | 20.00 |
| 3NC HAR921C FT | Шариковый радиальный однорядный подшипник. Угол контакта 20 градусов. REINFORCED PHENOLIC CAGE. | 105.00 | 145.00 | 20.00 |
| 3NCHAC921C | Шариковый радиальный однорядный подшипник. Угол контакта 20 градусов. | 105.00 | 145.00 | 20.00 |
| 3NCHAC921CA | Шариковый радиальный однорядный подшипник. Угол контакта 20 градусов. Латунный сепаратор с симметричными роликами. | 105.00 | 145.00 | 20.00 |
| 3NCHAF921CA | Шариковый радиальный однорядный подшипник. Угол контакта 20 градусов. Латунный сепаратор с симметричными роликами. | 105.00 | 145.00 | 20.00 |
| 3NCHAR921C | Шариковый радиальный однорядный подшипник. Угол контакта 20 градусов. | 105.00 | 145.00 | 20.00 |
| 3NCHAR921CA | Шариковый радиальный однорядный подшипник. Угол контакта 20 градусов. Латунный сепаратор с симметричными роликами. | 105.00 | 145.00 | 20.00 |
| 3NCHAR921 | Шариковый радиальный однорядный подшипник. Угол контакта 20 градусов. | 105.00 | 145.00 | 20.00 |
| 1000921-Г | Шариковый радиальный однорядный подшипник. Сепаратор из черных металлов.. | 105.00 | 145.00 | 20.00 |
| 1000921АЕ | Шариковый радиальный однорядный подшипник. Сепаратор из текстолита.. Повышенная грузоподъемность. | 105.00 | 145.00 | 20.00 |
| 6-1000921 Г | Шариковый радиальный однорядный подшипник. Сепаратор из черных металлов.. | 105.00 | 145.00 | 20.00 |
Способы доставки
Отправка через ведущие транспортные и курьерские компании: ПЭК, Деловые Линии, СДЭК, Байкал-Сервис, Энергия, КИТ, ЖелДорЭкспедиция.
Самовывоз возможен напрямую со склада в Москве.
Сроки доставки
Срок зависит от региона и выбранной транспортной компании. Все заказы комплектуются и отправляются в кратчайшие сроки со склада в Москве.
Надёжность и сохранность
Вся продукция упаковывается с учётом требований транспортировки. Мы гарантируем, что подшипники и комплектующие прибудут к заказчику в полной сохранности.
Доставка в страны ЕАЭС
Мы работаем с проверенными логистическими партнёрами, что позволяет оперативно доставлять заказы в Беларусь, Казахстан, Армению и другие страны ЕАЭС.
Варианты оплаты:
Минимальная сумма заказа и скидки:
Документы и гарантии:
Да, конечно! Наши технические специалисты готовы помочь вам с подбором точного аналога или замены подшипника. Просто позвоните нам по телефону +7 (495) 104-99-04 или напишите на почту zakaz@podsnab.ru.
Для оперативной консультации подготовьте, пожалуйста, имеющиеся данные: маркировку, размеры, тип оборудования или артикул старого подшипника.
Да, конечно! Мы высоко ценим долгосрочное сотрудничество и доверие клиентов по всей России. Для постоянных клиентов действует персональная система скидок.
Условия формируются индивидуально и зависят от:
Чтобы узнать свои условия и получить максимально выгодное предложение, свяжитесь с персональным менеджером или напишите нам на почту zakaz@podsnab.ru.
Вы можете оформить заказ несколькими способами:
Для оформления заказа от юридического лица свяжитесь с нашим отделом по работе с корпоративными клиентами по телефону +7 (495) 104-99-04 или напишите на email zakaz@podsnab.ru, прикрепив реквизиты вашей организации.
Мы оперативно подготовим коммерческое предложение и выставим счет.
Возврат товара надлежащего качества возможен в течение 10 дней с момента получения, если товар не был в употреблении, сохранен товарный вид, упаковка не вскрывалась и присутствуют все сопроводительные документы.
Возврат денежных средств осуществляется в течение 10 рабочих дней после проверки товара складом.
В соответствии с законодательством возврату не подлежат подшипники надлежащего качества, если отсутствует оригинальная упаковка или имеются следы монтажа.
В случае выявления брака или гарантийного случая мы гарантируем возврат или обмен товара.
Да, гарантийный срок хранения устанавливается заводом-изготовителем и в среднем составляет 2 года при соблюдении условий хранения: сухое помещение, оригинальная упаковка и смазка.
Точный срок для конкретного типа подшипника уточняйте у наших менеджеров.
Пн–Пт: с 8:00 до 17:00 (МСК).
Сб–Вс: выходные дни.
Заказы на сайте принимаются круглосуточно. Заявки, поступившие после окончания рабочего дня, обрабатываются на следующий рабочий день.
Минимальная сумма заказа для доставки составляет 3000 рублей. Самовывоз со склада возможен на любую сумму при наличии товара.
ООО «УралТехГрупп»
ИНН: 7415093830
КПП: 772401001
ОГРН: 1167456069021
Банк: ПАО Сбербанк
Р/с: 40702810838000475273
К/с: 30101810400000000225
БИК: 044525225
У подшипника 61921-C3 пока нет отзывов. Вы можете стать первым покупателем, поделившимся своим мнением.