Поиск подшипника
Статьи
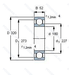
6236MA.C3 — Подшипник однорядный шариковый радиальный, модификация основного исполнения 6236, производство FAG.
Размер подшипника: 180x320x52 мм.
Внутренний зазор больше нормального, механически обработанный латунный сепаратор. центрирование по внешнему кольцу.
Аналоги: 6236-MA-C3 FAG.
Международная стандартизации ISO
6236MAC3
В наличии
| Обозначение | Конструктивные изменения |
|---|---|
| 6236M.C2 | Внутренний зазор подшипника меньше нормального. Твердый латунный сепаратор. Шариковые направляющие. |
| 6236M | Массивный латунный сепаратор. |
| 6236F | Обработанный механически стальной сепаратор. центрируемый по телам качения. |
| 6236C4U303 | Внутренний зазор подшипника больше. чем C3. Код U303 в артикуле подшипника NSK показывает. что он был специально разработан и произведен для использования в ветроэнергетике. Эти подшипники для ветряных турбин изготовлены из высококлассной высокочистой подшипниковой стали и специальных сталей. используемых исключительно компанией NSK. Они также собираются на отдельных производственных участках и подлежат специальной упаковке. что предотвращает загрязнение.. |
| 6236-M-S3-C3 | Внутренний зазор больше нормального. Твердый латунный сепаратор. Шариковые направляющие. Кольца или шайбы подшипников, стабилизированные по размерам для использования при рабочих температурах до +300°C (572°F). |
| 6236-MA-C4 | Внутренний зазор подшипника больше. чем C3. Механически обработанный латунный сепаратор. Центрирование по внешнему кольцу. |
| 6236MB | сепаратор из латуни. центрированный по внутреннему кольцу. |
| 6236MB P6 | Латунный сепаратор. Центрированный на внутреннем кольце. Размерные и геометрические допуски соответствуют классу точности P6. |
| 6236C3E | Внутренний зазор больше нормы. Класс электродвигателя. |
| 6236ZZS | Защитные металлические шайбы с двух сторон подшипника (удерживается стопорным кольцом на внешнем кольце - обычно для миниатюрных шарикоподшипников). |
| 6236ZZS C3 | Внутренний зазор больше нормального. Защитные металлические шайбы с двух сторон подшипника (удерживается стопорным кольцом на внешнем кольце - обычно для миниатюрных шарикоподшипников). |
| 6236-M-C3-J20C | Внутренний зазор больше нормального. Твердый латунный сепаратор. Шариковые направляющие. Внутреннее кольцо. изолированное тонким керамическим покрытием. |
| 6236ZZ C3 | Внутренний зазор больше нормального. Защитные стальные шайбы с обеих сторон. |
| 6236M/C5HS0VG2211 | Механически обработанный латунный сепаратор. центрируемый по шарикам. Разные конструкции или материалы обозначаются цифрой после буквы М. например. М2. Кольца или шайбы подшипников, стабилизированные по размерам для использования при рабочих температурах до +150°C (302°F). Internal Play Upper Half C5 Range. |
| 6236MA | Механически обработанный латунный сепаратор. Центрирование по внешнему кольцу. |
| 6236M P63 A | значение этого символа. прикрепленного к базовому коду. специально не зафиксировано. Они используются в соответствии с требованиями к выявлению изменений конструкции подшипника и определенным конструктивным особенностям. Также их можно совмещать между собой. Механически обработанный латунный сепаратор .Расположенный на элементах качения. Комбинация P6 (Точность размеров и хода соответствует классу допуска ISO 6 (лучше. чем обычный)) и C3 (внутренний зазор больше нормы). |
| 6236M P6 A | значение этого символа. прикрепленного к базовому коду. специально не зафиксировано. Они используются в соответствии с требованиями к выявлению изменений конструкции подшипника и определенным конструктивным особенностям. Также их можно совмещать между собой. Механически обработанный латунный сепаратор .Расположенный на элементах качения. Размерные и геометрические допуски соответствуют классу точности P6. |
| 6236M J30 | Механически обработанный латунный сепаратор .Расположенный на элементах качения. Внутренний зазор больше нормального. |
| 6236-M-J20AA | Твердый латунный сепаратор. Шариковые направляющие. Электроизоляция. наружное кольцо с керамическим покрытием. |
| 6236-M-J20AA-C3 | Внутренний зазор больше нормального. Твердый латунный сепаратор. Шариковые направляющие. Электроизоляция. наружное кольцо с керамическим покрытием. |
| 6236-M-J20AA-R170-200 | Твердый латунный сепаратор. Шариковые направляющие. Электроизоляция. наружное кольцо с керамическим покрытием. Radial Clearance In µm. |
| 6236-2RS | Резиновые уплотнения с каждой стороны подшипника. |
| 6236Z | Стальная шайба. |
| 6236-RS | Резиновое уплотнение с одной стороны. |
| 6236K | Коническое отверстие (1. |
Модификации шарикового подшипника 6236MA.C3 — это измененное основное конструктивное исполнение 6236, основные размеры (180x320x52) не отличаются.
| Обозначение | Гост | Конструктивные особенности |
|---|---|---|
| 236 | ISO | Подшипник однорядный шариковый радиальный. |
Аналог шарикового подшипника 6236MA.C3 — это подшипник такого же размера dx180,Dx320,Bx52, типа и конструкции.
| Обозначение | Конструктивные особенности | Внутренний (d) | Наружный (D) | Ширина (B) |
|---|---|---|---|---|
| 6-236-АЛШ | Шариковый радиальный однорядный подшипник. Сепаратор из латуни.. Повышенная грузоподъемность. Нормы шумности. | 180.00 | 320.00 | 52.00 |
| 6-236-АЛ | Шариковый радиальный однорядный подшипник. Сепаратор из латуни.. Повышенная грузоподъемность. | 180.00 | 320.00 | 52.00 |
| 6-236-Л | Шариковый радиальный однорядный подшипник. Сепаратор из латуни.. | 180.00 | 320.00 | 52.00 |
| 62236М1 | Роликовый радиальный однорядный подшипник. Модифицированный контакт.. | 180.00 | 320.00 | 52.00 |
| 70-236 АЛ | Шариковый радиальный однорядный подшипник. Сепаратор из латуни.. Повышенная грузоподъемность. | 180.00 | 320.00 | 52.00 |
| 70-236 Л | Шариковый радиальный однорядный подшипник. Сепаратор из латуни.. | 180.00 | 320.00 | 52.00 |
| 236-АЛ | Шариковый радиальный однорядный подшипник. Сепаратор из латуни.. Повышенная грузоподъемность. | 180.00 | 320.00 | 52.00 |
| 236-Л | Шариковый радиальный однорядный подшипник. Сепаратор из латуни.. | 180.00 | 320.00 | 52.00 |
| 2В0-236 Л | Шариковый радиальный однорядный подшипник. Сепаратор из латуни.. | 180.00 | 320.00 | 52.00 |
| NJ 236 ECML | Роликовый радиальный однорядный подшипник. Однорядный цилиндрический роликовый подшипник. | 180.00 | 320.00 | 52.00 |
| 42236-ЛМ | Роликовый радиальный однорядный подшипник. Сепаратор из латуни.. Модифицированный контакт.. | 180.00 | 320.00 | 52.00 |
| 42236-М | Роликовый радиальный однорядный подшипник. Модифицированный контакт.. | 180.00 | 320.00 | 52.00 |
| 46236К | Шариковый радиально-упорный однорядный подшипник. «Замок» (скос) на внутреннем кольце плюс массивный сепаратор из текстолита. | 180.00 | 320.00 | 52.00 |
| 5-36236 Л | Шариковый радиально-упорный однорядный подшипник. Сепаратор из латуни.. | 180.00 | 320.00 | 52.00 |
| 6-176236-Д | Шариковый радиально-упорный однорядный подшипник. Сепаратор из алюминиевого сплава.. | 180.00 | 320.00 | 52.00 |
Способы доставки
Отправка через ведущие транспортные и курьерские компании: ПЭК, Деловые Линии, СДЭК, Байкал-Сервис, Энергия, КИТ, ЖелДорЭкспедиция.
Самовывоз возможен напрямую со склада в Москве.
Сроки доставки
Срок зависит от региона и выбранной транспортной компании. Все заказы комплектуются и отправляются в кратчайшие сроки со склада в Москве.
Надёжность и сохранность
Вся продукция упаковывается с учётом требований транспортировки. Мы гарантируем, что подшипники и комплектующие прибудут к заказчику в полной сохранности.
Доставка в страны ЕАЭС
Мы работаем с проверенными логистическими партнёрами, что позволяет оперативно доставлять заказы в Беларусь, Казахстан, Армению и другие страны ЕАЭС.
Варианты оплаты:
Минимальная сумма заказа и скидки:
Документы и гарантии:
Да, конечно! Наши технические специалисты готовы помочь вам с подбором точного аналога или замены подшипника. Просто позвоните нам по телефону +7 (495) 104-99-04 или напишите на почту zakaz@podsnab.ru.
Для оперативной консультации подготовьте, пожалуйста, имеющиеся данные: маркировку, размеры, тип оборудования или артикул старого подшипника.
Да, конечно! Мы высоко ценим долгосрочное сотрудничество и доверие клиентов по всей России. Для постоянных клиентов действует персональная система скидок.
Условия формируются индивидуально и зависят от:
Чтобы узнать свои условия и получить максимально выгодное предложение, свяжитесь с персональным менеджером или напишите нам на почту zakaz@podsnab.ru.
Вы можете оформить заказ несколькими способами:
Для оформления заказа от юридического лица свяжитесь с нашим отделом по работе с корпоративными клиентами по телефону +7 (495) 104-99-04 или напишите на email zakaz@podsnab.ru, прикрепив реквизиты вашей организации.
Мы оперативно подготовим коммерческое предложение и выставим счет.
Возврат товара надлежащего качества возможен в течение 10 дней с момента получения, если товар не был в употреблении, сохранен товарный вид, упаковка не вскрывалась и присутствуют все сопроводительные документы.
Возврат денежных средств осуществляется в течение 10 рабочих дней после проверки товара складом.
В соответствии с законодательством возврату не подлежат подшипники надлежащего качества, если отсутствует оригинальная упаковка или имеются следы монтажа.
В случае выявления брака или гарантийного случая мы гарантируем возврат или обмен товара.
Да, гарантийный срок хранения устанавливается заводом-изготовителем и в среднем составляет 2 года при соблюдении условий хранения: сухое помещение, оригинальная упаковка и смазка.
Точный срок для конкретного типа подшипника уточняйте у наших менеджеров.
Пн–Пт: с 8:00 до 17:00 (МСК).
Сб–Вс: выходные дни.
Заказы на сайте принимаются круглосуточно. Заявки, поступившие после окончания рабочего дня, обрабатываются на следующий рабочий день.
Минимальная сумма заказа для доставки составляет 3000 рублей. Самовывоз со склада возможен на любую сумму при наличии товара.
ООО «УралТехГрупп»
ИНН: 7415093830
КПП: 772401001
ОГРН: 1167456069021
Банк: ПАО Сбербанк
Р/с: 40702810838000475273
К/с: 30101810400000000225
БИК: 044525225
У подшипника 6236MA.C3 пока нет отзывов. Вы можете стать первым покупателем, поделившимся своим мнением.