Поиск подшипника
Статьи
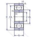
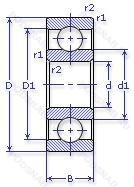
6328/C3VL2071 — Подшипник однорядный шариковый радиальный, модификация основного исполнения 6328, производство SKF.
Размер подшипника: 140x300x62 мм.
Электрическое сопротивление/мин. 50 мом. напряжение пробоя/макс. рабочее напряжение 1000 в постоянного тока, внутренний зазор больше нормального.
Международная стандартизации ISO
6328C3VL2071
В наличии
| Обозначение | Конструктивные изменения |
|---|---|
| 6328M/C3VL2076 | Внутренний зазор больше нормального. Механически обработанный латунный сепаратор. центрируемый по шарикам. Разные конструкции или материалы обозначаются цифрой после буквы М. например. М2. Electrical Resistance/ Min. 150MΩ. Breakdown Voltage/ Max. Operating Voltage 3.000v DC. |
| 6328L1C3 | Внутренний зазор больше нормального. Механически обработанный латунный сепаратор. |
| 6328/HC5C3S0VA970 | Внутренний зазор больше нормального. Кольца или шайбы подшипников, стабилизированные по размерам для использования при рабочих температурах до +150°C (302°F). Тела качения из нитрида кремния. XL Hybrid Deep Groove Ball Bearings Are Designed To Meet The Application Requirements For Electric Generators In Larger Wind Turbines. |
| 6328C3E | Внутренний зазор больше нормы. Класс электродвигателя. |
| 6328M CM | Механически обработанный латунный сепаратор .Расположенный на элементах качения. Шариковый подшипник. Специальный радиальный внутренний зазор для электродвигателей. |
| 6328ZS | Has No Meaning According To P.S.I. Prefix / Suffix Interchange Guide - Cylindrical Roller Bearing Only. Clearance Tolerance Reduced According To NA. Bearing Parts Interchangeable. Once Bearing Parts Exchanged Clearance Tolerance Possible To Design A. Standard Design Not Marked On Bearings And Packing. |
| 6328-M-C3-J20C | Внутренний зазор больше нормального. Твердый латунный сепаратор. Шариковые направляющие. Внутреннее кольцо. изолированное тонким керамическим покрытием. |
| 6328-M-C3-J20AA | Внутренний зазор больше нормального. Твердый латунный сепаратор. Шариковые направляющие. Электроизоляция. наружное кольцо с керамическим покрытием. |
| 6328/C3VL0241 | Внутренний зазор больше нормального. Электрическое сопротивление/мин. 50 МОм. Напряжение пробоя/Макс. Рабочее напряжение 1000 В постоянного тока. |
| 6328-M-J20C-C3 | Внутренний зазор больше нормального. Твердый латунный сепаратор. Шариковые направляющие. Внутреннее кольцо. изолированное тонким керамическим покрытием. |
| 6328/C3VL0271 | Внутренний зазор больше нормального. |
| 6328M.R152.203.J20A | Твердый латунный сепаратор. Шариковые направляющие. Подшипники с токовой изоляцией. Заменяет Z76 - 1.000 В постоянного тока. Radial Clearance In μm. |
| 6328-M-J20AA-R152-203 | Твердый латунный сепаратор. Шариковые направляющие. Электроизоляция. наружное кольцо с керамическим покрытием. Radial Clearance In μm. |
| 6328M/C3VL2071 | Внутренний зазор больше нормального. Механически обработанный латунный сепаратор. центрируемый по шарикам. Разные конструкции или материалы обозначаются цифрой после буквы М. например. М2. Электрическое сопротивление/мин. 50 МОм. Напряжение пробоя/Макс. Рабочее напряжение 1000 В постоянного тока. |
| 6328MB C3 | Внутренний зазор больше нормального. Механически обработанный латунный сепаратор. направляющий по внутреннему кольцу. |
| 6328M.C4 | Внутренний зазор подшипника больше. чем C3. Твердый латунный сепаратор. Шариковые направляющие. |
| 6328M J30 | Механически обработанный латунный сепаратор .Расположенный на элементах качения. Внутренний зазор больше нормального. |
| 6328-J20AA-C3 | Внутренний зазор больше нормального. Электроизоляция. наружное кольцо с керамическим покрытием. |
| 6328-M-J20AA | Твердый латунный сепаратор. Шариковые направляющие. Электроизоляция. наружное кольцо с керамическим покрытием. |
| 6328-M-J20AA-C4 | Внутренний зазор подшипника больше. чем C3. Твердый латунный сепаратор. Шариковые направляющие. Электроизоляция. наружное кольцо с керамическим покрытием. |
| 6328-M-J20AB-C3 | Внутренний зазор больше нормального. Твердый латунный сепаратор. Шариковые направляющие. Puncture Voltage/ 1.000vDC - Operating Environment/ Dry. Damp - Layer Thickness/ 100μm - Possible Dimensions/ 70mm–1400mm Outside Diameter. |
| 6328-RS | Резиновое уплотнение с одной стороны. |
| 6328ZX | Съемная защитная шайба с одной стороны. |
| 6328ZZS | Защитные металлические шайбы с двух сторон подшипника (удерживается стопорным кольцом на внешнем кольце - обычно для миниатюрных шарикоподшипников). |
| 6328B | Угол контакта 40°. |
Модификации шарикового подшипника 6328/C3VL2071 — это измененное основное конструктивное исполнение 6328, основные размеры (140x300x62) не отличаются.
| Обозначение | Гост | Конструктивные особенности |
|---|---|---|
| 63/28LLU | ISO | Резиновые уплотнения с каждой стороны подшипника. |
Аналог шарикового подшипника 6328/C3VL2071 — это подшипник такого же размера dx140,Dx300,Bx62, типа и конструкции.
| Обозначение | Конструктивные особенности | Внутренний (d) | Наружный (D) | Ширина (B) |
|---|---|---|---|---|
| 26328К | Шариковый радиально-упорный однорядный подшипник. «Замок» (скос) на внутреннем кольце плюс массивный сепаратор из текстолита. | 140.00 | 300.00 | 62.00 |
| 6-32328 Л | Роликовый радиальный однорядный подшипник. Сепаратор из латуни.. | 140.00 | 300.00 | 62.00 |
| 6-32328 М | Роликовый радиальный однорядный подшипник. Модифицированный контакт.. | 140.00 | 300.00 | 62.00 |
| 6-42328 Л1М | Роликовый радиальный однорядный подшипник. Модифицированный контакт.. Сепаратор из латуни.. | 140.00 | 300.00 | 62.00 |
| 66328К | Шариковый радиально-упорный однорядный подшипник. «Замок» (скос) на внутреннем кольце плюс массивный сепаратор из текстолита. | 140.00 | 300.00 | 62.00 |
| 70-32328 М | Роликовый радиальный однорядный подшипник. Модифицированный контакт.. | 140.00 | 300.00 | 62.00 |
| 70-42328 Л1М | Роликовый радиальный однорядный подшипник. Модифицированный контакт.. Сепаратор из латуни.. | 140.00 | 300.00 | 62.00 |
| 70-42328 М | Роликовый радиальный однорядный подшипник. Модифицированный контакт.. | 140.00 | 300.00 | 62.00 |
| NU 328 ECML | Роликовый радиальный однорядный подшипник. Однорядный цилиндрический роликовый подшипник. | 140.00 | 300.00 | 62.00 |
| 42328-Л | Роликовый радиальный однорядный подшипник. Сепаратор из латуни.. | 140.00 | 300.00 | 62.00 |
| 42328-Л1М | Роликовый радиальный однорядный подшипник. Модифицированный контакт.. Сепаратор из латуни.. | 140.00 | 300.00 | 62.00 |
| 42328-ЛМ | Роликовый радиальный однорядный подшипник. Сепаратор из латуни.. Модифицированный контакт.. | 140.00 | 300.00 | 62.00 |
| 42328-М | Роликовый радиальный однорядный подшипник. Модифицированный контакт.. | 140.00 | 300.00 | 62.00 |
| 46328К | Шариковый радиально-упорный однорядный подшипник. «Замок» (скос) на внутреннем кольце плюс массивный сепаратор из текстолита. | 140.00 | 300.00 | 62.00 |
| 52328-М | Роликовый радиальный подшипник. Модифицированный контакт.. | 140.00 | 300.00 | 62.00 |
Способы доставки
Отправка через ведущие транспортные и курьерские компании: ПЭК, Деловые Линии, СДЭК, Байкал-Сервис, Энергия, КИТ, ЖелДорЭкспедиция.
Самовывоз возможен напрямую со склада в Москве.
Сроки доставки
Срок зависит от региона и выбранной транспортной компании. Все заказы комплектуются и отправляются в кратчайшие сроки со склада в Москве.
Надёжность и сохранность
Вся продукция упаковывается с учётом требований транспортировки. Мы гарантируем, что подшипники и комплектующие прибудут к заказчику в полной сохранности.
Доставка в страны ЕАЭС
Мы работаем с проверенными логистическими партнёрами, что позволяет оперативно доставлять заказы в Беларусь, Казахстан, Армению и другие страны ЕАЭС.
Варианты оплаты:
Минимальная сумма заказа и скидки:
Документы и гарантии:
Да, конечно! Наши технические специалисты готовы помочь вам с подбором точного аналога или замены подшипника. Просто позвоните нам по телефону +7 (495) 104-99-04 или напишите на почту zakaz@podsnab.ru.
Для оперативной консультации подготовьте, пожалуйста, имеющиеся данные: маркировку, размеры, тип оборудования или артикул старого подшипника.
Да, конечно! Мы высоко ценим долгосрочное сотрудничество и доверие клиентов по всей России. Для постоянных клиентов действует персональная система скидок.
Условия формируются индивидуально и зависят от:
Чтобы узнать свои условия и получить максимально выгодное предложение, свяжитесь с персональным менеджером или напишите нам на почту zakaz@podsnab.ru.
Вы можете оформить заказ несколькими способами:
Для оформления заказа от юридического лица свяжитесь с нашим отделом по работе с корпоративными клиентами по телефону +7 (495) 104-99-04 или напишите на email zakaz@podsnab.ru, прикрепив реквизиты вашей организации.
Мы оперативно подготовим коммерческое предложение и выставим счет.
Возврат товара надлежащего качества возможен в течение 10 дней с момента получения, если товар не был в употреблении, сохранен товарный вид, упаковка не вскрывалась и присутствуют все сопроводительные документы.
Возврат денежных средств осуществляется в течение 10 рабочих дней после проверки товара складом.
В соответствии с законодательством возврату не подлежат подшипники надлежащего качества, если отсутствует оригинальная упаковка или имеются следы монтажа.
В случае выявления брака или гарантийного случая мы гарантируем возврат или обмен товара.
Да, гарантийный срок хранения устанавливается заводом-изготовителем и в среднем составляет 2 года при соблюдении условий хранения: сухое помещение, оригинальная упаковка и смазка.
Точный срок для конкретного типа подшипника уточняйте у наших менеджеров.
Пн–Пт: с 8:00 до 17:00 (МСК).
Сб–Вс: выходные дни.
Заказы на сайте принимаются круглосуточно. Заявки, поступившие после окончания рабочего дня, обрабатываются на следующий рабочий день.
Минимальная сумма заказа для доставки составляет 3000 рублей. Самовывоз со склада возможен на любую сумму при наличии товара.
ООО «УралТехГрупп»
ИНН: 7415093830
КПП: 772401001
ОГРН: 1167456069021
Банк: ПАО Сбербанк
Р/с: 40702810838000475273
К/с: 30101810400000000225
БИК: 044525225
У подшипника 6328/C3VL2071 пока нет отзывов. Вы можете стать первым покупателем, поделившимся своим мнением.